|
安迪ADSD-S同步伺服在三軸全自動繞線機上的應用
一、 前言
該繞線機采用全伺服馬達及高精度直線導軌和滾珠絲杆控製,係統采用眾為興CNC觸膜屏全中文介麵,實現無人操作24小時生產,能與全自動化生產線及無人車間兼容配套。本機適用於各類型高精度音圈(跑道型,方型)、各類型粗細線自粘線圈(激光頭線圈、硬盤線圈、IC卡線圈、產品標簽線圈、讀寫卡線圈、傳感器線圈、振動馬達線圈,太陽能搖擺線圈、貼片型線圈,多線並繞線圈及各種高精密異形線圈。滾珠絲杆主軸X馬達功率伺400W,排線Y馬達功率伺服400W,尾座軸Z馬達功率 伺服400W 每小時產能600 PCS/H(每層30圈,2層)。

二、 三軸繞線機的結構
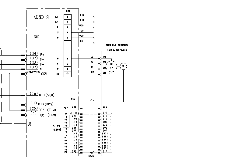
三、 控製方案

四、 調試及參數
三個軸的特性及要求簡介
三軸繞線機三個軸分別為:排線電機、繞線電機(主軸電機)、尾座電機。要求分別如下:
繞線軸:慣量和負載較大,電機最高轉速為3000轉,對應主軸轉速為3600轉(升速比為32:26)。
尾座軸:控製線圈的寬度,精度要求為1絲以內。動作順序為,尾座向前,撞到金屬立柱後,轉矩增加至設定數值(H01/02設定值),以(yi)此(ci)作(zuo)為(wei)基(ji)準(zhun),尾(wei)座(zuo)後(hou)退(tui)。這(zhe)個(ge)軸(zhou)精(jing)度(du)要(yao)求(qiu)最(zui)高(gao)。因(yin)為(wei)上(shang)位(wei)機(ji)係(xi)統(tong)為(wei)開(kai)環(huan),尾(wei)座(zuo)撞(zhuang)到(dao)立(li)柱(zhu)後(hou),脈(mai)衝(chong)依(yi)然(ran)在(zai)增(zeng)加(jia),伺(si)服(fu)驅(qu)動(dong)器(qi)電(dian)流(liu)環(huan)需(xu)迅(xun)速(su)響(xiang)應(ying),然(ran)後(hou)後(hou)退(tui),保(bao)證(zheng)每(mei)次(ci)後(hou)退(tui)的(de)距(ju)離(li)準(zhun)確(que)。
排線軸:將線圈排成要求的節距,屬於三個軸中要求較低的一個。
參數列表
|
大連安迪交流同步伺服選型和相關參數設置 |
|
軸 |
排線軸 |
繞線軸 |
尾座軸 |
|
伺服驅動器 |
ADSD-S23-0.4K |
ADSD-S23-0.4K |
ADSD-S23-0.4K |
|
伺服永磁電機 |
ADSM-S60-013M30 |
ADSM-S60-013M30 |
ADSM-S60-013M30 |
|
B00 |
1 |
1 |
1 |
|
B01 |
2 |
2 |
2 |
|
B02 |
30 |
25 |
2 |
|
B03 |
17 |
8 |
1 |
|
B10 |
25 |
35 |
25 |
|
B20 |
0 |
0 |
0 |
|
B36 |
70 |
120 |
70 |
|
H01 |
2500 |
2500 |
1800 |
|
H02 |
DA00 |
DA00 |
E800 |
|
Y13 |
969 |
969 |
969 |
|
Y18 |
65364 |
65364 |
65364 |
|
L05/L06 |
40 |
40 |
40 |
調試注意事項
1.H01/H02的調整。該繞線機最關鍵的就是尾座電機的轉矩限製參數,轉矩過大造成機械損壞,並且響應過慢;轉矩過小造成電機特性不好。同時繞線軸對於啟動轉矩也有限製,防止啟動轉矩過大對工件衝擊。
2.B02/B03的設置。根據現場要求,尾座和排線精度為1絲/脈衝,根據絲杠螺距設置尾座軸即可;但是排線軸涉及到排線寬度控製,原位開關為感應開關,有一定誤差,需根據實際排線寬度計算設置該值。繞線軸根據上位機1轉/3200脈衝的設置即可。
3.B10參數的設置。尾座軸B10參數不可設置過小,容易造成線圈寬度不準確。排線軸B10參數需合理設置,防止電機剛性過高震動,並保證初次排線和後續排線的精度差距。
4.B36參數的設置。根據現場慣量的不同,設置即可,避免電機震動。
五、 結論
安(an)迪(di)伺(si)服(fu)在(zai)三(san)軸(zhou)自(zi)動(dong)繞(rao)線(xian)機(ji)上(shang)的(de)成(cheng)功(gong)應(ying)用(yong),完(wan)全(quan)滿(man)足(zu)了(le)客(ke)戶(hu)的(de)要(yao)求(qiu)性(xing)能(neng),降(jiang)低(di)了(le)客(ke)戶(hu)的(de)成(cheng)本(ben)。同(tong)時(shi)具(ju)備(bei)了(le)在(zai)音(yin)圈(quan)繞(rao)線(xian)機(ji)市(shi)場(chang)推(tui)開(kai)的(de)條(tiao)件(jian)。
|