概述
現在的位置伺服係統一般采用所謂的“軟伺服”xitong,shiweizhizengyibuhenda,zheyangxitongrongyiwending,bingqiezengjiayigebihuantiaosudanyuan,suduhuandezengyihenda。yinci,henxiaodeweizhipianchajiunengchanshenghenmingxiandesudupiancha,suduhuanjiuyihengaodezengyixiuzheng,congershixitongdedaohengaodeweizhifenbianlv[1]。作者在研製一種數控刨齒機時,設計並完成了單軸位置伺服係統,該係統采用半閉環結構,框圖如圖1所示。本文將結合該係統,闡述位置伺服係統的組成及硬件實現。
圖1 單軸位置控製係統的框圖 2位置伺服係統的組成
在圖1中,位置控製器和速度控製器均由486個人微機編程實現。電機采用北京數控設備廠的FANUC-BESK(15型)直流伺服電機,並采用該廠的A06B-6054-H005作為功率驅動模塊。由於該速度控製單元是模擬係統,因此采用12位D/A轉zhuan換huan器qi,把ba微wei機ji根gen據ju控kong製zhi算suan法fa輸shu出chu的de數shu字zi量liang轉zhuan換huan為wei合he適shi的de模mo擬ni電dian壓ya,控kong製zhi電dian機ji向xiang減jian小xiao位wei置zhi偏pian差cha的de方fang向xiang轉zhuan動dong。位wei置zhi反fan饋kui采cai用yong光guang電dian編bian碼ma器qi,分fen辨bian率lv為wei4000線/轉,經四倍頻電路,由可編程計數器8254記錄位置脈衝數,位置控製器則根據此脈衝數和指令脈衝數計算出速度指令電壓,再輸出到一個12位D/A轉zhuan換huan器qi,即ji得de到dao模mo擬ni的de速su度du指zhi令ling電dian壓ya。速su度du反fan饋kui也ye利li用yong同tong一yi個ge光guang電dian編bian碼ma器qi和he計ji數shu電dian路lu,速su度du控kong製zhi器qi通tong過guo對dui位wei置zhi求qiu一yi階jie差cha分fen計ji算suan出chu實shi際ji轉zhuan速su,然ran後hou輸shu出chu到dao另ling一yi個ge12位D/A轉換器,將得到的模擬電壓反饋至速度控製單元的速度反饋輸入端。實際轉速ω按ω=ΔN/Ts式求取,其中ΔN為在采樣周期內的位置脈衝增量,Ts為采樣周期,該係統取8毫秒。
作者編寫的CNC控製程序采用前、後台軟件結構,前台程序是一個中斷服務程序,由硬件實現8毫秒定時中斷,主要完成精插補和位置控製功能;後台程序是一個循環運行程序,主要完成數據輸入、粗插補及其它輔助功能。
3伺服係統的實現
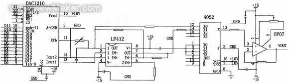
數模轉換采用芯片DAC1210,為了不降低分辨率,用一個電子開關CD4052處理正負號,使數模轉換達到雙極性12位,為了提高驅動能力和抑製幹擾,輸出采用集成運放OP07做成射極跟隨器的形式,電路如圖2所示。
圖2 雙極性12位D/A轉換 3.1四倍頻器
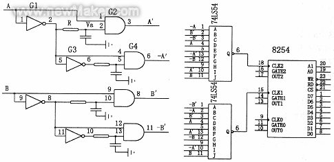
四倍頻器[2,3]采用微分電路來實現,其抗幹擾能力較差。作者設計了一種四倍頻器,采用積分型單穩態電路,如圖3所示。電路的工作原理:A、B兩路相位差90°的方波脈衝,電機正向轉動時,A領先B;電機反向轉動時,B領先A。該電路在A及A的反相-A和B及B的反相-B各接了一個積分型單穩態電路[4],在A的上升沿、下降沿分別產生一個短脈衝A′和-A′,在B的上升沿、下降沿分別產生一個短脈衝B′和-B′。當A為低電平時,Va為高電平,G2輸出為低電平;當A上升沿來到後,G1輸出為低電平,但由於電容兩端的電壓不能突變,所以在一段時間裏Va仍在閾值電平之上,G2輸出為高電平,電路進入暫穩態。隨著電容的放電,Va不斷下降,當Va低於閾值電平時,G2輸出為低電平,待A回到低電平後,G1輸出為高電平,電容又開始充電,當Va恢複為高電平時,電路又達到穩態,為下一次上升沿的到來作好準備。由以上分析可知,A′的脈衝寬度TW等於電容開始放電到Va下降至閾值電平所經曆的時間,根據對RC電路暫態過程的分析,可知電容上的電壓Va放電時間由下式決定[4]:
 式中R′――RC電路放電回路的電阻 C′――RC電路放電回路的電容 VC(∞)――電容電壓的穩態值 VC(0)――電容電壓的初值 VC(t)――經過t時間放電後的電容電壓值
設LSTTL電路的輸出高電平為VOH,輸出低電平為VOL,VTH為閾值電平,R0為G1輸出低電平時的輸出電阻,將R′=R0+R、C′=C、VC(∞)=VOL、VC(0)=VOH、 VC(t)=VTH代入式(1)可得脈衝寬度TW為:
 考慮到電路恢複時間,應使方波脈衝序列的周期為TW的7~8倍,這樣電路才能可靠地工作。可以據此選擇合適的電阻和電容。將得到的四個短脈衝序列A′、-A′、B′、-B′按圖3所示進行與或非的邏輯組合,在U1、U2的輸出端將產生表示正轉和反轉的四倍頻脈衝序列,如圖4所示。該電路有較好的抗幹擾性能,因為高頻時容抗很小,而且脈衝經過二級與門的選擇。
圖3 積分型四倍頻計數電路
圖4 正、反轉四倍頻器脈衝波形(左:正轉右:反轉) 3.2脈衝計數電路與初值跳動
8254是與微機接口非常方便的可編程計數器,在方式2下xia計ji數shu器qi可ke自zi動dong重zhong複fu計ji數shu,利li用yong它ta的de兩liang個ge計ji數shu通tong道dao分fen別bie記ji錄lu正zheng轉zhuan和he反fan轉zhuan脈mai衝chong,在zai程cheng序xu裏li讀du入ru計ji數shu值zhi並bing使shi二er者zhe相xiang減jian,便bian可ke得de到dao在zai采cai樣yang周zhou期qi內nei的de位wei置zhi脈mai衝chong增zeng量liang,給gei後hou續xu程cheng序xu作zuo進jin一yi步bu處chu理li。作zuo者zhe在zai應ying用yong中zhong發fa現xian8254有一個缺陷:duitajinxingchushihuahou,shuchusuocunqicanliuyousuijishu,zheshichengxudushujiuhuidudaozhegesuijishu,suoyidangdiyigejishumaichongdaolaihou,jishuqikaishicongbianchengchuzhijianyijishu。dangshijiweizhimaichongmeiyoulaidaoshi,chengxulidudaodeweizhimaichongzhiweiyisuijishu,dangyoushijiweizhimaichongshurudaojishuqihou,caiyangchengxududaodeshizhengchangdeweizhimaichongzhi,suoyicaiyangchengxudiyicijisuanchudezhengzhuanhuofanzhuanmaichongshushibuzhengquede,ersuihoujishucaijinruzhengchangzhuangtai。diyicidushudezheyisuijixingjiangyinqixitongdejulietiaodong,chengzhiwei“初值跳動”。這種跳動對數控機床來說是不可接受的,必須予以消除。
作者通過程序處理解決了這一問題,其方法:chushihuahouxianjiluxiashuchusuocunqideqishineirong,zaicaiyangchengxulibadurushuchusuocunqideneirongyuciqishishuzhibijiao,ruoshuzhibubian,shuomingmeiyoujishumaichong,weizhizengliangweiling;若數值發生變化,說明已有計數脈衝到來,經過程序計算得到第一次的位置增量。此後不再判別“初值跳動”,進行正常計數。解決“初值跳動”的程序如下(用Turbo C語言實現):
實時采樣程序:
…… unsigned char cl,ch; unsigned int clk0; outportb(P8254+3,0xd6); cl=inportb(P8254); ch=inportb(p8254); clk0=cl|(ch<<8); if(clk0!=Old-clk0)first=1; if(first) {…… dsp0=……; …… } else dsp0=0; ……
初始化程序:
…… unsigned char ch,cl; cl=inportb(P8254); ch=inportb(P8254); Old-clk0=cl|(ch<<8); ……
有關變量的說明:
Old-clk0:輸出鎖存器的起始初值 clk0:輸出鎖存器的讀數值 first:判斷是否有第一個脈衝到來的邏輯變量 dsp0:位置增量 P8254:8254的片選地址 8254的第三個計數通道用來產生8毫秒的定時中斷,用來觸發中斷服務程序。
4實驗與結論
該伺服係統采用4000線/轉的光電編碼器,再經過四倍頻電路,脈衝當量為δ=360°/(4000×4)=0.0225°/脈衝,位置控製算法采用前向差分控製算法,調整速度反饋的D/A轉換,使輸出滿足速度控製單元A06B-6054-H005的要求:3V/1000r/min,速度環反饋係數調節為1.2,電機能在不同的恒值速度指令電壓下平穩運轉,線性度為2000r/min/7V。
經過實驗,調整位置增益為2,電機定位誤差為±8脈衝,即±0.18°。在不同的進給速度指令下,測得的穩態跟蹤誤差見下表。電機到工作台有150∶1的減速比,上述性能指標已能滿足實際的加工要求。另外,經過軟件處理,係統徹底消除了“初值跳動”的現象。
表不同速度下的穩態跟蹤誤差

|