|
一、ADE-DMS2000 配電監視係統簡介 概述 係統功能 總體技術指標 係統結構圖 二、ADE-DMS2000 配電監視係統軟件係統 主界麵 電氣平麵布置圖 電氣一次係統圖界麵 電氣二次原理圖界麵 事故、預告信號界麵 設備清單界麵 三、ADE-DMS2000 配電監視係統硬件係統 主機配置 采集模塊配置 采集模塊選型及功能表 四、ADE-DMS2000 係統典型案例應用 ** 賓館電氣一次係統圖 ** 賓館電氣平麵布置圖 ** 賓館 DMS2000 配電監視係統結構圖 ** 賓館 DMS2000 配電監視係統布置圖 一、 ADE-DMS2000 配電監視係統簡介 1 、概述 目mu前qian,針zhen對dui配pei電dian監jian視shi係xi統tong開kai發fa的de軟ruan硬ying件jian係xi統tong眾zhong多duo,但dan所suo有you這zhe些xie係xi統tong適shi用yong於yu大da型xing的de配pei電dian係xi統tong而er開kai發fa,它ta係xi統tong容rong量liang大da,一yi般ban采cai集ji量liang均jun在zai幾ji萬wan個ge點dian以yi上shang,相xiang應ying它ta的de成cheng本ben較jiao高gao,市shi場chang價jia格ge也ye較jiao為wei昂ang貴gui。然ran而er,社she會hui上shang大da量liang的de小xiao型xing配pei電dian係xi統tong如ru大da樓lou、賓館、酒店、小區、單位、工礦企業等的配電係統,由於其係統小,相應要求的采集數量也少(一般采集量在 1000 點以下)這(zhe)些(xie)用(yong)戶(hu)為(wei)提(ti)升(sheng)設(she)備(bei)管(guan)理(li)能(neng)力(li),提(ti)高(gao)自(zi)動(dong)化(hua)水(shui)平(ping),也(ye)迫(po)切(qie)需(xu)要(yao)引(yin)入(ru)監(jian)控(kong)係(xi)統(tong),很(hen)顯(xian)然(ran),若(ruo)采(cai)用(yong)大(da)係(xi)統(tong)的(de)監(jian)控(kong)係(xi)統(tong),係(xi)統(tong)的(de)利(li)用(yong)率(lv)極(ji)低(di),資(zi)源(yuan)造(zao)成(cheng)大(da)量(liang)浪(lang)費(fei),從(cong)而(er)極(ji)大(da)浪(lang)費(fei)投(tou)資(zi)。為(wei)此(ci),澳(ao)德(de)公(gong)司(si)在(zai)對(dui)以(yi)上(shang)小(xiao)型(xing)配(pei)電(dian)係(xi)統(tong)充(chong)分(fen)調(tiao)研(yan)基(ji)礎(chu)上(shang),專(zhuan)門(men)針(zhen)對(dui)該(gai)類(lei)型(xing)用(yong)戶(hu)研(yan)發(fa)了(le)一(yi)套(tao)配(pei)電(dian)監(jian)視(shi)係(xi)統(tong)―― ADE DMS2000 ,並開發了 ADE DMS2000A 與 ADE DMS2000B 兩大係統。 DMS2000A 係統主要提供監視功能, DMS2000B 係統主要提供監控功能。 澳德公司的 ADE DMS2000 係統采用 PC-BASED 技術,充分利用與發揮 PC 機成熟的技術,技術先進。係統結構簡單硬件少(僅配備前端采集模塊與後台 PC 主機),接線方便 ( 大部分為拔插型接線, DMS2000A 為音頻接口, DMS2000B 為 USB 接口 ) ,係統安全可靠、維護工作量少。本係統可與智能型開關設備進行通訊也可與非智能開關設備交換信息,同時可與上層如建築物 BA 係統、工礦企業 FCS 、 DCS 係統連接。 ADE DMS2000 係統可提供一、二er次ci電dian氣qi係xi統tong圖tu,設she備bei清qing單dan管guan理li,運yun行xing事shi故gu與yu預yu告gao音yin響xiang報bao警jing,電dian氣qi連lian鎖suo邏luo輯ji編bian寫xie,電dian氣qi運yun行xing方fang式shi改gai變bian,數shu據ju采cai集ji記ji錄lu存cun儲chu,負fu荷he能neng量liang分fen配pei的de完wan善shan功gong能neng。 ADE DMS2000 係xi統tong所suo有you設she計ji均jun充chong分fen考kao慮lv電dian氣qi人ren員yuan運yun行xing操cao作zuo習xi慣guan與yu便bian捷jie,是shi我wo公gong司si電dian氣qi工gong程cheng師shi與yu軟ruan件jian工gong程cheng師shi精jing心xin合he作zuo的de成cheng果guo,是shi電dian氣qi人ren員yuan運yun行xing與yu維wei護hu的de好hao幫bang手shou,它ta使shi用yong方fang便bian,非fei常chang適shi合he電dian氣qi人ren員yuan使shi用yong,不bu需xu要yao具ju備bei太tai多duo計ji算suan機ji專zhuan業ye知zhi識shi就jiu能neng十shi分fen方fang便bian進jin行xing各ge種zhong操cao作zuo。是shi大da樓lou、酒店、賓館、小區、工礦企業電氣人員、電工們理想的專業工具。 2 、係統功能 2.1 DMS2000A 係統功能 ● 提供完全監視係統 ● 讀取中低壓電氣一次係統圖、二次原理圖 ● 顯示係統及中低壓各進出線回路斷路器、開關運行狀態(合閘、分閘、故障) ● 顯示係統及中低壓各進出線回路電量參數(按回路類別顯示 U 、 I 、 P 、 Q 、 W 、 COS 其中一個或幾個) ● 顯示供電電源情況(當前供電電源是電網還是發電機,電源切換時聲光提示,電網停、來電提示) ● 提供事故、預告音響信號(如變壓器過溫預告、超溫報警跳閘)以及回路事故跳閘地址指示(光字牌功能),事故地址優先彈出界麵。 ● 存儲、打印中低壓係統各種統計報表。 ● 存儲、打印中低壓係統各種故障狀態和事故報表 ● 提供主要元器件清單、維修記錄、保護整定值。 ● 提供中低壓各回路技術參數,如額定值、電纜及穿管管徑 • DMS2000B 係統功能 ● 提供完全監控係統。不但全麵實現 DMS2000A 所有功能,還可實現以下控製功能。 ● 在計算機實現電源轉換設置,可以根據具體情況將電源互投設為手動或自動,並可根據需要設置互投延時時間。 ● 實現對各回路斷路器及開關分勵跳閘操作。 ● 實現在計算機進行雙電源閉鎖設置,母聯閉鎖設置。 ● 實現發電機投入運行後負荷平衡控製,使得發電機能得到充分有效利用。 ● 實現對中、低壓係統任何斷路器、開關進行聯鎖邏輯設置。 ● 係統能與綜合保護器、智能元器件進行通訊。 • 係統總體指標 3.1 DMS2000A I/O 指標 采集模擬、數字量總數: 416 個 3.2 DMS2000B I/O 指標 數字量輸出輸入總數: 1280 個 模擬量輸入總數 512 個 模擬量輸出總數 128 個 3.3 其它技術指標 模擬量交換周期 : <3s 遙信變位傳送時間 : <3s 全係統實時數據掃描周期 : 5s 畫麵調用響應時間 : ≤ 1s 畫麵實時數據刷新時間: ≤ 5s 打印報表輸出周期 : 按需整定(一般每小時輸出一次) 遙信正確率 : 99.99% 係統可用率不小於 : 99.99% 平均無故障時間 : 工作電源電壓 : 220V ± 20% 工作溫度 : -20~60 ℃ 濕度 : <85% 事故推畫麵時間 : ≯ 1S 操作員發出命令到就地控製係統時間: ≯ 1S 遙測綜合誤差 : <0.1% 遙信傳送時間: ≤ 2S 遙測傳送時間: ≤ 2S • 係統結構圖 4.1 DMS2000A 係統結構圖
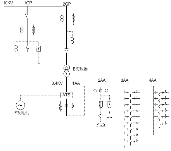
 4.2 DMS2000B 係統結構圖 二、ADE-DMS2000 配電監視係統軟件係統 • 主界麵 圖(略) • 電氣平麵布置圖 圖(略) • 電氣一次係統圖界麵 圖(略) • 電氣二次原理圖界麵 圖(略) • 事故、預告信號界麵 圖(略) • 設備清單界麵 圖(略) 三、 ADE-DMS2000 配電監視係統硬件係統 • 主機配置 基本配置 : CPU : Pentium III 以上 硬盤: 1GB 以上 內存: 128MB 以上 聲卡: Direct 3D 聲卡 顯卡:支持 Direct 3D 顯卡 32M 顯存以上 網卡: 10M 光驅: 8 倍速以上 顯示器: 15 寸以上彩顯 打印機:彩色打印機 操作係統: WIN98 以上 建議配置 : CPU : Pentium IV 以上 硬盤: 1GB 以上 內存: 256MB 以上 聲卡:獨立聲卡 顯卡:支持 Direct 3D 顯卡 64M 顯存以上 網卡: 100M 光驅: 16 倍速以上 顯示器: 17 寸以上彩顯 打印機:彩色打印機 操作係統: WIN2000 以上 2 、采集模塊配置 • DSS14 監視采集模塊配置 ※ 聲卡接口、音頻線接線方式 ※ 14 路直流數字或模擬輸入; ※ ±5 伏輸入範圍,或 4-20 毫安電流輸入; ※ 聲卡接口 ※ 輸入範圍可擴展; ※ 最高采樣頻率可達 1000Hz ; ※ 利用聲卡 16 位的采集精度; ※ 可支持高達 10 兆歐的輸入阻抗; ※ 具有連續讀取功能; ※ 可以進行遠距離傳輸; ※ 可以在任何 Windows 版本下使用; ※ 可在工業溫度範圍內使用; • U12 監控采集模塊配置 ※ USB 接口接線方式 ※ 12 位、八個單端或四個差動的模擬量輸入 ※ ±10 伏的模擬量輸入範圍 • 2 個模擬量輸出 ※ 20 個數字輸入輸出口(每個口的速率可達到 50 赫茲) ※ 具有可編程放大器,增益為 1 , 2 , 4 , 5 , 8 , 10 , 16 或 20 倍 ※ 采樣速率可高達 8000 赫茲(在短時讀模式下)或 1200 赫茲(在連續讀模式下) ※ 支持軟硬件定時采樣 ※ 1 個 32 位計數器 ※ 具有看門狗定時器功能 ※ 是個使用方便的 PnP USB 設備 ※ 一個 USB 口可以連接 80 個 LabJack 從而組成龐大係統 ※ 百分之百的軟件控製,沒有任何跳線或開關 ※ 不需要外部電源 ※ 可在視窗操作係統 98SE , ME , 2000 或 XP 上使用 ※ CE 認證產品 ※ 可在工業溫度範圍內使用 • DSS-HUB16 集線器配置 • 音頻插座接口 • 16 路音頻口輸出 • AC 220V ± 10% 50HZ 電源 • 工作溫度 -5~45 ℃ • 工作濕度 0%~90% • U SB-HUB8 集線器配置 ※ USB 插座接口 ※ 8 路 USB 口輸出 ※ AC 220V ± 10% 50HZ 電源 ※ 工作溫度 -5~45 ※工作濕度 0%~90% • 采集模塊選型及功能表 四、 ADE-DMS2000 係統典型案例應用 1 、 ** 賓館電氣一次係統圖
 2 、 ** 賓館電氣平麵布置圖
 3 、 ** 賓館 DMS2000A 配電監視係統拓撲圖

|