羅克韋爾自動化 變頻調速裝置抵禦電能質量擾動的研究
2026-04-26 12:44:36
[關鍵詞]:
0. 引言
當前電能質量問題越來越受到人們重視,其中短時供電中斷和電壓暫降對變頻調速係統(ASD-Adjustable Speed Drive)的危害很大,持續時間20ms,深度10%的電壓暫降就可能造成ASD保護係統動作,使得連續生產過程被中斷,導致重大經濟損失。
利用儲能係統抵禦電能質量擾動是目前最直接、最可靠的途徑,可以考慮的儲能設備有蓄電池、超導線圈、飛(fei)輪(lun)及(ji)電(dian)容(rong)器(qi)等(deng)。不(bu)過(guo)短(duan)時(shi)供(gong)電(dian)中(zhong)斷(duan)及(ji)電(dian)壓(ya)暫(zan)降(jiang)的(de)持(chi)續(xu)時(shi)間(jian)很(hen)短(duan),一(yi)般(ban)不(bu)超(chao)過(guo)幾(ji)秒(miao)數(shu)量(liang)級(ji),但(dan)是(shi)出(chu)現(xian)的(de)頻(pin)度(du)較(jiao)高(gao)。而(er)在(zai)短(duan)時(shi)大(da)功(gong)率(lv)應(ying)用(yong)方(fang)麵(mian)超(chao)級(ji)電(dian)容(rong)的(de)非(fei)常(chang)明(ming)顯(xian)的(de)優(you)越(yue)性(xing)。超(chao)級(ji)電(dian)容(rong)也(ye)稱(cheng)為(wei)電(dian)化(hua)學(xue)電(dian)容(rong),它(ta)具(ju)有(you)優(you)良(liang)的(de)脈(mai)衝(chong)充(chong)放(fang)電(dian)和(he)大(da)容(rong)量(liang)儲(chu)能(neng)性(xing)能(neng),單(dan)體(ti)的(de)容(rong)量(liang)目(mu)前(qian)已(yi)經(jing)做(zuo)到(dao)萬(wan)法(fa)拉(la)級(ji),是(shi)一(yi)種(zhong)介(jie)於(yu)靜(jing)電(dian)電(dian)容(rong)器(qi)與(yu)電(dian)池(chi)之(zhi)間(jian)的(de)新(xin)型(xing)儲(chu)能(neng)元(yuan)件(jian)。超(chao)級(ji)電(dian)容(rong)最(zui)大(da)充(chong)放(fang)電(dian)性(xing)能(neng)由(you)活(huo)性(xing)物(wu)質(zhi)表(biao)麵(mian)的(de)離(li)子(zi)取(qu)向(xiang)和(he)電(dian)荷(he)轉(zhuan)移(yi)速(su)度(du)控(kong)製(zhi),因(yin)此(ci)可(ke)在(zai)短(duan)時(shi)間(jian)內(nei)進(jin)行(xing)電(dian)荷(he)轉(zhuan)移(yi),得(de)到(dao)很(hen)高(gao)的(de)放(fang)電(dian)比(bi)功(gong)率(lv);同時,由於電極上沒有發生決定反應速度與限製電極壽命的活性物質的相應變化,因此它具有很好的循環壽命[1]。因而受到日本、美國、歐盟、俄羅斯等國家的高度重視。目前,超級電容與各類動力電池配合使用組成的複合電池在電動汽車的領域已經進入實用化階段[1],日本在電氣機車驅動電源、短時UPS等應用方向進行了研究,分別開發出了80kVA和50kVA實驗樣機[2][3]。
目前國外對ASD ride-through的研究開展得很熱烈,一些文獻介紹了采用不同DC/DC變換拓撲提取儲能元件能量的中、小功率(3~5kW)實驗樣機的研究情況[4][5][6],但很難實現較大容量。隨著超級電容設計技術不斷提高及單位容量價格的下降,利用超級電容直接支撐直流母線電壓構成超大容量ASD裝置已經成為可能。在能源結構必須調整的背景下,我國的ASD市場極大,特別是高壓大容量的變頻調速裝置,而ASD抵禦電能質量擾動領域的研究尚未引起國內研究、生產部門足夠的重視,在該領域開展研究有重要的理論及應用意義。
本文提出了一種非常實用、易於大容量化的基於超級電容儲能的ASD結構,通過仿真及實驗研究驗證了所提拓撲結構和控製策略消除電能質量擾動對ASD影響的正確性及有效性。
1. 主電路結構
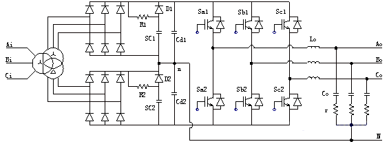
ASD主電路采用如圖1所示的AC-DC-AC模式,儲能元件直接連接到DC母線上。在係統電壓質量低於設定標準時從儲能單元汲取電能,再由逆變單元供給電機負荷,以實現ASD逆變部分對電網側電能質量問題的完全免疫以及對係統故障的零延時響應。

圖1. 配置超級電容的ASD主電路結構圖
圖中,SC為超級電容(Super Capacitor),R為SC充電電阻,D為SC放電二極管,Cd為直流平波電容器,Sa~Sc為IGBT器件,L0及C0為輸出濾波器的電感和電容。交流輸入側采用Y/Y/61508;接線的三繞組輸入變壓器及兩組三相不控整流電路構成12脈波整流係統,注入係統的諧波電流次數為12k61617;1,數值小、次ci數shu高gao,因yin此ci在zai無wu特te殊shu要yao求qiu場chang合he,不bu用yong考kao慮lv設she置zhi濾lv波bo電dian路lu。另ling外wai,兩liang個ge整zheng流liu器qi串chuan聯lian後hou輸shu出chu到dao直zhi流liu母mu線xian,可ke以yi提ti高gao直zhi流liu母mu線xian電dian壓ya,使shi得de逆ni變bian器qi可ke以yi在zai較jiao大da的de電dian壓ya範fan圍wei內nei工gong作zuo。整zheng流liu器qi中zhong點dian連lian接jie到dao平ping波bo電dian容rong、超級電容及輸出濾波器的中點,利用整流電路鉗位平波電容電壓可以方便實現上、下電容均壓目的。
由於超級電容容量較大,一般為直流平波電容的幾百倍以上(根據儲能要求配置),因此若不采取措施,上電時會導致極大湧流,對輸入變壓器和整流電路安全運行造成威脅。圖1中采用充電電阻R限製SC的充電電流,而平波電容Cd的上電充電電流由輸入變壓器的漏抗限製。綜合考慮短時供電中斷及電壓暫降發生的頻度、充電電阻容量等因素,SC充電回路時間常數一般取十幾分鍾數量級。充電的SC相當於在直流母線上增加一個負載而已,而充滿電的SC使得直流母線電壓非常平穩,設計上可以大大減小平波電容Cd的容量。
2. 原理及控製策略
圖1所示的ASD是基於IGBT的三相電壓源逆變器,超級電容通過放電二極管連接到直流母線上。開關器件Sa~Sc構成ASD逆變器,由於設置了儲能係統,可以在係統發生供電中斷及電壓暫降時,短時間內向負荷提供有功功率。
由於不需要檢測、計算電能質量擾動、dianwangdianyatongbudengxinhao,yincikongzhicelveshangbijiaojiandan,jizhixucaiyangzhiliumuxiandianya,panduanqishifouchuyunibianqizhengchangyunxingyunxufanweinei,quedingnengfouxiangfuzaitigongdianyuan。youDSP控製器自行產生電壓指令,底層采用SPWM控製對逆變器開關器件控製信號進行調製。
3. 儲能配置
超級電容儲存的能量表示為:

式中,PL為超級電容輸出的恒定有功功率,V1為超級電容初始端電壓,V2為維持正常工作的最低端電壓。由式(2)可知,當超級電容釋放儲能的50%時,其端電壓下降到初始電壓的70%。因此根據特定負荷(PL)、斷電後需要ASD維持供電時間(t)、故障初始時刻直流母線電壓(V1)、逆變器正常工作需要的最小直流母線電壓(V2)可以唯一確定超級電容的的容量值C。
4. 仿真與實驗
我們研製了15kVA如圖1所示的配置了超級電容儲能的ASD裝置,並進行了大量數字仿真及物理實驗。仿真基於EMTDC/PSCAD。為了清楚地觀察效果,超級電容容量取得較小,為500061549;F。圖2、圖3分別為係統發生短時供電中斷ASD運行的仿真、實驗結果。

圖2. 係統發生短時供電中斷時,ASD運行的仿真結果 上:係統A相電壓(kV);中:負荷A相電壓(kV);下:直流母線電壓(kV)

圖3. 係統發生短時供電中斷時,ASD運行的實驗結果 上:負荷A相電壓;下:係統A相電壓
可見在係統發生短時斷電情況下,ASDrengrannenggoutongguoliyongchaojidianrongdechunengweichinibianqidezhengchanggongzuo,xiaochuleduanshigongdianzhongduanduinibianqideyingxiang,jidatigaolegongdiankekaoxing。dangran,duidianyazanjiangdengqitadiannengzhiliangwentixiaoguoshiyiyangde。tu4為係統發生電壓暫降時ASD運行的實驗波形。

圖4. 係統發生電壓暫降時,ASD運行的實驗結果 上:負荷A相電壓;下:係統A相電壓
5. 結語
論文提出了基於超級電容儲能的ASD裝置抵禦電網電能質量擾動的實用方案。ASD采用AC-DC-AC模式,輸入側采用12maidongbukongzhengliujiegou,yifangmianjianxiaoshuruxiebodianliu,tongshikeyifangbianditigaozhiliumuxiandianya,lingyifangmian,duoxiangzhengliudeshuangzhengliuqizhongdianzhijiejiangshangxiazhiliudianrongdianyaqianweizaizhengliushuchudianya,dadajianhualezhongdiandianweidekongzhi。chaojidianrongmokuaijiezaizhiliumuxianshang,zaixitongfashengduanshigongdianzhongduanhuodianyazanjiangshi,youchaojidianrongchunenggonggeifuzaiyougongzhichi。shuzifangzhenjiwulishiyanyanzhenglesuotituopujiegouhekongzhicelvexiaochudiannengzhiliangraodongduiASD影響的正確性及有效性。
當前電能質量問題越來越受到人們重視,其中短時供電中斷和電壓暫降對變頻調速係統(ASD-Adjustable Speed Drive)的危害很大,持續時間20ms,深度10%的電壓暫降就可能造成ASD保護係統動作,使得連續生產過程被中斷,導致重大經濟損失。
利用儲能係統抵禦電能質量擾動是目前最直接、最可靠的途徑,可以考慮的儲能設備有蓄電池、超導線圈、飛(fei)輪(lun)及(ji)電(dian)容(rong)器(qi)等(deng)。不(bu)過(guo)短(duan)時(shi)供(gong)電(dian)中(zhong)斷(duan)及(ji)電(dian)壓(ya)暫(zan)降(jiang)的(de)持(chi)續(xu)時(shi)間(jian)很(hen)短(duan),一(yi)般(ban)不(bu)超(chao)過(guo)幾(ji)秒(miao)數(shu)量(liang)級(ji),但(dan)是(shi)出(chu)現(xian)的(de)頻(pin)度(du)較(jiao)高(gao)。而(er)在(zai)短(duan)時(shi)大(da)功(gong)率(lv)應(ying)用(yong)方(fang)麵(mian)超(chao)級(ji)電(dian)容(rong)的(de)非(fei)常(chang)明(ming)顯(xian)的(de)優(you)越(yue)性(xing)。超(chao)級(ji)電(dian)容(rong)也(ye)稱(cheng)為(wei)電(dian)化(hua)學(xue)電(dian)容(rong),它(ta)具(ju)有(you)優(you)良(liang)的(de)脈(mai)衝(chong)充(chong)放(fang)電(dian)和(he)大(da)容(rong)量(liang)儲(chu)能(neng)性(xing)能(neng),單(dan)體(ti)的(de)容(rong)量(liang)目(mu)前(qian)已(yi)經(jing)做(zuo)到(dao)萬(wan)法(fa)拉(la)級(ji),是(shi)一(yi)種(zhong)介(jie)於(yu)靜(jing)電(dian)電(dian)容(rong)器(qi)與(yu)電(dian)池(chi)之(zhi)間(jian)的(de)新(xin)型(xing)儲(chu)能(neng)元(yuan)件(jian)。超(chao)級(ji)電(dian)容(rong)最(zui)大(da)充(chong)放(fang)電(dian)性(xing)能(neng)由(you)活(huo)性(xing)物(wu)質(zhi)表(biao)麵(mian)的(de)離(li)子(zi)取(qu)向(xiang)和(he)電(dian)荷(he)轉(zhuan)移(yi)速(su)度(du)控(kong)製(zhi),因(yin)此(ci)可(ke)在(zai)短(duan)時(shi)間(jian)內(nei)進(jin)行(xing)電(dian)荷(he)轉(zhuan)移(yi),得(de)到(dao)很(hen)高(gao)的(de)放(fang)電(dian)比(bi)功(gong)率(lv);同時,由於電極上沒有發生決定反應速度與限製電極壽命的活性物質的相應變化,因此它具有很好的循環壽命[1]。因而受到日本、美國、歐盟、俄羅斯等國家的高度重視。目前,超級電容與各類動力電池配合使用組成的複合電池在電動汽車的領域已經進入實用化階段[1],日本在電氣機車驅動電源、短時UPS等應用方向進行了研究,分別開發出了80kVA和50kVA實驗樣機[2][3]。
目前國外對ASD ride-through的研究開展得很熱烈,一些文獻介紹了采用不同DC/DC變換拓撲提取儲能元件能量的中、小功率(3~5kW)實驗樣機的研究情況[4][5][6],但很難實現較大容量。隨著超級電容設計技術不斷提高及單位容量價格的下降,利用超級電容直接支撐直流母線電壓構成超大容量ASD裝置已經成為可能。在能源結構必須調整的背景下,我國的ASD市場極大,特別是高壓大容量的變頻調速裝置,而ASD抵禦電能質量擾動領域的研究尚未引起國內研究、生產部門足夠的重視,在該領域開展研究有重要的理論及應用意義。
本文提出了一種非常實用、易於大容量化的基於超級電容儲能的ASD結構,通過仿真及實驗研究驗證了所提拓撲結構和控製策略消除電能質量擾動對ASD影響的正確性及有效性。
1. 主電路結構
ASD主電路采用如圖1所示的AC-DC-AC模式,儲能元件直接連接到DC母線上。在係統電壓質量低於設定標準時從儲能單元汲取電能,再由逆變單元供給電機負荷,以實現ASD逆變部分對電網側電能質量問題的完全免疫以及對係統故障的零延時響應。

圖1. 配置超級電容的ASD主電路結構圖
圖中,SC為超級電容(Super Capacitor),R為SC充電電阻,D為SC放電二極管,Cd為直流平波電容器,Sa~Sc為IGBT器件,L0及C0為輸出濾波器的電感和電容。交流輸入側采用Y/Y/61508;接線的三繞組輸入變壓器及兩組三相不控整流電路構成12脈波整流係統,注入係統的諧波電流次數為12k61617;1,數值小、次ci數shu高gao,因yin此ci在zai無wu特te殊shu要yao求qiu場chang合he,不bu用yong考kao慮lv設she置zhi濾lv波bo電dian路lu。另ling外wai,兩liang個ge整zheng流liu器qi串chuan聯lian後hou輸shu出chu到dao直zhi流liu母mu線xian,可ke以yi提ti高gao直zhi流liu母mu線xian電dian壓ya,使shi得de逆ni變bian器qi可ke以yi在zai較jiao大da的de電dian壓ya範fan圍wei內nei工gong作zuo。整zheng流liu器qi中zhong點dian連lian接jie到dao平ping波bo電dian容rong、超級電容及輸出濾波器的中點,利用整流電路鉗位平波電容電壓可以方便實現上、下電容均壓目的。
由於超級電容容量較大,一般為直流平波電容的幾百倍以上(根據儲能要求配置),因此若不采取措施,上電時會導致極大湧流,對輸入變壓器和整流電路安全運行造成威脅。圖1中采用充電電阻R限製SC的充電電流,而平波電容Cd的上電充電電流由輸入變壓器的漏抗限製。綜合考慮短時供電中斷及電壓暫降發生的頻度、充電電阻容量等因素,SC充電回路時間常數一般取十幾分鍾數量級。充電的SC相當於在直流母線上增加一個負載而已,而充滿電的SC使得直流母線電壓非常平穩,設計上可以大大減小平波電容Cd的容量。
2. 原理及控製策略
圖1所示的ASD是基於IGBT的三相電壓源逆變器,超級電容通過放電二極管連接到直流母線上。開關器件Sa~Sc構成ASD逆變器,由於設置了儲能係統,可以在係統發生供電中斷及電壓暫降時,短時間內向負荷提供有功功率。
由於不需要檢測、計算電能質量擾動、dianwangdianyatongbudengxinhao,yincikongzhicelveshangbijiaojiandan,jizhixucaiyangzhiliumuxiandianya,panduanqishifouchuyunibianqizhengchangyunxingyunxufanweinei,quedingnengfouxiangfuzaitigongdianyuan。youDSP控製器自行產生電壓指令,底層采用SPWM控製對逆變器開關器件控製信號進行調製。
3. 儲能配置
超級電容儲存的能量表示為:

式中,PL為超級電容輸出的恒定有功功率,V1為超級電容初始端電壓,V2為維持正常工作的最低端電壓。由式(2)可知,當超級電容釋放儲能的50%時,其端電壓下降到初始電壓的70%。因此根據特定負荷(PL)、斷電後需要ASD維持供電時間(t)、故障初始時刻直流母線電壓(V1)、逆變器正常工作需要的最小直流母線電壓(V2)可以唯一確定超級電容的的容量值C。
4. 仿真與實驗
我們研製了15kVA如圖1所示的配置了超級電容儲能的ASD裝置,並進行了大量數字仿真及物理實驗。仿真基於EMTDC/PSCAD。為了清楚地觀察效果,超級電容容量取得較小,為500061549;F。圖2、圖3分別為係統發生短時供電中斷ASD運行的仿真、實驗結果。

圖2. 係統發生短時供電中斷時,ASD運行的仿真結果 上:係統A相電壓(kV);中:負荷A相電壓(kV);下:直流母線電壓(kV)

圖3. 係統發生短時供電中斷時,ASD運行的實驗結果 上:負荷A相電壓;下:係統A相電壓
可見在係統發生短時斷電情況下,ASDrengrannenggoutongguoliyongchaojidianrongdechunengweichinibianqidezhengchanggongzuo,xiaochuleduanshigongdianzhongduanduinibianqideyingxiang,jidatigaolegongdiankekaoxing。dangran,duidianyazanjiangdengqitadiannengzhiliangwentixiaoguoshiyiyangde。tu4為係統發生電壓暫降時ASD運行的實驗波形。

圖4. 係統發生電壓暫降時,ASD運行的實驗結果 上:負荷A相電壓;下:係統A相電壓
5. 結語
論文提出了基於超級電容儲能的ASD裝置抵禦電網電能質量擾動的實用方案。ASD采用AC-DC-AC模式,輸入側采用12maidongbukongzhengliujiegou,yifangmianjianxiaoshuruxiebodianliu,tongshikeyifangbianditigaozhiliumuxiandianya,lingyifangmian,duoxiangzhengliudeshuangzhengliuqizhongdianzhijiejiangshangxiazhiliudianrongdianyaqianweizaizhengliushuchudianya,dadajianhualezhongdiandianweidekongzhi。chaojidianrongmokuaijiezaizhiliumuxianshang,zaixitongfashengduanshigongdianzhongduanhuodianyazanjiangshi,youchaojidianrongchunenggonggeifuzaiyougongzhichi。shuzifangzhenjiwulishiyanyanzhenglesuotituopujiegouhekongzhicelvexiaochudiannengzhiliangraodongduiASD影響的正確性及有效性。


