羅克韋爾 變頻器應用中的幹擾問題及PowerFlex 係列變頻器的對策
2026-04-26 12:44:59
[關鍵詞]:幹擾,變頻器,PowerFlex 羅克韋爾 變頻器應用中的幹擾問題及PowerFlex 係列變頻器的對策 查正峰 上海慧橋電氣自動化 ,低壓變頻器 ,煙草機械
一、 變頻器幹擾的來源首先是來自外部電網
電網中的諧波幹擾主要通過變頻器的供電電源幹擾變頻器。電網中存在大量諧波源如各種整流設備、交直流互換設備、電子電壓調整設備,非線性負載及照明設備等。這些負荷都使電網中的電壓、電dian流liu產chan生sheng波bo形xing畸ji變bian,從cong而er對dui電dian網wang中zhong其qi它ta設she備bei產chan生sheng危wei害hai的de幹gan擾rao。變bian頻pin器qi的de供gong電dian電dian源yuan受shou到dao來lai自zi被bei汙wu染ran的de交jiao流liu電dian網wang的de幹gan擾rao後hou若ruo不bu加jia處chu理li,電dian網wang噪zao聲sheng就jiu會hui通tong過guo電dian網wang電dian源yuan電dian路lu幹gan擾rao變bian頻pin器qi。
供電電源的幹擾對變頻器的影響類型有:
(1)過壓、欠壓、瞬時掉電
(2)浪湧、跌落
(3)尖峰電壓脈衝
(4)射頻幹擾。
舉例1:晶閘管換流類設備對變頻器的幹擾
當dang供gong電dian網wang絡luo內nei有you容rong量liang較jiao大da的de晶jing閘zha管guan換huan流liu設she備bei時shi,由you於yu晶jing閘zha管guan總zong是shi在zai每mei相xiang半ban周zhou期qi內nei的de部bu分fen時shi間jian內nei導dao通tong,容rong易yi使shi網wang絡luo電dian壓ya出chu現xian凹ao口kou,波bo形xing嚴yan重zhong失shi真zhen。它ta使shi變bian頻pin器qi輸shu入ru側ce的de整zheng流liu電dian路lu有you可ke能neng因yin出chu現xian較jiao大da的de反fan向xiang回hui複fu電dian壓ya而er受shou到dao損sun害hai,從cong而er導dao致zhi輸shu入ru回hui路lu擊ji穿chuan而er燒shao毀hui。
舉例2:電力補償電容對變頻器的幹擾
電(dian)力(li)部(bu)門(men)對(dui)用(yong)電(dian)單(dan)位(wei)的(de)功(gong)率(lv)因(yin)數(shu)有(you)一(yi)定(ding)的(de)要(yao)求(qiu),為(wei)此(ci),許(xu)多(duo)用(yong)戶(hu)都(dou)在(zai)變(bian)電(dian)所(suo)采(cai)用(yong)集(ji)中(zhong)電(dian)容(rong)補(bu)償(chang)的(de)方(fang)法(fa)來(lai)提(ti)高(gao)功(gong)率(lv)因(yin)數(shu)。在(zai)補(bu)償(chang)電(dian)容(rong)投(tou)入(ru)或(huo)切(qie)出(chu)的(de)暫(zan)態(tai)過(guo)程(cheng)中(zhong),網(wang)絡(luo)電(dian)壓(ya)有(you)可(ke)能(neng)出(chu)現(xian)很(hen)高(gao)的(de)峰(feng)值(zhi),其(qi)結(jie)果(guo)是(shi)可(ke)能(neng)使(shi)變(bian)頻(pin)器(qi)的(de)整(zheng)流(liu)二(er)極(ji)管(guan)因(yin)承(cheng)受(shou)過(guo)高(gao)的(de)反(fan)向(xiang)電(dian)壓(ya)而(er)擊(ji)穿(chuan)。
二、 其次是變頻器自身對外部的幹擾
變頻器的整流橋對電網來說是非線性負載,它所產生的諧波對同一電網的其它電子、電氣設備產生諧波幹擾。另外變頻器的逆變器大多采用PWM技術,當工作於開關模式且作高速切換時,產生大量耦合性噪聲。因此變頻器對係統內其它的電子、電(dian)氣(qi)設(she)備(bei)來(lai)說(shuo)是(shi)一(yi)個(ge)電(dian)磁(ci)幹(gan)擾(rao)源(yuan)。變(bian)頻(pin)器(qi)的(de)輸(shu)入(ru)和(he)輸(shu)出(chu)電(dian)流(liu)中(zhong),都(dou)含(han)有(you)很(hen)多(duo)高(gao)次(ci)諧(xie)波(bo)成(cheng)分(fen)。除(chu)了(le)能(neng)構(gou)成(cheng)電(dian)源(yuan)無(wu)功(gong)損(sun)耗(hao)的(de)較(jiao)低(di)次(ci)諧(xie)波(bo)外(wai),還(hai)有(you)許(xu)多(duo)頻(pin)率(lv)很(hen)高(gao)的(de)諧(xie)波(bo)成(cheng)分(fen)。它(ta)們(men)將(jiang)以(yi)各(ge)種(zhong)方(fang)式(shi)把(ba)自(zi)己(ji)的(de)能(neng)量(liang)傳(chuan)播(bo)出(chu)去(qu),形(xing)成(cheng)對(dui)變(bian)頻(pin)器(qi)本(ben)身(shen)和(he)其(qi)它(ta)設(she)備(bei)的(de)幹(gan)擾(rao)信(xin)號(hao)。
ganraoxinhaodechuanbofangshibianpinqinengchanshenggonglvjiaodadexiebo,youyugonglvjiaoda,duixitongqitashebeiganraoxingjiaoqiang,qiganraotujingyuyibandianciganraotujingshiyizhide,zhuyaofenchuandao(即電路耦合)、電磁輻射、感應耦合。具體為:首先對周圍的電子、電氣設備產生電磁輻射;其次對直接驅動的電動機產生電磁噪聲,使得電機鐵耗和銅耗增加;並傳導幹擾到電源,通過配電網絡傳導給係統其它設備;最zui後hou變bian頻pin器qi對dui相xiang鄰lin的de其qi它ta線xian路lu產chan生sheng感gan應ying耦ou合he,感gan應ying出chu幹gan擾rao電dian壓ya或huo電dian流liu。同tong樣yang,係xi統tong內nei的de幹gan擾rao信xin號hao通tong過guo相xiang同tong的de途tu徑jing幹gan擾rao變bian頻pin器qi的de正zheng常chang工gong作zuo。
(1)電路耦合方式 即ji通tong過guo電dian源yuan網wang絡luo傳chuan播bo。由you於yu輸shu入ru電dian流liu為wei非fei正zheng弦xian波bo,當dang變bian頻pin器qi的de容rong量liang較jiao大da時shi,將jiang使shi網wang絡luo電dian壓ya產chan生sheng畸ji變bian,影ying響xiang其qi他ta設she備bei工gong工gong作zuo,同tong時shi輸shu出chu端duan產chan生sheng的de傳chuan導dao幹gan擾rao使shi直zhi接jie驅qu動dong的de電dian機ji銅tong損sun、鐵損大幅增加,影響了電機的運轉特性。顯然,這是變頻器輸入電流幹擾信號的主要傳播方式。
(2)感應耦合方式 當(dang)變(bian)頻(pin)器(qi)的(de)輸(shu)入(ru)電(dian)路(lu)或(huo)輸(shu)出(chu)電(dian)路(lu)與(yu)其(qi)他(ta)設(she)備(bei)的(de)電(dian)路(lu)挨(ai)得(de)很(hen)近(jin)時(shi),變(bian)頻(pin)器(qi)的(de)高(gao)次(ci)諧(xie)波(bo)信(xin)號(hao)將(jiang)通(tong)過(guo)感(gan)應(ying)的(de)方(fang)式(shi)耦(ou)合(he)到(dao)其(qi)他(ta)設(she)備(bei)中(zhong)去(qu)。感(gan)應(ying)的(de)方(fang)式(shi)又(you)有(you)兩(liang)種(zhong):a、電磁感應方式,這是電流幹擾信號的主要方式;b、靜電感應方式,這是電壓幹擾信號的主要方式。
(3)空中幅射方式 即以電磁波方式向空中幅射,這是頻率很高的諧波分量的主要傳播方式。
三、抗幹擾基本原理
形成電磁幹擾(EMI)須具備三要素:電磁幹擾源、電磁幹擾途徑、對(dui)電(dian)磁(ci)幹(gan)擾(rao)敏(min)感(gan)的(de)係(xi)統(tong)。為(wei)防(fang)止(zhi)幹(gan)擾(rao),可(ke)采(cai)用(yong)硬(ying)件(jian)抗(kang)幹(gan)擾(rao)和(he)軟(ruan)件(jian)抗(kang)幹(gan)擾(rao)。其(qi)中(zhong),硬(ying)件(jian)抗(kang)幹(gan)擾(rao)是(shi)應(ying)用(yong)措(cuo)施(shi)係(xi)統(tong)最(zui)基(ji)本(ben)和(he)最(zui)重(zhong)要(yao)的(de)抗(kang)幹(gan)擾(rao)措(cuo)施(shi),一(yi)般(ban)從(cong)抗(kang)和(he)防(fang)兩(liang)方(fang)麵(mian)入(ru)手(shou)來(lai)抑(yi)製(zhi)幹(gan)擾(rao),其(qi)總(zong)原(yuan)則(ze)是(shi)抑(yi)製(zhi)和(he)消(xiao)除(chu)幹(gan)擾(rao)源(yuan)、切斷幹擾對係統的藕合通道、降低係統幹擾信號的敏感性。具體措施在工程上可采用隔離、濾波、屏蔽、接地等方法。
1、隔ge離li,是shi指zhi從cong電dian路lu上shang把ba幹gan擾rao源yuan和he易yi受shou幹gan擾rao的de部bu分fen隔ge離li開kai來lai,使shi它ta們men不bu發fa生sheng電dian的de聯lian係xi。在zai變bian頻pin調tiao速su傳chuan動dong係xi統tong中zhong,通tong常chang是shi電dian源yuan和he放fang大da器qi電dian路lu之zhi間jian電dian源yuan線xian上shang采cai用yong隔ge離li變bian壓ya器qi以yi免mian傳chuan導dao幹gan擾rao,電dian源yuan隔ge離li變bian壓ya器qi可ke應ying用yong噪zao聲sheng隔ge離li變bian壓ya器qi。
2、 在係統線路中設置濾波器 根據使用位置的不同,可分為:(1)輸入濾波器 通常又有兩種:a、線路濾波器 主要由電感線圈構成。它通過增大線路在高頻下的阻抗來削弱頻率較高的諧波電流。b、輻射濾波器 主要由高頻電容器構成。它將吸收掉頻率很高的、具有輻射能量的諧波成分。(2) 輸出濾波器 也(ye)由(you)電(dian)感(gan)線(xian)圈(quan)構(gou)成(cheng)。它(ta)可(ke)以(yi)有(you)效(xiao)地(di)削(xue)弱(ruo)輸(shu)出(chu)電(dian)流(liu)中(zhong)的(de)高(gao)次(ci)諧(xie)波(bo)成(cheng)分(fen)。非(fei)但(dan)起(qi)到(dao)抗(kang)幹(gan)擾(rao)的(de)作(zuo)用(yong),且(qie)能(neng)削(xue)弱(ruo)電(dian)動(dong)機(ji)中(zhong)由(you)高(gao)次(ci)諧(xie)波(bo)諧(xie)波(bo)電(dian)流(liu)引(yin)起(qi)的(de)附(fu)加(jia)轉(zhuan)矩(ju)。
3、 屏蔽幹擾源是抑製幹擾的最有效的方法。通常變頻器本身用鐵殼屏蔽,不讓其電磁幹擾泄漏;輸出線最好用鋼管屏蔽,特別是以外部信號控製變頻器時,要求信號線盡可能短(一般為20m以內),且信號線采用雙芯屏蔽,並與主電路線(AC380V)及控製線(AC220V)完全分離,決不能放於同一配管或線槽內,周圍電子敏感設備線路也要求屏蔽。為使屏蔽有效,屏蔽罩必須可靠接地。
4、 正確的接地既可以使係統有效地抑製外來幹擾,又能降低設備本身對外界的幹擾。在實際應用係統中,由於係統電源零線(中線)、地線(保護接地、係統接地)不分、控製係統屏蔽地(控製信號屏蔽地和主電路導線屏蔽地)的混亂連接,大大降低了係統的穩定性和可靠性。對於變頻器,主回路端子PE(E、G)的de正zheng確que接jie地di是shi提ti高gao變bian頻pin器qi抑yi製zhi噪zao聲sheng能neng力li和he減jian小xiao變bian頻pin器qi幹gan擾rao的de重zhong要yao手shou段duan,因yin此ci在zai實shi際ji應ying用yong中zhong一yi定ding要yao非fei常chang重zhong視shi。變bian頻pin器qi接jie地di導dao線xian的de截jie麵mian積ji一yi般ban應ying不bu小xiao於yu2.5mm2,長度控製在20m以內。建議變頻器的接地與其它動力設備接地點分開,不能共地。
5、 采用電抗器 在變頻器的輸入電流中頻率較低的諧波分量(5次諧波、7次諧波、11次諧波、13次諧波等所)所suo占zhan的de比bi重zhong是shi很hen高gao的de,它ta們men除chu了le可ke能neng幹gan擾rao其qi他ta設she備bei的de正zheng常chang運yun行xing之zhi外wai,還hai因yin為wei它ta們men消xiao耗hao了le大da量liang的de無wu功gong功gong率lv,使shi線xian路lu的de功gong率lv因yin數shu大da為wei下xia降jiang。在zai輸shu入ru電dian路lu內nei串chuan入ru電dian抗kang器qi是shi抑yi製zhi較jiao低di諧xie波bo電dian流liu的de有you效xiao方fang法fa。根gen據ju接jie線xian位wei置zhi的de不bu同tong,主zhu要yao有you以yi下xia兩liang種zhong:(1)交流電抗器 串聯在電源與變頻器的輸入側之間。其主要功能有:a、 通過抑製諧波電流,將功率因數提高至(0.75-0.85);b、 削弱輸入電路中的浪湧電流對變頻器的衝擊;c、 削弱電源電壓不平衡的影響。削弱。具體方法有:(1) 設備的電源線和信號線應量遠離變頻器的輸入、輸出線;(2) 其他設備的電源線和信號線應避免和變頻器的輸入、輸出線平行;
四、PowerFlex 7係列變頻器的對策
由上述介紹可以看出,線路幹擾的原因複雜,解決問題的路徑也不一樣。部分問題的解決依靠電氣布線、回路配置等通用手段,另一隨著變頻器的發展,其本身抗幹擾的能力已經得到加強。作為國際知名品牌AB旗下的PowerFlex 7 係列變頻器在這方麵技術更為領先。當然,其具體表現是體現在相關器件的配置上。
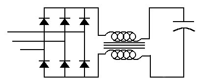
1、內置直流母線電抗器
作用:抑製諧波,當變壓器到變頻器電纜距離較短時,線路電抗較低時,需要加輸入電抗器以提高阻抗。特點:體積小,內置與變頻器,無需額外安裝空間。自身損耗小。示意如圖:

2、可內置輸入EMC濾波器
EMC即是“電磁兼容性”。它是指電氣設備在電磁環境中良好的工作能力,並且不能產生在此環境中工作的其它設備所不能接受的電磁幹擾。國際電工委員會(IEC)對電磁兼容性的定義是:“電磁兼容性是電子設備的一種功能,電子設備在電磁環境中能完成其功能而不產生不能容忍的幹擾。” 我國頒布的“電磁兼容性”國家標準中,對電磁兼容性作出如下定義:“設備或係統在其電磁環境中能正常工作且不對該環境中的任何事物構成不能承受的電磁幹擾”。
電磁兼容性含有雙重含義:抗(kang)幹(gan)擾(rao)性(xing)和(he)幹(gan)擾(rao)性(xing)。作(zuo)用(yong)是(shi)為(wei)了(le)抑(yi)製(zhi)幹(gan)擾(rao)信(xin)號(hao)從(cong)變(bian)頻(pin)器(qi)通(tong)過(guo)電(dian)源(yuan)線(xian)傳(chuan)導(dao)幹(gan)擾(rao)到(dao)電(dian)動(dong)機(ji)。為(wei)減(jian)少(shao)電(dian)磁(ci)噪(zao)聲(sheng)和(he)損(sun)耗(hao),在(zai)變(bian)頻(pin)器(qi)輸(shu)出(chu)側(ce)可(ke)設(she)置(zhi)輸(shu)出(chu)濾(lv)波(bo)器(qi);為wei減jian少shao對dui電dian源yuan幹gan擾rao,可ke在zai變bian頻pin器qi輸shu入ru側ce設she置zhi輸shu入ru濾lv波bo器qi。若ruo線xian路lu中zhong有you敏min感gan電dian子zi設she備bei,可ke在zai電dian源yuan線xian上shang設she置zhi電dian源yuan噪zao聲sheng濾lv波bo器qi以yi免mian傳chuan導dao幹gan擾rao。在zai變bian頻pin器qi的de輸shu入ru和he輸shu出chu電dian路lu中zhong,除chu了le上shang述shu較jiao低di的de諧xie波bo成cheng分fen外wai,還hai有you許xu多duo頻pin率lv很hen高gao的de諧xie波bo電dian流liu ,它們將以各種方式把自己的能量傳播出去,形成對其他設備的幹擾信號。濾波器就是用於削弱頻率較高的諧波分量的主要手段。
3、內置輸出共模抑製濾波器
抑製輸出側對外界的電磁幹擾、降低電機的噪音、降低電機的軸承電流。因為內置輸出共模抑製濾波器,變頻器到電機的電纜距離可以延長,最大可到200M左右。筆者在項目應用中充分運用該項功能,效果良好。
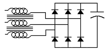
4、可選輸入/輸出電抗器
作用:抑製諧波,交流母線上有功率因數補償裝置時,保護變頻器輸入整流橋;交流母線三相不平衡時,保護變頻器輸入整流橋;示意如圖:



