WinGPC 4.0-追求實用性的典範
2026-04-26 12:45:26
一. 簡介
OEMax品牌產品針對OEM市場,提供全方位的工業控製產品線,其中包括:可編程控製器及編程/監控軟件、I/O模塊及運動控製產品等(見圖 1)。WinGPC 4.0是最新版本的可編程控製器編程/監控軟件。

圖 1 OEMax 產品線
評價可編程控製器的性能優劣包括硬件和編程/監控軟件兩部分:前者往往通過比較計技術硬指標如速度、內存和I/O點數,後者則是通過比較軟件的易用性、人機操作的友好性以及使用效率的高低來評判。
與Windows操作係統一樣,WinGPC的可編程控製器編程軟件也不斷地進行升級和改進,從最早的基於DOS界麵的軟件,到真正的基於Windows操作的軟件。為了提供用戶使用的最大便利,WinGPC 4.0的開發主導思想是:
1) 簡化操作:以最少的鍵盤或鼠標動作來完成編程功能。
2) 易學易懂:鑒於 Windows操作係統約定俗成的操作步驟已深入人心,可編程控製器的界麵操作也應該使用相同的規定:如拖放操作、剪切/拷貝/粘帖、撤銷和重做、試圖的放大/縮小以及查找/替換等,這些操作用戶幾乎不用學,而且占據了編程操作的較大比例(通過20%/80%法則分析)。
目前世麵很多可編程控製器軟件並不能達到以上標準,因此WinGPC 4.0是一款能為用戶提供較好實用性的先進軟件。
二. PLC編程軟件效率對現場操作效率及經濟效益的影響
以往,在選擇可編程控製器時,用戶往往比較重視其硬件部分的性能指標:比如性能價格比、I/O的數量和可擴展性、聯網能力等。軟件往往較少受到重視。 但是,隨著可編程控製器編程軟件逐漸向一體化的自動化平台的方向發展,軟件的性能將和硬件一樣的重要。
以下通過幾個例子來說明高效的編程軟件對現場操作的重要性。
1) 在工廠操作現場對PLC控製設備進行調試時,有時必須暫停工藝過程來調試設備。此時可謂一寸光陰一寸金。某些傳統類型的PLC編程軟件承襲了DOS時代的畫格子風格,見圖 2,產生一個如此簡單的邏輯要擊鍵18次,而且刪除或插入複雜的元素將十分不方便。由此帶來的時間損失直接影響到經濟效益。而使用WinGPC 4.0則隻要8此擊鍵即可完成,同時修改、插入或刪除將十分方便。

圖 2 傳統風格的編程方法
2) 邏輯語法錯誤定位功能: 在現場調試時,快速的錯誤定位功能會使語法檢查變得簡單快捷。WinGPC 4.0提供了最直觀的操作手段:隻要在信息窗口雙擊某條語法錯誤,則光標會自動跳轉到該錯誤發生位置,同時在信息窗口提供錯誤類型。這比老式的僅指出錯誤行號、然後人工定位到該錯誤行的方式要快速得多。
3) 調試功能:有時在某個邏輯編寫完成並下載到PLC中去後,調試人員希望能在編輯界麵上快速地進行調試以觀察邏輯運行是否達到預期效果。WinGPC 4.0提供了簡單快捷得方式來對I/O資源或中間變量強製設定值的方式,因此無需操縱實際設備便能輕鬆完成調試。
WinGPC 4.0通過分析用戶用例,設計了最符合用戶使用方便性和高效率的可編程控製器軟件。WinGPC 4.0的設計宗旨就是: 簡單、快捷、易掌握。
三. PLC編程軟件的評價標準和WinGPC的性能
不(bu)同(tong)的(de)可(ke)編(bian)程(cheng)控(kong)製(zhi)器(qi)編(bian)程(cheng)軟(ruan)件(jian)有(you)著(zhe)各(ge)自(zi)獨(du)特(te)的(de)風(feng)格(ge),雖(sui)然(ran)用(yong)戶(hu)可(ke)能(neng)受(shou)一(yi)些(xie)傳(chuan)統(tong)使(shi)用(yong)習(xi)慣(guan)的(de)影(ying)響(xiang)而(er)有(you)著(zhe)不(bu)同(tong)的(de)喜(xi)好(hao),但(dan)是(shi)如(ru)果(guo)中(zhong)立(li)地(di)以(yi)方(fang)便(bian)、快捷這兩個指標來評價可編程控製器編程軟件的使用性能還是能夠得出客觀得結論的。下麵,我們就結合WinGPC 4.0的技術特點來列舉可編程控製器編程軟件的評價指標:
1) 編輯操作點擊次數
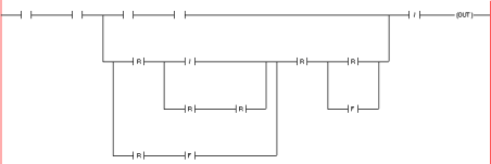
WinGPC 4.0將梯形圖的基本元素(如Rung,Branch等)歸(gui)納(na)成(cheng)對(dui)象(xiang),產(chan)生(sheng)這(zhe)些(xie)對(dui)象(xiang)隻(zhi)需(xu)要(yao)一(yi)次(ci)擊(ji)鍵(jian)動(dong)作(zuo),而(er)非(fei)象(xiang)許(xu)多(duo)可(ke)編(bian)程(cheng)控(kong)製(zhi)器(qi)軟(ruan)件(jian)采(cai)用(yong)一(yi)條(tiao)線(xian)一(yi)條(tiao)線(xian)逐(zhu)步(bu)畫(hua)格(ge)子(zi)的(de)方(fang)法(fa)。其(qi)優(you)點(dian)不(bu)僅(jin)是(shi)非(fei)常(chang)快(kuai)捷(jie),同(tong)時(shi)當(dang)需(xu)要(yao)對(dui)複(fu)雜(za)邏(luo)輯(ji)結(jie)構(gou)(見圖 3)要進行修改時,插入或刪除新的邏輯元素(包括Branch或Branch嵌套)也隻要一次擊鍵動作。用戶甚至可以用鼠標拖拉隨意移動Branch的連接點以改變其結構,使得編程體驗十分輕鬆。
減少編輯操作次數評價是一個可編程控製器軟件的十分重要的指標。

圖 3 複雜的邏輯圖
2) 常用操作的易學性
軟件的實用和易學易懂性是另一個十分重要的指標,也是WinGPC 4.0的重要突破口之一。複雜的操作不僅會給用戶帶來學習培訓的額外負擔,同時也是造成錯誤的潛在因素。
微軟的Windos操作已經深入人心,基於Windows的操作習慣給用戶帶來了方便。根據20%/80%法則分析基於Windows的操作,WinGPC 4.0大量采用以下基於Windows的常規操作來對梯形圖進行編程,而這些操作是無需學習的、並且是很常用的。
l 拖放操作 (Drag & Drop):用戶可以隨意拖放Rung,Branch,指令或Branch的“腳”,在拖放過程中,不僅有一個透明位圖顯示被拖拉的內容,同時還會以色塊指示最近的合法放置點以方便用戶確認是否到達目的地,圖 4顯示了將R070.03觸點從A點拉到B點的過程。

圖 4 拖放操作
* 剪切/拷貝/粘貼 (Cut/Copy/Paste):此功能可以避免相同邏輯部分的重複輸入,以提高工作效率。
* 視圖的放大縮小 (Zoom in/Zoom out):這也是一個很有用的特性,利用它用戶可以在不同大小的顯示器上將視圖調節到最舒服的尺寸,也可以選擇觀察局部或全局。
* 撤銷和重做 (Undo/Redo):相信每個人都會有這個經曆的,所以Ctrl Z和Ctrl H在Windows的應用軟件中是比不可少的。而且WinGPC 4.0提供無限製的撤銷和重做,而不象某些可編程控製器軟件隻允許撤銷和重做一二次。
* 結合SHIFT和Ctrl的拖拉:與SHIFT結合的拖拉操作是移動,與Ctrl結合的拖拉操作是拷貝。
3) 視圖的可見性:自動換行
當一行邏輯比較複雜時,其寬度就會超過可視範圍,某些軟件的解決方案一是任其延長,但這影響了邏輯可讀性;二是認為加入換行符號,這又增加了操作。WinGPC 4.0能根據視圖大小自動換行,無論是在添減指令或對視圖的放大和縮小時都保證其在可視範圍,目的是增強梯形圖邏輯的可讀性。

圖 5 自動換行
4) 語法錯誤的快速定位
快速明了地指示梯形圖中的語法錯誤不但節省了邏輯編輯時間、提高效率,同時也便於及早發現錯誤。WinGPC 4.0提供了基於行的自動語法檢查,如何非法的邏輯在其行(Rung)標號上會顯示”e”以表明其有錯誤。另外,當執行語法檢查(Compile)時,出錯行及錯誤信息將出現在信息窗口,雙擊某條錯誤信息能使光標在溉錯誤處高亮顯示,便於快速定位並修正,見圖 6。

圖 6 快速的錯誤定位
5) 調試功能
技術人員在現場常常通過對一些I/O強製設定數據來進行邏輯診斷和調試。WinGPC 4.0為此提供了兩種手段:
* 使用寄存器強製功能來設定值(此時界麵有強製標記以表示該值被強製)
* 對位值進行反轉操作(隻要對其擊右鍵然後選擇反轉位值),見圖 7,特別方便臨時性的操作。

圖 7 在線調試功能
此兩種方法均很簡便。
6) 工程間拷貝
當想把一段梯形圖邏輯從一個工程文件拷貝到另一個工程文件時,采用常規的拷貝粘貼或者拖放均可, WinGPC 4.0的這項功能大大方便了用戶,對不同工程文件中相同或相似的邏輯采用此法進行複製快速且不會出錯。
7) 多種形式的實時狀態監視
WinGPC 4.0包涵了多種在線調試和監視手段來方便用戶使用,其中包括:
* 梯形圖監視(還可以進行在線提行圖邏輯修改)
* 寄存器資源監視和值修改
* 時間序列表監視
* I/O模塊的圖形化監視
* 係統信息和CPU診斷監視
四. PLC編程軟件的發展趨勢
可編程控製器編程軟件的發展隨著以下幾項技術的發展而不斷進步:
1. Windows操作係統
2. 圖形界麵技術
3. 對人機界麵人體工程學的研究
可編程控製器編程軟件的發展將會給用戶提供更大的實用性,尤其體現在易學易用方麵,而WinGPC 4.0在這方麵已經走在了前麵。
顯然。可編程控製器編程軟件發展趨勢還將突破原來的純編程工具,向著以下幾個方麵拓展:
1. 提供統一的自動化控製平台
軟件將是麵向整個公司產品係列的唯一平台,可以通過產品間的網絡互聯方便地對所有產品進行編輯、調試和監視。同時還能為第三方軟件提供數據服務,如OPC/DDE等。
2. 提供更多的符合IEC61131標準的各類編程語言,如功能塊和順序控製圖等
3. 更加智能化,減少用戶對使用軟件的培訓和學習要求,使用戶關注於本身的控製工作。
WinGPC 4.0的後續版本將不斷適應新的發展,為用戶提供最大的價值。
OEMax品牌產品針對OEM市場,提供全方位的工業控製產品線,其中包括:可編程控製器及編程/監控軟件、I/O模塊及運動控製產品等(見圖 1)。WinGPC 4.0是最新版本的可編程控製器編程/監控軟件。

圖 1 OEMax 產品線
評價可編程控製器的性能優劣包括硬件和編程/監控軟件兩部分:前者往往通過比較計技術硬指標如速度、內存和I/O點數,後者則是通過比較軟件的易用性、人機操作的友好性以及使用效率的高低來評判。
與Windows操作係統一樣,WinGPC的可編程控製器編程軟件也不斷地進行升級和改進,從最早的基於DOS界麵的軟件,到真正的基於Windows操作的軟件。為了提供用戶使用的最大便利,WinGPC 4.0的開發主導思想是:
1) 簡化操作:以最少的鍵盤或鼠標動作來完成編程功能。
2) 易學易懂:鑒於 Windows操作係統約定俗成的操作步驟已深入人心,可編程控製器的界麵操作也應該使用相同的規定:如拖放操作、剪切/拷貝/粘帖、撤銷和重做、試圖的放大/縮小以及查找/替換等,這些操作用戶幾乎不用學,而且占據了編程操作的較大比例(通過20%/80%法則分析)。
目前世麵很多可編程控製器軟件並不能達到以上標準,因此WinGPC 4.0是一款能為用戶提供較好實用性的先進軟件。
二. PLC編程軟件效率對現場操作效率及經濟效益的影響
以往,在選擇可編程控製器時,用戶往往比較重視其硬件部分的性能指標:比如性能價格比、I/O的數量和可擴展性、聯網能力等。軟件往往較少受到重視。 但是,隨著可編程控製器編程軟件逐漸向一體化的自動化平台的方向發展,軟件的性能將和硬件一樣的重要。
以下通過幾個例子來說明高效的編程軟件對現場操作的重要性。
1) 在工廠操作現場對PLC控製設備進行調試時,有時必須暫停工藝過程來調試設備。此時可謂一寸光陰一寸金。某些傳統類型的PLC編程軟件承襲了DOS時代的畫格子風格,見圖 2,產生一個如此簡單的邏輯要擊鍵18次,而且刪除或插入複雜的元素將十分不方便。由此帶來的時間損失直接影響到經濟效益。而使用WinGPC 4.0則隻要8此擊鍵即可完成,同時修改、插入或刪除將十分方便。

圖 2 傳統風格的編程方法
2) 邏輯語法錯誤定位功能: 在現場調試時,快速的錯誤定位功能會使語法檢查變得簡單快捷。WinGPC 4.0提供了最直觀的操作手段:隻要在信息窗口雙擊某條語法錯誤,則光標會自動跳轉到該錯誤發生位置,同時在信息窗口提供錯誤類型。這比老式的僅指出錯誤行號、然後人工定位到該錯誤行的方式要快速得多。
3) 調試功能:有時在某個邏輯編寫完成並下載到PLC中去後,調試人員希望能在編輯界麵上快速地進行調試以觀察邏輯運行是否達到預期效果。WinGPC 4.0提供了簡單快捷得方式來對I/O資源或中間變量強製設定值的方式,因此無需操縱實際設備便能輕鬆完成調試。
WinGPC 4.0通過分析用戶用例,設計了最符合用戶使用方便性和高效率的可編程控製器軟件。WinGPC 4.0的設計宗旨就是: 簡單、快捷、易掌握。
三. PLC編程軟件的評價標準和WinGPC的性能
不(bu)同(tong)的(de)可(ke)編(bian)程(cheng)控(kong)製(zhi)器(qi)編(bian)程(cheng)軟(ruan)件(jian)有(you)著(zhe)各(ge)自(zi)獨(du)特(te)的(de)風(feng)格(ge),雖(sui)然(ran)用(yong)戶(hu)可(ke)能(neng)受(shou)一(yi)些(xie)傳(chuan)統(tong)使(shi)用(yong)習(xi)慣(guan)的(de)影(ying)響(xiang)而(er)有(you)著(zhe)不(bu)同(tong)的(de)喜(xi)好(hao),但(dan)是(shi)如(ru)果(guo)中(zhong)立(li)地(di)以(yi)方(fang)便(bian)、快捷這兩個指標來評價可編程控製器編程軟件的使用性能還是能夠得出客觀得結論的。下麵,我們就結合WinGPC 4.0的技術特點來列舉可編程控製器編程軟件的評價指標:
1) 編輯操作點擊次數
WinGPC 4.0將梯形圖的基本元素(如Rung,Branch等)歸(gui)納(na)成(cheng)對(dui)象(xiang),產(chan)生(sheng)這(zhe)些(xie)對(dui)象(xiang)隻(zhi)需(xu)要(yao)一(yi)次(ci)擊(ji)鍵(jian)動(dong)作(zuo),而(er)非(fei)象(xiang)許(xu)多(duo)可(ke)編(bian)程(cheng)控(kong)製(zhi)器(qi)軟(ruan)件(jian)采(cai)用(yong)一(yi)條(tiao)線(xian)一(yi)條(tiao)線(xian)逐(zhu)步(bu)畫(hua)格(ge)子(zi)的(de)方(fang)法(fa)。其(qi)優(you)點(dian)不(bu)僅(jin)是(shi)非(fei)常(chang)快(kuai)捷(jie),同(tong)時(shi)當(dang)需(xu)要(yao)對(dui)複(fu)雜(za)邏(luo)輯(ji)結(jie)構(gou)(見圖 3)要進行修改時,插入或刪除新的邏輯元素(包括Branch或Branch嵌套)也隻要一次擊鍵動作。用戶甚至可以用鼠標拖拉隨意移動Branch的連接點以改變其結構,使得編程體驗十分輕鬆。
減少編輯操作次數評價是一個可編程控製器軟件的十分重要的指標。

圖 3 複雜的邏輯圖
2) 常用操作的易學性
軟件的實用和易學易懂性是另一個十分重要的指標,也是WinGPC 4.0的重要突破口之一。複雜的操作不僅會給用戶帶來學習培訓的額外負擔,同時也是造成錯誤的潛在因素。
微軟的Windos操作已經深入人心,基於Windows的操作習慣給用戶帶來了方便。根據20%/80%法則分析基於Windows的操作,WinGPC 4.0大量采用以下基於Windows的常規操作來對梯形圖進行編程,而這些操作是無需學習的、並且是很常用的。
l 拖放操作 (Drag & Drop):用戶可以隨意拖放Rung,Branch,指令或Branch的“腳”,在拖放過程中,不僅有一個透明位圖顯示被拖拉的內容,同時還會以色塊指示最近的合法放置點以方便用戶確認是否到達目的地,圖 4顯示了將R070.03觸點從A點拉到B點的過程。

圖 4 拖放操作
* 剪切/拷貝/粘貼 (Cut/Copy/Paste):此功能可以避免相同邏輯部分的重複輸入,以提高工作效率。
* 視圖的放大縮小 (Zoom in/Zoom out):這也是一個很有用的特性,利用它用戶可以在不同大小的顯示器上將視圖調節到最舒服的尺寸,也可以選擇觀察局部或全局。
* 撤銷和重做 (Undo/Redo):相信每個人都會有這個經曆的,所以Ctrl Z和Ctrl H在Windows的應用軟件中是比不可少的。而且WinGPC 4.0提供無限製的撤銷和重做,而不象某些可編程控製器軟件隻允許撤銷和重做一二次。
* 結合SHIFT和Ctrl的拖拉:與SHIFT結合的拖拉操作是移動,與Ctrl結合的拖拉操作是拷貝。
3) 視圖的可見性:自動換行
當一行邏輯比較複雜時,其寬度就會超過可視範圍,某些軟件的解決方案一是任其延長,但這影響了邏輯可讀性;二是認為加入換行符號,這又增加了操作。WinGPC 4.0能根據視圖大小自動換行,無論是在添減指令或對視圖的放大和縮小時都保證其在可視範圍,目的是增強梯形圖邏輯的可讀性。

圖 5 自動換行
4) 語法錯誤的快速定位
快速明了地指示梯形圖中的語法錯誤不但節省了邏輯編輯時間、提高效率,同時也便於及早發現錯誤。WinGPC 4.0提供了基於行的自動語法檢查,如何非法的邏輯在其行(Rung)標號上會顯示”e”以表明其有錯誤。另外,當執行語法檢查(Compile)時,出錯行及錯誤信息將出現在信息窗口,雙擊某條錯誤信息能使光標在溉錯誤處高亮顯示,便於快速定位並修正,見圖 6。

圖 6 快速的錯誤定位
5) 調試功能
技術人員在現場常常通過對一些I/O強製設定數據來進行邏輯診斷和調試。WinGPC 4.0為此提供了兩種手段:
* 使用寄存器強製功能來設定值(此時界麵有強製標記以表示該值被強製)
* 對位值進行反轉操作(隻要對其擊右鍵然後選擇反轉位值),見圖 7,特別方便臨時性的操作。

圖 7 在線調試功能
此兩種方法均很簡便。
6) 工程間拷貝
當想把一段梯形圖邏輯從一個工程文件拷貝到另一個工程文件時,采用常規的拷貝粘貼或者拖放均可, WinGPC 4.0的這項功能大大方便了用戶,對不同工程文件中相同或相似的邏輯采用此法進行複製快速且不會出錯。
7) 多種形式的實時狀態監視
WinGPC 4.0包涵了多種在線調試和監視手段來方便用戶使用,其中包括:
* 梯形圖監視(還可以進行在線提行圖邏輯修改)
* 寄存器資源監視和值修改
* 時間序列表監視
* I/O模塊的圖形化監視
* 係統信息和CPU診斷監視
四. PLC編程軟件的發展趨勢
可編程控製器編程軟件的發展隨著以下幾項技術的發展而不斷進步:
1. Windows操作係統
2. 圖形界麵技術
3. 對人機界麵人體工程學的研究
可編程控製器編程軟件的發展將會給用戶提供更大的實用性,尤其體現在易學易用方麵,而WinGPC 4.0在這方麵已經走在了前麵。
顯然。可編程控製器編程軟件發展趨勢還將突破原來的純編程工具,向著以下幾個方麵拓展:
1. 提供統一的自動化控製平台
軟件將是麵向整個公司產品係列的唯一平台,可以通過產品間的網絡互聯方便地對所有產品進行編輯、調試和監視。同時還能為第三方軟件提供數據服務,如OPC/DDE等。
2. 提供更多的符合IEC61131標準的各類編程語言,如功能塊和順序控製圖等
3. 更加智能化,減少用戶對使用軟件的培訓和學習要求,使用戶關注於本身的控製工作。
WinGPC 4.0的後續版本將不斷適應新的發展,為用戶提供最大的價值。


