產品名稱:
MU20
型 號:
MU20
價 格:
0.00
品 牌:
ABB
簡介:
該電機裝置適用於需配備伺服控製電機的外軸設備,電機與機器人運動完全同步。
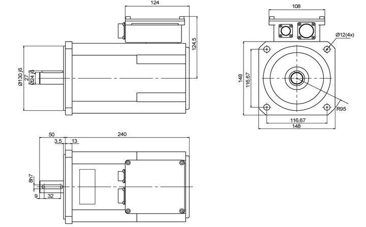
MU20尺寸圖
該電機裝置可作為成套設備提供,包括電機、齒輪箱、SMB(串口測量板)、參數盤、電纜和相關文檔。
該電機裝置與機器人完全集成。
技術參數:
| 參數 | 數值 | |
| 適用變頻裝置 | C / G / T / U / V / W | |
| Nnom | 3300 rpm(345.54 rad/s) | |
| Nrms | 1650 rpm | |
| T0 | 6.8 Nm 1 | |
|
6.7 Nm | |
|
3.3 Nm | |
|
19 Nm | |
|
38.5 Arms 1 | |
|
6.2 A | |
|
0.64 Nm/Arms | |
|
0.37 1 | |
|
0.14 ohm 1 | |
|
2.76 mH 1 | |
|
0.00092 kgm2 1 | |
|
3 1 | |
|
13.5 kg | |
|
+5° - +45°C | |
|
1.2 kW | |
|
4.2 kW | |
|
IP 67 | |
|
|
||
|
|
||
| 製動參數 | 數值 | |
|
16 Nm | |
|
25.6 Nm | |
|
24 ± 10% V DC | |
|
20 W | |
MU20尺寸圖


