|
一、三菱變頻器通信數據格式 使用十六進製數,數據在PLC和變頻器之間自動使用ASCⅡ傳輸 寫入:PLC(主站)向變頻器(從站)寫入數據; 讀出:PLC 從變頻器讀出數據。 1)從PLC到變頻器的通信請求數據 數據寫入: 寫入的數據位數為2位時的格式,如數據:23H(數據的位數由指令代碼決定) ENQ(1)+變頻器站號(2,3)+指令代碼(4,5)+等待時間(6)+數 據(7,8)+總和校驗(9,10)+CR或者LF(11) 寫入的數據位數為4位時的格式,如數據:2356H ENQ(1)+變頻器站號(2,3)+指令代碼(4,5)+等待時間(6)+數 據(7,8,9,10)+總和校驗(11,12)+CR或者LF(13) 寫入的數據位數為6位時的格式,如數據:2378ABH ENQ(1)+變頻器站號(2,3)+指令代碼(4,5)+等待時間(6)+數 據(7,8,9,10,11,12)+總和校驗(13,14)+CR或者LF(15) 數據讀出時的通信格式: ENQ(1)+變頻器站號(2,3)+指令代碼(4,5)+等待時間(6)+總和校驗(7,8)+CR或者LF(9) 2)寫入數據時從變頻器向PLC的送信數據 沒有發現數據錯誤的格式 ACK(1)+變頻器站號(2,3)+CR或者LF(4) 發現數據錯誤的格式 NAK(1)+變頻器站號(2,3)+數據錯誤代碼(4)+CR或者LF(5) 3)讀出數據時從變頻器到PLC的應答數據 讀出的數據為2位時的格式 STX(1)+變頻器號(2,3)+讀出數據(4,5)+ETX(6)+總和校驗(7,8)+CR或者LF(9) 讀出的數據為4位時的格式 STX(1)+變頻器號(2,3)+讀 出 數 據(4,5,6,7)+ETX(8)+總和校驗(9,10)+CR或者LF(11) 讀出的數據為6位時的格式 STX(1)+變頻器號(2,3)+讀出數據(4,5,6,7,8,9)+ETX(10)+總和校驗(11,12)+CR或者LF(13) 4)讀出數據時的從PLC到變頻器送信數據 沒有發現數據錯誤的格式 ACK(1)+變頻器站號(2,3)+CR或者LF(4) 發現數據錯誤的格式 NAK(1)+變頻器站號(2,3)+數據錯誤代碼(4)+CR或者LF(5)
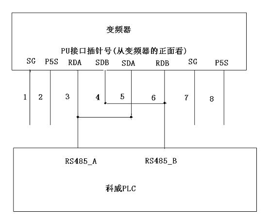
以上各表最後一列可以省去在變頻器P124=0即可(本實驗也省掉了) (2)數據定義 控製代碼 信號(STX)+ASCⅡ碼(H02)+ 說明(數據開始); 信號(ETX)+ASCⅡ碼(H03)+ 說明(數據結束); 信號(ENQ)+ASCⅡ碼(H05)+ 說明(通訊請求); 信號(ACK)+ASCⅡ碼(H06)+ 說明(沒有發現數據錯誤); 信號(LF)+ASCⅡ碼(H0A)+ 說明(回車); 信號(CR)+ASCⅡ碼(H0D)+ 說明(換行); 信號(NAK)+ASCⅡ碼(H15)+ 說明(發現數據錯誤); 二、科威PLC自由協議的相關函數 1、發送函數 函數功能號:D8200=K29 調用方法:: SET M8200 入口參數: 通信格式(D8120); 待發送字節數(D8121); 發送區的起始單元(D8128); 發送/接收超時時間設定(D8127,可選); 狀態參數: 發送請求標誌(M8121); 發送成功標誌(M8122); 發送剩餘字節數(D8122),超時剩餘時間(D8130); 奇偶校驗錯標誌(M8120),發送/接收超時標誌(M8127); 函數調用過程:設置入口參數→賦函數功能號→調用函數→查看標誌 → 決定下一流程。 2、接收函數 函數功能號: D8200=K30 通信格式: D8120_Bit10=1”發送結束自動轉接收”則接收函數的函數功能號和通信格式就可以省略,參照《科威PLC編程手冊》P196所述的自動隱式調用接收函數。 調用方法::SET M8200 入口參數:通信格式(D8120) 待接收的字節數(D8123) 接收區的起始單元(D8129) 設定接收的起始字符(D8125) 設定接收的終止字符(D8126) 發送/接收超時時間設定(D8127,可選) 狀態參數:接收請求標誌(M8123) 接收到起始字節的標誌(M8124) 接收到起始符的標誌(M8125), 接收到終止符的標誌(M8126), 已接收的字節數(D8124),超時剩餘時間(D8130) 奇偶校驗錯標誌(M8120),發送/接收超時標誌(M8127) 函數調用過程:設置入參數→賦函數功能號 → 調用函數→ 查看標誌 → 決定下一流程 3、輔助函數 所有的輔助函數調用的方式大體上是相似的 1) ASCⅡ碼轉換為HEX函數 函數功能號: D8200=K25 調用方法: SET M8200 入口參數指針: D8201 有效字節數: D8202 , 即數據個數 起始字節: M8201; 起始高字節:RST M8201; 起始低字節:SET M8201 字/字節有效: M8202; 字有效: RST M8202; 字有效: SET M8202; 出口參數指針: D8203; 起始字節: M8203; 起始高字節:RST M8203; 起始低字節:SET M8203; 字/字節有效: M8204; 字有效: RST M82024; 字有效: SET M8204; 函數調用過程:設置出入口參數→賦函數功能號→ 調用函數; 2) HEX轉換為ASCⅡ碼函數 函數功能號::D8200=K26 調用方法: SET M8200 入口參數指針: D8201 有效字節數: D8202 , 即數據個數 起始字節: M8201; 起始高字節:RST M8201; 起始低字節:SET M8201; 字/字節有效: M8202; 字有效: RST M8202; 字有效: SET M8202 ; 出口參數指針: D8203; 起始字節: M8203; 起始高字節:RST M8203; 起始低字節:SET M8203; 字/字節有效: M8204 ; 字有效: RST M82024; 字有效: SET M8204; 函數調用過程:設置出入口參數→賦函數功能號 → 調用函數; 三、PLC與變頻器的連線 變頻器端的接口是RJ45;(見附件1) PLC端的接口是端子接線:RS485-A,RS485-B 把變頻器的RDA和SDA連起來接到科威PLC的RS485-A ; 把變頻器的RDB和SDB連起來接到科威PLC的RS485-B(用網線製作通訊電纜); 四、程序結構 1、程序框圖

五、資源占用情況說明 1)主程序 地址(D0)+存放內容(讀/寫標誌:D0=0讀;D0=1寫); 地址(D1)+存放內容(所讀/寫的數據位數); 地址(D2)+存放內容(讀/寫命令代碼); 地址(D3)+存放內容(所寫的數據); 地址(D4)+存放內容(所寫的數據); 地址(D5)+存放內容(從站號); 地址(D6)+存放內容(等待時間); 數據寄存器(D0-D6)+狀態元件S(S0-S4)+位元件M(M0-M43)+標簽P(P0-P4); 數據寄存器(D20)+位元件M(M51-M54)+標簽P(P13-P16); 數據寄存器(D7200)+位元件M(M1012-M1039); 2)發送和接收函數 位元件M(M98-M100)+定時計(T200) 3)P0子程序 數據寄存器(D11-D18)+位元件M(M0-M43); 數據寄存器(D6000-D6010)+位元件M (M1000-M1007); 數據寄存器(D7000-D7021,D7030-D7033)+位元件M(M1012-M1039); 4)P1子程序 數據寄存器(D11-D12)+位元件M(M1000-M1007); 數據寄存器(D6011-D6012) ; 數據寄存器(D7030-D7033); 5)P2子程序 數據寄存器(D20-D24)+位元件M(M98-M99); 數據寄存器(D7000-D7001); 6)P3子程序 數據寄存器(D7D-10,D21-D24)+位元件M(M1100-M1155)+定時器(T0); 數據寄存器(D7000-D7003) +位元件M(M1200-M1215); 數據寄存器(D7101-D7105); 7)P4子程序 數據寄存器 D7-D10 D7101-D7105 8)P13子程序 P13子程序說明HFF=1的功能代碼 數據寄存器 D1-D4 D20,D30, 9)P14子程序 P14子程序說明H7F=1的功能代碼 數據寄存器 D1-D4 D20,D30, 10)P15子程序 P15子程序說明HFF=0的功能代碼 數據寄存器 D1-D4 D20,D30, 11)P16子程序 P16子程序說明H7F=0的功能代碼 數據寄存器 D1-D4 D20,D30, 附件1:接線圖

附件2:在實現相應的讀寫參數之前先保證通信參數擴展“H7F或者HFF”的值是它們所在列的“H7F或者HFF”的值,但是因為每列“HFF或者H7F”的有且隻需要填寫一次(填寫一次後變頻器自動記憶,除非複位,出廠時“HFF=0或者H7F=0”)即可去完成“HFF或者H7F”所在列的其他功能,方法是:填寫D30=0,並按下相應的M即可





附表2使用說明:首先根據需要選定相應的參數,再根據參數找相應縱橫的首行M,首列D30的值,需要先把相應的把M強製為ON再給D30賦予相應功能號的值,即可實現要讀的參數;若要寫再通過D3賦予所需要的數值即可實現寫的功能。 下麵用下麵兩個例子,分別說明讀寫方法: 讀寫前變頻器參數設定:根據程序通信格式要求:D8120=H0436(含義:表示“0”表示自由協議, “4”表示發送結束自動轉接收, “3”表示波特率為9600bps,“6”為7位數據1停止位且無奇偶校驗.故變頻器參數設定如下: PLC和1#變頻器通信時,所以P117=1;P118=96; P119=10;P120=2;P121=9999;P122=9999;P123=9999;P124=0 例一:要讀取“輸出電壓值”(功能號為D30=K3,M51=ON和M100=ON),則先令M100=ON,再令M51=ON,最後填寫D30=K2就可以在D10看到相應的電壓值。 總結讀取相關參數步驟(方法):
例二:要寫入“啟動頻率”(功能號D30=K14,M53=ON,M100=ON),則先令M100=ON,其次令M53=ON,再次填寫D30=K14,最後通過D3填寫相應的“啟動頻率值”[如“啟動頻率值”=0.5HZ,最小單位0.01HZ, “啟動頻率值”=D3*最小單位,所以D3=K50。最小 單位參見三菱變頻器FR-E500係列說明書P5412316;P60參數表(出廠參數表4.1.1)}
後記:1、由於倉促錯漏等不足之處在所難免,望各位同行朋友多多指教! 2、提供有附件2表中所有功能的程序,同時還提供了程序簡化僅訪問下表四個重要參數的程序,希望對各位同行朋友參考,學習有所幫助。 D30的值(功能號10進製) 擴展碼HFF=1 讀:輸出頻率 讀:輸出電流 讀:輸出電壓 讀:最近兩次報警(高字節前一次報警,低字節後一次報警)
3、想得到相關程序的同仁,請發郵件到我公司郵箱:.我公司相關人員會及時處理!
|