|
|
|
²úÆ·Ãû³Æ£º
|
NMBѹÁ¦´«¸ÐÆ÷PRB
|
|
ÐÍ ºÅ£º
|
PRB
|
|
¼Û ¸ñ£º
|
0.00
|
|
Æ· ÅÆ£º
|
2689
|
|
|
|
ÐÔÄÜ:
| Á¿³Ì |
1MPa~100MPa |
ÁãµãÎó²î |
¡À0.045mV/V
(PRB-1MP: ¡À0.05 mV/V) |
| ¶î¶¨Êä³ö |
1.5mV/V¡À0.015mV/V
£¨PRB-1MPa£º1mV/V¡À0.01mV/V£© |
Âú³ÌÎÂÆ¯ |
0.2%LOAD/10¡æ |
| ·ÇÏßÐÔ |
0.2%R.O. £¨PRB-1MPa£º0.3%R.O.£© |
ÖØ¸´ÐÔ |
0.3%R.O. |
| Öͺó |
0.2%R.O. £¨PRB-1MPa£º0.3%R.O.£© |
ÁãµãÎÂÆ¯ |
0.2%R.O./10¡æ |
| ζȲ¹³¥·¶Î§ |
-10¡æ~60¡æ |
¹¤×÷ζȷ¶Î§ |
-15¡æ~100¡æ |
| ×î´ó¼¤Àøµçѹ |
10V DC/VC |
°²È«ÔØºÉ |
150%R.C. |
| ÍÆ¼ö¼¤Àøµçѹ |
¡Ü6V DC/VC |
×î´óÔØºÉ |
300%R.C. £¨PRB-100MP:200%R.C.£© |
| ·À»¤µÈ¼¶ |
IP64 |
Á¬½Ó¼þ |
PRC03-21A10-7F |
| ÊäÈë×迹 |
350¦¸¡À3.5¦¸ |
Êä³ö×迹 |
350¦¸¡À3.5¦¸ |
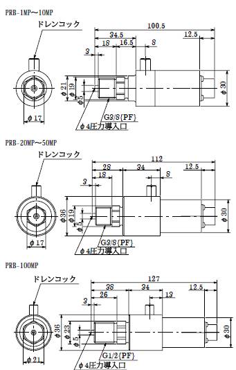
ÍâÐγߴ磺

¹æ¸ñ£º
| ¹æ¸ñ |
Á¿³Ì |
¹Ì¶¨ÆµÂÊ(KHZ) |
ÖØÁ¿(g) |
| PRB-1MP |
1MPa |
17 |
220 |
| PRB-2MP |
2MPa |
19.3 |
| PRB-5MP |
5MPa |
34.4 |
| PRB-10MP |
10MPa |
39 |
| PRB-20MP |
20MPa |
68 |
300 |
| PRB-30MP |
30MPa |
89 |
| PRB-50MP |
50MPa |
104 |
| PRB-100MP |
100MPa |
205 |
450 |
Õâ¸ö²úÆ··¢²¼ÓÚ 2010Äê03ÔÂ30ÈÕ£¬ÐÇÆÚ¶þ £¬ 4:18 ÏÂÎç £¬¹é
|
|
|