|
|
|
²úÆ·Ãû³Æ£º
|
NMB³¬¸ßѹ´«¸ÐÆ÷STD
|
|
ÐÍ ºÅ£º
|
STD
|
|
¼Û ¸ñ£º
|
0.00
|
|
Æ· ÅÆ£º
|
2689
|
|
|
|
ÐÔÄÜ£º
| Á¿³Ì |
200MPa~500MPa |
ÁãµãÎó²î |
¡À0.025mV/V£¨STD-500MP:¡À0.019 mV/V£© |
| ¶î¶¨Êä³ö |
1mV/V¡À0.0025mV/V£¨STD-500MPa£º0.75mV/V¡À0.0075mV/V£© |
Âú³ÌÎÂÆ¯ |
0.09%LOAD/10¡æ |
| ·ÇÏßÐÔ |
0.35%R.O.(STD-500MPa:0.5%R.O.) |
ÖØ¸´ÐÔ |
0.05%R.O |
| Öͺó |
0.1%R.O. |
ÁãµãÎÂÆ¯ |
0.09%R.O./10¡æ |
| ζȲ¹³¥·¶Î§ |
-10¡æ~75¡æ |
ʹÓÃζȷ¶Î§ |
-10¡æ~75¡æ |
| ×î´ó¼¤Àøµçѹ |
10V DC/VC |
°²È«ÔØºÉ |
120%R.C. |
| ÍÆ¼ö¼¤Àøµçѹ |
¡Ü6V DC/VC |
×î´óÔØºÉ |
120%R.C. |
| ·À»¤µÈ¼¶ |
IP64 |
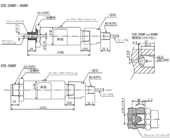
°²×°ÂÝÎÆ |
G1/2{PF}(STD-500MP:G3/4{PF} |
ÍâÐγߴ磺

¹æ¸ñ£º
| ¹æ¸ñ |
Á¿³Ì |
¹Ì¶¨ÆµÂÊ(KHZ) |
ÖØÁ¿(Kg) |
| STD-200MP |
200MPa |
18 |
1.4 |
| STD -300MP |
300MPa |
| STD -400MP |
400MPa |
19 |
| STD -500MP |
500MPa |
|
|
|