FZMϵÁе¥½»Á÷µçÁ÷±äËÍÆ÷Ä£¿é
£¨Á½ÏßÖÆ4¡«20mAÊä³öϵÁвúÆ·£©

Ö÷Òª¹¦ÄÜÓëÌØÐÔ:
¡ö½«±»²â¹¤Æµ½»Á÷µçÁ÷(µçѹ)ת»»³É°´ÏßÐÔ±ÈÀýÊä³öµÄ±ê×¼Ö±Á÷Ðźţ»
¡öÓÅÁ¼µÄζÈÌØÐԺͳ¤ÆÚ¹¤×÷Îȶ¨ÐÔ£»
¡öµÚ3´ú¶¨ÐÍÉè¼Æ²ÉÓü¯³É±äËÍÆ÷ASICоƬ(¾ø·Ç324»ò258Á®¼ÛÔË·Å´î³É)£»
¡öµÚ3´ú¶¨ÐÍÉè¼Æ²ÉÓÃÇ¿¹¦ÂÊÏßÐÔ±äÁ÷±äѹÔÀí,¿¹¸ÉÈÅÄÜÁ¦ÔöÇ¿10±¶£»
¡ö²ÉÓÃÄ£¿éµç·,½á¹¹½ô´Õ£»
¡ö¾«È·¶È¸ß,ÏßÐÔ¶ÈÓÅÁ¼£»
¡öÁ½Ï߶˿ھßÓÐÊä³ö¹ýÁ÷¹ýѹ¼«ÐÔ±£»¤¹¦ÄÜ,¾ßÓиÐÓ¦À×»÷²¨ºÍÍ»²¨µÄ±£»¤ÄÜÁ¦£»
ÐͺÅÃèÊö¼°²ÎÊý±í£º

ÀýÈ磺 FZM- I3-5A/4-20mA/24V
Ãû³Æ£º FZMϵÁе¥½»Á÷±äËÍÆ÷Ä£¿é
¶î¶¨ÊäÈ룺 AC0¡«5A
¶î¶¨Êä³ö£º Á½ÏßÖÆDC4¡«20mA
¹¤×÷µçÔ´£º DC+24V¡À20%
......................................................................................................................................................................................................
¶©»õÐëÖª:
1£®¶©»õʱ,Çë¿Í»§¸ù¾Ýʵ¼ÊÐèÒª,°´Ï±í×ÐϸºË¶ÔµçÁ¿ÀàÐÍ¡¢¶î¶¨ÊäÈëÊä³öºÍ¹¤×÷µçÔ´£»
2£®±ê×¼ÐͺÅÓÐÏÖ»õ,ÆäËûÐͺſɰ´¿Í»§ÒªÇó¶¨ÖÆ£»
3£®FZMÄ£¿é½öÌṩÊäÈëµçÁ÷ÀàÐͺÍDC24V¹¤×÷µçÔ´Æ·ÖÖ£»
¼¼Êõ²ÎÊý£º
1£®×¼È·¶È(¾«¶È)£º0.2£¥£¬0.5£¥£»
2£®·ÇÏßÐÔÊ§Õæ£º0.2£¥£¬0.5£¥£»
3£®¶î¶¨¹¤×÷µçѹ£ºDC£«24V¡À20£¥£¬¼«ÏÞ¹¤×÷µçѹ¡Ü35V£¬AC220V+15%£»
4£®µçÔ´¹¦ºÄ£ºDC+24V¾²Ì¬4mA£¬¶¯Ì¬Ê±ÏàµÈÓ뻷·µçÁ÷£¬ÄÚ²¿ÏÞÖÆ25mA+10£¥£¬¹¦ºÄ0.6W£¬AC220V£¬¹¦ºÄ1W£»
5£®¶î¶¨ÊäÈëÎüÊÕ¹¦ÂÊ£ºµçÁ÷ÀàÐÍ¡Ü1VA£»
6£®¶î¶¨ÊäÈ룺1A£¬5A£¬10A»òÆäËû¶¨ÖÆ£»
7£®¶î¶¨¹¤×÷ƵÂÊ£º50/60Hz£»
8£®Êä³öÐÎʽ£ºÁ½ÏßÖÆDC4¡«20mA£»
9£®Êä³öÎÂÆ¯ÏµÊý£º¡Ü50ppm/¡æ£»
10£®ÏìӦʱ¼ä£º¡Ü100ms£»
11£®Êä³ö¸ºÔصç×裺RL£¨¦¸)£½(24V£10V)£¯0.02A=700¦¸£»
¡¡ ×¢£º(1)±ê×¼V£«24Vʱ¸ºÔصç×èRLΪ700¦¸£»
(2)RLµÈÓÚת»»1¡«5VµÄ250¦¸µç×è¼ÓÉÏÁ½¸ù´«ÊäÏß·×ÜÍ×裻
12£®ÊäÈë¹ýÔØÄÜÁ¦£ºµçÁ÷ÀàÐÍ£º1.5±¶Á¬Ðø£¬30±¶/Ã룬µçѹÀàÐÍ£º1.2±¶Á¬Ðø£¬30±¶/Ã룻
13£®Êä³ö¹ýÁ÷±£»¤£ºÄÚ²¿ÏÞÖÆ25mA+10£¥£»
14£®Á½Ïß¶Ë¿Ú˲̬¸ÐÓ¦À×ÓëÀËÓ¿µçÁ÷TVSÒÖÖÆ±£»¤ÄÜÁ¦£ºTVSÒÖÖÆ³å»÷µçÁ÷ÄÜÁ¦Îª35A/20ms/1.5KW£»
15£®Á½Ïß¶Ë¿ÚÉèÖÃÓÐ+24VµçÔ´·´½Ó±£»¤£»
16£®Êä³öµçÁ÷ÉèÖÃÓг¤Ê±¼ä¶Ì·±£»¤ÏÞÖÆ£ºÄÚ²¿ÏÞÖÆ25mA+10%£»
17£®ÊäÈë/Êä³ö¾øÔµ¸ôÀëÇ¿¶È£ºAC2000V / 1min¡¢1mA£»
18£®ÊäÈë/Êä³ö¾øÔµµç×è¡Ý20M¦¸(DC500V)£»
19£®¹¤×÷»·¾³£º£25¡æ¡«£«70¡æ£¬20£¥¡«90£¥ÎÞÄý¶£»
20£®Öü´æÎ¶ȣº£40¡æ¡«£«85¡æ£¬20£¥¡«90£¥ÎÞÄý¶£»
21£®°²×°·½Ê½£ºDIN-35mmµ¼¹ì°²×°¼°M4Âݶ¤¹Ì¶¨£»FZMÄ£¿éÓ¡ÖÆ°åÖ±²åº¸½Ó·½Ê½¹Ì¶¨¡£
22£®Ö´Ðбê×¼£º GB/T13850£1998£»
°²È«×¢ÒâÊÂÏ
1£®ÔÚʹÓÃÊä³ö4¡«20mA²úƷʱ£¬250¦¸×ª»»µç×è²»ÔÊÐí¿ªÂ·Óë½Ó´¥²»Á¼£¬²»ÔÊÐíÔÚת»»µç×è»ØÂ·´®½ÓÈÛ¶ÏÆ÷ºÍ×Ô¸´Ê½±£ÏÕË¿£»
2£®ÔÚʹÓðº¹óµÄADCÊäÈë½Ó¿ÚÉϲ¢ÁªÒ»Ö»P6KE6.2A»òP6KE6.8AµÄTVS¶þ¼«¹ÜÊǷdz£±ØÒªµÄ±£»¤´ëÊ©£¬ÈçÏÂͼ£º

3£®ÔÚÒªÇó¸ß¾«¶ÈµÄ²âÁ¿Ê±£¬×ª»»µç×èÊÇÖÁ¹ØÖØÒªµÄ£¬×ª»»1¡«5VµÄ250¦¸µç×èӦѡÔñ0.5WµÍÎÂÆ¯¸ß¾«¶È½ðÊôĤµç×裻
4£®±¾²úƷΪ»§ÄÚʹÓû·¾³£¬ÈçÐèÔÚ»§ÍâʹÓ㬱ØÐë°²×°ÔÚ±ÜÓê·ÀË®µÄ»úÏ䣨¹ñ£©ÄÚ£»
5£®±¾²úÆ·Ô±ßÖ÷»ØÂ·ÊÊÓü«ÏÞµçѹ¡Ü1KVacµÄÏß·£»
6£®±¾²úÆ·ÔÚʹÓÃʱ²»ÔÊÐí³¬³öÐÔÄÜÖ¸±ê²ÎÊý¹æ¶¨·¶Î§£¬Ê¹Óò»µ±¿ÉÄܵ¼Ö²úÆ·Ë𻵣»
7£®±¾²úÆ·±ØÐë°´½ÓÏßʾÒâͼÕýÈ·½ÓÏߣ¬´íÎó½ÓÏß¿ÉÄܵ¼Ö²úÆ·Ë𻵣»
8£®±¾²úƷϵÁÐΪ±ê×¼±äËÍÆ÷£¬¶ÔÓÚÌØÊâµÄÓ¦Óã¬ÇëÓëÎÒÃÇÁªÏµ¶¨ÖÆ£»
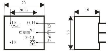
FZM³ß´çͼ:

FZM½ÓÏßʾÒâͼ£º
Ó¦ÓýÓÏߣº

¹¦ÄÜ·½¿òͼ£º
