|
CPUÌØÐÔ |
|
±¾»úI/O |
24ͨµÀ24V DCÊäÈ룬16ͨµÀ¾§Ìå¹ÜÊä³ö |
|
¿ÉÁ¬½ÓÀ©Õ¹Ä£¿éÊýÁ¿ |
7¸ö |
|
¸ßËÙ¼ÆÊýÆ÷ |
µ¥Ïà¼ÆÊýÆ÷£º3µã£¬100KHz Á½Ïà¼ÆÊýÆ÷£º2µã£¬100KHz |
|
¸ßËÙÊä³ö |
2µã20KHz |
|
ÖжÏÊäÈë |
4µã |
|
Âö³å²¶×½ |
4µã |
|
Ä£ÄâµçλÆ÷ |
2¸ö£¬ÊýÖµÉ趨·¶Î§£º0¡«255 |
|
Óû§³ÌÐò´æ´¢¿Õ¼ä |
120K×Ö½Ú |
|
µôµç±£³ÖÇø |
6K×Ö½Ú |
|
ÃÜÂë±£»¤ |
ÓÐ |
|
ʵʱʱÖÓ |
ÄÚÖÃ |
|
¶¨Ê±Æ÷ |
²»ÏÞµã(1msΪ×îСµ¥Î») |
|
¼ÆÊýÆ÷ |
²»ÏÞµã(×î´ó¼ÆÊý·¶Î§£º16λ) |
|
»ù±¾Ö¸Áî |
340Ìõ |
|
G3Ö¸Áî |
47Ìõ |
|
ÔËËãËÙ¶È |
0.37¦Ìs(²¼¶ûÁ¿ÔËËãÖ¸Áî) |
|
µçÔ´¹æ¸ñ |
|
µçÔ´µçѹ |
24V DC |
|
ÔÊÐí·¶Î§ |
20.4V DC¡«28.8V DC |
|
µçÁ÷ÏûºÄ(MAX) |
1500mA |
|
Êä³öµçѹ |
24V DC |
|
ÔÊÐí·¶Î§ |
22.8V DC¡«25.2V DC |
|
¶ÔÍâÊä³öµçÁ÷ |
+24V DC(ÌṩÀ©Õ¹×ÜÏß) |
400mA |
|
+24V DC(¶ÔÍâÌṩ) |
400mA |
|
+5V DC(ÌṩÀ©Õ¹×ÜÏß) |
1500mA |
|
¶Ì·±£»¤ |
900mA£¬24V DCÊä³ö |
|
Í¨Ñ¶ÌØÐÔ |
|
ͨѶ½Ó¿Ú |
2¸ö£¨RS-232ºÍRS-485£©£¨²»¸ôÀ룩 |
|
ͨѶÐÒé |
רÓÐÐÒé/MODBUS/×ÔÓÉÐÒé |
|
ÊäÈëÌØÐÔ |
|
ÊäÈëÀàÐÍ |
©ÐÍ/Ô´ÐÍ |
|
ÊäÈëµçѹ¶î¶¨Öµ |
24V DC |
|
ÔÊÐí·¶Î§ |
0V DC¡«30V DC |
|
Âß¼1ÐźŠ|
15¡«30V DCÔÊÐí×îСµçÁ÷3mA |
|
Âß¼0ÐźŠ|
0¡«5V DCÔÊÐí×î´óµçÁ÷1mA |
|
ÊäÈëÑÓ³Ùʱ¼ä |
<0.6ms(¶î¶¨ÊäÈëµçѹ) |
|
¸ôÀ뷽ʽ |
¹âµç¸ôÀë |
|
¸ôÀë×é |
3×é |
|
¸ôÀëÄÍѹ |
1000V DC |
|
Êä³öÌØÐÔ |
|
Êä³öͨµÀ |
4ͨµÀ |
|
Êä³öÀàÐÍ |
¾§Ìå¹Ü |
|
Êä³öµçѹ |
24V DC |
|
Êä³öµçѹ·¶Î§ |
20.4V DC¡«28.8V DC |
|
¾§Ìå¹Üµ¼Í¨Ñ¹½µ |
<0.5V(Êä³öÂß¼¡°1¡±£¬µçÁ÷Ϊ1Aʱ) |
|
½Óͨ״̬×迹 |
<0.2¦¸ |
|
Âß¼¡°1¡±µ¥µãÊä³ö×î´óµçÁ÷ |
1A |
|
Âß¼¡°0¡±×î´ó©µçÁ÷ |
1mA |
|
¹«¹²¶ËÊä³öµçÁ÷×ÜºÍ |
<4A |
|
¸ôÀ뷽ʽ |
¹âµç¸ôÀë |
|
¸ôÀë×é |
2×é |
|
¸ôÀëÄÍѹ |
1000V DC |
|
ÏìӦʱ¼ä(״̬¡°0¡±µ½¡°1¡±»ò¡°1¡±µ½¡°0¡±) |
ÆÕͨÊä³ö <1ms, ¸ßËÙÂö³åÊä³ö<10us |
|
ÎïÀíÌØÐÔ |
|
³ß´ç¹æ¸ñ(L*W*H) |
200mm(L)¡Á90mm(W)¡Á70mm(H) |
|
ÖØÁ¿ |
470g |
|
¹¤×÷ÎÂ¶È |
0¡æ¡«+55¡æ |
|
´æ´¢ÎÂ¶È |
-40¡æ¡«+70¡æ |
|
Ïà¶Ôʪ¶È |
5%¡«95%(ÎÞÄý½á) |
¡¤¶Ë×Ó¶¨ÒåÓë½ÓÏß
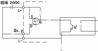
LM3108Ä£¿éÓÃÖ±Á÷24V¹©µç£¬ÉÏÅŶË×ÓΪÊä³öͨµÀ£¨DO£©£¬ÏÂÅŶË×ÓΪÊäÈëͨµÀ£¨DI£©¡£Í¼1ÊÇÒ»ÖÖµäÐ͵ÄÏÖ³¡½ÓÏßʾÀý£¬ÎªCPUÄ£¿é¹©µçµÄÍâ½ÓÊäÈëµçÔ´24VDCºÍ±£»¤µØ½Óµ½ÉÏÅŶË×ÓµÄÓҲࣨ³ÈÉ«¶Ë×Ó£©£¬Ä£¿é¶ÔÍâÌṩµÄÊä³öµçÔ´24VDC´ÓÏÂÅŶË×ÓµÄÓÒ²à½Ó³ö¡£Í¼2¡¢Í¼3 ·Ö±ðÊǸßËÙÊä³ö¶Ë×ÓÓëµç»ú½ÓÏßµÄÁ½ÖÖʾÒâͼ¡£Í¼ÖÐÍâ½Ó1.6K¦¸µç×èÖµÊÊÓÃÓÚµç»úÇý¶¯¶î¶¨µçÁ÷Ϊʮ¼¸ºÁ°²Ê±µÄÇé¿ö¡£ÓÉÓÚͼ2 ½ÓÏß·½Ê½¿¹¸ÉÈÅÄÜÁ¦Ç¿£¬ÍƼöÑ¡Óô˽ÓÏß·½Ê½¡£Í¼3½ÓÏß·½Ê½ÓëÆÕͨÊä³ö½ÓÏß·½Ê½Ïàͬ£¬ÊÊÓÃÓÚ¶Ô¾«¶ÈÒªÇ󲻸ߵij¡ºÏ¡£

ͼ1 LM3108Ä£¿é¶Ë×Ó¶¨ÒåÓë½ÓÏßͼ
ͼ2 LM3108¸ßËÙÊä³öÓëµç»ú½ÓÏßʾÀý1£¨Q1.1½Ó·¨Ïàͬ£©
ͼ3 LM3108¸ßËÙÊä³öÓëµç»ú½ÓÏßʾÀý2£¨Q1.1½Ó·¨Ïàͬ£© ˵Ã÷£º
1¡¢Ä£¿éµÄ¶Ë×Ó±ê¼Ç¹æÔòͳһΪ´ÓÉÏÍùÏ¡¢´Ó×óÍùÓÒµÝÔö£» 2¡¢Í¼1ÖÐÊäÈëͨµÀ(DI)µÄ1M¡¢2M¡¢3M¶Ë×ÓΪÍâ½ÓDIµÄ¹«¹²¶Ë£¬Óû§¿ÉÒÔÑ¡Ôñ½«M¶Ë½Óµ½24VDC´«
¸ÐÆ÷µçÔ´µÄÕý¶Ë»òÕßÊǸº¶Ë£¬ÒÔÊÊÓ¦Ô´ÐÍ/©Ð͵ÄDI£» 3¡¢Í¼1ÖÐÊä³öͨµÀ(DO)µÄ1L+ºÍ1L-·Ö±ð½ÓÍâ½Ó¸ºÔØÊ±¸ºÔصÄ24VDCÇý¶¯µçÔ´Õý¸º¶Ë£¬Í¬Ñù2L+ºÍ
2L-·Ö±ð½ÓÁíһ·(»òͬһ·)24VDCµÄÕý¸º¶Ë£» 4¡¢ÉÏÅŶË×ÓÓÒ²àµÄVI+ºÍVI-·Ö±ð½Ó¸øÄ£¿é¹©µçµÄ24VDCµÄÕý¸º¶Ë, ±íʾ±£»¤µØ£» 5¡¢ÏÂÅŶË×ÓÓÒ²àµÄVO+¡¢VO-·Ö±ðΪCPUÄ£¿éÍ⹩24VDCµçÔ´µÄÕý¸º½ÓÏß¶Ë×Ó£» 6¡¢¡°*¡±±íʾ´ËͨµÀ²»½ÓÏß»òÎÞʵ¼ÊÎïÀíÁ¬½Ó¡£
|
ÉÏÅŶË×Ó |
¶Ë×Ó˵Ã÷ |
ÏÂÅŶË×Ó |
¶Ë×Ó˵Ã÷ |
|
1L- |
¸ºÔØÇý¶¯µçÔ´GND |
1M |
Íâ½ÓÊäÈ빫¹²¶Ë |
|
1L+ |
¸ºÔØÇý¶¯µçÔ´+24VDC |
I0.0 |
ÆÕͨÊäÈë/¸ßËÙ¼ÆÊýÊäÈë¶Ë |
|
Q0.0 |
ÆÕͨÊä³ö¶Ë |
I0.1 |
ÆÕͨÊäÈë/¸ßËÙ¼ÆÊýÊäÈë¿ØÖÆ¶Ë |
|
Q0.1 |
ÆÕͨÊä³ö¶Ë |
I0.2 |
ÆÕͨÊäÈë/¸ßËÙ¼ÆÊýÊäÈë¶Ë |
|
Q0.2 |
ÆÕͨÊä³ö¶Ë |
I0.3 |
ÆÕͨÊäÈë/¸ßËÙ¼ÆÊýÊäÈë¿ØÖÆ¶Ë |
|
Q0.3 |
ÆÕͨÊä³ö»ò¸ßËÙÂö³åÊä³ö¶Ë |
I0.4 |
ÆÕͨÊäÈë¶Ë |
|
Q0.4 |
ÆÕͨÊä³ö¶Ë |
I0.5 |
ÆÕͨÊäÈë¶Ë |
|
Q0.5 |
ÆÕͨÊä³ö¶Ë |
I0.6 |
ÆÕͨÊäÈë/¸ßËÙ¼ÆÊýÊäÈë¶Ë
/ÍⲿÖжÏÊäÈë¶Ë/Âö³å²¶×½ÊäÈë¶Ë |
|
Q0.6 |
ÆÕͨÊä³ö¶Ë |
I0.7 |
ÆÕͨÊäÈë/ÍⲿÖжÏÊäÈë¶Ë /Âö³å²¶×½ÊäÈë¶Ë |
|
Q0.7 |
ÆÕͨÊä³ö¶Ë |
2M |
Íâ½ÓÊäÈ빫¹²¶Ë |
|
* |
(²»½ÓÏß) |
I1.0 |
ÆÕͨÊäÈë/ÍⲿÖжÏÊäÈë¶Ë /Âö³å²¶×½ÊäÈë¶Ë |
|
2L- |
¸ºÔØÇý¶¯µçÔ´GND |
I1.1 |
ÆÕͨÊäÈë¶Ë |
|
2L+ |
¸ºÔØÇý¶¯µçÔ´+24VDC |
I1.2 |
ÆÕͨÊäÈë¶Ë |
|
Q1.0 |
ÆÕͨÊä³ö¶Ë |
I1.3 |
ÆÕͨÊäÈë¶Ë |
|
Q1.1 |
ÆÕͨÊä³ö»ò¸ßËÙÂö³åÊä³ö¶Ë |
I1.4 |
ÆÕͨÊäÈë¶Ë |
|
Q1.2 |
ÆÕͨÊä³ö¶Ë |
I1.5 |
ÆÕͨÊäÈë¶Ë |
|
Q1.3 |
ÆÕͨÊä³ö¶Ë |
I1.6 |
ÆÕͨÊäÈë¶Ë |
|
Q1.4 |
ÆÕͨÊä³ö¶Ë |
I1.7 |
ÆÕͨÊäÈë¶Ë |
|
Q1.5 |
ÆÕͨÊä³ö¶Ë |
3M |
Íâ½ÓÊäÈ빫¹²¶Ë |
|
Q1.6 |
ÆÕͨÊä³ö¶Ë |
I2.0 |
ÆÕͨÊäÈë¶Ë |
|
Q1.7 |
ÆÕͨÊä³ö¶Ë |
I2.1 |
ÆÕͨÊäÈë¶Ë |
|
* |
(²»½ÓÏß) |
I2.2 |
ÆÕͨÊäÈë¶Ë |
|

|
±£»¤µØ |
I2.3 |
ÆÕͨÊäÈë¶Ë |
|
VI- |
24VDCµçÔ´¸º¶Ë |
I2.4 |
ÆÕͨÊäÈë¶Ë |
|
VI+ |
24VDCµçÔ´Õý¶Ë |
I2.5 |
ÆÕͨÊäÈë¶Ë |
|
|
|
I2.6 |
ÆÕͨÊäÈë¶Ë |
|
|
|
I2.7 |
ÆÕͨÊäÈë¶Ë |
|
|
|
VO- |
Í⹩24VDC¸º¶Ë |
|
|
|
VO+ |
Í⹩24VDCÕý¶Ë |
¡¤µÈЧµç·

ͼ4 LM3108ÊäÈëͨµÀµÈЧµç·ͼ

ͼ5 LM3108Êä³öͨµÀµÈЧµç·ͼ
¡¤³ß´çͼ

|