PHϵÁеçλ¼ÆÐźŸôÀë·ÖÅäÆ÷
¹æ¸ñÐͺż°´úÂë

Ö÷Òª¼¼Êõ²ÎÊý
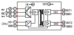
Êä³ö×迹£ºµçѹÐÍ¡Ý10K¦¸¡¡¡¡µçÁ÷ÐÍ£º¡Ü550¦¸
¾«¡¡¡¡¶È£º¡À0.2%F.S
ζÈϵÊý£º£¼50PPM/¡æ
»·¾³Î¶ȣº£10¡æ££«60¡æ
¾øÔµµç×裺µçÔ´¡¢ÊäÈë¡¢Êä³ö1¡¢Êä³ö2Ö®¼ä100M¦¸£¨500VDC£©
¾øÔµÇ¿¶È£ºµçÔ´¡¢ÊäÈë¡¢Êä³ö1¡¢Êä³ö2Ö®¼ä1500VAC/·ÖÖÓ
µç Ô´£º24VDC¡À10%
ÏûºÄ¹¦ÂÊ£º£¼2W
ÔÀíʾÒâͼ

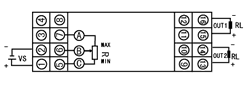
¶Ë×Ó±àºÅ¼°½ÓÏßͼ