PH£12ÎÞÔ´½»Á÷ÐźŸôÀëÆ÷£¨CÀࣩ
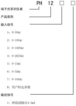
¹æ¸ñÐͺż°´úÂë

Ö÷Òª¼¼Êõ²ÎÊý
ÊäÈë×迹£ºµçѹÐÍ:¡Ý100K¦¸ µçÁ÷ÐÍ£º¡Ü2¦¸
Êä³ö¸ºÔصç×裺0-500¦¸
¾«¡¡¡¡¶È£º¡À0.2%F.S
ζÈϵÊý£º£¼50PPM/¡æ
»·¾³Î¶ȣº£10¡æ££«60¡æ
¾øÔµµç×裺ÊäÈë¡¢Êä³öÖ®¼ä100M¦¸£¨500VDC£©
¾øÔµÇ¿¶È£ºÊäÈë¡¢Êä³öÖ®¼ä1500VAC/·ÖÖÓ
Á½ÏßÖÆµçÔ´£º24VDC (½Ó¿ÚÄÚ²¿µçÔ´£©
ÔÀíʾÒâͼ

¶Ë×Ó±àºÅ¼°½ÓÏßͼ

¶©»õ×¢Ã÷
±êÃ÷ÊäÈë¡¢Êä³öÐźŵĴúÂë
Àý£ºÊäÈë0-1AAC¡¡Êä³ö4-20mA
¡¡ÎÞÔ´ÐźŸôÀëÆ÷ÐͺÅPH1251