±±¾©Æ½ºÍ PH-13ÎÞÔ´Åäµç¸ôÀëÆ÷£¨BÀà¾ßÓÐÅäµçµçѹ£º14V-24V£¬Êä³ö¸ºÔصç×裺0-500¦¸µÈÌØµã
ºÅ¼°´úÂë

Ö÷Òª¼¼Êõ²ÎÊý
Åäµçµçѹ£º14V-24V
Êä³ö¸ºÔصç×裺0-500¦¸
¾«¡¡¡¡¶È£º¡À0.5%F.S
ζÈϵÊý£º£¼50PPM/¡æ
»·¾³Î¶ȣº£10¡æ££«60¡æ
¾øÔµµç×裺ÊäÈë¡¢Êä³öÖ®¼ä100M¦¸£¨500VDC£©
¾øÔµÇ¿¶È£ºÊäÈë¡¢Êä³öÖ®¼ä1500VAC/·ÖÖÓ
Á½ÏßÖÆµçÔ´£º24VDC (½Ó¿ÚÄÚ²¿µçÔ´£©
ÔÀíʾÒâͼ

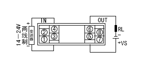
¶Ë×Ó±àºÅ¼°½ÓÏßͼ

¶©»õ×¢Ã÷
±êÃ÷ÊäÈë¡¢Êä³öÐźŵĴúÂë
Àý£ºÊäÈë4-20mA¡¡Êä³ö4-20mA
¡¡ ÎÞÔ´Åäµç¸ôÀëÆ÷ÐͺÅPH1311