http://kadhoai.com.cn 2026-04-26 08:59:00
一、水泥行業自動化簡介:
建jian材cai行xing業ye是shi一yi個ge重zhong要yao的de基ji礎chu產chan業ye,它ta與yu人ren類lei的de生sheng活huo息xi息xi相xiang關guan。在zai建jian材cai行xing業ye中zhong水shui泥ni是shi一yi個ge主zhu要yao的de組zu成cheng部bu分fen。中zhong國guo對dui基ji礎chu建jian設she的de大da力li投tou資zi對dui高gao標biao準zhun的de水shui泥ni提ti供gong了le持chi續xu的de需xu求qiu。
經過長期的發展,我國水泥產量已多年居世界首位,年產量超過6yidun。danwoguobingfeiyigeshuiniqiangguo,gaobiaozhundeshuiniyirangongbuyingqiu,nenghaozhibiaoxiangduijiaogao。youyuluohoudeshengchangongyi,shuinizhizaoduihuanjingyedailailebulideyingxiang。weici,guojiayouguanzhuguanbumentichuleyongxianjinjishudexinxingganfashuinishengchanlaitaotailuohoudeliyaoshengchan,tichulekongzhizongliang、調整結構、淘汰落後的方針.

現(xian)代(dai)水(shui)泥(ni)生(sheng)產(chan)工(gong)藝(yi)設(she)備(bei)的(de)單(dan)機(ji)容(rong)量(liang)大(da),生(sheng)產(chan)連(lian)續(xu)性(xing)強(qiang),而(er)且(qie)生(sheng)產(chan)過(guo)程(cheng)要(yao)求(qiu)較(jiao)高(gao)的(de)快(kuai)速(su)性(xing)和(he)協(xie)調(tiao)性(xing)。為(wei)了(le)提(ti)高(gao)企(qi)業(ye)競(jing)爭(zheng)力(li),自(zi)動(dong)控(kong)製(zhi)的(de)實(shi)施(shi)至(zhi)關(guan)重(zhong)要(yao)。自(zi)動(dong)控(kong)製(zhi)能(neng)保(bao)證(zheng)生(sheng)產(chan)穩(wen)定(ding)、提高質量、降低能耗、降低勞動強度以及減少環境汙染。同時,先進的生產控製管理,也要求有可靠的自動控製係統和完善的控製技術水平做為前題和保證。
水泥的生產過程通常可分為三個階段:石灰石、粘土質原料與少量校正原料經破碎後,按一定比例配合、磨細並調配為成分合適、質量均勻的生料,稱為生料的製備;生料在水泥窯內煆燒至部分熔融,所得以矽酸鈣為主的熟料,稱為熟料煆燒;熟料加適量石膏、混合材料共同磨細成粉狀的水泥,並包裝或散裝出廠,稱為水泥製成及出廠.
水(shui)泥(ni)生(sheng)產(chan)自(zi)動(dong)化(hua)已(yi)成(cheng)為(wei)水(shui)泥(ni)生(sheng)產(chan)技(ji)術(shu)發(fa)展(zhan)所(suo)不(bu)可(ke)缺(que)少(shao)的(de)環(huan)節(jie)。水(shui)泥(ni)生(sheng)產(chan)及(ji)工(gong)藝(yi)自(zi)動(dong)化(hua)水(shui)平(ping)的(de)提(ti)高(gao),將(jiang)使(shi)生(sheng)產(chan)過(guo)程(cheng)穩(wen)定(ding)在(zai)一(yi)個(ge)更(geng)合(he)理(li)的(de)的(de)工(gong)藝(yi)參(can)數(shu)和(he)工(gong)藝(yi)條(tiao)件(jian)下(xia),以(yi)取(qu)得(de)最(zui)佳(jia)的(de)經(jing)濟(ji)效(xiao)益(yi)。
水泥生產的自動化係統具有很強的分布性,一個典型的水泥生產線控製係統由如下幾個部分組成:
■原料粉磨控製站:完成從石灰石進廠、石灰石預均化、原料調配、原料粉磨及
生料入庫輸送所有設備的控製。
■煤粉製備控製站:完成從輔助原料進廠、輔助原料堆場、煤粉製備、煤破碎及
輸送和生產循環水泵站的控製。
■窯尾控製站:完成燒成窯中、燒成窯尾、生料入窯係統、空壓機站、廢氣處理。
■燒成窯頭控製站:完成燒成窯頭、熟料庫及水泥輸送等。
■水泥磨控製站:完成水泥粉磨、水泥調配站、水泥庫、石膏破碎及輸送、水泥包裝及散裝、水泥磨空壓機的控製。
最早的水泥生產自動化從馬達開停邏輯控製和儀表控製開始,隨後發展為分布式的網絡控製係統。現代的水泥自動化一般采用EIC綜合化的解決方案,所謂EIC綜合化,即E(Electrical)電控、I(Instrumentation)儀控與C(Computer)計算機的綜合化。現階段,順序控製和回路控製在控製器級別實現了集成。EIC綜合化的進一步目標是要與計算機控製和管理係統相結合,最終達到在係統體係上亦即在硬件和係統軟件上實現真正的集成化。
[page_break]
二、水泥行業采用變頻控製係統的必要性:
回轉機械、風機、水泵、攪拌機械、破(po)碎(sui)機(ji)械(xie)等(deng)設(she)備(bei)在(zai)水(shui)泥(ni)行(xing)業(ye)應(ying)用(yong)十(shi)分(fen)普(pu)遍(bian)。這(zhe)些(xie)設(she)備(bei)的(de)容(rong)量(liang)一(yi)般(ban)較(jiao)大(da),且(qie)大(da)多(duo)數(shu)是(shi)常(chang)年(nian)連(lian)續(xu)運(yun)行(xing),故(gu)進(jin)行(xing)節(jie)能(neng)和(he)自(zi)動(dong)化(hua)改(gai)造(zao)的(de)潛(qian)力(li)非(fei)常(chang)大(da)。
由(you)於(yu)這(zhe)些(xie)設(she)備(bei)不(bu)能(neng)排(pai)除(chu)在(zai)滿(man)負(fu)荷(he)狀(zhuang)態(tai)下(xia)長(chang)時(shi)間(jian)運(yun)行(xing)的(de)可(ke)能(neng)性(xing),所(suo)以(yi)在(zai)設(she)計(ji)係(xi)統(tong)時(shi)隻(zhi)能(neng)按(an)最(zui)大(da)工(gong)作(zuo)需(xu)求(qiu)決(jue)定(ding)電(dian)機(ji)的(de)容(rong)量(liang),故(gu)設(she)計(ji)裕(yu)量(liang)一(yi)般(ban)偏(pian)大(da)。在(zai)實(shi)際(ji)運(yun)行(xing)過(guo)程(cheng)中(zhong)輕(qing)載(zai)運(yun)行(xing)的(de)時(shi)間(jian)所(suo)占(zhan)的(de)比(bi)例(li)是(shi)非(fei)常(chang)高(gao)的(de),如(ru)無(wu)調(tiao)速(su)裝(zhuang)置(zhi)對(dui)其(qi)轉(zhuan)速(su)進(jin)行(xing)控(kong)製(zhi),電(dian)機(ji)的(de)軸(zhou)功(gong)率(lv)不(bu)能(neng)變(bian)化(hua)而(er)導(dao)致(zhi)的(de)能(neng)源(yuan)浪(lang)費(fei)是(shi)非(fei)常(chang)嚴(yan)重(zhong)的(de)。
根據流體力學原理我們可以知道:風機水泵等設備的流量Q與電機的轉速n成正比,壓力H與電機轉速n的平方成正比,電機的軸功率Ps與轉速n的立方成正比。用公式表達為:Q ∝ n;H ∝ n2;Ps ∝ n3。所以當電機的轉速降低時軸功率呈同比立方關係下降,由此可見節能效果非常明顯。
大功率水泥生產設備如無變頻器拖動,在啟動時的電流對電網的衝擊非常大;在工作時隻能進行簡單的電氣保護,不能完全保證係統安全穩定運行,增加了設備維護工作量;能源消耗非常嚴重;嚴重影響生產工藝的改進;shebeigongzuozaoyinjiaoda,duixianchanggongzuorenyuanyingxiangjiaoda。jianyuyishangyuanyin,duiyuanyoushebeijinxingbianpintiaosugaizaodexuqiuyuelaiyueduo。suizhejiaoliudianlidianzijishudebuduanfazhanhepuji,bianpintiaosuqijikongzhixitongyiqiwukebinideyouyuexingzhengyuelaiyueduodiyingyongzaigezhongxingshideshuinishebeituodongxitongshangbingqudelefeichanghaodexiaoguo。
三、變頻器的工作原理:
交流電動機的轉速n用公式表示為:
n=60f(1-s)/p
式中:n為每分鍾電機轉速 f為電機接受頻率
p為電機磁極對數; s為電機轉差率
由公式可見:隻要改變電機的供電頻率即可達到調整電機轉速的目的,這比改變電機的磁極對數和轉差率更簡便可行而且有效的多。
交—直—交型變頻器的工作原理為:將jiang輸shu入ru的de單dan相xiang或huo三san相xiang交jiao流liu電dian通tong過guo整zheng流liu單dan元yuan變bian成cheng直zhi流liu電dian,直zhi流liu電dian進jin行xing濾lv波bo後hou通tong過guo逆ni變bian單dan元yuan逆ni變bian為wei輸shu出chu電dian壓ya和he頻pin率lv可ke調tiao的de交jiao流liu電dian。隨sui著zhe電dian子zi元yuan器qi件jian、電力功率器件、計(ji)算(suan)機(ji)微(wei)電(dian)子(zi)技(ji)術(shu)和(he)計(ji)算(suan)機(ji)軟(ruan)件(jian)技(ji)術(shu)的(de)不(bu)斷(duan)完(wan)善(shan)和(he)發(fa)展(zhan),無(wu)速(su)度(du)傳(chuan)感(gan)器(qi)矢(shi)量(liang)控(kong)製(zhi)方(fang)式(shi)正(zheng)成(cheng)為(wei)先(xian)進(jin)變(bian)頻(pin)器(qi)控(kong)製(zhi)領(ling)域(yu)的(de)主(zhu)導(dao)方(fang)式(shi)。它(ta)可(ke)分(fen)別(bie)對(dui)電(dian)機(ji)的(de)磁(ci)通(tong)和(he)轉(zhuan)矩(ju)電(dian)流(liu)進(jin)行(xing)檢(jian)測(ce)和(he)控(kong)製(zhi),並(bing)實(shi)時(shi)自(zi)動(dong)改(gai)變(bian)變(bian)頻(pin)器(qi)輸(shu)出(chu)電(dian)壓(ya)和(he)頻(pin)率(lv)從(cong)而(er)達(da)到(dao)精(jing)確(que)的(de)矢(shi)量(liang)控(kong)製(zhi)效(xiao)果(guo)。這(zhe)種(zhong)控(kong)製(zhi)方(fang)式(shi)具(ju)有(you)以(yi)下(xia)優(you)點(dian):轉矩/信號響應速度快、調速範圍寬、調速精度高、低速狀態下啟動力矩大、電動機工作噪音小、節能效果更加理想、保護功能強等。
[page_break]
五、自動控製係統功能簡介:
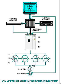
A、風機變頻控製係統:
風機變頻控製係統采用就地變頻運行和遠程控製(可手操,也可接收控製係統的通訊和控製指令)的方式對風機進行調速及控製。變頻器一般安裝在控製櫃內,係統原有的自耦降壓啟動裝置仍然保留。 xitongzaibianpinqishuchucejiazhuangshuangxiangzhuanhuandaozhahuodianqipanglu,rubianpinqixuyaoweihujiancehuochuxianguzhangshikerengonghuozidongjiangfengjiqiehuanzhiyuanzioujiangyaqidongzhuangzhigongpinyunxing,zheyangkechongfenbaozhengxitongkekaobujianduanyunxing。
下圖為風機變頻控製係統原理示意圖:

B、 變頻恒壓供水控製係統:
變頻恒壓供水控製係統以出口總管網水壓、流量或溫度差為控製目標,以供水時間、季節、生產狀態為參考值,合理組合開泵台數,減少開停泵次數,達到穩定水壓、節電供水之目的。
1、 通過調節開、停泵組數量和變頻控製水泵的轉速達到調節管網水壓/流量目的,穩定供水壓力/流量。
2、 調節精度:-0.01Mpa~+0.01Mpa。
3、 以24小時為周期,根據水泥生產用水量的不同和用戶的需要分段設定供水壓力/流量,控製係統內的PLC依據設定值自動運行。
4、 水泵機組均為軟啟動工作方式。軟啟動方式減少了單泵啟動電流、衝擊和水泵機械磨損,延長設備的使用壽命。
5、 以“先入先出”為準則,對水泵進行優化組合,循環投切。通過對變頻機組負荷的實時計算,確定各泵的開、停時間,使各泵在高效區段工作並磨損均勻。
6、 通過PLC精確控製,使泵組的變頻和工頻運行實現無擾動切換,並保證各泵的磨損均勻。
7、 通過對供水量的計算,限製水泵組在臨界狀態的頻繁起停。
8、 每台泵組後備手動軟起控製功能,確保故障的情況下不間斷供水。
9、 水壓異常報警,水池水位過低自動停機,用水量極小時自動停機。
10、PLC可與上位監控站(工業控製計算機、觸摸屏人機界麵等)和下級執行機構(變頻器、電動調節閥等)進行通訊。
11、設定自動運行、遠程運行、手動運行組合控製方式,其中手動運行為最高優先權。
12、監測所有設備的相關參數:電機電壓/電流/溫度、運行時間、運行狀態、出口水壓、出口流量、循環水溫度差等。
下圖為變頻恒壓供水控製係統原理示意圖:

C、 DCS控製係統:
隨著計算機技術的高速發展、成本的大幅降低以及可靠性的不斷提高,使計算機及相關技術在水泥生產控製領域獲得了極為廣泛的應用,分散控製係統—DCS( Distributed Control System )亦隨之誕生。 DCS係統集計算機技術、測量控製技術、網絡通訊技術和CRT/TFT圖象顯示技術為一體,在結構上將管理監控、實時控製、shujucaijidenggongnengfensandaobutongdejisuanjizhong,meitaijisuanjijuncaiyonggaoxingnengdezhuanyegongyekongzhijisuanji,biyaoshicaiyongrongyurebeijishu,congerbaozhenglexitongdekekaoxing。liyongjisuanjizutaihetuxinghuajishukeyifangbiandishixianzhenggexitonggongnengdemokuaihuazutai,yishiyingbutonggongyeguochengdekongzhiyaoqiuhesuanfa,bianyushixianxitongdetiaoshihetouyun。DCS係統又可以記載過程數據並通過網絡將數據自動傳輸到生產管理計算機係統實現計算機集成化的管理和控製。
[page_break]
現代水泥廠是大約有數千個開關量、數百個模擬量測點和數十個PID 調(tiao)節(jie)回(hui)路(lu)的(de)控(kong)製(zhi)對(dui)象(xiang),也(ye)就(jiu)是(shi)說(shuo)是(shi)需(xu)要(yao)一(yi)個(ge)以(yi)開(kai)關(guan)量(liang)為(wei)主(zhu),模(mo)擬(ni)量(liang)為(wei)輔(fu)並(bing)伴(ban)有(you)少(shao)量(liang)調(tiao)節(jie)回(hui)路(lu)的(de)控(kong)製(zhi)係(xi)統(tong)。由(you)於(yu)水(shui)泥(ni)生(sheng)產(chan)的(de)連(lian)續(xu)性(xing)高(gao),現(xian)代(dai)水(shui)泥(ni)生(sheng)產(chan)企(qi)業(ye)要(yao)求(qiu)設(she)備(bei)運(yun)轉(zhuan)率(lv)達(da)到(dao)90%以上,這樣就對自動化設備的可靠性提出了很高的要求。在DCS硬件設計和電源設計上應充分考慮係統的抗幹擾性,同時也應考慮水泥生產現場高粉塵的環境,以保證係統在水泥生產現場可靠運行。
隨著計算機網絡技術的廣泛應用,管理信息係統—MIS也逐步在水泥廠中推廣應用。生產控製DCS子係統也被納入MIS 網絡的一個部分,相互間進行通訊及信息交換。
水泥自動控製係統在硬件配置和軟件編程應具備以下的功能和特點:
■中zhong控kong室shi與yu操cao作zuo站zhan之zhi間jian互hu為wei備bei用yong,任ren何he一yi台tai或huo幾ji台tai的de硬ying件jian故gu障zhang都dou不bu會hui影ying響xiang整zheng個ge係xi統tong的de正zheng常chang生sheng產chan。工gong程cheng師shi在zai任ren何he操cao作zuo站zhan上shang隻zhi要yao輸shu入ru自zi己ji的de姓xing名ming和he密mi碼ma,就jiu可ke以yi進jin入ru操cao作zuo係xi統tong,生sheng產chan車che間jian隻zhi可ke在zai係xi統tong授shou權quan範fan圍wei內nei進jin行xing控kong製zhi和he操cao作zuo。
■主幹通訊網采用光纜作為介質,增強係統的抗幹擾能力,避免高壓設備、變(bian)頻(pin)控(kong)製(zhi)設(she)備(bei)及(ji)通(tong)訊(xun)設(she)備(bei)等(deng)可(ke)能(neng)造(zao)成(cheng)的(de)信(xin)號(hao)幹(gan)擾(rao)。網(wang)絡(luo)係(xi)統(tong)采(cai)用(yong)環(huan)行(xing)結(jie)構(gou),具(ju)有(you)冗(rong)餘(yu)功(gong)能(neng),當(dang)環(huan)路(lu)一(yi)個(ge)節(jie)點(dian)斷(duan)開(kai)時(shi),係(xi)統(tong)能(neng)自(zi)檢(jian)故(gu)障(zhang)並(bing)正(zheng)常(chang)運(yun)行(xing)。整(zheng)個(ge)網(wang)絡(luo)係(xi)統(tong)應(ying)做(zuo)到(dao)結(jie)構(gou)簡(jian)單(dan)、可靠、硬件維護方便。
■上位機操作畫麵集監視、報警、操作、報表等功能於一體。采用三維彩色畫麵,形象逼真、顯示直觀、操cao作zuo方fang便bian。操cao作zuo可ke用yong鼠shu標biao操cao作zuo相xiang關guan生sheng產chan設she備bei,配pei合he鍵jian盤pan修xiu改gai工gong藝yi參can數shu值zhi。當dang工gong況kuang發fa生sheng異yi常chang情qing況kuang,係xi統tong會hui發fa出chu聲sheng光guang報bao警jing,上shang位wei機ji可ke以yi通tong過guo曆li史shi數shu據ju的de記ji錄lu分fen析xi故gu障zhang原yuan因yin,尋xun找zhao最zui佳jia的de解jie決jue方fang案an。
■由於水泥廠用電設備功率大、類型雜,為了係統的可靠性和維護方便,全廠所有信號在進入現場處理單元或上位機之前應轉換為統一信號,模擬量一般采用直流4-20 mA,所有數字量均為交流220V,保證整個控製係統的I/O模板僅為四種。
■shebeicaiyongzuqitingfangshi。youyushuinichanggezhongshebeiqingkuangbuyiqiegonglvjiaoda,xitongyinggenjugongyiyaoqiubaozhengkaiguanshunxuzhengque,yingzuidaxiandusuoduanqitingshebeideshijian。
■為了便於工廠管理,控製係統應能編製班報/日報/月報/季報/年報等多種報表。操作和管理人員可查詢原料、燃料消耗量、半成品、成品的產量、設備的運行時間等,這樣可對設備管理和人員考核提供一定的參考依據。對於報警曆史、事件記錄及曆史數據,除了可以通過顯示器在線查詢外,還必須可以拷貝留存。
DCS係統一般由控製站、操作員站、工程師站、通訊/控製網、過程控製單元和控製軟件組成。
下圖為水泥廠DCS控製係統及MIS管理係統原理示意拓撲圖:

六、係統可靠性分析:
水泥設備變頻控製係統的可靠性取決於係統內所有執行機構、強弱電回路控製器件、顯示及控製儀器儀表、控製軟件的性能、電線電纜的質量和相互匹配性能。本公司采用的所有電氣元器件、組態軟件、智能儀表和執行機構均為國內外知名品牌,產品製造體係均已通過了國際和國內 ISO9001認證,其可靠性得到市場的廣泛認可。通過大量的水泥行業業績分析,本公司所選用的產品和係統使用壽命一般在10年以上。
由於變頻控製係統的自動化程度較高,變頻器又是精密電力電子產品,其對工作環境的要求較為嚴格。係統對外部環境的大致要求如下:環境溫度:-10℃~50℃;濕度:25%~90RH(無凝結);振動:5.9m/s2(0.6G) 10~55Hz;無刺激腐蝕性氣體;無灰塵;無靜電;海拔高度低於1000米(注:如使用現場海拔高度高於1000米,海拔高度每高1000米應將變頻器的功率放大一個等級)等。