|
由於變頻調速係統結構簡單,運行可靠,節電效果顯著,在造紙行業已逐步得到推廣應用,大有替代直流調速、電磁調速、變極調速、滑hua差cha調tiao速su等deng係xi統tong的de趨qu勢shi。交jiao流liu變bian頻pin調tiao速su係xi統tong在zai造zao紙zhi行xing業ye的de應ying用yong,有you單dan機ji配pei直zhi使shi用yong,如ru紙zhi機ji上shang料liao漿jiang泵beng,配pei合he濃nong度du調tiao節jie係xi統tong及ji流liu量liang計ji能neng夠gou比bi較jiao準zhun確que地di實shi現xian定ding量liang控kong製zhi。
在(zai)能(neng)源(yuan)緊(jin)張(zhang)的(de)今(jin)天(tian),全(quan)國(guo)大(da)部(bu)分(fen)省(sheng)份(fen)開(kai)始(shi)限(xian)電(dian),特(te)別(bie)是(shi)華(hua)東(dong)地(di)區(qu)缺(que)電(dian)現(xian)象(xiang)尤(you)其(qi)嚴(yan)重(zhong),造(zao)紙(zhi)行(xing)業(ye)行(xing)業(ye)做(zuo)為(wei)耗(hao)電(dian)大(da)戶(hu),節(jie)能(neng)也(ye)顯(xian)的(de)尤(you)為(wei)突(tu)出(chu),因(yin)此(ci)在(zai)當(dang)前(qian)電(dian)機(ji)變(bian)頻(pin)調(tiao)速(su)技(ji)術(shu)飛(fei)速(su)的(de)發(fa)展(zhan)提(ti)供(gong)了(le)這(zhe)種(zhong)可(ke)能(neng)性(xing),但(dan)對(dui)於(yu)低(di)檔(dang)的(de)紙(zhi)來(lai)說(shuo),為(wei)了(le)節(jie)省(sheng)成(cheng)本(ben),不(bu)用(yong)國(guo)外(wai)昂(ang)貴(gui)的(de)進(jin)口(kou)設(she)備(bei),也(ye)無(wu)須(xu)采(cai)用(yong)上(shang)位(wei)機(ji)與(yu)其(qi)他(ta)任(ren)何(he)控(kong)製(zhi)器(qi),普(pu)傳(chuan)變(bian)頻(pin)器(qi)獨(du)特(te)的(de)兩(liang)路(lu)模(mo)擬(ni)量(liang)同(tong)步(bu)控(kong)製(zhi)方(fang)案(an)可(ke)以(yi)滿(man)足(zu)造(zao)紙(zhi)行(xing)業(ye)的(de)要(yao)求(qiu)。
湖北荊州某紙業集團下設塗布白板紙廠、牛皮箱板紙廠、單麵白板紙廠、文化紙廠、再生牛皮紙廠、油氈原紙廠、彩印包裝廠等10多家分廠,年產紙品6萬噸,年產值近3億元。 駿馬紙業公司由拍馬村與湖北煙草公司、武煙集團和香港嶺集團共同投資2.35億元,從2001的開始籌建,2003年10月底正式投產,年產高檔塗布白卡紙設計為8萬噸,年產值可達7億元。

造紙機變頻傳動係統的構成: 造紙機結構上大致有流漿箱、網部、壓榨部、幹燥部、壓光、卷曲幾部分組成。傳動係統是由多分部傳動點組成的速度鏈式協調係統。
要求控製係統: 1、各分部傳動點之間應保持一定的傳動比,使各傳動輥線速度保持一致。 2、連續平穩地拖動紙機運行。 3、具有平滑加減速,點動、爬行運行功能。
根據現場要求,采用RS485和變頻器通訊,控製主傳動點的起停、運行控製。同時把從變頻器獲取的運行參數及故障信息傳遞給上位機。上位機將獲取的信息進行處理、圖形顯示、監控,數據報表的生成等工作。
統調:各單元要能夠同時升速和降速。統調是主指令單元(通常是一單元)對轉速要求來進行調節。局部微調:當操作人員發現某單元速度不同步時,可以進行微調(人工幹預)。微調時,該單元以後各單元轉速必須同時升速或降速,而不必逐個進行。 單獨微調:檢(jian)修(xiu)和(he)調(tiao)試(shi)階(jie)段(duan),遇(yu)到(dao)特(te)殊(shu)情(qing)況(kuang),又(you)必(bi)須(xu)能(neng)夠(gou)對(dui)每(mei)個(ge)單(dan)元(yuan)進(jin)行(xing)單(dan)獨(du)微(wei)調(tiao)。該(gai)生(sheng)產(chan)線(xian)由(you)四(si)個(ge)單(dan)元(yuan)組(zu)成(cheng),各(ge)個(ge)單(dan)元(yuan)運(yun)行(xing)情(qing)況(kuang)可(ke)以(yi)由(you)各(ge)自(zi)線(xian)速(su)表(biao)直(zhi)觀(guan)顯(xian)示(shi)出(chu)來(lai)。

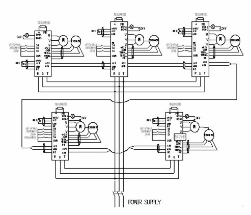
電氣接線圖,參數設置:
主機設置y12=128
從機設置F04=11
F05=4
y12=0~127
b15為比例聯動係數 (0.1~10)
o20=10HZ
此工況變頻器的日常保養和維護、注意事項等:
1、 定期清理
2、 現場蒸汽會造成濕度重,注意防潮
3、 正確接地防止幹擾
|