

活動狀態:正接受報名
產品型號:SST300
生產廠家:上海輝格科技發展有限公司
產品簡介:
SST300係列傾角傳感器不僅具有優秀的性能指標,同時從可靠性設計、嚴格的工藝設計、結構設計以及器件/材料選擇和熱處理、熱分析、有限元分析等方麵進行EDA和CAE仿真和處理,以最大程度上實現高可靠性和高穩定性。
參與要求:
1、必須是SST300傾角傳感器的親身使用者或相關的技術開發人員等;
2、必須在中華工控網注冊並如實填寫提交《體驗申請表》[報告提交:tiyan@gkong.com];
3、有充足的時間並能夠在規定的期限實際操作設備撰寫體驗報告或應用案例且為原創的文檔,同時客觀公正、圖文並茂,字數不少於1200字;
4、有實際應用項目的優先。



SST300係列傾角傳感器不僅體現在其優秀的性能指標上,同時從可靠性設計、嚴格的工藝設計、結構設計以及器件/材料選擇和熱處理、熱分析、有限元分析等方麵進行EDA和CAE仿真和處理,以最大程度上實現高可靠性和高穩定性。
SST300係列傾角傳感器在出廠時,采用自動測試技術。除進行精度測試外,還針對現場安裝使用,進行溫度漂移補償、非線性校正、橫軸誤差校正、正交誤差校正、輸入軸對準性補償、垂直軸對準性補償以及應用模擬的壽命測試等,以最大程度減少因現場安裝而造成的額外測量誤差,實現無憂的安裝與精確數據獲取。
該產品采用MEMS加速度計原理,並結合專有的振動抑製技術,可以根據現場條件,進行振動抑製能力的設置與調整。
SST300係列傾角傳感器采用模塊化結構設計,並結合輝格科技公司十多年的專業經驗,從安裝、調試、數據獲取、數據輸出等多方麵提供幾十種實用配件,滿足多種應用場合的實際需要。
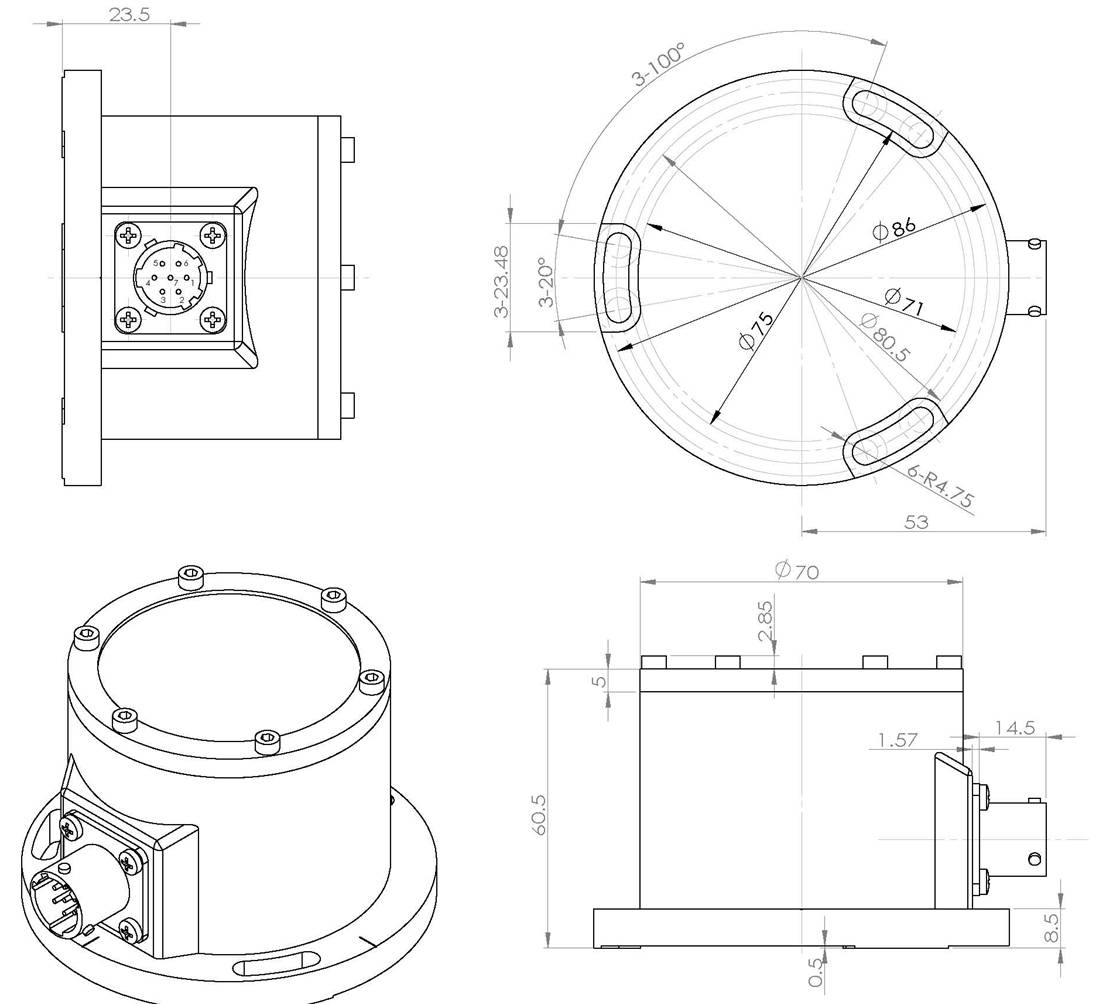
SST300傾角傳感器是用於檢測水平或相對於水平麵產生的傾斜角度最理想的傳感器。
|
|
| 量程 | ±5° | ±10° | ±15° | ±30° | ±45° | ±60° | |
| 綜合絕對精度①(25 ℃) | ±0.01° | ±0.015° | ±0.02° | ±0.04° | ±0.06° | ±0.08° | |
| 綜合絕對精度分項參數 | 絕對線性度(最小二乘法擬合) | ±0.06%FS | ±0.03%FS | ±0.03%FS | ±0.03%FS | ±0.02%FS | ±0.02%FS |
| 橫軸誤差② | ±0.1%FS | ||||||
| 零點偏置③ | ±0.005° | ±0.008° | |||||
| 重複性 | ±0.0025° | ||||||
| 遲滯性 | ±0.0025° | ||||||
| 允許輸入軸不重合度④ | ±4.0° | ±3.0° | ±2.5° | ±1.5° | ±1.2° | ±1.2° | |
| 靈敏度溫漂係數 | ≤100 ppm/ ℃ | ≤50 ppm/ ℃ | |||||
| 零點溫漂係數 | ≤0.003°/ ℃ | ||||||
| 零點上電重複性⑤ | ±0.008° | ||||||
| 分辨力 | 0.0025° | ||||||
| 長期穩定性⑥ | ≤0.02° | ||||||
| 測量軸數 | 單軸,雙軸 | ||||||
| 溫度傳感器 | 測量範圍:-50~125℃,精度:±1℃ | ||||||
| 輸出 | RS232(標準配置),可選配件25種(見配件表) | ||||||
| RS232輸出格式 | 波特率115200,8個數據位,1個起始位,1個停止位,無奇偶校驗 | ||||||
| 冷啟動預熱時間 | 60s | ||||||
| 響應時間⑦ | 0.3s(t90) | ||||||
| 輸出刷新率 | 5Hz(標準配置),可選10Hz或20Hz | ||||||
| 響應頻率⑧ | 3Hz @-3dB | ||||||
| 輸入電壓 | 9~36VDC | ||||||
| 功耗 | 平均工作電流≤50mA;平均功率≤1.5W (25℃&24VDC) | ||||||
| 工作溫度 | -40~85℃ | ||||||
| 儲存溫度 | -60~100℃ | ||||||
| 電磁兼容性 | 依照EN 61000和GBT17626 | ||||||
| 絕緣電阻 | 100MΩ | ||||||
| 平均無故障時間MTBF | ≥25000小時/次 | ||||||
| 抗衝擊 | 100g@11ms,三軸向(半正弦波) | ||||||
| 抗振動 | 8grms, 20~2000Hz | ||||||
| 防護等級 | IP65(可選IP67) | ||||||
| 連接器 | 軍用航空連接器(滿足MIL-C-26482) | ||||||
| 重量 | 420g(不含接插件和電纜線) | ||||||


例如:需要購買一台雙軸傾角傳感器,測量範圍±15°,常溫精度±0.02°,-20~60℃溫度下的精度±0.02°,輸出Zigbee無線傳輸,2m電纜配插頭,帶振動抑製功能,防爆外殼。應選擇的傳感器型號為:SST302-15-G11-F5 -B5-C1。
另外需要部分選件:

中華工控網打造的工控產品免費試用平台。致力為用戶提供最新、最(zui)符(fu)合(he)需(xu)求(qiu)的(de)產(chan)品(pin)線(xian)上(shang)線(xian)下(xia)免(mian)費(fei)試(shi)用(yong)服(fu)務(wu)。通(tong)過(guo)用(yong)戶(hu)分(fen)享(xiang)的(de)真(zhen)實(shi)體(ti)驗(yan),讓(rang)更(geng)多(duo)人(ren)深(shen)入(ru)了(le)解(jie)產(chan)品(pin)並(bing)為(wei)產(chan)品(pin)的(de)潛(qian)在(zai)購(gou)買(mai)者(zhe)提(ti)供(gong)最(zui)具(ju)價(jia)值(zhi)的(de)決(jue)策(ce)參(can)考(kao)。


粵ICP備11107638號-2 網安備案編號:4403303010105
版權所有 中華工控網 Copyright©2016 Gkong.com, All Rights Reserved