|
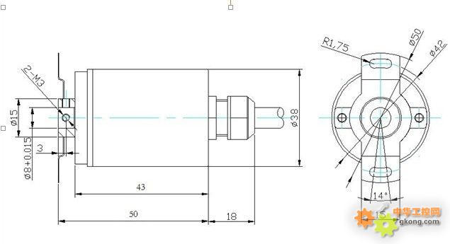
針對小型PLC用於輕載設備、自動化研發項目的需求,上海精浦近期推出了輕載型14位單圈絕對值編碼器GES38,該款絕對值編碼器具有高分辨率的16384分割度(2的14次方),快速高精度的RS485數字信號輸出(或4―20mA輸出兩種輸出)可選,全金屬密封輕載小巧38mm外徑的外殼,有軸6mm與軸套式8mm的連接法蘭,與同類別增量編碼器相當的價格,特別適合於小型設備、編碼器內置型的應用,例如開門機、電動執行器、回轉裝置、步進電機等等的應用,是替換增量值編碼器、接近開關、光電開關等最佳的選擇。

* 絕對值碼盤,內部無電池、不含計數裝置,非接觸測量碼盤,直接絕對位置一一對應讀取,無誤碼率、無累積誤差;
* 38mm外徑輕巧結構設計,可內置於各種設備;
* RS485角度位置14位數字信號輸出可選,高精度全數字化,可連接各類小型PLC的RS485接口;
* 4-20mA角度位置輸出,或1―5V信號可選,可連接各類小型PLC的模擬量接口;
* 8mm軸套型或6mm有軸型可選;
* 各種角度的絕對值位置測量,經濟而可靠的方案。
RS485輸出型電氣參數:
|
工作電壓: |
5Vdc±10% (注1) |
|
輸出信號: |
RS485透明協議,14位角度位置二進製,點對點主動發送模式,波特率19200(注2),(協議另附)。 |
|
刷新周期: |
8ms |
|
每圈分辨率 |
14位16384 |
|
機械轉速: |
3000rpm |
|
工作溫度: |
-40~80℃ 儲存溫度:-40~80℃ |
|
測量精度: |
優於±0.1%FS |
模擬電流輸出型電氣參數:
|
工作電壓: |
12-24Vdc |
|
輸出信號: |
4―20mA,或1―5V,線性分辨率4096 |
|
信號方向: |
360度正轉
CW |
360度反轉
CCW |
180度半程折返 |
|
機械轉速: |
3000rpm |
|
工作溫度: |
-40~80℃ |
|
測量精度: |
優於±0.2%FS |
外形尺寸:
(軸套型為例)

|