|
在有色金屬冶煉加工企業中,供電的質量指標、電dian網wang運yun行xing的de安an全quan可ke靠kao性xing和he經jing濟ji性xing是shi最zui根gen本ben的de問wen題ti。近jin年nian來lai,隨sui著zhe有you色se冶ye煉lian加jia工gong企qi業ye的de發fa展zhan,有you色se金jin屬shu冶ye煉lian加jia工gong設she備bei尤you其qi是shi軋zha製zhi設she備bei趨qu向xiang設she備bei大da型xing化hua、大容量、數字化、智能化,由電力電子器件構成的各種交交變頻、交-直-交變頻、ruanqidongyijixinxingdezhiliuchuandongtiaosudengchanpinzaiyousejinshuzhazhishebeixitongzhongpubianyingyong。zhexiejishuzaigeiyousejinshujiagongqiyedailaigezhongyichudetongshi,yeduiyousejinshujiagongqiyedegongdianzhiliangtichulegenggaodeyaoqiu,lingwai,zhexiejishuzaishiyongdetongshiyehuiduidianwangchanshengyingxiang。ciwai,yousejinshuzhazhishengchandeyixietedinggongkuang,liruzhajiyaopi、設備頻繁啟停變速等也會對供電係統帶來很大影響。因此,有色金屬冶煉加工係統的電能質量均必須治理。相比較傳統無源濾波器或SVC作為最先進動態無功補償裝置的代表,靜止無功發生器SVG有著巨大技術優勢和應用市場。由此針對靜止無功發生器SVG的技術進行一些探討,以讓更多的人了解這項產品及其特點。
1 控製原理說明及框圖
一般電力係統用戶負荷吸收有功功率 和無功功率。
圖1 簡單的負荷連接
電源提供有功功率PS和無功功率QS(可能為感性無功,也可能是容性無功),忽略變壓器和線路損耗,則有 , 。沒有足夠無功補償的電網存在以下幾個問題:電網從遠端傳送無功;負荷的無功衝擊影響本地電網和上級電網的供電質量;負荷的不平衡與諧波也會影響電網的電能質量。
因此,電力係統一般都要求對用電負荷進行必要的無功、不平衡與諧波補償,以提高電力係統的帶載能力,淨化電網,改善電網電能質量。

圖2 帶有SVG無功補償裝置的係統
假設負荷消耗感性無功(一般工業用戶都是如此)QL,此時控製SVG使其產生容性無功功率,並取QSVG=QL,這樣在負荷波動過程中,就可以保證:QS=QSVG-QL=0。
如果對電網等比較複雜的補償對象而言,當需要向電網提供感性無功時,可以通過對SVG的控製,使其產生感性無功功率,並取QSVG=QC,這樣在負荷波動過程中,仍然可以保證:QS=QSVG-QC=0。
此外,SVG在補償係統無功功率達同時,幾乎不產生諧波。更重要的是,SVG還可以對係統的諧波、不平衡等電能質量問題進行多功能綜合補償,實現有源濾波(APF)的功能。
1.3 SVG的基本原理
所謂SVG(Static Var Generator),就是專指由自換相的電力半導體橋式變流器來進行動態無功補償的裝置。
圖3 SVG與係統的連接示意圖
設電網電壓和SVG輸出的交流電壓分別用相量 和 表示,則連接電抗X上的電壓 即為 和 的相量差,而連接電抗的電流是可以由其電壓來控製的。這個電流就是SVG從電網吸收的電流 。如果未計及連接電抗器和變流器的損耗,SVG的工作原理可以用圖4a)所示的單相等效電路圖來說明。在這種情況下,隻需使 與 同相,僅改變 幅值大小即可以控製SVG從電網吸收的電流是超前還是滯後90°,並且能控製該電流的大小。
a 單相等效電路 b 相量圖
圖4 采用直接電流控製的靜止無功發生器的工作原理
(1)
(2)
為使電源電流 中不含有基波正序無功和基波負序電流,則需要控製SVG輸出電流 滿足式(3)。這樣電源電流中就隻含有基波正序有功和諧波電流,如式(4)所示。
(3)
(4)
所以,要想達到補償目的,關鍵是控製SVG輸出電流 滿足式(3)。
從SVG工作原理的描述可以看出,如果要使SVG在補償無功的基礎上還對負載諧波進行抑製,隻需要使SVG輸出相應的諧波電流即可。因此,從這個意義上說,SVG能夠同時實現補償無功電流和諧波電流的雙重目標。
通過上一節對SVG原理的描述可以知道,SVG可以根據負載特點和工況,自動調節其輸出的無功功率的大小和性質(容性或者感性)。因此,從本質上講,SVG可以等效為大小可以連續調節的電容或電抗器。
SVG是目前最為先進的無功補償技術,其基於電壓源型變流器的補償裝置實現了無功補償方式質的飛躍。它不再采用大容量的電容、電感器件,而是通過大功率電力電子器件的高頻開關實現無功能量的變換。從技術上講,SVG較傳統的無功補償裝置有如下優勢:
響應時間更快。SVG響應時間小於等於1ms;傳統靜補裝置響應時間大於等於5ms;SVG可ke在zai極ji短duan的de時shi間jian之zhi內nei完wan成cheng從cong額e定ding容rong性xing無wu功gong功gong率lv到dao額e定ding感gan性xing無wu功gong功gong率lv的de相xiang互hu轉zhuan換huan,這zhe種zhong無wu可ke比bi擬ni的de響xiang應ying速su度du完wan全quan可ke以yi勝sheng任ren對dui衝chong擊ji性xing負fu荷he的de補bu償chang。
抑製電壓閃變能力更強。SVC對電壓閃變的抑製最大可達2:1,SVG對電壓閃變的抑製可以達到5:1,甚至更高。SVC受到響應速度的限製,其抑製電壓閃變的能力不會隨補償容量的增加而增加。而SVG由於響應速度極快,增大裝置容量可以繼續提高抑製電壓閃變的能力。
運行範圍更寬。SVG能夠在額定感性到額定容性的範圍內工作,所以比SVC的運行範圍寬很多。也就是說,當SVC需要在正負全範圍運行時,需要TCR和FC配合使用,整個裝置損耗較大,占地麵積也較大。更重要的是,在係統電壓變低時,SVG還能夠輸出與額定工況相近的無功電流。而SVC輸出的無功電流與電網電壓成正比,電網電壓越低,其輸出的無功電流也越低,所以對電網的補償能力也相應變弱。這是SVC技術本質的缺點。
補償功能多樣化。使同一套SVG裝置,可以實現不同的多種補償功能:單獨補償負載無功;單獨補償負載諧波;單獨補償負載不平衡;同時補償負載無功、諧波和不平衡。所以,SVG具有強大的補償功能。
諧波含量極低。主流SVG采用了PWM技術、duodianpingjishuheduozhonghuajishu,bujinzishenchanshengdexiebohanliangjidi,hainenggouduifuzaidexiebohewugongjinxingbuchang,shixianyouyuanlvbodegongneng,zhenzhengzuodaoduogongnenghua。erTCR和TSC自身均要產生很大的諧波電流,所以還需要安裝相應的FC濾波裝置,增加了額外的成本。
占地麵積較小。由於無需大容量的電容器和電抗器做儲能元件,SVG的占地麵積通常隻有相同容量SVC的50%,甚至更小。所以,在一些廠礦改造中SVG具有很大的優勢。
2.1當前主流SVG係統拓撲結構(示例)
常見的SVG拓撲結構有包括兩電平方案和多電平方案。其中兩電平方案有簡單的三相橋式結構-低壓和IGBT串聯的三相橋式結構-中壓、高壓兩種結構;多電平方案有二極管嵌位變流器、飛跨電容變流器、H橋串聯結構(鏈式結構)和多重化四種方式。
兩電平方案:
圖5簡單的三相橋式結構-低壓
圖6 IGBT串聯的三相橋式結構-中壓、高壓
多電平方案:
圖7 二級管嵌位和飛跨電容多電平結構
圖7 多電平方案-H橋串聯(鏈式結構)
圖9 多電平方案-多重化
對SVG而言,常見的是恒無功功率控製方法。對采用直接電流控製的恒無功功率控製方法框圖如圖10所示。
圖10 恒無功功率控製方法框圖
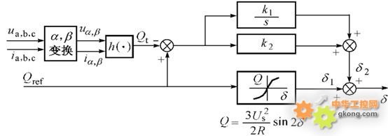
2.3 SVG的控製方法-基於瞬時無功功率的無功電流檢測
如圖11所示。
圖11 SVG的控製方法
2.4 恒無功控製,保證功率因數及抑製電壓波動
SVG連接到係統中,通過控製SVG輸出電流的幅值與相位來決定從SVG輸出的無功的性質與大小QSVG,SVG輸出的無功與係統負荷無功相抵消,隻要Qs(係統)=QL(負載)-QSVG=恒定值(或0),gonglvyinshujiunengbaochihengding,dianyajihububodong。zuizhongyaodeshijingquejisuanchufuzaizhongdeshunshiwugongdianliu。caijidejinxiandianliujimuxiandianyajingyunsuanhoudechuyaobuchangdewugonggonglv,jisuanjifachuchufamaichong,guangxianchuanshuzhimaichongfangdadanyuan,jingfangdahouchufaIGBT或IGCT,獲得所補償的無功電流。
3 SVG實際應用
中達在某銅礦閃速爐6KV配電係統上應用了二套高壓多電平-H橋串聯(鏈式結構)的SVG,係統功率因數始終穩定在0.97,dianyabodongwentijibenxiaochu,xiebohanliangfuheguobiao。peidianxitongdiannengzhiliangxianzhugaishan,jienengxiaoguomingxian。weizhonggaoyapeidianxitongdiannengzhiliangzhilidaxialejianshijichu,weixinjishu、新產品的應用寫下了新篇章,值得大力推廣。圖12為閃速爐6KV係統高壓SVG現場照片。
圖12 閃速爐6KV係統高壓SVG現場
作者簡介:
周巍,男,生於1972年10月,畢業於中國國防科技大學,計算機信息管理專業。現任中達電通股份有限公司節能應用產品處經理,從事電能質量產品開發、規劃和營銷,具有8年從事電能質量產品的行業經驗。
|