|
摘要:介紹一種基於16位單片機PIC24FJ64為主控芯片應用於智能型光伏彙流箱的多回路光伏彙流采集裝置AGF-M16的設計原理,以及該產品主要技術指標與應用。
關鍵字:PIC24FJ64芯片;智能光伏彙流箱;AGF-M16型;霍爾傳感器;設計;應用
0引言
bansuizheshijierenkoudebuduanzengchanghechengshihuajinchengdebuduantuijin,huashinengyuanriqukujie,ranshaohuashiranliaosuodaozhidehuanjingwuranriquyanzhong。congershitaiyangnengzhezhongqingjienengyuanbeishouguanzhu,taiyangnengshiyizhongdimidudepingmiannengyuan,xuyaoshuliangjudadetaiyangnengdianchibanzhenliejinxingchuanbinglianzuhelaidadaosuoxugonglv,weilejianshaodianchizujianyunibianqizhijiandelianjiexianhefangbianrihouweihu,tongshijianshaotouzichengben,xuyaozaizhiliucepeizhiguangfuzhenliefangleihuiliuxiang、直流櫃、逆變器、按分段連接、逐級彙流的方式進行一次和二次彙流。 本文介紹一種基於PIC24FJ64的智能光伏AGF係列彙流采集裝置,本裝置使用霍爾傳感器隔離測量來自光伏電池陣列的電流,同時可以測量其 輸出電壓,監測彙流箱內部的防雷器和直流斷路器的工作狀態、配有溫度、風速,輻照等傳感器輸入接口,帶有接點輸出,用於驅動外部執行 機構。本裝置通過RS485總線與上位機通訊,用於接收計算機指令,上傳檢測到的光伏電池陣列、彙流箱組件和外部環境狀態。本裝置最多可 監測16路光伏電池組輸出電流,並可以根據輸入電壓計算分相和合相功率。本裝置帶有LED數碼顯示器和設定撥碼,用於查看數據和設定本裝 置的通訊地址、數據格式、波特率等參數。 1 電路設計原理 PIC24FJ64是MicroChip公司的一種改進的哈佛架構的高速16位低功耗單片機,在32M時鍾頻率時係統性能可達16MIPS,17 位 x 17 位 單周期硬件乘法器,最大可內帶64k的FlashROM,8k係統SRAM,2 個 模塊,2 個UART 模塊、允許對許多外部I/O口功能進行重新定義,增 加了係統設計的靈活性。電路框圖見圖1
1.1 電流輸入模塊
電流輸入模塊分成兩個8路模塊,最多可以輸入16路(lu)的(de)電(dian)池(chi)串(chuan)列(lie),電(dian)流(liu)采(cai)樣(yang)使(shi)用(yong)霍(huo)爾(er)傳(chuan)感(gan)器(qi)實(shi)現(xian)對(dui)光(guang)伏(fu)電(dian)流(liu)的(de)隔(ge)離(li)型(xing)測(ce)量(liang),霍(huo)爾(er)效(xiao)應(ying)是(shi)指(zhi)的(de)是(shi)當(dang)有(you)一(yi)半(ban)導(dao)體(ti)薄(bo)片(pian),假(jia)設(she)以(yi)三(san)維(wei)空(kong)間(jian)的(de)視(shi)角(jiao)來(lai)看(kan),在(zai)其(qi)Y軸方向施加一個一定強度的磁場,在X軸方向通以電流,則在此半導體薄片的Z軸方向會產生電動勢,該電動勢就是霍爾電勢,見圖2,本霍爾傳感器采用單電源5V供電方式,在輸入最大輸入電流為-15A~+15A對應輸出電壓為0~5V。霍爾傳感器的輸出接 入到一個8選一的模擬開關,由程序控製對8個輸入通道逐個掃描,模擬開關的輸出經過一個RC濾波電路然後接入到A/D轉換芯片ADS1110,ADS1110是TI公司的16位精度模數轉換器,寬工作電源2.7~5.5V,芯片內置有5ppm/°C溫度係數的2.048V高精度電壓參考,芯片內置PGA,可以對輸入信號進行放大,放大倍數為1、 2、4、8倍。芯片使用 總線接口最快速度可以達到400kHz(圖3)。

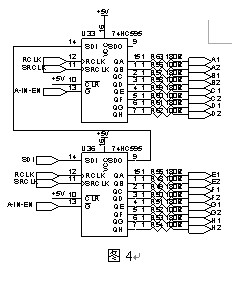
電流輸入模塊上還具有輸入通道狀態指示,使用雙色LED燈指示電池串列的斷線或正常工作狀態,雙色LED驅動使用串入並出移位寄存器74HC595兩顆級聯使用,其中U33驅動綠色LED管芯,U36驅動紅色管芯。(圖4)
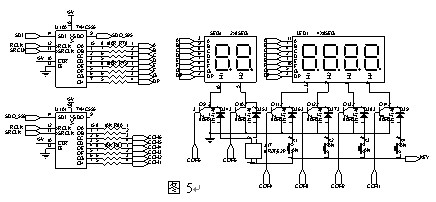
1.2 顯示部分
顯示部分電路使用串入並出移位寄存器74HC595兩顆級聯使用,其中U100的輸出作為數碼管的段碼,U101輸出作為數碼管的位選信號,使用動態顯示方式,逐個點亮數碼管,數碼管的位選信號還作為按鍵的檢測功能,CPU在“KEY”線輸出電平,當某一位數碼管導通,如果此時接在此數碼管選通線上的按鍵按下時,“KEY”線會被拉低,CPU就會檢測到一次按鍵事件,再經過按鍵消抖處理來防止多次觸發或誤判。(圖5)
1.3 外部開關量輸入電路
外部開關量輸入電路帶有就地顯示LED燈D28,電路主要有U25、R65、Q3、R68形成一個恒流電路,開關量輸入節點和檢測光耦的一次側串入到此恒流回路中,此開關量檢測電路的優點是可以接受接觸電阻達kΩ級的外部接點輸入或漏極開路方式的光耦輸入,以避免現場的環境因素導致的輸入接點氧化而造成采樣不到開關量輸入的情況(圖6)。
1.4 撥碼開關輸入電路
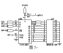
撥碼開關輸入電路用於設定本裝置的通訊地址、通訊波特率、數據格式等參數,使用一個八選一模擬開關U20,對外部撥碼J12每一位進行動態掃描檢測,撥碼開關輸入和開關量輸入的控製總線為共用結構,此方式的優勢是節約CPU的IO口線,缺點是程序處理稍複雜,需要使用動態掃描方式一路一路檢測(圖7)。
1.5 外部模擬量輸入電路

外部模擬量輸入類型有DC 0~20mA、DC 0~10V、PT100、0~100mV、DC 0~1000V,這些外部信號都先經過外部分壓或分流處理調理成同一範圍的電壓信號,然後輸入到一個八選一的模擬開關U44,U44的輸出經過運放U45放大到A/D轉換器U46可接受的電壓範圍,運放U45使用5V單電源軌到軌運放,A/D轉換器使用ADS1110。電路工作時由程序控製將外部模擬信號逐路切換到輸出進行A/D轉換,再由CPU讀取數據(圖8)。
1.6 通訊方式
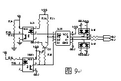
通訊方式采用RS485方式,使用高速光耦實現電氣隔離,由於 485接口芯片U20是半雙工結構,本電路的特點是由發送數據控製485芯片的發送和接收,實現了自動數據流控製,省略了一個流控製光耦,簡化了軟硬件設計。降低了成本。(圖9)
1.7 電源部分
電源模塊采用PI公司的TNY係列開關電源芯片,輸入範圍為AC/DC 80-270V,電源共有3路輸出,分別給光伏電池電壓采樣,CPU,通訊等部分電路提供電源。
2 產品主要技術指標見表1
|
產品型號 |
AGF-M4 |
AGF-M8 |
AGF-M12 |
AGF-M16 |
|
輸入路數 |
4路 |
8路 |
12路 |
16路 |
|
輸入範圍 |
DC 0~(10)20A |
|
反應時間 |
1s |
|
測量精度 |
光伏電池測量0.5級、外部模擬量0.2級 |
|
RS485通訊 |
RS485/ModBus-RTU協議,4800/9600/19200/38400bps |
|
輔助電源 |
輔助電源:AC85V~265V或DC 300~880V 或DC 24V(±10%) |
3 軟件設計
軟件流程見圖10
4 安裝尺寸
本裝置主要有核心板和彙流板組成,彙流板分為正極彙流板和負極彙流板具體尺寸見圖11。
5 應用案例
以一10MW光伏電站為例,一隻16路彙流箱需要采集16路電流、彙流後電池板電壓、浪湧防雷器輔助接點。二次方案見圖12(a),一次方案見圖12(b)。
(a) (b)
圖12
6 結束語
該產品已在西藏桑日光伏項目、青海錫鐵山光伏項目、南京某公司屋頂太陽能項目、上海某公司屋頂太陽能項目上得到應用,產生了較好的社會和經濟效益。
|