基於電話網的視頻報警係統設計
深圳盛斯達爾科技有限公司
摘 要:介(jie)紹(shao)了(le)一(yi)種(zhong)基(ji)於(yu)電(dian)話(hua)網(wang)的(de)視(shi)頻(pin)報(bao)警(jing)係(xi)統(tong)的(de)設(she)計(ji)方(fang)案(an),該(gai)方(fang)案(an)將(jiang)傳(chuan)統(tong)的(de)報(bao)警(jing)係(xi)統(tong)和(he)視(shi)頻(pin)監(jian)控(kong)係(xi)統(tong)有(you)機(ji)結(jie)合(he)起(qi)來(lai),不(bu)但(dan)實(shi)現(xian)了(le)報(bao)警(jing)的(de)基(ji)本(ben)功(gong)能(neng),而(er)且(qie)可(ke)以(yi)通(tong)過(guo)視(shi)頻(pin)係(xi)統(tong)傳(chuan)送(song)現(xian)場(chang)信(xin)息(xi),以(yi)便(bian)迅(xun)速(su)掌(zhang)握(wo)現(xian)場(chang)情(qing)況(kuang),準(zhun)確(que)判(pan)斷(duan)是(shi)否(fou)有(you)警(jing)情(qing)發(fa)生(sheng)。
關鍵詞:80C196NP 視頻 報警係統
目(mu)前(qian)國(guo)內(nei)外(wai)的(de)報(bao)警(jing)係(xi)統(tong),多(duo)采(cai)用(yong)電(dian)話(hua)報(bao)警(jing)方(fang)式(shi)。報(bao)警(jing)觸(chu)發(fa)後(hou),根(gen)據(ju)報(bao)警(jing)類(lei)型(xing)撥(bo)打(da)預(yu)定(ding)的(de)電(dian)話(hua)號(hao)碼(ma),但(dan)是(shi)由(you)於(yu)不(bu)能(neng)及(ji)時(shi)準(zhun)確(que)的(de)獲(huo)得(de)報(bao)警(jing)現(xian)場(chang)的(de)真(zhen)實(shi)信(xin)息(xi),容(rong)易(yi)造(zao)成(cheng)虛(xu)警(jing)的(de)發(fa)生(sheng),從(cong)而(er)阻(zu)礙(ai)了(le)此(ci)類(lei)係(xi)統(tong)的(de)推(tui)廣(guang)應(ying)用(yong)。
weilejiejuechuantongbaojingxitongzhexiequexianerkaifadejiyudianhuawangdeshipinbaojingxitong,tajiangchuantongdebaojingxitongheshipinjiankongxitongyoujidijieheqilai,budanjuyouchuantongbaojingxitongdejibengongneng,erqiekeyitongguoshipinxitongcaijixianchangxinxi,bingtongguodianhuawangchuansongdaojiankongzhongxin,congerkeyizhunquepanduanshifouyoujingqingfasheng。
1 係統工作原理及性能指標
xitongyigongyongdianhuawangzuoweishujuchuanshuwangluo,baojingjiankongdiantongguowuxianbaojingzhuangzhicaijibaojingxinxi,zaijinrushefangzhuangtaihou,renhetanceqibeichufa,tongguowuxianfashejieshoumokuaijiancedaoxinhaobingjingjiemahou,youdanpianjikongzhibaojingguocheng。shouxianyouzidongbohaodianlubotongjiejinghaomabingqidongjiankongxitong,daijiejinghou,xitongzidongjiangxianchangdeshipinshujuchuanzhijiankongzhongxin,yibianxunsuzhangwoxianchangqingkuang,jianshaoyouyugezhongyuanyinzaochengdewuchufabaojing。
本(ben)係(xi)統(tong)采(cai)用(yong)多(duo)路(lu)傳(chuan)感(gan)接(jie)口(kou),集(ji)成(cheng)了(le)社(she)區(qu)報(bao)警(jing)係(xi)統(tong)的(de)主(zhu)要(yao)功(gong)能(neng),利(li)用(yong)無(wu)線(xian)接(jie)入(ru)有(you)線(xian)電(dian)話(hua)網(wang)的(de)報(bao)警(jing)方(fang)式(shi),實(shi)現(xian)自(zi)動(dong)報(bao)警(jing),采(cai)用(yong)先(xian)進(jin)的(de)視(shi)頻(pin)傳(chuan)輸(shu)技(ji)術(shu),實(shi)現(xian)了(le)現(xian)場(chang)監(jian)控(kong)。總(zong)體(ti)性(xing)能(neng)指(zhi)標(biao):
(1) 存儲16組電話、手機或傳呼機號碼,報警時自動按序循環撥叫。
(2) 有無線門磁、無線紅外探測器、有線入侵探測器標準接口。
(3) 具有優先報警、電話外線防剪報警、遙控器觸發緊急報警、集群聯網報警等功能。
(4) 接口特性:普通電話網。
(5) 最大傳輸速率:33.6kbps。
(6) 最大影像傳輸速率:15fps。
(7) 傳輸模式:同步方式。
(8) 視頻連接時間:15-20s。
2 係統硬件設計與實現
2.1 係統硬件體係結構
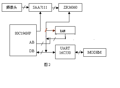
係統硬件以80C196NP單片機作為控製中心,主要由主控製模塊、視頻采集壓縮發送模塊、信號檢測模塊、無線發射接收模塊等組成。係統結構如圖1所示。

2.2 主控製模塊
係統主控部分采用TI公司生產的高性能l6位單片機MPS430,此芯片有1M的尋址能力,並且工作於25MHz晶振下,具有較快的工作速度。看門狗電路采用美國Xicor公司的X25045,它將電壓監控、看門狗定時器和EEPROM 組合在單個芯片之內,其體積小且占用I/O口少。X25045 含512*8位的串行EEPROM ,可以直接與微控製器的I/O 口串行相接,用於存儲電話號碼及係統設置數據等,其內有一個位指令寄存器,該寄存器可以通過S1來訪問。如果在看門狗定時器預置的超時時間內沒有總線的活動,那麼X25O45將輸出複位信號。P1口作為無線紅外和無線門磁等報警信號的輸入口。
2.3視頻采集壓縮發送模塊

由於隻能通過調製解調器來實現數據傳輸,圖像數據必須經過大比例的壓縮,使用高效的圖形壓縮格式。該係統選擇JPEG格式。攝像頭輸出模擬複合視頻信號,由視頻編/解碼器SAA7111對其進行亮色分離和A/D轉換,輸出數字視頻信號和時鍾信號、行場同步信號及奇偶場指示信號,進入JPEG編解碼芯片ZR36060。編解碼芯片對視頻解碼器輸出的同步信號采樣並與之同步,同時接收數字視頻信號並對其進行壓縮,再將壓縮後的JPEG格式的圖像數據寫入SRAM,由單片機控製這些數據,經通用異步發送接收器16C550串行化後,通過調製解調器發送到監控中心。
2.4信號檢測模塊
對於主叫,在撥打電話號碼的過程中,可能遇到的電信信號有:撥號音、忙音和回鈴音。這些信號的特點為:
(1) 撥號音:450Hz單頻連續。
(2) 忙音:450Hz單頻,0.35s等間隔斷續。
(3) 回鈴音:450Hz單頻,1s續4s斷。
從3個信號的特點可以看出,他們頻率相同,通斷時間不同。根據單片機的需要,由外線經電容耦合來的調製信號需經檢波處理。電路由NE567音頻鎖相環完成解調過程。NE567內部正交相位探測器比較輸入信號和電流控製振蕩器信號的頻率和相位,當輸入信號落在給定頻帶內時,信號被鎖定,8腳輸出低電平。內部振蕩器頻率f可通過RC設定。即f= 1/1.1RC。電話載頻為450Hz,R通常在2KΩ~20KΩ內取值,若R取20KΩ,計算出C=0.1pF。中心頻率確定後,電路通頻帶由下式求得:
Vi為輸入信號有效值,要求不大於200mV,C取0.1pF 時, ,可滿足電話信號載頻 的要求。
在係統中將所有信號從電話接口電路中的同一個點引出,經過NE567鎖相環電路用來確定線路中有無450Hz的音頻信號,並輸出高低電平持續時間不同的脈衝信號,然後由單片機利用高低電平持續時間的不同來識別這些電信信號。
2.5無線發射接收模塊
由於一般的LC振zhen蕩dang器qi頻pin率lv穩wen定ding度du及ji一yi致zhi性xing較jiao差cha,即ji使shi采cai用yong高gao品pin質zhi的de微wei調tiao電dian容rong,溫wen差cha變bian化hua及ji震zhen動dong也ye很hen難nan保bao證zheng已yi經jing調tiao好hao的de頻pin點dian不bu會hui發fa生sheng偏pian移yi,因yin此ci在zai這zhe個ge設she計ji中zhong使shi用yong了le發fa射she模mo塊kuai(F05)和接收模塊(J01E),F05係列采用聲表麵諧振器穩頻。SMT樹脂封裝,頻率一致性較好,免調試。F05具有較寬的工作電壓範圍及低功耗特性。當發射電壓為3V時,發射電流約2mA,發射功率較小。12V為最佳工作電壓,具有較好的發射效果,發射電流為5~8mA。F05係列采用AM方式調製以將低功耗,數據信號停止,發射電流降為零。
J01E采用獨特的超再生電路結構,SMT工藝樹脂封裝,內含放大整形,輸出數據直接至解碼器,使用極為方便,是一種性價比較好的超再生模塊。J01E無信號時輸出零電平狀態(無噪聲幹擾)可適合於單片機輸入端接口。J01E具有較寬的接收帶寬,具有較低的功耗,3V時隻消耗0.2mA的電流,可長期處於守機狀態。

為提高係統的可靠性和保密性,使用了PT2262、PT2272。PT2262是編碼模塊,PT2272是解碼模塊。編碼芯片PT2262發出的編碼信號由地址碼、數據碼、同步碼組成,解碼芯片PT2272接收到信號後,要對地址碼進行兩次核對,如果與自己的地址碼匹配,VT引腳輸出高電平,同時相應的數據腳也輸出高電平。PT2272通過D0~D3四個數據引腳連接主控製模塊的P1.4~P1.7引腳向主機傳遞數據,無報警時這四個P1引腳的輸入均為0。主機啟動後,會始終監聽這四個P1引腳,發現輸入不為0時說明報警發生,並根據它們的當前值來確定報警源。
3 係統軟件設計與實現
3.1主程序部分
主程序流程如圖3suoshi,xitongkejieshoulaizizhujihuoyaokongdeanjianminglingfenbiejinruchefangheshefangzhuangtai,chefangzhuangtaixiadegongnengcaozuozhuyaoshidianhuahaomadeshuru,bingkejieshouzhujihuoyaokongdeanjianxinhaojinrushefangzhuangtai。zaibufangzhuangtaixia,80C196NP不斷掃描P1口以判斷是否有警情發生,若有警情則啟動報警子程序以及視頻監控子程序。
係統初始化包括中斷設置、X25045存儲區賦初值、數據采集模塊的初始化等,對主機鍵盤的響應采取查詢方式並進行延時處理,係統將由INT1進行中斷響應報警。
3.2 視頻數據處理子模塊
視頻數據處理流程如圖4所示,初始化主要完成接收和發送通道的初始化、內存區域的分割、定時時鍾和計數器的清零或初值設置、中斷的關閉或開放、確定數據在傳輸時的塊格式、圖像數據的起始位置和大小等。係統完成初始化以後,啟動圖形數據采集模塊,開始采集一幀圖像,通過寫地址和寫信號將數據存儲到SRAM中。采集結束時,采集標誌信號撤消,80C196NP開始讀取SRAM中的圖像數據,數據經SC16C550輸出串行數據,並通過Modem發送至接收端。數據發送完畢後,將啟動下一次數據采集。
3.3 報警控製子模塊
本係統的報警掃描采用端口掃描方式,對P1口進行不斷掃描,當出現警情時,經過一定的延時後,再進行掃描,若仍有報警信號則進入摘掛機處理程序段。

為方便編程,在X25045中存儲的電話號碼以F0H作為一組號碼的開始標誌,FFH做作為全部號碼的結束標誌。報警係統由存入號碼的標誌位決定摘機、撥號和啟動視頻監控,摘機後延時2秒開始撥號,每位撥號0.1s,撥完後延時0.1s。撥完一組電話號碼等待2 s後開始啟動視頻監控子程序。報警控製子程序流程如圖5所示。
4 結語
通過以上軟硬件設計方案和用戶使用情況調查,此係統具有如下優勢:
(1)係統以公用電話網作為傳輸媒體,符合國家公用電話網的信令標準,無須單獨布線;
(2)經濟耐用,采用軟硬件結合的方式,便於擴展升級;
(3)由於集成電話報警與視頻傳輸,較好地解決了係統誤報的問題;
由you於yu本ben係xi統tong是shi在zai通tong訊xun技ji術shu和he多duo媒mei體ti技ji術shu結jie合he的de基ji礎chu上shang設she計ji研yan發fa的de,在zai係xi統tong運yun行xing的de過guo程cheng中zhong也ye會hui受shou到dao通tong信xin網wang絡luo狀zhuang態tai的de影ying響xiang,由you於yu帶dai寬kuan較jiao窄zhai,視shi頻pin傳chuan輸shu受shou到dao一yi定ding限xian製zhi,速su度du較jiao慢man,但dan對dui於yu掌zhang握wo現xian場chang情qing況kuang,區qu分fen報bao警jing類lei型xing已yi基ji本ben能neng夠gou滿man足zu要yao求qiu
。
www.sz-sunstar.com