|
摘要:本文通過FANUC弧焊機器人在某叉車生產過程中焊接後橋、油箱、門架滑塊的實際應用,介紹設備引進總體製定方案以及設備配置,實施內容和使用效果,提出了值得關注的問題。
焊han接jie機ji器qi人ren最zui適shi合he於yu多duo品pin種zhong強qiang勞lao度du高gao質zhi量liang生sheng產chan方fang式shi。在zai叉cha車che製zhi造zao業ye上shang,目mu前qian機ji器qi人ren焊han接jie的de普pu及ji率lv還hai是shi處chu於yu較jiao低di水shui平ping,但dan也ye開kai始shi慢man慢man向xiang機ji器qi人ren自zi動dong化hua生sheng產chan發fa展zhan。比bi如ru叉cha車che的de後hou橋qiao、左右油箱、門架滑塊、門架等主要部件,均可以使用到機器人來完成焊接工作。焊接主要以搭接、角jiao接jie接jie頭tou為wei主zhu,焊han接jie質zhi量liang要yao求qiu相xiang當dang高gao,其qi質zhi量liang的de好hao壞huai直zhi接jie影ying響xiang到dao叉cha車che的de安an全quan性xing能neng。應ying用yong了le機ji器qi人ren焊han接jie後hou,大da大da提ti高gao了le焊han接jie件jian的de外wai觀guan和he內nei在zai質zhi量liang,並bing保bao證zheng了le質zhi量liang的de穩wen定ding性xing和he降jiang低di了le對dui操cao作zuo工gong的de技ji能neng要yao求qiu、勞動強度,改善了勞動環境。
從總體方案的製定伊始,我們就綜合考慮到機器人焊接係統一定要柔性化,人性化,高效率,高質量。
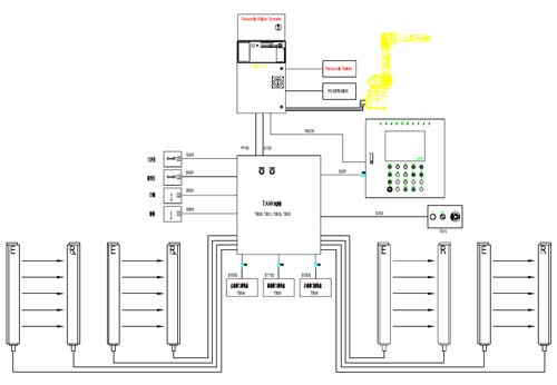
機器人柔性化焊接係統在結構上主要由兩部分組成:機械係統和控製係統。機械係統包括機器人工作房、機器人本體、機器人外軸回轉台及機器人周邊設備等;控製係統可分為機器人控製係統、人機界麵等輔助單元。
1.機器人工作房
機器人工作房的布置及主要部件如圖1所示,工作房外形為長方形,房間由鋁合金型材加防弧光PET板(ban)搭(da)建(jian)而(er)成(cheng),其(qi)中(zhong)遮(zhe)光(guang)板(ban)上(shang)中(zhong)下(xia)三(san)層(ceng)為(wei)不(bu)同(tong)顏(yan)色(se),起(qi)到(dao)美(mei)觀(guan)及(ji)防(fang)弧(hu)光(guang)作(zuo)用(yong)。工(gong)作(zuo)房(fang)為(wei)全(quan)封(feng)閉(bi)房(fang)間(jian),工(gong)作(zuo)房(fang)外(wai)側(ce)安(an)裝(zhuang)有(you)弧(hu)焊(han)專(zhuan)用(yong)的(de)除(chu)塵(chen)器(qi)。工(gong)作(zuo)房(fang)的(de)門(men)簾(lian)為(wei)電(dian)動(dong)快(kuai)速(su)門(men)簾(lian),可(ke)以(yi)快(kuai)速(su)開(kai)啟(qi)或(huo)關(guan)閉(bi),焊(han)接(jie)時(shi)防(fang)護(hu)光(guang)門(men)簾(lian)自(zi)動(dong)關(guan)閉(bi),焊(han)接(jie)完(wan)成(cheng)後(hou)自(zi)動(dong)打(da)開(kai)。

hanjiefangwaiceyouyigechumopingcaozuoxiang,keyiduixitongjinxingshezhihecaozuo。lingwai,haiyouyishuangshouqidonghe,yongyicaozuohanjiejiajuheqidongjiqirenjinxinghanjiegongzuo。
2.機器人本體
我們采用的FANUC Arc Mate 100iB 和Arc Mate 100iC/6L係列焊接機器人是標準的六軸機器人,具有六個自由度,理論上可以達到運動範圍內的任意一點,其臂展範圍分別為1373mm和1632mm,配以賓采的焊槍,足以滿足本係統的需要。另外,叉車油箱等工件的焊接對機器人軌跡的重複定位精度有一定要求,一般應小於0.5mm,而該機器人可達到0.08mm,可以滿足生產需要。此外,對設備的自動化程度和零件生產節拍有近乎苛刻的要求,FANUC機器人2000mm/s的直線速度可以大大減少機器人軌跡中空行程所浪費的時間。機器人本體外形如圖3所示。
 Arc Mate 100iB
 Arc Mate 100iC/6L
其中,FANUC最新款的中空手臂機器人Arc Mate 100iC/6L ,它的性能相比老型號機器人有了很大提高,更適合高強度焊接作業。它和林肯電源PW i400的完美結合,大大縮短了安裝調試時間,方便維護。
FANUC 弧焊機器人和林肯焊接電源PW i400之間通訊采用ArcLink XT通訊,為全數字通訊。相比其他焊機,同樣焊接速度的情況下,一道焊縫的焊接時間可以節約大約0.4秒時間,正因為其采用了ArcLink通訊協議。
3.機器人外軸回轉台
外軸回轉台采用FANUC標準的2軸變位機,其負載能力為500kg,足以滿足叉車後橋、油箱的焊接需求。變位機的回轉翻轉完全由機器人來控製,在焊接時可以和機器人來協調焊接,保證焊接質量。

4.焊接夾具
在(zai)叉(cha)車(che)焊(han)接(jie)的(de)係(xi)統(tong)中(zhong),最(zui)主(zhu)要(yao)的(de)是(shi)焊(han)接(jie)夾(jia)具(ju)部(bu)分(fen)。因(yin)為(wei)考(kao)慮(lv)到(dao)叉(cha)車(che)型(xing)號(hao)的(de)多(duo)樣(yang)性(xing),其(qi)零(ling)部(bu)件(jian)必(bi)然(ran)也(ye)是(shi)多(duo)樣(yang)性(xing)的(de)。為(wei)了(le)廠(chang)商(shang)成(cheng)本(ben)考(kao)慮(lv)及(ji)生(sheng)產(chan)效(xiao)率(lv)考(kao)慮(lv),我(wo)公(gong)司(si)設(she)計(ji)的(de)夾(jia)具(ju)可(ke)以(yi)適(shi)用(yong)多(duo)種(zhong)不(bu)通(tong)型(xing)號(hao)工(gong)件(jian)。這(zhe)樣(yang),一(yi)來(lai)減(jian)少(shao)了(le)廠(chang)商(shang)對(dui)焊(han)接(jie)夾(jia)具(ju)的(de)投(tou)資(zi);二來減少更換夾具的時間,提高生產效率。

其中,一副油箱焊接用夾具可以適用3種不同型號油箱的左右油箱,共6種工件。一副後橋焊接用夾具,可以適用3種不同型號後橋。一套門架滑塊焊接夾具可以適用22多種工件。
jiajudefangcuoyouyingjianheruanjianlaiquebaowanwuyishi。yingjianyoubutongdejiajutoulaiduiyingbutongdegongjian。ruanjianfangmianyoujiqirentongguojiechuchuangangongnenglaiqufengongjianquerenqidongdechengxushifoushiduiyinghanjiedegongjian。qiyuanlishiliyonggongjiandaxiaodechayixing,jiqirenzuojiechuchuanganshisuoxingzoudejulidaxiaolaiqufengongjian。zheyangdeshuangbaoxiankeyiwanwuyishidequebaochengxuyunxingdezhunquexing。

5.電氣控製部分
整個工作站的控製都是由機器人控製箱來完成,利用了FANUC獨有的PMC功能來實現邏輯運算,起到PLC的作用而不使用硬件PLC,大大降低的係統成本。此外,FANUC R-30iA控製櫃可以直接和觸摸屏HMI相聯接配合使用,可以直接訪問到機器人控製櫃裏的數據,比如寄存器、位置寄存器、I/O、甚至機器人的錯誤信息都可以實時的顯示在觸摸屏上。這樣,可以讓操作工在觸摸屏上讀取信息,而不通過示教器。

總之,機器人焊接代替人工焊接是一種發展趨勢,其焊接質量的穩定性、可靠性、高效性,是人工焊接無法比擬的。上海發那科將竭誠為您提供各種自動化焊接解決方案及設備。
|