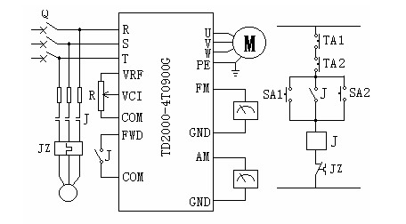
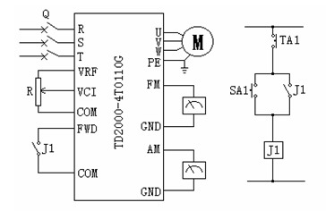
唐山微爾電子公司 孫昭光 田玉柱 唐鋼廟溝鐵礦機動科 袁子文 唐鋼礦業公司廟溝鐵礦新上兩座179 M3高爐,經唐山微爾電子股份有限公司、唐鋼設計院與廟溝鐵礦多方調研,變頻調速器全部采用艾默生公司的TD2000係列變頻器,共計24台。其中TD2000―4T0110G 12台,TD2000―4T0150G 2台,TD2000―4T0900G 6台,TD2000―4T2000P 4台。分別用在原料、燒結、高爐、衝渣循環水、鑄鐵機等處,下麵分別加以介紹。 一、圓盤給料機:(11台) 圓盤給料機是高爐煉鐵工藝原料區第一道工序,整個高爐所需各種原料,通過不同的圓盤給料機 經傳送帶,送至一混、二混,經充分攪拌均勻送至燒結機。本係統共有11套(tao)圓(yuan)盤(pan)給(gei)料(liao)機(ji),每(mei)套(tao)圓(yuan)盤(pan)給(gei)料(liao)機(ji)是(shi)一(yi)個(ge)形(xing)壯(zhuang)類(lei)似(si)漏(lou)鬥(dou)壯(zhuang)的(de)設(she)備(bei),漏(lou)鬥(dou)的(de)底(di)部(bu)是(shi)一(yi)個(ge)由(you)電(dian)機(ji)驅(qu)動(dong)的(de)原(yuan)盤(pan),通(tong)過(guo)原(yuan)盤(pan)轉(zhuan)動(dong)將(jiang)漏(lou)鬥(dou)內(nei)的(de)原(yuan)料(liao)源(yuan)源(yuan)不(bu)斷(duan)地(di)送(song)至(zhi)傳(chuan)送(song)帶(dai)。根(gen)據(ju)煉(lian)鐵(tie)工(gong)藝(yi)的(de)要(yao)求(qiu),各(ge)種(zhong)原(yuan)料(liao)需(xu)要(yao)不(bu)同(tong)的(de)配(pei)比(bi),通(tong)過(guo)圓(yuan)盤(pan)轉(zhuan)速(su)快(kuai)慢(man)的(de)調(tiao)節(jie)將(jiang)各(ge)個(ge)漏(lou)鬥(dou)內(nei)不(bu)同(tong)的(de)原(yuan)料(liao)按(an)所(suo)需(xu)的(de)配(pei)比(bi)送(song)到(dao)傳(chuan)送(song)帶(dai)上(shang)。圓(yuan)盤(pan)給(gei)料(liao)機(ji)選(xuan)用(yong)的(de)電(dian)機(ji)為(wei)7.5KW變頻調速電動機,變頻器為艾默生TD2000-4T0110G變頻器,控製采用機旁、集中兩地控製,機旁用電位器調速。原理圖如下圖:
 變頻器主要參數設定如下:
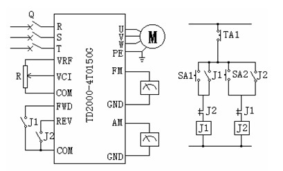
 二、圓輥布料器:(1台) 圓輥布料器顧名思義是兩個大圓輥,上位料倉來自二混的原料經圓輥布料器送至燒結機的台車上。 yuangunbuliaoqitongguobianpinqikongzhidedianjitiaosu,genjugongyiyaoqiukongzhigeishaojiejitaichebuliaodekuaiman。yinweiyuangunbuliaoqiyoushixuyaochangshijiandisuyunzhuan,suoyidianjixuanyong7.5KW變頻電機,變頻器為TD2000-4T0110G變頻器,控製采用機旁、集中兩地控製,機旁用電位器調速。原理圖、變頻器主要參數設定如圓盤給料機。 三、燒結機:(1台) 燒結機是將原料在台車上充分燃燒形成燒結礦。燒結礦質量的好壞全靠原料在台車燃燒是否充分, 台(tai)車(che)需(xu)要(yao)根(gen)據(ju)圓(yuan)輥(gun)布(bu)料(liao)器(qi)布(bu)料(liao)的(de)厚(hou)薄(bo),燒(shao)結(jie)機(ji)內(nei)燃(ran)燒(shao)情(qing)況(kuang)等(deng),調(tiao)節(jie)速(su)度(du),速(su)度(du)控(kong)製(zhi)精(jing)度(du)要(yao)求(qiu)較(jiao)高(gao)。台(tai)車(che)由(you)變(bian)頻(pin)器(qi)控(kong)製(zhi)的(de)電(dian)機(ji)調(tiao)速(su),電(dian)機(ji)選(xuan)用(yong)11KW三相鼠籠式異步電動機,變頻器為艾默生TD2000-4T0150G變頻器。控製采用機旁控製,電位器機旁調速,變頻器為正反轉控製。
 原理圖如上所示,變頻器主要參數設定如下:
 四、帶冷機:(1台) 燒結機出來的燒結礦經單輥破碎機破碎,進入到帶冷機。帶冷機是一個長長的鏈條軌道俗稱蓖子, 高溫燒結礦在蓖子上緩慢移動,經6台風機風冷,冷卻後的燒結礦進入地倉供高爐上料使用。蓖子由變頻器控製的電機調速,電機選用11KW變頻調速電動機,變頻器為艾默生TD2000-4T0150G變頻器。控製采用機旁、集中兩地控製,機旁用電位器調速。原理圖、變頻器主要參數設定如圓盤給料機。 五、上料卷揚係統:(4台) 高爐上料卷揚係統是煉鐵生產中的關鍵環節,主要作用是將煉鐵所需的各種原料源源不斷地送到高 爐內,保證高爐煉鐵的正常需要,而整個高爐上料卷揚係統的核心就是料車的主提升設備。主卷電動機選用的是55KW 10極繞線式異步電動機,變頻調速器為艾默生TD2000-4T0900G變頻器(和相應的製動電阻與製動單元)。高爐上料卷揚係統有如下特征:主(zhu)卷(juan)電(dian)動(dong)機(ji)工(gong)作(zuo)頻(pin)繁(fan),負(fu)荷(he)重(zhong),啟(qi)動(dong)轉(zhuan)矩(ju)要(yao)求(qiu)高(gao)。料(liao)車(che)要(yao)求(qiu)位(wei)置(zhi)控(kong)製(zhi)的(de)精(jing)度(du)高(gao),係(xi)統(tong)的(de)可(ke)靠(kao)性(xing)和(he)安(an)全(quan)性(xing)高(gao)。料(liao)車(che)在(zai)啟(qi)動(dong)和(he)停(ting)車(che)製(zhi)動(dong)時(shi)震(zhen)動(dong)大(da),要(yao)求(qiu)電(dian)機(ji)工(gong)作(zuo)的(de)穩(wen)定(ding)性(xing)能(neng)高(gao)。煉(lian)鐵(tie)高(gao)爐(lu)上(shang)料(liao)卷(juan)揚(yang)係(xi)統(tong)的(de)技(ji)術(shu)方(fang)案(an)是(shi)當(dang)上(shang)料(liao)卷(juan)揚(yang)係(xi)統(tong)運(yun)行(xing)後(hou),變(bian)頻(pin)器(qi)由(you)0HZ加速到50HZ運行,當運行一定的距離快到達爐頂時,由檢測位置的主令(凸輪)發出減速信號,變頻器自動減速到20HZ運行,直至料車到達爐頂在由主令(凸輪)發fa出chu停ting車che信xin號hao,電dian機ji被bei立li即ji製zhi動dong停ting車che,電dian機ji加jia有you電dian磁ci抱bao閘zha製zhi動dong裝zhuang置zhi,在zai整zheng個ge工gong作zuo過guo程cheng中zhong需xu要yao停ting車che時shi,發fa出chu停ting車che指zhi令ling,電dian磁ci抱bao閘zha製zhi動dong裝zhuang置zhi工gong作zuo,使shi料liao車che穩wen定ding停ting車che,不bu會hui出chu現xian“掛車”下滑現象。工作曲線如圖所示:
 料車一個完整的工作過程用時45S,完全滿足179高爐的工藝要求。 係統運行示意簡圖與電氣控製簡圖如下:
 工作原理: 當PC輸出點J1閉合時,變頻器以設定時間5秒鍾從0HZ加速到50HZ。電磁抱閘控製電源JZ得 電,抱閘打開,左料車以設定的50HZ頻率向上運行。當料車運行到檢測點時J3閉合,料車開始減 速,減速到20HZ後保持勻速運行。當料車快運行到位置時,觸動限位開關發出信號,PC輸出點 J1斷開,變頻器自由停車,當變頻器輸出降到2HZ時,電磁抱閘控製電源JZ掉電,抱閘抱住,料 車卷揚電機被製動停車,完成一次上料過程。當PC輸出點J2閉合時,右料車與左料車一樣完成一 次上料。QA2、QA3為左右料車點動按扭,QA1為複位按扭。為了增加係統的可靠性,做如下處理: 1) 選用變頻器的容量為90KW,較電機55KW放大了兩檔的容量,一般不會出現過流、過壓、過載等現象,可靠性大大提高。 2)電磁抱閘線圈通過變頻器的運行輸出信號Y2控製,消除了因意外事故 開抱閘所引起的料車掛車或失速失控事故。而且當變頻器輸出達到2HZ時,電磁抱閘控製電源JZ才得電打開,防止抱閘打開過早,料車出現溜車事故。 3)在左右料車的頂部各安裝一個超極限限位開關J3,當J3動作時通過多功能端子X2造成變頻器外部故障停機,防止料車在接近停車點時因控製線路故障,造成料車無減速衝過頭而損壞爐頂設備的嚴重後果。
 六、衝渣循環水泵:(4台) 高爐衝渣的工藝過程是,在高爐出鐵水前先開渣口,爐渣比鐵水輕浮在鐵水上麵,先從渣口流出, 由衝渣水沿渣漕衝入渣池。衝渣泵電機是160KW三相鼠籠式異步電機,變頻調速器為艾默生TD2000-4T2000P變(bian)頻(pin)器(qi)。因(yin)為(wei)出(chu)渣(zha)過(guo)程(cheng)的(de)好(hao)壞(huai)直(zhi)接(jie)影(ying)響(xiang)鐵(tie)水(shui)的(de)質(zhi)量(liang),所(suo)以(yi)衝(chong)渣(zha)泵(beng)選(xuan)用(yong)四(si)台(tai)變(bian)頻(pin)器(qi)兩(liang)工(gong)兩(liang)備(bei),控(kong)製(zhi)采(cai)用(yong)機(ji)旁(pang)控(kong)製(zhi),用(yong)電(dian)位(wei)器(qi)調(tiao)速(su),以(yi)滿(man)足(zu)衝(chong)渣(zha)循(xun)環(huan)水(shui)管(guan)道(dao)內(nei)壓(ya)力(li)附(fu)合(he)工(gong)藝(yi)要(yao)求(qiu)。(最好采用閉環控製)。原理圖如下圖: 變頻器主要參數設定如下:

 七、鑄鐵機:(2台) 鑄鐵機是小高爐煉鐵工藝的最後一到工序,從高爐流出來的鐵水經鐵水罐車運到鑄鐵機,經循環 水噴淋冷卻出成品麵包鐵。鑄鐵機是傾斜30度的鏈條軌道,軌道上固定著麵包鐵模具。隨著鏈條軌道循環滾動天車將鐵水罐緩慢傾斜, tieshuiguanneitieshuiliudaomianbaotiemojunei,chuanguoxunhuanshuipenlinlengquequ,tieshuilengquexingchengchengpinmianbaotie。genjugaoluchutieliangdeduoshao,tieshuiwendudegaodi,yijitiancheqingdaotieshuidekuaiman,xuyaoliantiaoguidaoyibutongdesuduyunxing,erqieyinweimianbaotiemojuneizhuangmantieshui,suoyiliantiaoguidaozaijiasu、減速及運行過程中要求平穩,為了滿足工藝要求,選擇變頻調速器驅動電機。該設備選用的電機為75KW三相鼠籠異步電動機,變頻調速器為艾默生TD2000-4T0900G變頻器,控製采用機旁、集中兩地控製,機旁用電位器調速,同時加減速采用S曲線加減速。 唐鋼礦業公司廟溝鐵礦自投產以來運轉非常好,尤其是艾默生變頻器調試簡單,24台變頻器均一次試車成功,係統運行可靠,平時電氣人員的維護工作簡單,維護量少。 juyouwanshandezizhenduanhebaohugongneng,nenggoushixianduiduanlu,duanlu,guoliu,guore,guoya,qianyadengguzhangjinxingkuaisuyouxiaodezhenduanhebaohu。aimoshengbianpinqishoudaomiaokuangjishurenyuandeyizhihaoping。
|