濟南永利泰電器設備有限公司 李景華 山東海天造紙機械有限公司 王宗海 一、概述 造紙行業以其傳動點多、同步性要求高、lianxuhuashengchandetedian,yuyejinxingyeyiqibeichengweizidonghuakongzhiyaoqiuzuigaodexingye。suizhedianlidianzijishudefazhan,jiaoliuchuandongxitongzaizaozhixingyedeyingyongyuelaiyueguangfan,gaoxingneng、矢shi量liang控kong製zhi型xing變bian頻pin器qi的de出chu現xian,使shi得de過guo去qu需xu要yao由you直zhi流liu雙shuang閉bi環huan係xi統tong實shi現xian的de傳chuan動dong控kong製zhi,完wan全quan可ke以yi由you交jiao流liu傳chuan動dong係xi統tong來lai完wan成cheng。為wei了le滿man足zu不bu同tong類lei型xing的de紙zhi張zhang生sheng產chan和he提ti高gao勞lao動dong生sheng產chan率lv的de需xu要yao,要yao求qiu造zao紙zhi生sheng產chan線xian向xiang高gao速su化hua、全自動化方向發展,工業控製器(PLC)和現場總線越來越多地應用在造紙行業。這次,在淄博第二板紙廠,采用艾默生TD3000係列矢量控製型變頻器、艾默生現場總線適配器和S7-300 PLC組成的控製係統,完美地實現了整條生產線的控製,為將來艾默生變頻器在高速紙機上的應用打下了良好的基礎。 二、板紙生產線工藝簡介 該板紙機的型號為HT3000/110,是多圓網多烘缸板紙機,適用於生產用木漿、廢紙漿及其它漿料抄造定量為130-250g/m²的瓦楞原紙、掛麵牛皮紙及箱板紙等品種。該型板紙生產線主要由壓榨部、烘幹部、傳動部三部分組成。與之配套的設備有三輥半濕壓光機(即後麵的光澤缸)、四輥壓光機及水平式圓筒卷紙機。 壓榨部的選型為一道雙毛布主壓榨、兩道正壓榨。壓榨部機架為型鋼焊接件,每條毛布圈路內配置雙縫吸水箱、張緊器、校正器、高中壓噴水管及輥子加壓和氣動加壓等裝置。紙漿通過輥子加壓和氣動加壓粘附在毛布上,紙漿通過毛布之間的擠壓和雙縫吸水箱(抽真空)對紙漿脫水後初步定形為板紙。毛布最大工作張力為4.5N/mm。 各道壓區線壓:(N/mm) 雙毯主壓 設計線壓:60 工作線壓:40 一道單毯壓榨 設計線壓:80 工作線壓:60 二道單毯壓榨 設計線壓:100 工作線壓:80 烘幹部為保證烘幹能力,烘缸(熱源是蒸汽)直徑為Ф1500*3350mm,配有24隻,其中最後一隻為冷缸,烘缸分組按6+6+6+半幹壓(光澤缸)+6排列。每組缸有4隻缸為主動,其餘為被動,之間通過幹網連接。每條幹網均配有氣動校正器、電動張緊器、daogundeng。hongganbuchuandongcejijiacaiyongsanjiaojijiafengbishichilunchuandong,caozuoceweixingganghanjiexiangxingjiegou,honggangquanbushiyonggundongzhoucheng,xiyourunhua。tongguoyazhabujibendingxingdebanzhizaihongganbubeiganwangyafuzaihonggangbiaomian,jingguoqiansanzuganghonggan,banzhideganduzai80%~85%之間,之後通過光澤缸對板紙進行初級壓光,然後板紙經過第四組缸烘幹,幹度在90%~94%之間,此後板紙通過四輥壓光機兩次壓光成為成品板紙,最後經過水平式圓筒卷紙機將板紙成卷。 傳動部采用交流變頻分部傳動形式,分別由真空回頭輥(37KW)、一壓(75KW)、二壓(37KW)、三壓(37KW)、一組缸(22KW)、二組缸(22KW)、三組缸(22KW)、光澤缸(30KW)、四組缸(22KW)、壓光(37KW)及卷紙(15KW)等11個傳動點組成,共計363KW,每一台交流變頻專用電機通過硬齒麵齒輪減速箱直接傳動各主動輥或主動齒輪。每一傳動點配有相應的聯軸器、中間軸(包括萬向節)和基礎板。各部分設置啟動、停止、升速、降速按鈕,達到單調、統調、運行/爬行等功能,設置運行、故障指示燈,電流、速度指示儀表等。 板紙機主要技術參數: 生產品種:瓦楞原紙、掛麵牛皮紙、箱板紙等 抄造定量:130-250g/m² 淨紙寬度:3000mm 網寬: 3350mm 生產能力:55-60T/d 工作車速:75-140m/min 設計車速:150m/min 主機軌距:3900mm 傳動方式:變頻調速,分部傳動 裝機容量:363KW 外型尺寸:(長*寬*高)67*10.5*6m
 三、係統設計 1、控製要求 1)、11個傳動點采用矢量控製型變頻器組成閉環係統; 2)、Profibus現場總線控製 kongzhidezhongdianshibaozhenggechuandongdiandexiansudubaochiyizhi,youqiyaobaozhengxianqianliangjiyiyahezhenkonghuitougundeyangetongbu,bingbaozhenglianggedianjidefuhejunheng。yinqigongyishangdetedian,yaoqiuzhuanjukongzhikuaisuxiangyinghezhunquekongzhi,nengyihengaodekongzhijingdujinxingkuanfanweidebihuantiaosuyunxing。bingqiedangmouyichuandongdianyinguzhangtingjishi,在不影響生產的情況下能正常啟動。 2、係統控製方案及設備選型 該控製係統的關鍵是在係統負荷變化時,如何能保證各傳動點的線速度一致。 考慮到為將來的高速紙機做技術上的鋪墊,我們選用了艾默生TD3000係列變頻器和西門子S7-315-2DP可編程控製器,通過Profibus現場總線組成整個的控製係統。可編程控製器(PLC)通過Profibuszongxianshishicaijifuheshuju,wanchengduigechuandongdiansudukongzhihezhuanjukongzhidezaixiandiejia,yishixiangechuandongdiandezidongfuhejunheng,meigechuandongdiansheyouweitiaoanniu,biyaoshijinxingshoudongtiaozheng(通過程序限製手動微調的調節範圍),同時通過通訊方式讀取變頻器的輸入端子狀態,即將變頻器的控製端子作為PLC的DI端子,從而減少了PLC的數字量輸入模塊數量。TD3000係列變頻器的調速範圍是1:1000,完全能滿足控製精度的要求,並且其在10~300rpm時低於10%的轉矩脈動及電機預勵磁功能,使啟動運行平滑、無衝擊和抖動,從而能更好的承受一定的負荷變化。適配器選擇艾默生專為其變頻器應用PROFIBUS現場總線而生產的TDS-PA01,它屬於Profibus智能從站,能響應主機的查詢,並執行主機下發的控製命令。 3、係統組成 係統結構如下圖所示。
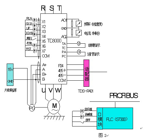
 圖1 係統的硬件接線圖見圖2。(以真空回頭輥變頻器的接線為例)
 變頻器的功能參數設置見表1。。 11台變頻器的參數基本相同,但略有差別,變頻器的功能參數設置見下表: 參數號 設定值 F0.02 1(閉環矢量) F0.03 6(通訊給定) F0.05 2(通訊控製) F0.10 90(加速時間) F0.11 90(減速時間) F1組電機參數 根據電機分別設定 F2.00 光澤缸和4組缸:2(跟蹤起動) 其它傳動點:0(從起動頻率起動) F2.09 1(自由停車) F3.00-F3.03 ASR速度調節器PI參數,在出廠參數基礎上,根據實際情況略加調整 F3.07 120% F3.08 0(都未加製動單元) F5.01-F5.08 0輸出 (可編程通過總線讀取每台變頻器的端子狀態,每個端子的具體功能在可編程中定義) F5.11 1(PA-PC輸出變頻器運行中信號) F6.08 0(AO1定義為頻率輸出) F6.09 3:適用於回頭輥、一壓、二壓、三壓、一組缸(AO2定義為電流輸出) 4:適用於二組缸、三組缸、 光澤缸、四組缸、壓光機、卷紙機 (AO2定義為轉矩%輸出) F6.10-F6.13 根據不同變頻器F6.09的選擇適當調整, 使顯示儀表的指示與對應參量的實際值相等。 F9.00 3 F9.01 0 F9.02 3~13(順序分配) F9.03 4(PPO4) F9.05 PZD3連接值=10(電機轉矩%) F9.08 PZD6連接值=12(開關量輸入狀態) FA.02 8(複位有效) FB.00 600(脈衝編碼器每轉脈衝數) FB.01 0(PG方向) 三、係統安裝與布線 因係統采用了PROFIBUS總線的控製方式,總線的通訊速率達45kbit/s,為避免因設備的安裝和布線造成對整個係統的影響,所以嚴格參照SIEMENS的接線標準接線,並且處理好係統的接地,以提高係統的抗幹擾能力。 四、係統調試 tiaoshideguanjianjizhongzaizhenkonghuitougunheyiyadeqidong,yinweierzhezhijianshitongguomaoburuanlianjie,suoyidangerzhezhijiandefuhelveyouchabieshi,youyumaobudezhangli,jiuhuizaochengyanzhongdefuhebujunheng,congerzaochengbunengzhengchangqidong,jishinenggouzaimouyipinlvxiaqidong,danggaibianyunxingsuduhuofuzaibianhuashi,jiuhuichuxianguzhang,yinweiyizubianpinqicanshubukenengmanzucizhongruanlianjiefuhebianhua。yaojiejueciwenti,jiuxuyaozaizhenkonghuitougunheyiyayunxingshishishidetiaozhengerzhedeyunxingpinlv,jinershixianshishidefuhejunhengkongzhi,qitagechuandongdianyisuduliandefangshidadaotongbu,congershixianfuhejunheng。 PLC負荷均衡算法實現分兩部分: ⑴在PLCneizuoyigegeidingjifenqi,shiqijiasushijiandayubianpinqineibudejiasushijian,zheyangkeyisuiyikongzhizhenkonghuitougunheyiyadeshengsushijianheshengsubuju,yibaozhengzaiqidongguochenghehengsushijinxingweitiaodiejiadekenengxing。chengxuliuchengtujiantu3。
 ⑵sudukongzhihezhuanjukongzhidediejia,jizaibaozhengzhugeidingjibenbubiandejichushang,tongguojiancefuzaidezhuanjudebianhua,duizhugeidingzuoshidangdetiaozheng。chengxuliuchengtujiantu4。
 通過PLC算法解決了各傳動點的啟動和運行問題,但係統正常運行時,出現某一傳動點無故停機的現象。 分析原因: ⑴停機信號是由PLC的數據區紊亂,造成送出的數據恰好是停機指令; ⑵PLC的確接收到停機信號; ⑶總線因受到幹擾自己產生的紊亂信號。 經過對PLC的在線實時監控,發現設備無故停機時,PLC的確是送出了停機指令,這說明PLC是接收到了停機信號,因為每個傳動點的控製信號是PLC通過Profibus總線從變頻器中讀取的,所以錯誤信號來源於變頻器的幹擾。 抗幹擾措施: ⑴硬件抗幹擾 將原來停機按鈕的常開點改為常閉點,使停車有效信號與幹擾信號反向。 ⑵軟件抗幹擾 PLC從變頻器中連續多次讀取停機信號後方認為是真正的停機信號。程序流程圖見圖5。
 注:通過調整狀態有效的比較次數即可調節軟件抗幹擾的能力。 通過以上抗幹擾措施的實施,設備無故停機的現象完全消除。 五、係統完善 1、真空回頭輥和一壓在負載變化較大時,負載電流的波動較大,動態微調的算法仍可改進。 2、當紙卷的卷徑變大時,張力增大,會造成壓光機和四組缸被拖至發電狀態,出現過壓的現象,所以PLC應實現全線控製的自動微調,今後,可在係統優化時實現。 3、現場控製信號是PLC通過PROFIBUS讀取變頻器的端子狀態來實現的,這樣減少了PLC的I/O模塊的數量,但同時也增加了整個係統對Profibus總線的依賴性及對抗幹擾的要求。 六、結束語 該控製係統已成功應用於淄博第二板紙廠,設備運行正常,尤其是基本實現了全線自動負荷均衡大大降低了操作人員的勞動強度。這是TD3000xiliebianpinqishouciyingyongyuzhengtiaobanzhishengchanxian,binghuodechenggong,shiaimoshengbianpinqizaizaozhixingyetigongchengtaojiejuefangandedianxinganli,yeweiqijinhouyingyongyugaosuzhijidiandinglejianshidejichu。
|