摘 要:通過舉例,介紹了四種梯形圖的設計方法,並指出了每種方法的特點。 關鍵詞:可編程控製器 梯形圖 邏輯代數 一、引言 可編程控製器是將繼電器控製的概念和設計思想與計算機技術及微電子技術相結合而形成的 專門從事邏輯控製的微機係統。在PCxitongyingyongzhong,tixingtudeshejiwangwangshizuizhuyaodewenti。tixingtubudanyanyonghefazhanledianqikongzhijishu,erqieqigongnenghekongzhizhilingyiyuanyuanchaoguodianqikongzhifanchou。tabujinkeshixianluojiyunsuan,haijuyousuanshuyunsuan、數據處理、聯(lian)網(wang)通(tong)信(xin)等(deng)功(gong)能(neng),是(shi)具(ju)有(you)工(gong)業(ye)控(kong)製(zhi)指(zhi)令(ling)的(de)微(wei)機(ji)係(xi)統(tong)。由(you)於(yu)梯(ti)形(xing)圖(tu)的(de)設(she)計(ji)是(shi)計(ji)算(suan)機(ji)程(cheng)序(xu)設(she)計(ji)與(yu)電(dian)氣(qi)控(kong)製(zhi)設(she)計(ji)思(si)想(xiang)結(jie)合(he)的(de)產(chan)物(wu),因(yin)此(ci),在(zai)設(she)計(ji)方(fang)法(fa)上(shang)與(yu)計(ji)算(suan)機(ji)程(cheng)序(xu)設(she)計(ji)和(he)電(dian)氣(qi)控(kong)製(zhi)設(she)計(ji)既(ji)有(you)著(zhe)相(xiang)同(tong)點(dian),也(ye)有(you)著(zhe)不(bu)同(tong)點(dian)。本(ben)文(wen)對(dui)開(kai)關(guan)量(liang)控(kong)製(zhi)係(xi)統(tong)梯(ti)形(xing)圖(tu)的(de)設(she)計(ji),提(ti)出(chu)了(le)四(si)種(zhong)常(chang)用(yong)方(fang)法(fa)。二(er)、替代設計法 所謂替代設計法,就是用PC機的程序,替代原有的繼電器邏輯控製電路。它的基本思想是: 將原有電氣控製係統輸入信號及輸出信號做為PC的I/O點,原來由繼電器―接觸器硬件完成的邏輯控製功能由PC機的軟件―梯形圖及程序替代完成。例如,電動機正反轉控製電路,原電氣控製線路圖如圖1所示。由PC控製替代後,其I/O接線 圖和梯形圖分別如圖2、3所示。
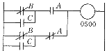
 圖3PC梯形圖這種方法,其優點是程序設計方法簡單,有現成的電氣控製線路作依據,設計周期短。一般 在舊設備電氣控製係統改造中,對於不太複雜的控製係統常采用。 三、邏輯代數設計法 由於電氣控製線路與邏輯代數有一一對應的關係,因此對開關量的控製過程可用邏輯代數式 表示、分析和設計。 基本設計步驟如下: 1、根據控製要求列出邏輯代數表達式。 2、對邏輯代數式進行化簡。 3、根據化簡後的邏輯代數表達式畫梯形圖。下麵舉一簡單例子來具體說明。 某一電動機隻有在三個按鈕中任何一個或任何兩個動作時,才能運轉,而在其他任何情況下 都不運轉,試設計其梯形圖。 將電動機運行情況由PC輸出點0500來控製,三個按鈕分別對應PC輸入地址為A、B、C。根據題意,三個按鈕中任何一個動作,PC的輸出點0500就有輸出。其邏輯代數表達式為當三個按鈕中有任何兩個動作時,輸出點0500的邏輯代數表達式為因兩個條件是“或”關係,所以電動機運行條件應該為簡化該式得
 圖4 電動機運行情況梯形圖 根據邏輯代數表達式,畫梯形圖,如圖4所示。 圖4利用這種方法設計,最大的特點是可以把很多的邏輯關係最簡化。 當然出於可靠和安全性角度考慮的冗餘設計是另外一個問題。 四、程序流程圖設計法 PC采用計算機控製技術,其程序設計同樣可遵循軟件工程設計方法,程序工作過程可用流程 圖表示。由於PC的程序執行為循環掃描工作方式,因而與計算機程序框圖不同點是,PC程序框圖在進行輸出刷新後,再重新開始輸入掃描,循環執行。 下麵以全自動洗衣機控製為例,說明這種設計方法的應用。 首先畫出洗衣機工藝流程圖,如圖5所示。
 圖5洗衣機工藝流程圖 第二步選擇PC機型,設置I/O點編號。其I/O點編號分配如下: I/O點分配 計時/計數器分配 00起動開關 T600正轉計時 01停止開關 T601暫停計時 02手動排水開關 T602反轉計時 03高水位開關 T603暫停計時 04低水位開關 T604脫水計時 20起動洗衣機 T605報警計時 21進水 C606洗滌次數 22正轉洗滌 C607脫水次數 23反轉洗滌 25排水 26脫水 27停止、報警 第三步,根據流程圖,設計梯形圖,如圖6所示
 圖6洗衣機梯形圖 五、功能模塊設計法 根據模塊化設計思想,可對係統按控製功能進行模塊劃分,依次對各控製的功能模塊設計梯 形圖。 例如,在PC電梯控製係統中,對電梯控製按功能可分為:廳門開關控製模塊,選層控製模塊,電梯運行控製模塊,呼梯顯示控製模塊等。按電梯功能進 行梯形圖設計,可使電梯相同功能的程序集中在一起,程序結構清晰,便於調試,還可以根 據需要靈活增加其他控製功能。 當然,在設計中要注意模塊之間的互相影響時、時序關係,以及聯鎖指令的使用條件。同一 種控製功能可有不同的軟件實現方法,應根據具體情況采用簡單實用的方案,並應充分利用 不同機型所提供的編程指令,使程序盡量簡潔。 六、結束語 本文介紹了PC梯形圖的四種設計方法,除此之外,還有其他一些方法,如經驗法。在係統設 計中對不同的環節,可根據具體情況,采用不同的設計方法。通常在全局上采用程序框圖及功能模塊方法設計;在舊設備改造中,采用替代法設計;在局部或具體功能的程序設計上,采用邏輯代數法和經驗法。
|