|
近jin些xie年nian來lai,工gong業ye洗xi滌di設she備bei尤you其qi以yi水shui洗xi設she備bei為wei主zhu,變bian頻pin器qi的de應ying用yong越yue來lai越yue普pu及ji,變bian頻pin器qi也ye因yin此ci為wei工gong業ye洗xi滌di設she備bei帶dai來lai了le全quan新xin的de技ji術shu革ge命ming,從cong最zui早zao的de不bu可ke調tiao速su的de半ban自zi動dong洗xi衣yi機ji到dao用yong兩liang個ge雙shuang速su電dian機ji來lai實shi現xian四si個ge速su率lv的de全quan自zi動dong洗xi衣yi機ji,最zui後hou發fa展zhan到dao隻zhi需xu一yi個ge電dian機ji就jiu可ke實shi現xian多duo段duan速su率lv的de現xian代dai洗xi衣yi機ji。 全自動洗衣機的洗滌過程如下:
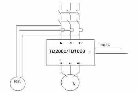
 首先,加水,正反轉洗滌25分鍾,洗滌完畢後,排水,進入脫水階段,脫水階段包括均布、中脫和高脫三個過程,均布即是在有水和無水的情況下,以比洗滌過程高的轉速正向旋轉1.5分鍾,使衣物均勻地附著在洗衣機的滾筒內側,以使後續的脫水過程平穩;排水後,提高轉速進入中速脫水過程(2分鍾),隨後再進入高速脫水過程(5分鍾),使衣物的含水率降至所要求的水平。 速度的設定方式有兩種: 1)以多段速的方式,在變頻器上直接設定各階段運行速度; 2)通過洗衣機專用控製電腦,以通訊方式設定各階段的運行速度。 各階段的運行速度為: 洗滌:30rpm左右 均布:60rpm左右 中脫:400rpm左右 高脫:700~800rpm。 工業洗衣機要求變頻器能提供高轉矩、多段速、寬電壓範圍、自動轉差補償和方便的通訊方式;性能穩定,能適應各種賓館、酒店洗衣房的高溫、高濕的環境;變(bian)頻(pin)器(qi)供(gong)應(ying)商(shang)能(neng)提(ti)供(gong)及(ji)時(shi)的(de)和(he)完(wan)善(shan)的(de)服(fu)務(wu),總(zong)之(zhi),要(yao)求(qiu)變(bian)頻(pin)器(qi)能(neng)適(shi)應(ying)工(gong)業(ye)洗(xi)衣(yi)機(ji)特(te)定(ding)的(de)洗(xi)滌(di)工(gong)藝(yi)要(yao)求(qiu)和(he)特(te)定(ding)客(ke)戶(hu)群(qun)的(de)服(fu)務(wu)要(yao)求(qiu)。我(wo)公(gong)司(si)從(cong)1992niankaishitansuoshengchanquanzidongbianpingongyexiyiji,xianhouyinjinleouzhouhetaiwanpinpaibianpinqi,zaiquanguoshoucishiyanchenggong,youyubianpinqishigongyexiyijizhongdehexinguanjianbujian,shangshuliangpinpaizaizhiliang、服務和價格方麵均存在不足,2001年,我們又引進了美國EMERSON(艾默生)變頻器,EMERSON公司的“關注客戶需求”的經營理念和遍布全國乃至世界的聯保服務中心和DriveCenter吸引了我們,EMERSON變頻器性能優異、質量可靠、價格適宜,調節簡單,操作方便,根據我公司的技術要求,EMERSON變頻器采用了首創的V/F曲線自動調節技術,根據洗滌狀況自動診斷及調整V/F曲線,使洗衣機啟動平穩,電流降低,2001年首次在我公司200kg型全自動洗衣機上應用,運行至今,穩定可靠。 工業洗衣機電氣接線原理示意圖:
 今年,為了進一步降低成本,提高產品競爭力,我公司又引進了新型變頻電機,新型電機要求變頻器提供手動V/F曲線調節功能,ENERSON公司又為我司研製了新型變頻器,增加了多段V/F曲線功能。在工業洗衣機中,要求V/F曲線如下:
 圖中:a、A代表最低電壓及最低頻率 b、B代表中間電壓及中間頻率 c、C代表最高電壓及基本運行頻率 (A、a)點可以在原點,A的範圍大致在0~4HZ之間,a的範圍大致在0~25V之間,調節(A、a)點可影響設備的啟動轉矩,從而影響設備的洗滌轉速。如果(A、a)點下移,則設備的啟動頻率低,洗衣機啟動緩慢且平穩,要求變頻器的低頻啟動轉矩要大。 (B、b)點的調節則直接影響設備洗滌時的運行電流,這是非常重要的一點。如果(A、a)與(B、b)點之間的斜率大,即V/F曲線坡度陡,則運行電流會很大,但坡度太緩也不行,這裏需要根據經驗來調節。 以100kg型洗衣機為例: (A、a)點:2HZ,24V (B、b)點:25HZ,112V (C、c)點:50HZ,380V 經過在100kg型洗衣機上的試驗(變頻器為TD2000-4T0110G,11kw),得出數據如下: 啟動電流(A)運行電流(A)轉速(rpm)頻率(HZ) 洗滌11.811.3327.06 均布13.17.66011.66 中脫7.21.935065.36 高脫6.72.8653123.6 以上數據是反複試驗兩天得出的,期間有過連續運行四小時的情況,無一次異常事故,變頻器溫升很小。另外,在30kg、50kg、70kg機型上均得出類似結論。而在使用新型電機和EMERSON變頻器之前,100kg型全自動洗衣機洗滌時的運行電流為30A左右,必須使用15KW變頻器。可以看出,EMERSON變頻器在我公司洗滌設備降低成本方麵起到重要作用。EMERSON變頻器的確是一款適合洗滌設備使用的優質變頻器。
|