|
嚴敏、楊陽、郭勝軍、於進、沈慶良、嚴海、魏良餘、褚洪峰(上海船舶運輸科學研究所,200135)
摘要:本文介紹了在熔鹽爐自動係統中,采用Allen-Bradley ControlLogix雙CPU的PLC控製器,以軟件方式實現CPU冗餘控製。這是一種花錢少、效果好的提高係統可靠性的有效手段。
關鍵詞:CPU冗餘,ControlLogix,編程
PLC是現代工業的三大支柱之一,是可靠性高、應用非常廣泛的工業控製產品。在中大型模塊化的PLC產品中,CPU模塊(中央處理器)是PLC的中心。一些重大的工業生產線往往要求連續運行不能停頓,而可靠性再高的PLC也不能保證故障為零,因此,雙CPU的冗餘控製是一種滿足連續生產要求、提高係統可用性的有效手段。下麵以熔鹽爐自控係統為實例詳述雙CPU冗餘控製的實現方法。
一、熔鹽爐自動係統綜述

rongyanluzikongxitongshiyishuiyinglvguandaohuarongchushengchanxianshangdezhongyaohuanjie,kongzhirongyandejiarehexunhuan,yongrongyandereliangquxunhuanjiarelvkuangshijiang。lvkuangshijiangdejiarezhiguanzhongyao,yingxiangzuizhongchanpin―氧化鋁的質量和產量,因此,熔鹽的溫度控製和循環控製非常重要。
由you於yu熔rong鹽yan爐lu係xi統tong在zai管guan道dao化hua工gong程cheng中zhong的de重zhong要yao性xing,同tong時shi考kao慮lv到dao熔rong鹽yan是shi一yi種zhong活huo躍yue的de化hua學xue品pin,在zai不bu同tong的de溫wen度du下xia有you不bu同tong的de形xing態tai,低di溫wen下xia凝ning固gu,高gao溫wen下xia不bu穩wen定ding會hui發fa生sheng化hua學xue反fan應ying,從cong而er腐fu蝕shi管guan壁bi甚shen至zhi於yu爆bao炸zha,所suo以yi安an全quan、可靠、操作簡便和自動化管理是係統設計的關鍵,因此考慮用一套雙CPU冗餘的PLC、兩套工控機、高質量的傳感器、變送器和執行機構來控製兩台1200萬大卡的熔鹽爐、一台鹽泵、一組鹽閥、一個熔鹽槽和其他相關設備,實現熔鹽的加熱和循環過程自動化、計算機操作、監控和管理的自動化控製。該係統如圖1所示。
控製器PLC、工控機(包括顯示器)、通訊網絡和電源及關鍵測試點等係統中的重要部件均采用冗餘結構,兩套工控機和大屏幕顯示器組成的兩套監控操作管理台並行運行;兩條冗餘的ControlNet高速通訊網絡同時傳送數據;兩套直流電源同時向控製器PLC、變送器和開關量輸入模塊供電,關鍵測試點同時設置兩個傳感器測試數據。
冗餘設計使係統關鍵部件的可靠性提高了一倍,而使係統的整體可靠性大大的提高。
二、雙CPU的PLC控製器
PLC控製器是係統控製的中心,采集係統的全部工況信號,實時控製相關的設備動作;tongshijianshishengchanguochengcanshuheshebeiyunxingzhuangtai,dangweixiangongkuangchuxianshi,jishifachushengguangbaojing,dangjixiangongkuangchuxianshi,liansuobaohushebei,baozhangshengchanguochenganquan。weici,womenxuanzeleyichanpinkekaoxinggaozhuchengdeluokeweierzidonghuagongsidexinyidaikongzhipingtai:A-B ControlLogix係列,同時考慮采用雙CPU模塊冗餘,進一步提高係統可靠性,避免因故障出現所引起的生產停頓或安全事故。
三、兩種雙CPU冗餘方式的比較
ControlLogix提供有兩種CPU冗餘解決方法,一種為純硬件冗餘,另一種為軟件冗餘。
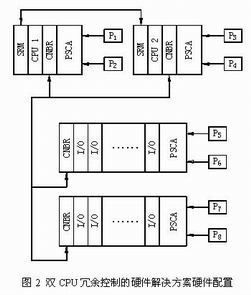
硬件冗餘的方法,是將兩個CPU模塊插在不同的兩個機架上,每個機架上除了CPU模塊,還要有通訊模塊CNBR、熱備模塊SRM和兩個熱備模塊間的連接光纜,如圖2所示。
軟件冗餘,是將兩個CPU模塊插在同一個框架上,利用背板通訊,進行冗餘控製,如圖3所示。
 
從以上可以看出,純硬件冗餘的方式硬件投入較多,成本開支較大大。而軟件冗餘,隻需增加一塊CPU模塊,成本增加很少,因為一般像CPU這種PLC的心髒,廠家都會配有備件,用備件來實現冗餘控製,既提高了係統的可靠性和可維護性(可做到在線維護,不影響生產線運行),又不會顯著增加成本開支。
單純從可靠性方麵分析,純硬件的冗餘較之軟件冗餘並無優勢。因為增加了較多的部件、mokuai,zhexiebujianhemokuaideguzhang,yehuiyingxiangxitongdekekaoxing。liru,danglianggerebeimokuaizhijiandelianjieguanglanchuxianguzhang,tongyanghuishirongyukongzhishixiao。erruanjianrongyu,zhizengjialeyikuaiCPU模塊,而兩個CPU模塊的同時故障率幾乎為零。
純硬件冗餘的優點之一,就是不需要軟件進行專門的編程,CPU的狀態監視和控製權的轉移是由兩個熱備模塊來完成的。而軟件冗餘中兩個CPU模塊的狀態監視和控製權的轉移是通過軟件編程解決的。因此,軟件冗餘編程相對比較複雜,工作量較大。
綜合考慮以上因素,本熔鹽爐自動係統采用軟件方式實現PLC的雙CPU冗餘控製。兩塊CPU模塊同時在係統中運行,一塊運行於主控模式,另一塊運行於熱備份模式。當其中任一塊CPU發生故障時另一塊CPU立即監視到並發出報警,自動將正常的CPU投入主控模式。CPU的無擾動切換,使係統一直受控,確保了安全,同時,使管道化生產線一直處於正常運行的良好工況中。
四、軟件實現
CPU冗餘控製的軟件實現編程主要從下麵兩方麵考慮:
1、控製權的裁決和轉移
兩塊CPU同時在線運行,一塊處於主控製模式,另一塊處於熱備模式。擁有主控製權的CPU具有輸出控製權,而熱備CPU同時采集數據和保持通訊連接,但輸出被禁止。
兩個CPU模塊互相監視對方的運行狀態和通訊情況,一旦發現對方故障,立即發出報警,通過ControlNet網,傳送給上位工控機,在操作管理台上顯示報警。如果是主控CPU模塊故障,熱備CPU模塊自動獲得主控製權。控製權的裁決和轉移的軟件框圖如圖4所示。
2、兩塊CPU模塊的同步控製
由於熱備CPU隨時準備著,一旦主CPU故障,就立即獲取主控製權而成為主控CPU,因此,主CPU必須將自己的信息隨時傳遞給熱備CPU,而熱備CPU必須跟蹤主CPU的變化,與主CPU保持同步,這樣,在兩塊CPU模塊進行控製權的轉移時,實現無擾動切換。CPU模塊的同步控製程序框圖如圖5所示。
五、結束語
用A-B ControlLogix雙CPU的PLC控製器實現的熔鹽爐自動係統,已於2001年底開始成功運行於中國鋁業河南分公司,運行情況良好,滿足了一水硬鋁管道化溶出氧化鋁生產線的工藝要求。
我們的體會是,ControlLogix雙CPU冗餘控製的軟件方式實現是一種經濟、有效的方法,它成本支出不大,卻能使係統的可靠性大大提高。
另外,雙CPU冗餘控製時,如何利用Map命令,隻將具有主控製權的CPU數據通過ControlNet網傳送給其他控製設備,是值得進一步研究的。
參考文獻:
[1] Allen-Bradley Logix5550 Controller User’s Guide 1756-6.5.12 SEP 1999
[2] Allen-Bradley Software Output Switching Publication 1756-AP001A-US-E-December 1999
|