|
|
|
|
Q:為什麼普通的繼電器不能用於安全相關的應用 ?
|
|
A: 普通繼電器使用線圈及金屬觸點的機械動作來切換負載。金屬觸點可能由於反複操作而熔焊。一旦發生此種情況,機器在操作員按下 E-STOP 按(an)鈕(niu)後(hou)還(hai)會(hui)繼(ji)續(xu)運(yun)行(xing)。此(ci)時(shi)使(shi)用(yong)戶(hu)置(zhi)於(yu)危(wei)險(xian)環(huan)境(jing)。許(xu)多(duo)歐(ou)洲(zhou)安(an)全(quan)標(biao)準(zhun),美(mei)國(guo),國(guo)家(jia)和(he)國(guo)際(ji)標(biao)準(zhun)禁(jin)止(zhi)在(zai)具(ju)有(you)危(wei)險(xian)的(de)機(ji)器(qi)上(shang)使(shi)用(yong)簡(jian)單(dan)的(de)繼(ji)電(dian)器(qi)和(he)接(jie)觸(chu)器(qi) 。 |
|
 接觸器
|
使用壽命約 1 百萬次。 按 600―1000次/每天,300天/每年 = 180,000―300,000次/每年,大約的使用壽命 =3―5年 |
|
1987 年 ,Pilz發明了第一個緊湊型安全繼電器 PNOZ。 其後發明了用於緊急停止、安全門、雙手控製、光柵等衍生產品,並且在不斷擴大 。 |
|
 安全繼電器
|
故障檢測
l 輸入回路
l 安全回路
l 接地
安全功能由特殊的內部回路和繼電器技術來保證
| |
| Q: 繼電器觸點為何 / 怎樣會熔焊? |
|
A: 繼(ji)電(dian)器(qi)或(huo)接(jie)觸(chu)器(qi)觸(chu)點(dian)熔(rong)焊(han)是(shi)由(you)於(yu)過(guo)載(zai)等(deng)因(yin)素(su)引(yin)起(qi)的(de)。熔(rong)焊(han)可(ke)能(neng)引(yin)起(qi)危(wei)險(xian),例(li)如(ru)機(ji)器(qi)不(bu)能(neng)預(yu)期(qi)停(ting)機(ji)。例(li)如(ru)壓(ya)機(ji)通(tong)過(guo)光(guang)柵(zha)來(lai)保(bao)護(hu)。一(yi)旦(dan)操(cao)作(zuo)員(yuan)用(yong)手(shou)擋(dang)住(zhu)光(guang)束(shu),控(kong)製(zhi)繼(ji)電(dian)器(qi)就(jiu)斷(duan)開(kai),它(ta)的(de)觸(chu)點(dian)就(jiu)打(da)開(kai)。此(ci)時(shi)會(hui)停(ting)止(zhi)壓(ya)機(ji)動(dong)作(zuo)。如(ru)果(guo)一(yi)個(ge)或(huo)更(geng)多(duo)的(de)觸(chu)點(dian)熔(rong)焊(han),繼(ji)電(dian)器(qi)不(bu)再(zai)停(ting)止(zhi)壓(ya)機(ji),操(cao)作(zuo)員(yuan)會(hui)處(chu)於(yu)危(wei)險(xian)之(zhi)中(zhong)。
| 為何Pilz安全繼電器的觸點是鍍金的? |
|
因(yin)為(wei),繼(ji)電(dian)器(qi)是(shi)個(ge)頻(pin)繁(fan)動(dong)作(zuo)的(de)器(qi)件(jian),在(zai)觸(chu)點(dian)分(fen)斷(duan)時(shi)會(hui)出(chu)現(xian)電(dian)弧(hu),電(dian)弧(hu)的(de)溫(wen)度(du)一(yi)般(ban)都(dou)很(hen)高(gao),容(rong)易(yi)使(shi)觸(chu)點(dian)溶(rong)焊(han)或(huo)損(sun)毀(hui),因(yin)此(ci),如(ru)果(guo)使(shi)用(yong)熔(rong)點(dian)高(gao)又(you)不(bu)易(yi)磨(mo)損(sun)的(de)材(cai)料(liao)作(zuo)觸(chu)點(dian),會(hui)起(qi)到(dao)使(shi)用(yong)壽(shou)命(ming)長(chang)等(deng)效(xiao)果(guo)。 |
| Q: 使用一個擴展模塊和使用兩個繼電器的區別是什麼? |
|
A: 如果需要安全切斷大於10安(an)培(pei)的(de)電(dian)流(liu),可(ke)采(cai)用(yong)繼(ji)電(dian)器(qi)。然(ran)而(er),推(tui)薦(jian)使(shi)用(yong)強(qiang)製(zhi)斷(duan)開(kai)觸(chu)點(dian)結(jie)構(gou)的(de)繼(ji)電(dian)器(qi),而(er)且(qie)繼(ji)電(dian)器(qi)必(bi)須(xu)首(shou)先(xian)是(shi)相(xiang)互(hu)串(chuan)聯(lian)連(lian)接(jie)。同(tong)時(shi),使(shi)用(yong)繼(ji)電(dian)器(qi)的(de)設(she)計(ji)必(bi)須(xu)經(jing)過(guo)測(ce)試(shi),並(bing)且(qie)通(tong)過(guo)認(ren)證(zheng)公(gong)司(si)認(ren)證(zheng)。通(tong)常(chang)情(qing)況(kuang)下(xia),更(geng)好(hao)的(de)辦(ban)法(fa)是(shi)采(cai)用(yong)PZE擴展模塊,因為PZE擴展模塊易用,有認證,而且隻需和基礎模塊相接。 |
| Q:如何使用信號等來安全監控屏蔽功能? |
|
A:Pilz推出一款專門用於屏蔽監控的繼電器PMUT X1P。屏蔽和信號燈的正確的功能被安全地監測出來。 |
| Q:SafetyBUS p 是一個新的現場總線? |
|
A:SafetyBUS p 是一個基於CAN標準現場總線。它包含了ISO/OSI模型第一層和第七層。第一層被部分定義,第七層被完全定義。SafetyBUS p 引入了新的第七層,它包含了安全措施,並承擔網絡管理。 |
| Q:為何使用CAN 作為SafetyBUS p 的基礎? |
|
A:CAN總線提供了以下的優點:
- 事件驅動-快速的響應時間
- 多主結構-能夠鏈接幾個可編程安全係統
- 可靠的CAN芯片-非特定用途的集成電路
- 抗擾度-高可用性
| Q:SafetyBUS p 為何安全?會出現什麼類型的通訊故障? |
|
A:在協議中采用了額外的措施來保證所有的通訊故障能夠被檢測出來。如,延時或信息混亂。 |
| Q:SafetyBUS p 如何進行數據傳輸控製? |
|
A:數據傳輸是事件驅動的。從站的連接控製是時間驅動的。 |
| Q: 固態繼電器有多安全 ? |
|
A:對(dui)於(yu)普(pu)通(tong)的(de)固(gu)態(tai)繼(ji)電(dian)器(qi),是(shi)用(yong)一(yi)個(ge)晶(jing)體(ti)管(guan)來(lai)切(qie)換(huan)所(suo)連(lian)接(jie)的(de)負(fu)載(zai)。通(tong)常(chang)一(yi)個(ge)光(guang)電(dian)耦(ou)合(he)器(qi)來(lai)隔(ge)離(li)輸(shu)入(ru)信(xin)號(hao)和(he)功(gong)率(lv)晶(jing)體(ti)管(guan)。功(gong)率(lv)晶(jing)體(ti)管(guan)可(ke)能(neng)由(you)於(yu)多(duo)種(zhong)原(yuan)因(yin)而(er)導(dao)致(zhi)其(qi)發(fa)生(sheng)故(gu)障(zhang),例(li)如(ru)由(you)於(yu)晶(jing)體(ti)管(guan)本(ben)身(shen)材(cai)料(liao)或(huo)者(zhe)製(zhi)造(zao)工(gong)藝(yi)存(cun)在(zai)缺(que)陷(xian)、電路過載、電(dian)路(lu)短(duan)路(lu)或(huo)者(zhe)超(chao)出(chu)了(le)使(shi)用(yong)壽(shou)命(ming)。最(zui)壞(huai)的(de)情(qing)況(kuang)是(shi)晶(jing)體(ti)管(guan)在(zai)導(dao)通(tong)的(de)狀(zhuang)態(tai)下(xia)發(fa)生(sheng)故(gu)障(zhang),此(ci)時(shi)發(fa)生(sheng)危(wei)險(xian)狀(zhuang)況(kuang)需(xu)要(yao)緊(jin)急(ji)停(ting)車(che),但(dan)已(yi)不(bu)能(neng)及(ji)時(shi)地(di)把(ba)負(fu)載(zai)的(de)電(dian)源(yuan)給(gei)切(qie)斷(duan)。 所以普通的固態繼電器不能被用在安全相關的應用上。這就是為什麼Pilz公司開發了具有半導體輸出的PNOZelog―安全固態繼電器。該繼電器利用了現代電子技術,從而增加了設備的可靠性:使用壽命較長、無損耗性、內部診斷功能(可以通過PLC獲取診斷信息)。
安全功能 該繼電器的安全功能由兩個微處理器還完成,它們具有相反的電路構造、同步檢測以及自檢功能來保證安全功能的正確實施。 |
 |
邏輯控製功能 幾個 PNOZelog 可以通過 “ 與 / 或 ” 邏輯功能而連接 ( 普通繼電器是沒有此類功能的 ), 這樣可以取代繼電器外圍的硬接線。 一台設備中所有的 PNOZelog 可以被連接在一起來實現一個完整的安全功能。 |
| |
應用案例 如果按下急停按鈕 , 電機 A 將會立刻停下 , 電機 B 將會延後一段時間後再停下 。 如果安全門被打開 , 隻有電機 B 會停下 |
| Q:安全繼電器輸入回路的電纜最長是多少? |
|
A:不同的Pilz安全繼電器內部電路的技術參數都是不同的,其內部電阻為30~200歐姆不等。最大電纜長度是依據總電阻而來的。總電阻值=輸入回路中導線的電阻+輸入回路中所有觸點的電阻。總電阻值必須小於等於內部電阻值。 |
| Q:可以對急停按鈕進行保護為了防止其被誤操作或者損壞? |
|
A:可以采取保護措施,但不能妨礙急停按鈕正常地被按下。 |
| Q:調試繼電器時如果沒有輸出該怎麼辦? |
|
A:shouxiangenjuyonghushoucejianzhajiexianshifouzhengque,ruguojidianqihaibunengzhengchanggongzuodehua,duanjieshurutongdao,bingqiegaiweizidongfuwei,bucaiyongfankuihuilu。ruguocishijidianqirengjiubunengzhengchanggongzuo,naninjiuxuyaobajidianqijihuiPilz公司。 |
| Q:能不能在SafetyBUS p上使用其它非安全CAN協議(CANopen,CAL,DeviceNET,SDS)? |
|
A:這些非安全CAN協議與SafetyBUS p不兼容。 |
| Q:SafetyBUS p可以傳輸多少數據? |
|
A:根據CAN協議,每次信息流最多可以攜帶8字節的信息(除去安全信息外)。最多可以傳輸大小為64K字節的數據塊。 |
| Q:安全係統如何與非安全總線係統通訊? |
|
A:通過PSS的標準通信模塊可以實現與其他幾乎所有的標準現場總線係統的通訊。例如Profibus-DP,Interbus-S,Devicenet,ControlNet,CANopen,Ethernet,MPI… |
| Q:SafetyBUS p有哪些拓撲結構? |
|
A:有線性拓撲,數型拓撲和星型拓撲。注:環形拓撲是不允許的 |
| Q:SafetyBUS p最長可以是多少? |
|
A:SafetyBUS p網絡依據數據傳輸速率最長可以是3500m |
| Q:SafetyBUS p最快的傳輸速率? |
|
A:100米範圍之內最快可以達到每秒500KBits。 |
| Q:一條SafetyBUS p上可以有多少個分站? |
|
A:最多到64個分站。一個分站可以是分散型I/O模塊(數字輸入輸出),網橋或者是可編程安全係統(PSS SB…) |
| Q:安全總線可以擴展嗎? |
|
A:可以,通過PSS SB Router(總線路由器)來擴展安全總線。 |
| Q:安全總線的響應時間? |
|
A:安全總線的響應時間決定於整個安全網絡的配置。最快可以達到25ms,反應時間可以使用SafetyBUS p calculator計算出來。 |
| Q:總線怎麼配置? |
|
A: 1.在每個分站上通過旋轉開關設定總線地址 2.沒有必要人為的去設定總線速度,因為每個分站自動會檢測出數據傳輸速率。 3.使用編程軟件來設定I/O組群 |
| Q:SafetyBUS p上的故障如何被檢測出來? |
|
A:SafetyBUS p有自動診斷功能用來檢測潛在的故障狀況。故障信息會在PSS上顯示而且會被保存在故障堆棧中。 |
| Q:PSS可編程安全係統是否和SafetyBUS p兼容? |
|
A:是的,所有的程序和塊仍舊可以使用。但是,具有SafetyBUS p功能的CPU能夠提供更多的I/O點數量。 |
| Q:SafetyBUS p係統如何和非安全相關總線係統通訊? |
|
A:通過PSS的標準部分以及相應的通訊模塊可以和絕大多數的標準總線係統通訊。例如,可以和Profibus-DP,Interbus-S,Devicenet,ControlNet,CANopen,Ethernet,MPI等通訊。 |
| Q:如何檢測出SafetyBUS p故障? |
|
A:SafetyBUS p對於所有潛在故障情況都具有自動診斷功能。故障代碼會顯示在PSS的顯示屏上並且存於故障堆棧中。 |
|
|
| Q:SafetyBUS p上最多可以有多少個組群? |
|
A:最多可以有32個組群。
| Q:SafetyBUS p擁有哪些認證? |
|
A:BG TüV UL |
| Q:SafetyBUS p可以應用在哪些場合? |
|
A: SafetyBUS p可以應用在工業領域的各種地方:壓機控製、提升和傳送設備、纜車、電站、燃爐控製、油漆車間、車身車間、焊裝車間等等 |
| Q:從技術上來講,DC1,DC3,AC1和AC15是如何定義的? |
|
A:通過測試建立起接觸負載的種類。DC/AC代表電流的種類和開關負載類型的數量。DC1和AC1指的是抵抗力負載的種類,如白熾燈。另一方麵,DC13和AC15指的是感應負載如電機或繼電器線圈。相比較單純的抵抗負載,感應負載可以產生更高的負載。那就是AC負載較大的原因,例如,8A/250 V用於DC的時候指的是PNOZ 1,但是用於AC則僅僅是指5 A/230V. |
| Q:一個安全繼電器可以串聯或者監控多少安全門或緊急停止按鈕? |
|
A:這是一個被經常問到的問題,答案則取決於機器的等級。 急停按鈕:在(zai)每(mei)個(ge)等(deng)級(ji)中(zhong),緊(jin)急(ji)停(ting)止(zhi)按(an)鈕(niu)都(dou)可(ke)以(yi)被(bei)串(chuan)聯(lian),不(bu)需(xu)要(yao)考(kao)慮(lv)一(yi)些(xie)急(ji)停(ting)按(an)鈕(niu)會(hui)在(zai)危(wei)險(xian)的(de)情(qing)況(kuang)下(xia)被(bei)同(tong)時(shi)誤(wu)操(cao)作(zuo)的(de)情(qing)況(kuang),急(ji)停(ting)按(an)鈕(niu)觸(chu)點(dian)的(de)故(gu)障(zhang)也(ye)會(hui)被(bei)檢(jian)測(ce)出(chu)來(lai)。 安全門:設(she)計(ji)安(an)全(quan)門(men)並(bing)不(bu)是(shi)用(yong)於(yu)急(ji)停(ting)功(gong)能(neng)而(er)是(shi)為(wei)了(le)防(fang)止(zhi)安(an)全(quan)門(men)開(kai)啟(qi)時(shi)機(ji)器(qi)的(de)意(yi)外(wai)啟(qi)動(dong)。因(yin)此(ci)也(ye)可(ke)以(yi)假(jia)設(she)一(yi)些(xie)安(an)全(quan)門(men)會(hui)開(kai)啟(qi),以(yi)維(wei)修(xiu)工(gong)作(zuo)為(wei)例(li),如(ru)果(guo)安(an)全(quan)門(men)被(bei)串(chuan)接(jie),一(yi)個(ge)觸(chu)點(dian)損(sun)壞(huai)(如焊死)的狀況會因為其他安全門上開啟的觸點而被忽視,導致不能檢測出故障,還可能引起故障的累積。 因此,急停按鈕和安全門功能必須分別進行監控。
關於安全等級2的標準 EN 954-1, 6.2.3安全等級2 安全等級2中安全相關部分的設計必須保證它們的功能能夠通過機器控製係統在適當的間隔進行檢查係統行為: ●故障的發生會導致安全功能的喪失 ●通過檢測可以得知安全功能的喪失 安全門用於偶爾進入危險區域,以進行維修工作為例,TUV和BG標準允許其串接但必須保證定期進行測試 在需要經常進入危險區域的情況下,就必須對每個安全門單獨監測。
關於安全等級3的標準 EN 954-1, 6.2.4安全等級3 安全等級3中安全相關部分的設計必須保證任何部分的單一故障不會導致安全功能的喪失。 danganquanmenkaiguanchuanjie,bushisuoyoudeguzhangdounengbeijiancechulai,naxiemeiyoubeijiancechulaideguzhanghaihuizaixitonglimian。bukejianceguzhangdeleijihuidaozhianquangongnengdesangshi。weinenggoujiancechumeigeguzhang,meicizhinengyouyigeanquanmendakaihuozhemeigeanquanmendoubixuduliceshi。 雖然這滿足安全等級3級的要求,如果說一些安全門可能會被同時開啟,則這個例子就不能使用。因此作為每個循環一部分來運行的安全門就不能進行串接。
關於安全等級4的標準 EN 954-1, 6.2.5安全等級4 安全等級3中安全相關部分的設計必須保證: ●在任何安全相關部分的一個單一的故障都不會導致安全功能的喪失……。如果不能實現這樣的檢測,那麼累積的故障也不會導致安全功能的喪失。觸點和/或安全門的串接不能滿足安全等級4級。每個門都必須單獨監控。 |
| Q:帶半導體輸出的光柵能否被連接到PNOZplus係統的擴展模塊PNOZ XE1上? |
|
A:不行,隻有觸點輸入裝置才能被連接到PNOZ XE1上。隻有PNOZ XE2的擴展模塊才適合用於連接半導體。 |
| Q:如果我們收到維修後寄回的PNOZ Ex,我們需要新的測試證書嗎? |
|
A:隻(zhi)有(you)原(yuan)裝(zhuang)元(yuan)件(jian)才(cai)能(neng)用(yong)於(yu)維(wei)修(xiu)。維(wei)修(xiu)好(hao)的(de)設(she)備(bei)同(tong)樣(yang)受(shou)製(zhi)於(yu)嚴(yan)格(ge)的(de)測(ce)試(shi)流(liu)程(cheng)和(he)質(zhi)量(liang)控(kong)製(zhi),因(yin)此(ci)它(ta)也(ye)就(jiu)等(deng)同(tong)於(yu)一(yi)個(ge)新(xin)的(de)設(she)備(bei),由(you)於(yu)設(she)備(bei)是(shi)經(jing)過(guo)了(le)典(dian)型(xing)的(de)測(ce)試(shi)和(he)認(ren)證(zheng),故(gu)不(bu)需(xu)要(yao)新(xin)的(de)測(ce)試(shi)證(zheng)書(shu)。 |
| Q: 什麼樣的雙手繼電器可以用於替代 P2HZ -1,-2,-3 和 - 4 ? |
|
A: 這些單元的不同之處僅在於其觸點的配置和電壓類型,現今 P2HZ 5 已經集眾多功能於一身。 |
 |
簡單改變一些接線,你也可以使用以下單元: |
 |
l P2HZ X1 :3 常開 1 常閉, 45mm
l P2HZ X3 : 2 常開 1 常閉, 22.5mm
所有單元都遵守 EN574 , Ⅲ C 和 EN954-1 , 安全等級 4 級 | | |
| Q:在使用PDWZ速度監控的時候,Pilz有沒有推薦的任何具體的類型或轉速傳感器? |
|
A:沒有,任何一款標準的轉速傳感器都適用。 |
| Q:在Pilz的PDWZ的速度監控器上,設定值可以低至0.5V。這時候該監控器還能靜止嗎? |
|
A:不能,轉速傳感器提供的電壓是一個相對的值,代表的是一個不同速度的範圍。隻有使用特別設計的靜止監控器如PSWZ才能夠實現安全靜止檢測。 |
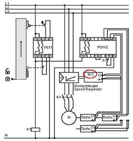
| Q:在PDWZ的速度監控器的操作指南的連接圖上有一個標有“NC”的方塊圖,請問這個“NC”是什麼意思? |
|
A:它代表的意思是數字控製器(NC)。

|
| Q:PSWZ靜止監控器能夠用於頻率驅動嗎? |
|
A:測量信號的閾值頻率是150HZ。更高的頻率可能會引起單元預料不到的動作,如可能會使輸出繼電器得電從而使得電機在運轉的時候也登記靜止。 在下麵的電路圖中,頻率的閾值是不相關的,在該例中,PSWZ不會被打開指導電機或頻率控製器被關閉。這是因為PSWZ的輸出繼電器指導靜止登記後才會得電,在其他的操作狀態下它均處於失電的狀態。從2001年5月起,我們開始提供PSWZ-F的後續模型,該模型的閾值頻率被增加到1000HZ。新單元其他的一些特性包括複位輸入和在終端Y35上的第二個晶體管輸出。 | | | |
|
|
狀 態:
離線
公司簡介
產品目錄
|
|
|
公司名稱:
|
皮爾磁中國
|
| 聯 係 人: |
銷售谘詢
|
| 電 話: |
021-60880878
|
| 傳 真: |
|
| 地 址: |
上海市浦東新區龍陽路2277號永達國際大廈1702-1704室 |
| 郵 編: |
201204 |
| 主 頁: |
|
|
|
|
|