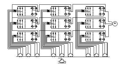
摘自賽爾資訊《2005-2006全國電力自動化行業商務年鑒》權威論壇欄目 北京利德華福電氣技術有限公司 總工程師 倚鵬 高壓變頻器(在國外稱中壓變頻器)自上個世紀九十年代中期開始在國內推廣,經過十年的發展,今天已經普遍為市場所接受,估計今年的市場容量在10億到20億元人民幣之間。本文將從產品技術和市場兩方麵分析高壓變頻器的特點。 一、高壓變頻器的產品和技術特點 上世紀八十年代到九十年代初,高壓電機要實現調速,主要采用三種方式:(1)液ye力li耦ou合he器qi方fang式shi。即ji在zai電dian機ji和he負fu載zai之zhi間jian串chuan入ru一yi個ge液ye力li耦ou合he裝zhuang置zhi,通tong過guo液ye麵mian的de高gao低di調tiao節jie電dian機ji和he負fu載zai之zhi間jian耦ou合he力li的de大da小xiao,實shi現xian負fu載zai的de速su度du調tiao節jie;(2)串級調速。串級調速必須采用繞線式異步電動機,將轉子繞組的一部分能量通過整流、逆變再送回到電網,這樣相當於調節了轉子的內阻,從而改變了電動機的滑差;youyuzhuanzidedianyahedianwangdedianyayibanbuxiangdeng,suoyixiangdianwangnibianxuyaoyitaibianyaqi,weilejieshengzhetaibianyaqi,xianzaiguoneishichangyingyongzhongpubiancaiyongneikuidianjidexingshi,jizaidingzishangzaizuoyigesanxiangdefuzhuraozu,zhuanmenjieshouzhuanzidefankuinengliang,fuzhuraozuyecanyuzuogong,zheyangzhuraozucongdianwangxishoudenengliangjiuhuijianshao,dadaotiaosujienengdemude。(3)高低方式。由於當時高壓變頻技術沒有解決,就采用一台變壓器,先把電網電壓降低,然後采用一台低壓的變頻器實現變頻;對於電機,則有兩種辦法,一種辦法是采用低壓電機;另一種辦法,則是繼續采用原來的高壓電機,需要在變頻器和電機之間增加一台升壓變壓器。 shangshusanzhongfangshi,fazhandaomuqiandoushibijiaochengshudejishu。yeliouheqihechuanjitiaosudetiaosujingdudoubijiaocha,tiaosufanweijiaoxiao,weihugongzuoliangda,yeliouheqidexiaolvxiangbibianpintiaosuhaiyouyidingdechaju,suoyizheliangxiangjishujingzhengliyijingbuqiangle。zhiyugaodifangshi,nenggoudadaobijiaohaodetiaosuxiaoguo,danshixiangbizhenzhengdegaoyabianpinqi,haiyouruxiaquedian:效率低,諧波大,對電機的要求比較嚴格,功率較大時(500KW以上),可靠性較低。高低方式的主要優勢在於成本較低。 目前,主流的高壓變頻器產品主要有三種類型: (1)電流源型。如圖1。電流源型逆變部分采用SGCT直接串聯解決耐壓問題,直流部分用電抗器儲存能量,目前的技術水平可以做到7.2KV輸出電壓,所以適應國內大部分電壓為6KVzheyixianzhuang。dianliuyuanxingbianpinqishurucedegonglvyinshubijiaodi,diankangqidefareliangjiaoda,xiaolvbidianyayuanxingbianpinqidi,youyucaiyongdianliukongzhi,shuchulvboqideshejibijiaomafan,erliangdianpingbianpinqidegongmodianyahexiebo、dv/dt問(wen)題(ti)較(jiao)突(tu)出(chu),所(suo)以(yi)對(dui)電(dian)機(ji)的(de)要(yao)求(qiu)較(jiao)高(gao)。雖(sui)然(ran)電(dian)流(liu)源(yuan)型(xing)變(bian)頻(pin)器(qi)有(you)可(ke)回(hui)饋(kui)能(neng)量(liang)的(de)優(you)點(dian),但(dan)是(shi)需(xu)要(yao)回(hui)饋(kui)能(neng)量(liang)的(de)負(fu)載(zai)畢(bi)竟(jing)不(bu)是(shi)太(tai)多(duo),尤(you)其(qi)是(shi)通(tong)用(yong)型(xing)的(de)變(bian)頻(pin)器(qi),所(suo)以(yi)電(dian)流(liu)源(yuan)型(xing)變(bian)頻(pin)器(qi)的(de)市(shi)場(chang)競(jing)爭(zheng)能(neng)力(li)已(yi)經(jing)逐(zhu)漸(jian)變(bian)弱(ruo)。 (2)功率單元串聯多電平型。如圖2。此ci變bian頻pin器qi采cai用yong多duo個ge低di壓ya的de功gong率lv單dan元yuan串chuan聯lian實shi現xian高gao壓ya,輸shu入ru側ce的de降jiang壓ya變bian壓ya器qi采cai用yong移yi相xiang方fang式shi,可ke有you效xiao消xiao除chu對dui電dian網wang的de諧xie波bo汙wu染ran,輸shu出chu側ce采cai用yong多duo電dian平ping正zheng弦xianPWM技(ji)術(shu),可(ke)適(shi)用(yong)於(yu)任(ren)何(he)電(dian)壓(ya)的(de)普(pu)通(tong)電(dian)機(ji),另(ling)外(wai),在(zai)某(mou)個(ge)功(gong)率(lv)單(dan)元(yuan)出(chu)現(xian)故(gu)障(zhang)時(shi),可(ke)自(zi)動(dong)退(tui)出(chu)係(xi)統(tong),而(er)其(qi)餘(yu)的(de)功(gong)率(lv)單(dan)元(yuan)可(ke)繼(ji)續(xu)保(bao)持(chi)電(dian)機(ji)的(de)運(yun)行(xing),減(jian)少(shao)停(ting)機(ji)時(shi)造(zao)成(cheng)的(de)損(sun)失(shi)。係(xi)統(tong)采(cai)用(yong)模(mo)塊(kuai)化(hua)設(she)計(ji),可(ke)迅(xun)速(su)替(ti)換(huan)故(gu)障(zhang)模(mo)塊(kuai)。由(you)此(ci)可(ke)見(jian),單(dan)元(yuan)串(chuan)聯(lian)多(duo)電(dian)平(ping)型(xing)變(bian)頻(pin)器(qi)的(de)市(shi)場(chang)競(jing)爭(zheng)力(li)是(shi)很(hen)明(ming)顯(xian)的(de)。 (3)三電平型。如圖3。sandianpingxingbianpinqicaiyongqianweidianlu,jiejueleliangzhigonglvqijiandechuanliandewenti,bingshixiangdianyashuchujuyousangedianping。sandianpingnibianqidezhuhuilujiegouhuanjieshao,suiranweidianyayuanxingjiegou,danyiyushixiannenglianghuikui。sandianpingbianpinqizaiguoneishichangyudaodezuidanantishidianyawenti,qizuidashuchudianyadabudao6KV,所以往往需要采用變通的方法,要麼改變電機的電壓,要麼在輸出側加升壓變壓器。這一弱點限製了它的應用。 muqian,suiranyourentichuleqitabutongdegaoyabianpinqijiejuefangan,dandadoubujuyoumingxiandekexingxing,huozheshuobujuyoujiangshangshusanzhongzhuliubianpinqijiegouquerdaizhideqianli。suizhegaoyabianpinqichengbendejinyibujiangdi,zaizhongdenggonglvshichang,gaodixingbianpinqijianghuituichujingzheng,erzhiguanzhuyujiaoxiaogonglvdechanghe。duiyudanyuanchuanlianduodianpingxingbianpinqi,zhuyaoquedianshibianliuhuanjiefuza,gonglvyuanqijianshumuduo,tijilvedayixie,danshi,zaiqitadefangshibunengjiejueguoneiyingyongdexuyao,gaoyaqijianyingyongdekekaoxinghaibushitaigaodeqingkuangxia,qijingzhengyoushizaizuijindeyiduanshiqinei,kenenghaishiwufatidaide。sandianpingxingbianpinqiyouyushuchudianyabugaodewenti,zhuyaodeyingyongfanweiyinggaishizaiyixietezhonglingyu,ruzhagangji、輪船驅動、機車牽引、tishengjidengdeng,zhexielingyudedianjidoushiteshudingzhide,dianyakeyibushibiaozhundianya。zaiyidingdegonglvshuiping,sandianpingxingbianpinqiqudaichuantongdejiaojiaobianpinqishijishufazhandequshi。sandianpingbianpinqidegengdafazhanyoudaiyugenggaonaiyadegonglvqijiandechuxianhexianyouchanpinkekaoxingdejinyibutigao。zaichaodagonglvchanghe,jidayue8000KW以上的功率,用可控矽構成的LCI(負載換流逆變器)電流源型變頻器仍舊是主角。 由於上述的技術特征,通用型高壓變頻器目前是單元串聯多電平型變頻器占多數,約7成以上。目前國內以利德華福為代表的高壓變頻器廠家有不下二十家,基本都采用這種電路結構。 二、高壓變頻器的市場特點 (1)市場普遍接受。如果在5年nian以yi前qian推tui廣guang高gao壓ya變bian頻pin器qi,一yi般ban還hai要yao給gei用yong戶hu講jiang解jie其qi原yuan理li,為wei什shen麼me要yao使shi用yong它ta。但dan是shi現xian在zai,經jing過guo眾zhong多duo廠chang家jia的de共gong同tong努nu力li,和he市shi場chang使shi用yong效xiao果guo的de宣xuan傳chuan,用yong戶hu已yi經jing普pu遍bian接jie受shou高gao壓ya變bian頻pin器qi,隻zhi是shi在zai眾zhong多duo廠chang家jia中zhong選xuan擇ze誰shui的de問wen題ti。 (2)yejihenzhongyao。gaoyabianpinqiyibangonglvjiaoda,doushiyongzaifeichangguanjiandebuwei。suoyiyonghuduichanpindekekaoxingshizuiguanxinde。kaozhakekaoxingdezuihaobanfa,jiushiquyijingshiyongdeyonghunaliqulejieqingkuang,zheyangdeyonghuyueduo,shuofulijiuyueqiang。 (3)fuwudezhongyaoxingburonghushi。gaoyabianpinqishidagonglvdedianzishebei,zaishiyongzhong,zonghuiyudaoyixiewenti,gaoyabianpinqigongzuodechangheyoufeichangguanjian,yinci,duiyonghudejishifuwushifeichangzhongyaode。fuwushiweichiyonghuguanxidefeichangzhongyaodefangmian。ruguofuwubudaowei,huozhexiangyouxieguowaichangjia,fuwuhebeijiandejiagejiaogao,douhuiyingxiangyonghudexuanze。 (4)xianchangdeshiyingxingfeichangzhongyao。yibandegaoyabianpinqikaifachangjia,zaizijideshiyanshili,douhennanwanquanmofangyonghuxianchangdeqingkuang,suoyi,chanpinshejidelinghuoxingzenmeyang,daolexianchangyudaowentinengfoujinkuaijiejue,doushifeichangzhongyaode。youyuhaodianliangda,fuzaiyoufeichangzhongyao,yonghuwangwangbuxiwangshebeijiaochangshijiandeshiyunxing,suoyi,chanpinshejibuyanjin,yidanyudaowenti,jiufeichangnanyijiejue。jinnianlai,xuduochangjiadechanpinguozubuqian,jiushizhegeyuanyin。 (5)價(jia)格(ge)進(jin)一(yi)步(bu)下(xia)降(jiang)。由(you)於(yu)激(ji)烈(lie)的(de)競(jing)爭(zheng),以(yi)及(ji)後(hou)來(lai)者(zhe)為(wei)了(le)奪(duo)取(qu)業(ye)績(ji)而(er)不(bu)得(de)已(yi)采(cai)用(yong)的(de)低(di)價(jia)策(ce)略(lve),高(gao)壓(ya)變(bian)頻(pin)器(qi)的(de)價(jia)格(ge)下(xia)降(jiang)很(hen)快(kuai),在(zai)某(mou)些(xie)項(xiang)目(mu)上(shang),一(yi)些(xie)競(jing)爭(zheng)廠(chang)家(jia)報(bao)出(chu)的(de)價(jia)格(ge)甚(shen)至(zhi)低(di)於(yu)成(cheng)本(ben)價(jia)。 suizhejishudejinbu,gaoyabianpinqichulezaiyiyoudeshichangshangjixukuodaguimowai,haijiangjinyibukuozhanyingyongdelingyu,duiyuhenduofuzai,haixuyaojiejuebianpinqidegongchengyingyongshangdewenti。zongzhi,gaoyabianpinqizhengzaiyinglaifazhandehuangjinshiqi。
 圖1 電流源型高壓變頻器
 圖2、功率單元串聯多電平型高壓變頻器
 圖3 三電平型高壓變頻器
|