
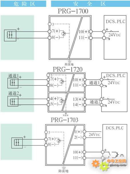
¿ª¹ØÁ¿Êä³ö¸ôÀëʽ°²È«Õ¤£¬°²È«³¡ËùÒ»²àµÄ´¥µã¿ª¹ØÐźÅͨ¹ý°²È«Õ¤¿ØÖÆ»òÇý¶¯ÏÖ³¡±¾°²É豸¹¤×÷£¬±¾°²É豸Èçµç´Å·§¡¢Éù¹â±¨¾¯Æ÷µÈ¡£PRG-1700,PRG-1720ÊäÈëÊä³ö¸ôÀëÐÔÄÜÔÊÐí¿ØÖÆ¿ª¹ØÖ±½ÓÁ¬µ½24VDC¹©µç»ØÂ·µÄÈÎÒ»²à¡£
¡ñ¹¤×÷µçÔ´£º20V-35VDC
¡ñ¹¦ºÄ£ºÔ¼1W£¨Ò»Â·£©
¡ñÊä³ö£º¿ªÂ·µçѹ¡Ý22VDC UE/IEÔ¼12V/45mA
¡ñ±¨¾¯¹¦ÄÜ£º£¨K1¡¢2Öá°ON¡±²à£¬·Ö±ð¿ØÖÆ 1£¬2ͨµÀ£¬16¡¢17Ϊ±¨¾¯¶Ë£©
±¨¾¯¹¦Äܶ©»õÐè×¢Ã÷ Ïê¼ûËæ»ú˵Ã÷Êé
¸ºÔصç×裼50¦¸£¬¶Ì·±¨¾¯£¨SC£©
¸ºÔصç×裾10K£¬¿ªÂ·±¨¾¯£¨LB£©
¡ñ±¨¾¯¼ÌµçÆ÷Êä³öÌØÐÔ£º
ÏìӦʱ¼ä£º20ms
Çý¶¯ÄÜÁ¦£º250VAC/2A,30VDC/2A
¸ºÔØÀàÐÍ£ºµç×èÐÔ¸ºÔØ
¡ñÐÔÄÜÖ¸±ê
·Ç±¾°²¶Ë¼ä1000VAC/1·ÖÖÓ
¹¤×÷ζȣº-20¡æ¡«+60¡æ
Ïà¶Ôʪ¶È£º35%¡«85% RH
Öü´æÎ¶ȣº-40¡æ¡«+80¡æ
¡ñ½á¹¹¼°ÍâÐγߴç
²úÆ·½á¹¹£º35mmµ¼¹ì¿¨×°Ê½£¬ABSÍâ¿Ç²ÄÁÏ£¬²å°Îʽ¶Ë×Ó
ÍâÐγߴ磺ºñ16.5¡Á¿í106¡Á¸ß112£¨mm£©
Õû»úÖØÁ¿£º150g
²úÆ·ÌØµã£º¿í·¶Î§¹©µç£¬·ûºÏEMC±ê×¼
°²×°³¡Ëù£ºÖÜΧ¿ÕÆøÖÐÓ¦²»º¬¶Ô¸õ¡¢Äø¡¢Òø¶Æ²ãÆð¸¯Ê´×÷ÓõĽéÖÊ
ÊÊÓÃÏÖ³¡¼°É豸£º0Çø¡¢1Çø¡¢2Çø£¬¢òA¡¢¢òB¡¢¢òCΣÏÕÇø£¬·ûºÏµç´Å·§£¬Éù¹â±¨¾¯Æ÷µÈ±¾°²É豸
|
ÀËÓ¿±£»¤ÌØÐÔ£¨´ø-LPµÄÐͺţ© |
×î¸ßÁ¬Ðø¹¤×÷µçѹ£º30VDC
¶î¶¨·ÅµçµçÁ÷In£º5KA£¨Ï߶Եء¢Ïß¶ÔÏߣ©
×î´ó·ÅµçµçÁ÷Imax£º10KA£¨Ï߶Եأ©
ÒÀ¾Ý±ê×¼£ºGB/T18802.21-2004
1. ´øÀËÓ¿±£»¤Ê±£¬ÒDZí3½Å¶Ë×Ó±ØÐë½ÓµØÏߣ»
2£®²ÉÓÿɲð·Ö½ÓÏß¶Ë×Ó£¬·½±ãʹÓã»
3£®µ¼Ïß²ÉÓýØÃæ»ý0.5mm2¡«2.5 mm2£»
4£®µ¼ÏßÂã¶³¤¶ÈÔ¼8mm£¬ÓÉM3Âݶ¤Ëø½ô¡£
¡ñ¹ú¼Ò·À±¬µçÆø²úÆ·ÖÊÁ¿¼à¶½¼ìÑéÖÐÐÄ(CQST)
·À±¬±êÖ¾£º[Exia Ga]£¨¢òC£©
ÈÏÖ¤±àºÅ£ºCNEx12.0060
ÈÏÖ¤²ÎÊý£º¶Ë×Ó£¨7-8,4-5¼ä£©
Um = 250VAC/DC Uo = 28VDC Io = 119mA
Po = 0.83W Lo = 2.0mH Co = 0.03uF
