|
|
|
²úÆ·Ãû³Æ£º
|
Á½ÏßÖÆµçѹÐźŸôÀëÅäµçÆ÷IC£ºISO V-4-20mA
|
|
ÐÍ ºÅ£º
|
ISO V-4-20MA
|
|
¼Û ¸ñ£º
|
0.00
|
|
Æ· ÅÆ£º
|
|
|
|
|
| Ãû ³Æ£º |
Á½ÏßÖÆµçѹÐźŸôÀëÅäµçÆ÷IC£ºISO V-4-20mA |
 |
| ϵ ÁУº |
ISOϵÁÐ V-4-20mA |
| Àà ±ð£º |
¸ôÀë·Å´óÆ÷ |
| ·¢²¼Ê±¼ä£º |
11/6/2012 8:25:26 PM |
| Ïà¹ØÁ´½Ó£º |
¡üÉÏÒ»¸ö²úÆ· ¡ýÏÂÒ»¸ö²úÆ· |
| ²úÆ·ÏêÇ飺 |
²úÆ·ÌØµã£º ¡ñ¡¡¶þÏßÖÆ´«¸ÐÆ÷µçѹÐźŸôÀëÅäµçת»» ¡ñ¡¡¾«¶ÈÎó²îµÈ¼¶£º·Ç¸ôÀëÐÍ0.1¼¶£»¸ôÀëÐÍ0.2¼¶ ¡ñ¡¡ÄÚÖÃÏßÐÔ»¯´¦ÀíºÍ³¤Ïß²¹³¥µç·£¨·ÇÏßÐÔ¶È<0.05%£© ¡ñ¡¡ÐźÅÊäÈëÓëÊä³ö3KVDC¸ôÀ루ȫ¸ôÀëÐÍ£© ¡ñ¡¡¸ø´«¸ÐÆ÷¹©µçµçѹ·¶Î§12-32VDC ¡ñ¡¡ ÊäÈëµÈЧµç×èС¡¢ÏßÐÔ¶È¸ß ¡ñ¡¡µÍ³É±¾¡¢Ð¡Ìå»ýIC·â×°ºÍDIN35µ¼¹ì°²×°·½Ê½ ¡ñ¡¡¹¤Òµ¼¶Î¶ȷ¶Î§£º- 40 ~ + 85 ¡æ
µäÐÍÓ¦Ó㺠¡ñ¡¡PLC/DCS´Ó´«¸ÐÆ÷Ö±½Ó»ñÈ¡µçѹÐźŠ¡ñ¡¡Î»ÒÆ¡¢µçλÆ÷ÐźŲɼ¯¸ôÀëÓë¿ØÖÆ ¡ñ¡¡¹¤ÒµÏÖ³¡µØÏ߸ÉÈÅÒÖÖÆ ¡ñ¡¡³ÆÖØÐźÅת»»³É±ê×¼4-20mAÄ£ÄâÐźŠ¡ñ¡¡Ñ¹Á¦´«¸ÐÆ÷ÐźŲɼ¯¼°Åäµç ¡ñ¡¡Ä£ÄâÐźÅÔ¶³ÌÎÞÊ§Õæ´«Êä ¡ñ¡¡µçÇÅ£¨³ÆÖØ£©¼ì²âµç·µÄµçѹÐźÅÅäËÍ
¸ÅÊö£º ¡¡¡¡SunYuan¡¡SIP12 Pin·â×°µÄ¶þÏßÖÆµçѹÐźŸôÀëÅäµçÆ÷£ºISO V-4-20mA£¬ÊǶþÏßÖÆµçѹÐźŸôÀëÅäµçÄ£¿é£¬¿ÉʵÏÖÁ½ÏßÖÆµçѹÊäÈëÅäµçÐÍ´«¸ÐÆ÷ºÍµçÇÅ£¨³ÆÖØ£©¼ì²âµç·µÄµçѹÐźÅÅäËÍ¡£ ²úÆ·Éè¼ÆÎªµÍ³É±¾¡¢Ð¡Ìå»ýµÄ±ê×¼SIP12 Pin×èȼIC·â×°£¬ÄÚ²¿°üº¬µçÁ÷Ðźŵ÷ÖÆµç·£¬µç´Å¸ôÀë±ä»»µç·¼°ÐźŻ¹Ô½âµ÷µç·¡£¹©µçµçѹ·¶Î§12-32VDC£¬ÊäÈëµÈЧµç×èС¡¢ÏßÐԶȸߣ¬ÐźÅÊäÈëÓëÊä³öÖ®¼ä¿É´ïµ½2500VAC¸ôÀëÄÍѹ¡£²úƷʹÓÃÊ®·Ö·½±ã£¬¿Í»§Ö»ÐèÔÚ²úƷǰ¶Ë¼ÓÉÏÉÙÁ¿ÍâΧÆ÷¼þ£¬¼´¿ÉʵÏÖÁ½ÏßÖÆµçѹÊäÈëÅäµçÐÍ´«¸ÐÆ÷ºÍµçÇÅ£¨³ÆÖØ£©¼ì²âµç·µÄµçѹÐźŸôÀëÊä³ö¹¦ÄÜ£¬Óû§Éè¼ÆÊ±¿É²Î¿¼µäÐÍÓ¦Óõç·ͼ¡£ SMD¹¤Òսṹ¼°Ð¼¼Êõ¸ôÀë´ëʩʹ¸ÃÆ÷¼þÄÜ´ïµ½£ºÐźÅÊäÈëÓëÊä³ö3KVDC¸ôÀ루ȫ¸ôÀëÐÍ£©£¬²¢ÇÒÄÜÂú×㹤ҵ¼¶¿íζȡ¢³±Êª¡¢Õ𶯵ÄÏÖ³¡¶ñÁÓ¹¤×÷»·¾³ÒªÇ󡣡¡ ISO V-4-20mA¶þÏßÖÆµçѹÐźŸôÀëÅäµçÆ÷ʹÓ÷dz£·½±ã£¬Ö»ÐèºÜÉÙÍⲿԪ¼þ£¬¿ÉʵÏÖÁ½ÏßÖÆµçѹÊäÈëÅäµçÐÍ´«¸ÐÆ÷ºÍµçÇÅ£¨³ÆÖØ£©¼ì²âµç·µÄµçѹÐźÅÅäËÍ¡£ SYϵÁеÄÊäÈë¡¢Êä³ö·Ç¸ôÀëÐͲúÆ·£¬¾ßÓкܸߵľ«¶ÈºÍÏßÐÔ¶È£¨ÓÅÓÚ0.05F.S£©£¬³£ÓÃÔÚÄÚÖÃʽµç×ӳߡ¢½ÇÎ»ÒÆÐźűäËÍÆ÷µÈ¾«ÃܲâÁ¿ÒÇÆ÷ÒDZíÖС£²úÆ·Ìå»ýС¡¢°²×°·½±ã£¬¿É°²ÖÃÔÚ´«¸ÐÆ÷ÄÚ²¿Ö±½Ó½«Î»ÒÆ¡¢½Ç¶ÈÐźÅת»»³É±ê×¼µÄ4-20mAÐźţ¬Âú¶ÈºÍÁãµã¶¼¿ÉÓÉÓû§Í¨¹ýÍâ½ÓµçλÆ÷µ÷½Ú¡¢Ð£×¼¡£
²úÆ·Ó¦ÓþÙÀý Ò»¡¢¸ôÀëÐÍÁ½ÏßÖÆµçѹÐźÅÅäµçÆ÷ IC£ºISO V-4-20mA (Sip12 Pin) 1¡¢¶þÏßÖÆµçѹÐźŴ«¸ÐÆ÷¸ôÀëÅäµçµäÐÍÓ¦ÓÃ
2¡¢µçÇÅ£¨³ÆÖØ£©¼ì²âµç·µçѹÐźŸôÀëÅäË͵äÐÍÓ¦ÓÃ
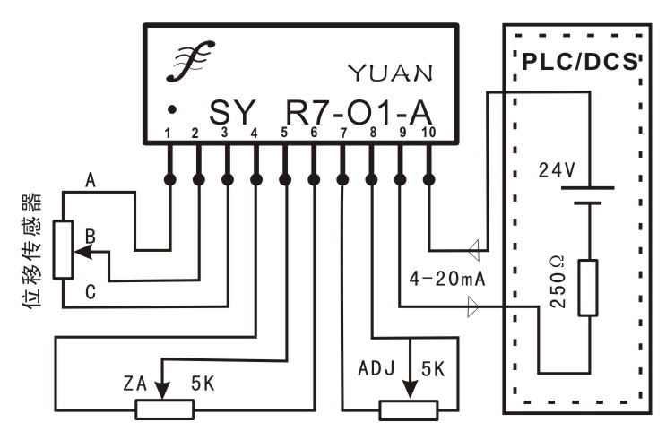
¶þ¡¢·Ç¸ôÀëÐ͸߾«¶ÈµçѹÐźÅÎÞÔ´ÅäµçÆ÷ IC£ºSY¡¡R-P-O (Sip10Pin) ¡¡¡¡¡¡¡¡¡¡¡¡¡¡¡¡¡¡¡¡¡¡¡¡¡¡¡¡¡¡¡¡¡¡¡¡¡¡¡¡¡¡¡¡¡¡¡¡¡¡¡¡¡¡¡¡¡¡¡¡¡¡¡¡¡¡¡¡¡¡ Ó¦Á¦¡¢µç×èÐźÅÎÞÔ´Åäµç·Å´óÆ÷SY¡¡R-P-OϵÁвúÆ·£¬¿É½«Ñ¹Á¦¡¢³ÆÖØ¡¢Ö±Ïß»ò½ÇÎ»ÒÆ´«¸ÐÆ÷Êä³öÐźŽøÐи߾«¶È·Å´ó²¢×ª»»³É±ê×¼µÄÁ½ÏßÖÆ4-20mAÄ£ÄâÐźţ¬Âú¶ÈºÍÁãµã¶¼¿ÉÓÉÓû§Í¨¹ýÍâ½ÓµçλÆ÷µ÷½Ú¡¢Ð£×¼¡£ 1¡¢µç×èÐźÅÎÞÔ´Åäµç·Å´óÆ÷µäÐÍÓ¦ÓÃͼ
Ïêϸ¼¼Êõ×ÊÁÏ£º http://www.sun-yuan.com/download/201211620134794717.pdf
|
|
|
|