|
|
|
²úÆ·Ãû³Æ£º
|
˳ԴÐÂÆ·£ºV/Fת»»¸ôÀë±äËÍÆ÷ IC
|
|
ÐÍ ºÅ£º
|
ISO U(A)-P-F
|
|
¼Û ¸ñ£º
|
|
|
Æ· ÅÆ£º
|
|
|
|
|
| ˳ԴÐÂÆ·£ºV/Fת»»¸ôÀë±äËÍÆ÷ IC |
| ISOϵÁРģÄâÐźÅתƵÂÊÐźŻìºÏ¼¯³Éµç· |
| |
| |
¸ÅÊö£º
¡¡ SunYuan¡¡ISO-U(A)-P-F¸ôÀë±äËÍÆ÷ÊÇÒ»ÖÖ½«Ä£ÄâÖ±Á÷µçѹÐźŻòµçÁ÷ÐźŸôÀëת»»³ÉÏàÓ¦Êý×ÖÂö³åƵÂÊÐźŵĻìºÏ¼¯³Éµç·¡£¸Ãµç·ÔÚͬһоƬÉϼ¯³ÉÁ˶à×é¸ß¸ôÀëµÄDC/DC·Ö²¼µçÔ´£¬·Ö±ð¸øÄÚ²¿ÊäÈë¶Ë·Å´óµç·¡¢µ÷ÖÆµç·ºÍÊä³ö¶Ë½âµ÷µç·¡¢×ª»»µç·¡¢Â˲¨µç·¹©µç£¬Í¬Ê±»¹¹©µç¸ø¼¸¸ö¸ßÐÔÄܵÄÐźŸôÀë¡¢ADת»»¡¢ÏßÐÔ»¯²¹³¥¡¢¸ÉÈÅÒÖÖÆµç·µÈ¡£SMD¹¤Òսṹ¼°Ð¼¼Êõ¸ôÀë´ëʩʹ¸ÃÆ÷¼þÄÜ´ïµ½£ºµçÔ´¡¢ÐźŵÄÊäÈë/Êä³ö 3000VDCÈý¸ôÀë¡£²¢ÇÒÄÜÂú×㹤ҵ¼¶¿íζȡ¢³±Êª¡¢Õ𶯵ÈÏÖ³¡¶ñÁÓ¹¤×÷»·¾³ÒªÇó¡£
ISOϵÁÐÄ£ÄâÐźÅתƵÂÊÐźÅ(V/F±ä»»)¸ôÀë±äËÍÆ÷ICʹÓ÷dz£·½±ã£¬Óÿͻ§Ö»ÐèÍâ½ÓÁãµã¡¢Âú¶ÈµçλÆ÷½øÐÐУ׼¼´¿ÉʵÏÖ´«¸ÐÆ÷Ä£ÄâÐźŸôÀëת»»³Éµ¥Î»Âö³åÐźŵĸôÀë±äËÍ¡£²úÆ·¿É¸ù¾ÝÓû§×Ô¶¨Òå²ÎÊýÒªÇóÖÆ×÷£¬°²×°·½Ê½Îª±ê×¼SIP 16Pin PCB°åº¸½Ó°²×°»òDIN 35µ¼¹ì°²×°¡£ÌرðÊÊÓÃÓÚµ÷Ƶµ÷ÏࡢģÊýADת»»Æ÷¡¢GPRS/GMSÎÞÏßÊý´«¡¢Êý×Öµçѹ±í¡¢Êý¾Ý²âÁ¿ÒÇÆ÷¼°Ô¶³ÌÒ£²âÒ£¿ØÉ豸ÖС£

²úÆ·ÌØµã£º
¡ñ¡¡¾«¶È¡¢ÏßÐÔ¶ÈÎó²îµÈ¼¶£º 0.1¼¶¡¢0.2¼¶
¡ñ¡¡¿Éͨ¹ýÍâ½ÓµçλÆ÷½øÐÐÁãµã¡¢Âú¶ÈУ׼
¡ñ¡¡µçÔ´¡¢ÐźţºÊäÈë/Êä³ö 3000VDCÈý¸ôÀë
¡ñ¡¡¸¨ÖúµçÔ´£º5V¡¢12V¡¢15V»ò24VÖ±Á÷µ¥µçÔ´¹©µç
¡ñ¡¡¹ú¼Ê±ê×¼ÐźÅÊäÈë:0-5V/0-10V/0-20mA/4-20mAµÈ
¡¡¡¡¡¡¡¡¡¡¡¡¡¡ÐźÅÊä³ö£º0-5KHz/0-10KHz/1-5KHzµÈ
¡ñ¡¡µÍ³É±¾¡¢³¬Ð¡Ìå»ý£¬PCB/DIN35µ¼¹ì°²×°¿É¿¿ÐÔ¸ß
¡ñ¡¡±ê×¼ SIP16 Pin£¬·ûºÏUL94V-0×èȼ·â×°
¡ñ¡¡¹¤Òµ¼¶Î¶ȷ¶Î§: - 40 ~ + 85 ¡æ
µäÐÍÓ¦Óãº
¡ñ¡¡´«¸ÐÆ÷ÐźŸôÀë¡¢²É¼¯±ä»»¼°·¢ËÍ
¡ñ¡¡¹¤ÒµÏÖ³¡¸ß¾«¶È²âÁ¿¼°ADת»»
¡ñ¡¡Ä£ÄâÐźÅתƵÂÊÂö³åÐźÅ(V/F±ä»»)¸ôÀë±äËÍ
¡ñ¡¡µç×ÓÒÇÆ÷ÒÇ±íµØÏ߸ÉÈÅÒÖÖÆ
¡ñ¡¡Êý¾Ýµ÷Ƶµ÷Ïà²âÁ¿¿ØÖÆ
¡ñ¡¡¸ß¾«¶ÈÊý×ÖÒDZí²ÉÑù¸ôÀëת»»
¡ñ¡¡ GPRS/GMSÎÞÏßÐźÅÔ¶³ÌÎÞÊ§Õæ´«Êä
¡ñ¡¡µçÁ¦¼à¿Ø¡¢Ò½ÁÆ¡¢»·±£É豸Զ³ÌÒ£¸Ð²â¿Ø
ͨÓòÎÊý
¾«¡¡ ¶È ---------- 0.1% £¬0.2% ¸ô¡¡¡¡Àë¡¡---------- ÐźÅÊäÈë/Êä³ö/¸¨ÖúµçÔ´
¸¨ÖúµçÔ´---------- DC5V¡¢12V¡¢15V¡¢24V ¾øÔµµç×è¡¡---------- ≥20MΩ
¹¤×÷ζÈ---------- -20 ~ +80¡æ¡¡ ÄÍ¡¡¡¡Ñ¹¡¡---------- ÐźÅÊäÈë/Êä³ö/¸¨ÖúµçÔ´
¹¤×÷ʪ¶È---------- 10 ~ 90% (ÎÞÄý¶) 3KVDC£¬1·ÖÖÓ£¬Â©µçÁ÷1mA
´æ´¢Î¶È---------- -45 ~ +85¡æ¡¡¡¡ ´æ´¢Êª¶È---------- 10 ~ 95% (ÎÞÄý¶)
²úÆ·Ñ¡Ð;ÙÀý¡¡¡¡¡¡
Àý1£ºÊäÈ룺0-5V ¸¨ÖúµçÔ´£º24VDC Êä³ö£º0-5KHz ²úÆ·Ðͺţº ISO-U1-P1-F1
Àý2£ºÊäÈ룺0-20mA ¸¨ÖúµçÔ´£º5VDC Êä³ö£º0-10KHz ²úÆ·Ðͺţº ISO-A3-P3-F2
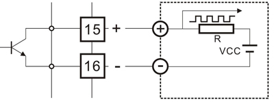
Êä³öµäÐÍÓ¦ÓýÓÏßͼ
(1) 5VµçѹÂö³åÊä³ö

(2) ¼¯µç¼«¿ªÂ·Êä³ö

²úÆ·³ß´ç¼°PCB²¼°åͼ

Ïêϸ¼¼Êõ×ÊÁÏ£º
http://www.sun-yuan.com/download/20129251416835422.pdf


|
|
|
|