| Ö÷Òª¹¦ÄܲÎÊý |
| ²âÁ¿²ÎÊý |
²âÁ¿·¶Î§ |
²âÁ¿Îó²î |
·Ö±æÁ¦ |
¹ýÔØ |
| µçѹ |
0.0¡«500.0V AC |
±(0.4%¶ÁÊý+0.1%Á¿³Ì) |
0.1V |
120% |
| µçÁ÷ |
0.01¡«5A AC |
±(0.4%¶ÁÊý+0.1%Á¿³Ì) |
0.001A |
120% |
| Óй¦¹¦ÂÊ |
U*I*COSΦ |
PF=1.0£»
±(0.4%¶ÁÊý+0.1%Á¿³Ì) |
0.1W |
|
| Ó馵çÄÜ |
99999 MWh |
0.1Wh |
|
| ÎÞ¹¦¹¦ÂÊ |
U*I*SINΦ |
PF=0.0£»
±(0.8%¶ÁÊý+0.1%Á¿³Ì) |
0.1Var |
|
| ÎÞ¹¦µçÄÜ |
99999 MVarh |
0.1Vrah |
|
| ÊÓÔÚ¹¦ÂÊ |
U*I |
±(0.4%¶ÁÊý+0.1%Á¿³Ì) |
0.1VA |
|
| ÊÓÔÚµçÄÜ |
99999 MVAh |
0.1VAh |
|
| ¹¦ÂÊÒòÊý |
0.000¡«1.000 |
±0.02 |
0.001 |
|
| ¹¤ÆµÖܲ¨ |
45¡«65 HZ |
±0.05HZ |
0.01HZ |
|
|
| |
ÒDZíÃæ°å |
 |
 |
 |
|
| 160*80mm(AÐÍ) |
96*96mm(CÐÍ) |
96*48mm(DÐÍ) |
|
|

|
| |
²ÎÊý¹¦ÄÜ |
 |
| |
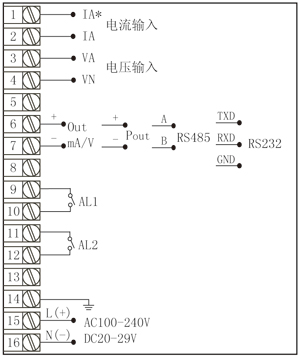
ÒDZí½ÓÏßͼ |
|
ÒDZí×ܽÓÏßͼ

ÒDZí¸÷ÊäÈ뷽ʽ½ÓÏß˵Ã÷
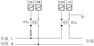
1-1¡¢µ¥ÏàÁ½Ïßϵͳ£¬²ÉÓÃÎÞPT£¬ÎÞCT·½Ê½µÄ½ÓÏßͼ

1-2¡¢µ¥ÏàÁ½Ïßϵͳ£¬²ÉÓÃ1PT£¬1CT·½Ê½µÄ½ÓÏßͼ

1-3¡¢µ¥ÏàÁ½Ïßϵͳ£¬²ÉÓÃÎÞPT£¬1CT·½Ê½µÄ½ÓÏßͼ

·ûºÅÃèÊö
|
 |
ÒDZíÑ¡ÐÍ |
|
NHR-3100¡õ-¡õ-¡õ/¡õ£¨£©-¡õ
¢Ù ¢Ú ¢Û ¢Ü ¢Ý
|
| ¢Ù¹æ¸ñ³ß´ç |
¢ÚÊäÈëÀàÐÍ |
| ´úÂë |
¿í*¸ß*Éî |
´úÂë |
²âÁ¿ÀàÐÍ |
A
C
D |
160*80*130mm£¨ºáʽ£©
96*96*130mm£¨Êúʽ£©
96*48*130mm£¨ºáʽ£© |
I
V
W
Ep
E3P
War
Eq
VA
Es
COS
HZ |
½»Á÷µçÁ÷
½»Á÷µçѹ
Óй¦¹¦ÂÊ
Ó馵çÄÜ
ÈýÏàÓй¦Æ½ºâ¹¦ÂÊ
ÎÞ¹¦¹¦ÂÊ
ÎÞ¹¦µçÄÜ
ÊÓÔÚ¹¦ÂÊ
ÊÓÔÚµçÄÜ
¹¦ÂÊÒòÊý
¹¤ÆµÖܲ¨ |
| ¢ÛÊä³öÀàÐÍ |
| ´úÂë |
Êä³öÀàÐÍ(¸ºÔصç×èRL) |
X
0
1
2
3
4
D1
D2
PO |
ÎÞÊä³ö
4-20mA(RL≤600Ω)
1-5V(RL≥250KΩ)
0-10mA(RL≤1.2KΩ)
0-5V(RL≥250KΩ)
0-20mA(RL≤600Ω)
RS485ͨѶ
RS232ͨѶ
ÀÛ»ýÂö³åÊä³ö |
| ¢Ü±¨¾¯Êä³ö |
¢Ý¹©µçµçÔ´ |
| ´úÂë |
±¨¾¯Â·Êý |
´úÂë |
µçѹ·¶Î§ |
X
2 |
ÎÞÊä³ö
2·±¨¾¯ |
A
D |
AC100¡«240V£¬(50¡«60HZ)
DC20¡«29V |
|
| ±¸×¢£º |
|
ÔÚдÐͺÅʱ±ØÐëÍêÕû£¬Ã»ÓÐÑ¡µ½µÄ¹¦ÄÜÏî²»ÄÜÊ¡ÂÔ,±ØÐëÓÓX”²¹ÉÏ¡£
ÐͺžÙÀý£ºNHR-3100A-W-0/2-A
¸£½¨Ë³²ýºçÈó¾«ÃÜÒÇÆ÷ÓÐÏÞ¹«Ë¾Ö÷Ò³www.hrgs.com.cn
|