1.1¡¡¸ÅÊö
¡¡¡¡“½ÚÄܼõÅŔĿǰÒѳÉΪºâÁ¿ÆóҵδÀ´¿É³ÖÐø·¢Õ¹µÄÖØÒªÖ¸±ê¡£Ëæ×ŵçÐÅ¡¢ÒøÐÐÒÔ¼°´óÐÍÆóÒµÒµÎñµÄÀ©Õ¹£¬ÅÓ´óµÄÊý¾ÝÖÐÐÄËù´øÀ´µÄ¹ÜÀíά»¤·ÑÓúͲ»¶ÏÅÊÉýµÄµç·ÑÒѳÉΪÆóÒµÖ÷¹Ü±ØÐëÃæ¶ÔµÄÎÊÌâ¡£µçÆøÒþ»¼ÊÇÈçºÎ²úÉúµÄ£¿µçÄÜÊÇÈçºÎÏûºÄµÄ£¿°²¿ÆÈð¹«Ë¾ÍƳöÁËÊý¾ÝÐÅÏ¢ÖÐÐÄ»ùÓÚµ¼¹ìʽ°²×°µçÁ¦¼à¿ØÒDZíµÄµçÔ´¼à¿Ø¹ÜÀí·½°¸¡£¸Ã·½°¸Ö÷ÒªÓÉ´¥ÃþÆÁ¡¢µ¥Ïà»òÈýÏཻÁ÷ÐźŲɼ¯µ¥Ôª¡¢»¥¸ÐÆ÷¹¹³É£¬ÄܶÔÊý¾ÝÖÐÐĹ©µçϵͳ½øÐÐʵʱ²É¼¯ÓëÏÔʾµçѹ¡¢µçÁ÷¡¢Óй¦¹¦ÂÊ¡¢ÎÞ¹¦¹¦ÂÊ¡¢¹¦ÂÊÒòÊý¡¢Ð³²¨ºÍµçÄÜ¡£
1.2¡¡ÏµÍ³·½°¸
1.2.1 µçÔ´¼à¿ØÅäµç·½°¸
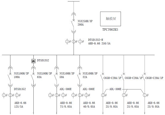
¡¡¡¡µäÐÍÒ»´Îͼ¼ûͼ1£¬DTSD1352-H¡¢DTSD1352¡¢ADL-300E¼à¿ØÒÇ±í¼°TPC7062KS´¥ÃþÆÁ×é³ÉµçÁ¦¼à¿ØÏµÍ³£¬¼à¿ØÒDZíÖ÷Òª¼¼Êõ²ÎÊý¡¢Ö¸±ê¼°Ñ¡ÐÍ·½°¸¼û±í1¡£

ͼ1¡¡µçÔ´¼à¿ØÒ»´ÎÅäµçͼ
±í1

1.2.2 ×éÍø½á¹¹Í¼
¡¡¡¡ÏµÍ³²ÉÓÃÈý²ãÍøÂç·Ö²¼Ê½½á¹¹£¬×ÓÕ¾Ö±½ÓÓÉÈË»ú½çÃæTPC7062KSÆÁ½øÐÐ¼à¿Ø¡¢²É¼¯ÏÖ³¡ÒÇ±í£¬¼ûͼ2¡£

ͼ2¡¡µçÔ´¼à¿Ø×éÍø½á¹¹Í¼
1.3¡¡µçÔ´½øÏß¼à¿Ø
¡¡¡¡µçÔ´½øÏß¼à¿ØÓÉÏÔʾ´¥ÃþÆÁÓëDTSD1352-H×é³É¡£
1.3.1 ´¥ÃþÆÁ
¡¡¡¡´¥ÃþÆÁ²ÉÓÃÀ¥ÂØÍ¨Ì¬7Ó¢´çÆÁ£¬ÐͺÅΪTPC7062KS£¬¹¤×÷µçÔ´DC24V/30W£¬Ö÷ÒªÐÔÄÜÌØµãÓУ¬¾ßÓÐÁ½¸ö¿ÉͬʱʹÓõĴ®Ðпڣ¬ÓÃÓÚ¶ą̀ÒDZíͨѶ£¬¿É¶ÁÈ¡ËùÓÐÒDZí²É¼¯µÃµ½µÄÊý¾Ý£¬²¢ÄÜÔÚÏßÉèÖÃÒDZíµÄ±ä±È¡£´¥ÃþÆÁ²É¼¯µÃµ½µÄÊý¾Ý¿Éͨ¹ýRS232½Ó¿Ú£¬ÒÔModbus-RTUÐÒéת·¢¸øÆäËüÉ豸£¨Èç¼ÆËã»ú£©£¬ÈôÐè²ÉÓÃRS485´«Ê䣬ÐèÁíÐмÓÅäRS485-RS232ת»»Æ÷¡£
¡¡¡¡´¥ÃþÆÁÖ÷ҪʵÏֵŦÄÜÊǼ°Ê±½«¸÷¸öÒDZí²É¼¯µ½µÄÊý¾Ý¶¯Ì¬ÏÔʾµ½ÈË»ú½»»¥½çÃæ£¬ÔÚÐèÒª±¨¾¯µÄʱºò½øÐб¨¾¯»ò±¨¾¯Êý¾Ý´æ´¢ÉÏ´«£¬ÒÔ¼°ÊµÊ±¡¢ÀúÊ·±¨¾¯ÏÔʾµÈ¡£ËùÄÜ´æ´¢µÄ±¨¾¯¼Ç¼´óÓÚ20000Ìõ¡£
¡¡¡¡Ö÷Òª¼ì²âÊý¾Ý¶ÔÏóÓÐĸÏßµçÁ÷¡¢µçѹ¡¢¹¦ÂÊ¡¢µçÄÜ¡¢Ä¸Ïßг²¨Êý¾Ý£¬¸÷¸ö֧·µçѹ¡¢µçÁ÷¡¢¹¦ÂÊ¡¢µçÄÜ£¬¼°¸÷¸ö֧·µÄ·ÖºÏ״̬¡£ÏÔʾÒÔÊý×ÖÏÔʾ¡¢ÕÛÏßͼ¡¢Öù״ͼΪÖ÷£¬¼ûͼ3¡£

ͼ3¡¡¼à¿ØÏµÍ³½çÃæ¡¡¡¡
¡¡¡¡´¥ÃþÆÁ°²×°ÎªÇ¶Èëʽ£¬´¥ÃþÆÁÃæ¿ò³ß´ç226.5×163mm£¬¿ª¿×³ß´ç215×152mm¡£
¡¡¡¡´¥ÃþÆÁÒ²¿ÉÑ¡ÅäÆäËü³§¼Ò¾ßÓÐÏàͬÐÔÄܵIJúÆ·¡£
1.3.2 ĸÏßµç²ÎÊý¼ì²âÒDZ헗DTSD1352-H
¡¡¡¡ÒÇ±í²»ÐèÒª¹¤×÷µçÔ´£¬¹¦ºÄ≤3W£»µçѹÐźÅÊäÈ룬220V/380V 50Hz£»µçÁ÷ÐźÅÊäÈ룬²»´óÓÚ63Aʱֱ½ÓÊäÈ룬63AÒÔÉ϶þ´ÎÊäÈë0~5A¡£Ö÷Òª¹¦ÄÜÓвâÁ¿³£¹æµÄÈýÏཻÁ÷µçÁ¿£¬ÈçÏàµçѹ¡¢Ïßµçѹ¡¢µçÁ÷¡¢Óй¦¹¦ÂÊ¡¢ÎÞ¹¦¹¦ÂÊ¡¢ÊÓÔÚ¹¦ÂÊ¡¢¹¦ÂÊÒòÊýµÈ£¬ÆäÖй¦ÂÊÓ빦ÂÊÒòÊý¿Éͬʱ¼ì²â·ÖÏàÓëÈýÏà×ܵIJÎÁ¿£»µçÄÜÓÐËÄÏóÏÞµçÄÜ£¬°üÀ¨ÎüÊÕÓ馵çÄÜ£¬ÊÍ·ÅÓ馵çÄÜ£¬¸ÐÐÔÎÞ¹¦µçÄÜ£¬ÈÝÐÔÎÞ¹¦µçÄÜ£»ÒÔ¼°²âÁ¿µçѹ¡¢µçÁ÷×Üг²¨º¬Á¿£¬Óû§¿ÉÒÔ·½±ãµÄ¶Ô¹©µçµçÍøÖÊÁ¿½øÐзÖÎö¡£
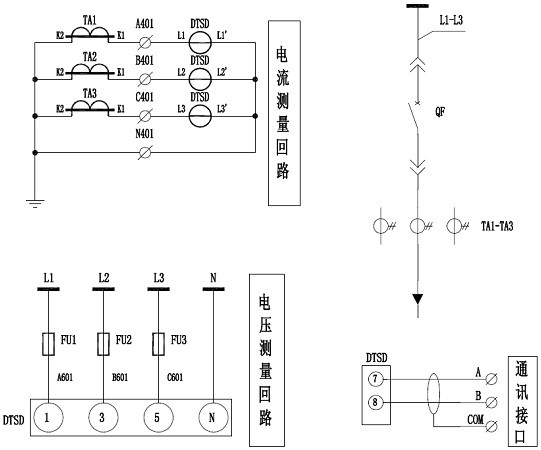
¡¡¡¡¶þ´ÎÔÀí¼ûͼ4£¬DTSD1352-HÔÚµçÁ÷²»´óÓÚ63Aʱ¿ÉÖ±½Ó½ÓÈ룬²»ÐèÒª¾¹ýµçÁ÷»¥¸ÐÆ÷£¬´óÓÚ63Aʱ²ÉÓöþ´ÎÊäÈë0-5A¡£°²×°½á¹¹ÎªDIN35mmµ¼¹ì£¬¼ûͼ5¡£

ͼ4¡¡DTSD1352-H¶þ´ÎÊäÈëÔÀíͼ

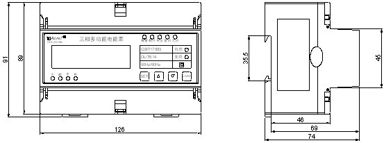
ͼ5¡¡DTSD1352-HÒDZíÍâÐμ°³ß´ç
1.4¡¡Ö§Â·¼à¿Ø
¡¡¡¡Ö§Â·¼à¿ØÓÐ2ÖÖ¼à¿Ø·½°¸¡£
1.4.1 ´óµçÁ÷·ÖÖ§»ØÂ·¼à¿ØÒDZíDTSD1352
¡¡¡¡¸ÃÒDZíÖ÷Òª¼à²âµçÁ÷´óÓÚ63AµÄ»ØÂ·¡£ÒÇ±í²»ÐèÒª¹¤×÷µçÔ´£¬¹¦ºÄ≤2W£»µçѹÐźÅÊäÈ룬220V/380V 50Hz£»µçÁ÷ÐźÅÊäÈ룬һ´ÎµçÁ÷²»´óÓÚ63A¿ÉÖ±½ÓÊäÈ룬63AÒÔÉ϶þ´ÎÊäÈë0~5A¡£Ö÷Òª¹¦ÄÜÓвâÁ¿³£¹æµÄÈýÏཻÁ÷µçÁ¿£¬ÈçÏàµçѹ¡¢Ïßµçѹ¡¢µçÁ÷¡¢Óй¦¹¦ÂÊ¡¢ÎÞ¹¦¹¦ÂÊ¡¢ÊÓÔÚ¹¦ÂÊ¡¢¹¦ÂÊÒòÊýµÈ£¬ÆäÖй¦ÂÊÓ빦ÂÊÒòÊý¿Éͬʱ¼ì²â·ÖÏàÓëÈýÏà×ܵIJÎÁ¿£»µçÄÜÓÐËÄÏóÏÞµçÄÜ£¬°üÀ¨ÎüÊÕÓ馵çÄÜ£¬ÊÍ·ÅÓ馵çÄÜ£¬¸ÐÐÔÎÞ¹¦µçÄÜ£¬ÈÝÐÔÎÞ¹¦µçÄÜ£»¸ÃÒDZí¿ÉÓÃÓÚ1¸öÈýÏà»ØÂ·ÖÐÒ²¿ÉÓÃÓÚ3¸ö¶ÀÁ¢µÄµ¥Ïà»ØÂ·¡£
¡¡¡¡¶þ´ÎÔÀíͬDTSD1352-H£¬¼ûͼ4¡£°²×°½á¹¹ÎªDIN35mmµ¼¹ì£¬¼ûͼ6¡£

ͼ6¡¡DTSD1352ÒDZíÍâÐμ°³ß´ç
1.4.2 СµçÁ÷·ÖÖ§»ØÂ·¼à¿ØÒDZíADL-300E
¡¡¡¡¸ÃÒDZíÖ÷Òª¼à²âµçÁ÷СÓÚ63AµÄ»ØÂ·¡£ÒÇ±í¹¤×÷µçÔ´£¬AC85~265V£¬¹¦ºÄ≤2W£»µçѹÐźÅÊäÈ룬220V/380V 50Hz£»µçÁ÷ÐźÅÊäÈ룬¶þ´ÎÊäÈë0~50mA¡£Ö÷Òª¹¦ÄÜÓвâÁ¿³£¹æµÄÈýÏཻÁ÷µçÁ¿£¬ÈçÏàµçѹ¡¢Ïßµçѹ¡¢µçÁ÷¡¢Óй¦¹¦ÂÊ¡¢ÎÞ¹¦¹¦ÂÊ¡¢ÊÓÔÚ¹¦ÂÊ¡¢¹¦ÂÊÒòÊý£¬ÆäÖй¦ÂÊÓ빦ÂÊÒòÊý¿Éͬʱ¼ì²â·ÖÏàÓëÈýÏà×ܵIJÎÁ¿£»µçÄܼÆÁ¿°üÀ¨Ó馵çÄܼ°ÎÞ¹¦µçÄÜ£»¸ÃÒDZí¿ÉÓÃÓÚÈýÏà»ØÂ·ÖÐÒ²¿ÉÓÃÓÚ3¸ö¶ÀÁ¢µÄµ¥Ïà»ØÂ·¡£
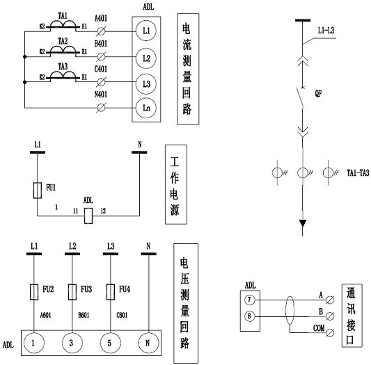
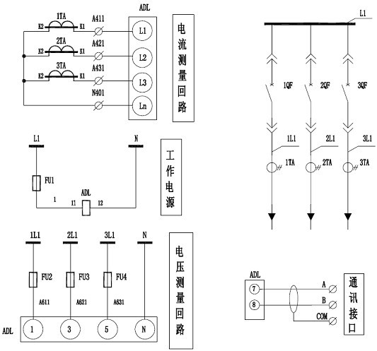
¡¡¡¡ÓÃÓÚÈýÏà»ØÂ·µÄ¶þ´ÎÔÀí¼ûͼ7£¬ADL-300EÖ§³Ö0.05AµçÁ÷ÐźŽÓÈ룬µçÁ÷»¥¸ÐÆ÷¶þ´Î²à²»ÔÊÐí½ÓµØ¡£

ͼ7¡¡ADL-300EÓÃÓÚÈýÏà»ØÂ·¶þ´ÎÔÀíͼ
¡¡¡¡ÓÃÓÚ3¸ö¶ÀÁ¢µÄµ¥Ïà»ØÂ·¶þ´ÎÔÀí¼ûͼ8£¬ADL-300EÖ§³Ö0.05AµçÁ÷ÐźŽÓÈ룬µçÁ÷»¥¸ÐÆ÷¶þ´Î²à²»ÔÊÐí½ÓµØ¡£°²×°½á¹¹ÎªDIN35mmµ¼¹ì£¬¼ûͼ9¡£

ͼ8¡¡ADL-300EÓÃÓÚ3¸ö¶ÀÁ¢µÄµ¥Ïà»ØÂ·¶þ´ÎÔÀíͼ

ͼ9¡¡ADL-300EÒDZíÍâÐμ°³ß´ç