1¸ÅÊö
¡¡¡¡Acrel-6000µçÆø»ðÔÖ¼à¿ØÏµÍ³ÊDZ¾¹«Ë¾×ÔÖ÷Ñз¢µÄÓÃÓÚ½ÓÊÕÊ£ÓàµçÁ÷ʽµçÆø»ðÔÖ̽²âÆ÷µÈÏÖ³¡É豸Ðźţ¬ÒÔʵÏÖ¶Ô±»±£»¤µçÆøÏß·µÄ±¨¾¯¡¢¼àÊÓ¡¢¿ØÖÆ¡¢¹ÜÀíµÄÔËÐÐÓÚ¼ÆËã»úµÄ¹¤Òµ¼¶Ó²¼þ/Èí¼þϵͳ¡£±¾ÏµÍ³Ó¦ÓÃÓÚ´óÐÍÉ̳¡¡¢Éú»îÐ¡Çø¡¢Éú²ú»ù´¡¡¢°ì¹«´óÂ¥¡¢É̳¡¾ÆµêµÈÇøÓòµÄÏû·À¿ØÖÆÖÐÐÄ£¬¶Ô·ÖÉ¢ÔÚ½¨ÖþÄÚµÄ̽²âÆ÷½øÐÐÒ£²â¡¢Ò£µ÷¡¢Ò£¿Ø¡¢Ò£ÐÅ£¬·½±ãʵÏÖ¼à¿ØÓë¹ÜÀí¡£±¾ÏµÍ³²ÉÓñê×¼µÄModbusÏÖ³¡×ÜÏß½«¾ßÓÐͨÐŹ¦ÄܵÄ̽²âÆ÷Ï໥Á¬½ÓÆðÀ´£¬µ±ÏÖ³¡±£»¤Ïß·Öеı»Ì½²â²ÎÊý³¬¹ý±¨¾¯É趨ֵʱ£¬ÄÜ·¢³ö±¨¾¯Ðźš¢¿ØÖÆÐźţ¬ÄÜָʾ±¨¾¯²¿Î»²¢±£´æ±¨¾¯ÐÅÏ¢¡£±¾ÏµÍ³Ëù½ÓÊÕµÄ¼à¿Ø±¨¾¯Ðźſɸù¾Ý̽²âÆ÷ÌṩµÄÐźÅÖÖÀà½øÐÐÏàÓ¦µÄÏÔʾ¡¢±¨¾¯£¬°üÀ¨·Ö/ºÏÕ¢¡¢Ê£ÓàµçÁ÷¹ÊÕÏ¡¢¹ýµçÁ÷¹ÊÕÏ¡¢µçѹ¹ÊÕÏ»òζȡ¢ÑÌÎíµÈ±¨¾¯Ðźš£
¡¡¡¡±¾ÏµÍ³½á¹¹ºÏÀí¡¢¿É¿¿ÐԸߡ¢¹¦ÄÜÐÔÇ¿¡¢Î¬»¤·½±ã¡¢ÐԼ۱ȸߣ¬Èí¼þ½çÃæÖ±¹Û¡¢Ò×Óá£
¡¡¡¡±¾ÏµÍ³·ûºÏÖлªÈËÃñ¹²ºÍ¹ú¹ú¼Ò±ê×¼GB14287.1-2005¡¶µçÆø»ðÔÖ¼à¿ØÏµÍ³ µÚ1²¿·Ö£ºµçÆø»ðÔÖ¼à¿ØÉ豸¡·¡£
2¹¦ÄÜ
2.1 ¼à¿Ø±¨¾¯
¡¡¡¡±»¼à¿Øµ¥ÔªÊµÊ±×´Ì¬£º·ÖÕ¢/ºÏÕ¢£»
¡¡¡¡Ê£ÓàµçÁ÷Ð͹ÊÕÏ£º¹ÊÕϵ¥ÔªÊôÐÔ£¨²¿Î»¡¢Ì½²âÆ÷Ðͺţ©£»
¡¡¡¡Áª¶¯ÊäÈ룺1·ÎÞÔ´´¥µã£»
¡¡¡¡¼à¿Ø±¨¾¯ÏìӦʱ¼ä£º≤30s£»
¡¡¡¡¼à¿Ø±¨¾¯ÉùÐźţºÊÖ¶¯Ïû³ý£¬µ±ÔÙ´ÎÓб¨¾¯ÐźÅÊäÈëʱ£¬ÄÜÔÙ´ÎÆô¶¯£»
¡¡¡¡¼à¿Ø±¨¾¯¹âÐźţººìÉ«LEDָʾµÆ¡£
2.2 ¹ÊÕϱ¨¾¯
¡¡¡¡¼à¿ØÉ豸Óë̽²âÆ÷Ö®¼äµÄÁ¬½ÓÏß¶Ï·¡¢¶Ì·£»
¡¡¡¡¼à¿ØÉ豸Ö÷µçԴǷѹ£¨≤80%Ö÷µçÔ´µçѹ£©»ò¹ýѹ£¨≥110%Ö÷µçÔ´µçѹ£©£»
¡¡¡¡µ±¼à¿ØÉ豸³öÏÖÒÔÉϹÊÕÏʱ£¬ÄÜ·¢³öÓë¼à¿Ø±¨¾¯ÐźÅÓÐÃ÷ÏÔÇø±ðµÄÉù¹â¹ÊÕϱ¨¾¯Ðźš£
¡¡¡¡¹ÊÕϱ¨¾¯ÏìӦʱ¼ä£º≤100s£»
¡¡¡¡¹ÊÕϱ¨¾¯ÉùÐźţºÊÖ¶¯Ïû³ý£¬µ±ÔÙ´ÎÓб¨¾¯ÐźÅÊäÈëʱ£¬ÄÜÔÙ´ÎÆô¶¯£»
¡¡¡¡¹ÊÕϱ¨¾¯¹âÐźţº»ÆÉ«LEDָʾµÆ£»
¡¡¡¡¹ÊÕÏÆÚ¼ä£¬·Ç¹ÊÕÏ»ØÂ·µÄÕý³£¹¤×÷²»ÊÜÓ°Ïì¡£
2.3 ¿ØÖÆÊä³ö
¡¡¡¡±¨¾¯¿ØÖÆÊä³ö£º³£¿ªÎÞÔ´´¥µã£¬ÈÝÁ¿£ºAC250V 3A»òDC30V 3A£»
¡¡¡¡ÊÖ¶¯Êä³ö£º³£¿ªÎÞÔ´´¥µã£¬ÈÝÁ¿£ºAC250V 3A»òDC30V 3A¡£
2.4 ×Ô¼ì
¡¡¡¡Á¬½Ó¼ì²é£ºÍ¨ÐÅÏß·µÄ¶Ï·¡¢¶Ì·£»
¡¡¡¡Ãæ°åָʾµÆ¼ì²é£ºÊÖ¶¯¼ì²é
¡¡¡¡×Ô¼ìºÄʱ£º≤60s¡£
2.5 ±¨¾¯¼Ç¼
¡¡¡¡±¨¾¯ÀàÐÍ£º¹ÊÕÏʼþÀàÐÍ¡¢·¢Éúʱ¼ä¡¢¹ÊÕÏÃèÊö£»
¡¡¡¡±¨¾¯Ê¼þ²éѯ£º¸ù¾Ý¼Ç¼ÈÕÆÚ¡¢¹ÊÕÏÀàÐ͵ÈÌõ¼þ²éѯ¡£
¡¡¡¡±¨¾¯¼Ç¼´òÓ¡£º´æ´¢¡¢²éѯ¼°´òÓ¡±¨¾¯¼Ç¼£¨Ñ¡Å䣩¡£
2.6 ²Ù×÷·Ö¼¶£¨ÇŲ̀ʽ£©
¡¡¡¡ÈÕ³£Öµ°à¼¶£º¿É½øÈëÈí¼þ½çÃæ²é¿´ÊµÊ±¼à²âÇé¿ö¡¢Ïû³ý±¨¾¯ÉùÒôºÍ²éѯ±¨¾¯¼Ç¼£»
¡¡¡¡¼à¿Ø²Ù×÷¼¶£º¿É²Ù×÷³ýÕë¶Ôϵͳ±¾ÉíµÄÐÅϢά»¤ÍâµÄÆäËû²Ù×÷£»
¡¡¡¡ÏµÍ³¹ÜÀí¼¶£º¿É²Ù×÷ϵͳµÄÈκÎÒ»¸ö¹¦ÄÜÄ£¿é¡£
3 ¼¼ÊõÖ¸±ê
3.1 ¹¤×÷µçÔ´
¡¡¡¡Ö÷µçÔ´£ºAC220V 50Hz£¨ÔÊÐí85%~110%·¶Î§Äڱ仯£©£»
¡¡¡¡±¸ÓõçÔ´£ºÖ÷µçÔ´µÍµçѹ»òÍ£µçʱ£¬Î¬³Ö¼à¿ØÉ豸¹¤×÷ʱ¼ä≥30min¡£
3.2 ¹¤×÷ÖÆºÍ´«Ê䷽ʽ
¡¡¡¡24Сʱ¹¤×÷ÖÆ£¬Modbus-RTUͨÐÅÐÒ飬RS485°ëË«¹¤×ÜÏß·½Ê½£¬´«Êä¾àÀë1km£¬¿Éͨ¹ýÖÐ¼ÌÆ÷ÑÓ³¤Í¨Ñ¶´«Êä¾àÀë¡£
3.3 ¼à¿ØÈÝÁ¿
¡¡¡¡ÇŲ̀ʽ£ºÔÊÐí¼à¿ØÈÝÁ¿500µã£¬500µãÒÔÉÏÐë¶©ÖÆ¡£
¡¡¡¡±Ú¹Òʽ£ºÔÊÐí¼à¿ØÈÝÁ¿≤50µã¡£
3.4 ÍâÐγߴ磨mm£©
¡¡¡¡ÇŲ̀ʽ£º1174(H)×630(W)×530(D)
¡¡¡¡±Ú¹Òʽ£º500(H)×400(W)×190(D)
3.5 Ö÷Òª×é³É²¿¼þ
3.5.1 ÇŲ̀ʽ
¡¡¡¡¼ÆËã»ú£º¹¤ÒµPC£¬Core 2 2.66G/1G/320G+¼üÊó 17”Òº¾§ÏÔʾÆ÷£¬Windows XP£¬Acrel-6000µçÆø»ðÔÖ¼à¿ØÏµÍ³Èí¼þ£»
¡¡¡¡ÊäÈëÊä³öÄ£¿é£ºÄÚÖñ¾¹«Ë¾¿ª·¢µÄARTUÔ¶³ÌÖÇÄÜI/OÄ£¿é£»
¡¡¡¡Éù¹â±¨¾¯Æ÷£ºÄÚÖÃÎåÒôÐźÅÑïÉùÆ÷¡¢LEDָʾµÆ¡¢ÏûÉù°´Å¥£»
¡¡¡¡±¸ÓõçÔ´£ºÄÚÖÃ1kVAÔÚÏßʽ³¤Ð§ÐÍUPS¡£
¡¡¡¡Ö÷»úÃæ°åÔª¼þ²¼Öü°¹¦ÄÜ˵Ã÷

¡¡¡¡1£º±¨¾¯Ö¸Ê¾µÆ£¨ºìÉ«£©£¬ÏµÍ³½ÓÊÕµ½¼à¿Ø±¨¾¯ÐźÅʱָʾµÆµãÁÁ¡£
¡¡¡¡2£º¹ÊÕÏָʾµÆ£¨»ÆÉ«£©£¬ÏµÍ³½ÓÊÕµ½¹ÊÕϱ¨¾¯ÐźÅʱָʾµÆµãÁÁ¡£
¡¡¡¡3£ºÔËÐÐָʾµÆ£¨ÂÌÉ«£©£¬ÏµÍ³Õý³£ÔËÐÐʱָʾµÆµãÁÁ¡£
¡¡¡¡4£ºÖ÷µçԴָʾµÆ£¨°×É«£©£¬Ê¹ÓÃÖ÷µçÔ´¹©µçʱָʾµÆµãÁÁ¡£
¡¡¡¡5£º±¸ÓõçԴָʾµÆ£¨°×É«£©£¬Ê¹Óñ¸ÓõçÔ´¹©µçʱָʾµÆµãÁÁ¡£
¡¡¡¡6£ºÏûÉù°´Å¥£¨ºÚÉ«£©£¬Ïû³ý¼°»Ö¸´±¨¾¯Éù¡£
¡¡¡¡7£ºÊÖ¶¯Êä³ö°´Å¥£¨ºÚÉ«£©£¬ÊÖ¶¯Ö±½ÓÆô¶¯±¨¾¯×´Ì¬Ï¿ØÖƱ»±£»¤Ïß·µÄ¿ØÖÆÊä³ö¡£
3.3.5.2 ±Ú¹Òʽ
¡¡¡¡´¥ÃþÆÁ£ºTPC1062K
¡¡¡¡ÊäÈëÊä³öÄ£¿é£ºÄÚÖÃÔ¶³ÌÖÇÄÜI/OÄ£¿é
¡¡¡¡Éù¹â±¨¾¯Æ÷£ºÄÚÖ÷äÃùÆ÷¡¢LEDָʾµÆ
¡¡¡¡±¸ÓõçÔ´£ºÄÚÖÃ500VAÔÚÏßʽ³¤Ð§ÐÍUPS
¡¡¡¡Ö÷»úÃæ°åÔª¼þ²¼Öü°¹¦ÄÜ˵Ã÷

¡¡¡¡1£º±¨¾¯Ö¸Ê¾µÆ£¨ºìÉ«£©£¬ÏµÍ³½ÓÊÕµ½¼à¿Ø±¨¾¯ÐźÅʱָʾµÆµãÁÁ¡£
¡¡¡¡2£º¹ÊÕÏָʾµÆ£¨»ÆÉ«£©£¬ÏµÍ³½ÓÊÕµ½¹ÊÕϱ¨¾¯ÐźÅʱָʾµÆµãÁÁ¡£
¡¡¡¡3£ºÔËÐÐָʾµÆ£¨ÂÌÉ«£©£¬ÏµÍ³Õý³£ÔËÐÐʱָʾµÆµãÁÁ¡£
3.4 Èí¼þ»Ãæ


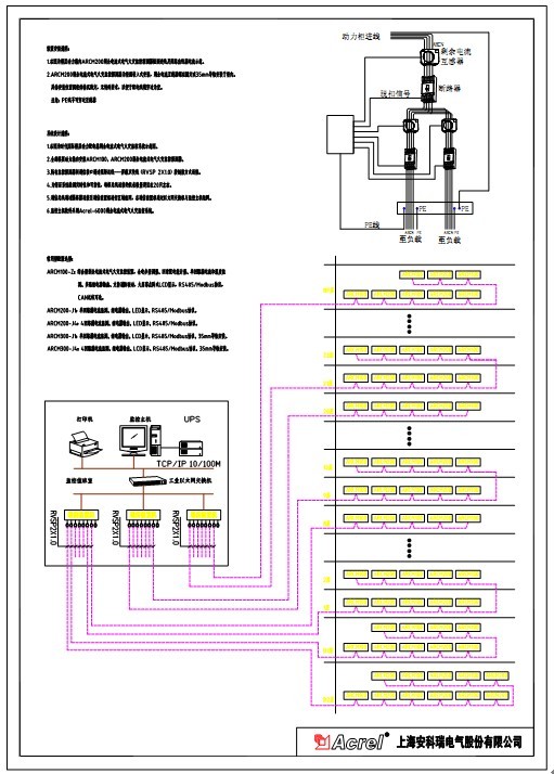
5ϵͳ·½°¸£º
