1 ¡¡¸ÅÊö
¡¡¡¡ASDϵÁпª¹Ø¹ñ×ÛºÏ²â¿Ø×°ÖÃÓÃÓÚ3¡«35kV»§ÄÚ¿ª¹Ø¹ñ£¬ÊÊÓÃÓÚÖÐÖùñ¡¢ÊÖ³µ¹ñ¡¢¹Ì¶¨¹ñ¡¢»·Íø¹ñµÈ¶àÖÖ¿ª¹Ø¹ñ¡£¾ßÓÐÒ»´Î»ØÂ·Ä£Äâͼ¼°¿ª¹Ø×´Ì¬Ö¸Ê¾£¬¸ßѹ´øµçÏÔʾ£¬×Ô¶¯ÎÂʪ¶È¿ØÖÆ£¬ÈËÌå¸ÐÓ¦×Ô¶¯ÕÕÃ÷£¬ÓïÒôÌáʾ£¬µç²ÎÊý²âÁ¿¼°RS485ͨѶ½Ó¿ÚµÈÖڶ๦ÄÜ£¬¼¯²Ù×÷¡¢ÏÔʾÓÚÒ»Ìå¡£
2 ¡¡ÐͺÅ˵Ã÷

3 ¡¡¼¼Êõ²ÎÊý

4 ¡¡¹¦ÄÜÅäÖÃ

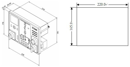
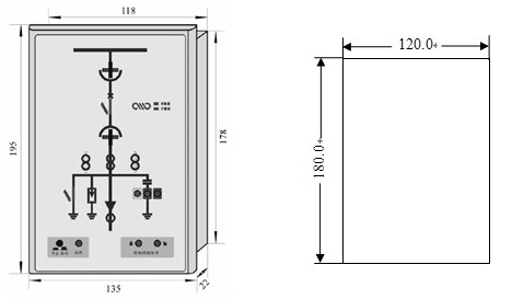
5 ¡¡ÍâÐμ°³ß´ç£¨mm£©
5.1 ASD200¡¢ASD300

5.2 ASD100

5.3 ÎÂʪ¶È´«¸ÐÆ÷£¨ÅäÌ׸½¼þ£©

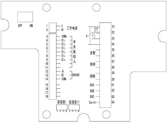
6 ¡¡½ÓÏß¶Ë×Ó
6.1 ASD300

6.2 ASD200

6.3 ASD100
