ÂÖ·ùʽ³ÆÖØ´«¸ÐÆ÷
ÐͺţºPLD203 Á¿³Ì£º1¡¢2¡¢3¡¢5¡¢10¡¢25¡¢30£¨t£©
×ۺϾ«¶È£ºC2
°²È«¹ýÔØ·¶Î§£º120% ¼«ÏÞ¹ýÔØ·¶Î§£º150%
ÌØµã¼°ÓÃ;£º
²ÉÓúϽð¸Ö²ÄÖÊ£¬½á¹¹¼òµ¥¿É¿¿£¬°²×°ÈÝÒ×£¬Ê¹Ó÷½±ã£¬¾«¶È¸ß
Ó¦ÓÃÓÚ¹ìµÀºâ¡¢Æû³µºâ¡¢Á϶·³ÓµÈ¡£
½ÓÏß·½Ê½£º
ºì ÊäÈë+ ºÚ ÊäÈë- °× Êä³ö- ÂÌ Êä³ö+
µçÀÂÏß²ÉÓÃËÄоÆÁ±ÎµçÀÂ(¦Õ5x12000mm)¡£
¼¼Êõ²ÎÊý£º
|
×ÛºÏÎó²î: 0.03%F.S |
Êä³ö×迹: 700¡À5¦¸ |
|
ÁéÃô¶È: 2¡À0.002mv/v |
¾øÔµµç×è: ¡Ý5000M¦¸(100VDC) |
|
·ÇÏßÐÔ: 0.05%F.S |
¼¤Àøµçѹ: 9~12VDC |
|
Öͺó: 0.05%F.S |
ζȲ¹³¥·¶Î§: -10~+40¡æ |
|
ÖØ¸´ÐÔ: 0.02%F.S |
ʹÓÃζȷ¶Î§: -20~+55¡æ |
|
Èä±ä: 0.03%F.S/10min |
ÁãµãζÈÓ°Ïì: 0.03%F.S/10¡æ |
|
ÁãµãÊä³ö: ¡À1%F.S |
ÁéÃô¶ÈζÈÓ°Ïì: 0.02%F.S/10¡æ |
|
ÊäÈë×迹:700¡À10¦¸ |
·À»¤µÈ¼¶: IP66 |
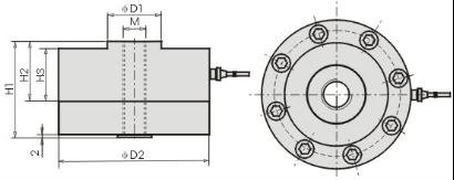
ÍâÐγߴçͼ(mm)£º

|
Á¿³Ì(t) |
1~5 |
10 |
20 |
25 |
30 |
|
H1 |
67 |
80 |
85 |
|
H2 |
46 |
53.8 |
53.8 |
|
H3 |
34 |
41 |
47 |
|
M |
M16¡Á1.5 |
M32¡Á1.5 |
|
D1 |
32 |
41 |
41 |
|
D2 |
105 |
121 |
121 |