ÂÖ·ùʽ³ÆÖØ´«¸ÐÆ÷|Ô²°åʽ³ÆÖØ´«¸ÐÆ÷
ÐͺţºPLD204DL Á¿³Ì£º5¡¢50¡¢100¡¢1000¡¢2000¡¢5000¡¢6000¡¢12000£¨kg)
×ۺϾ«¶È£ºG2
°²È«¹ýÔØ·¶Î§£º150% ¼«ÏÞ¹ýÔØ·¶Î§£º200%
ÌØµã¼°ÓÃ;£º
²ÉÓúϽð¸Ö²ÄÖÊ£¬½á¹¹¼òµ¥¿É¿¿£¬°²×°ÈÝÒ×£¬Ê¹Ó÷½±ã£¬¾«¶È¸ß£¬»¥»»ÐÔºÃ
Ó¦ÓÃÓÚ¹¤Òµ¹ý³ÌÁ¦µÄ¿ØÖƼ°ÅäÁÏ¿ØÖÆÏµÍ³µÈ¡£
½ÓÏß·½Ê½£º
ºì ÊäÈë+ ºÚ ÊäÈë- °× Êä³ö- ÂÌ Êä³ö+
µçÀÂÏß²ÉÓÃËÄоÆÁ±ÎµçÀÂ(¦Õ5x3000mm)¡£
¼¼Êõ²ÎÊý£º
|
¶î¶¨ÔØºÉ Rated capacities(Emax) |
5.¡¢10¡¢50¡¢100¡¢200¡¢300¡¢500¡¢1000¡¢2000kg |
|
Êä³öÁéÃô¶È Rated output |
1.0¡À10%mV/V |
|
×ÛºÏÎó²î Total error |
0.05~0.1%F.S |
|
·ÇÏßÐÔ Non-linearity |
0.05%F.S |
|
Öͺó Hysteresis |
0.05%F.S |
|
ÖØ¸´ÐÔ Repeatability |
0.05%F.S |
|
Èä±ä(30·ÖÖÓ)Creep(30min) |
0.05%F.S |
|
ÁãµãÊä³öZero balance |
¡À2%F.S |
|
ÁãµãÎÂ¶ÈÆ¯ÒÆ Temperature effect on zero |
¡À0.05%F.S/10¡æ |
|
ζÈÁéÃô¶ÈÆ¯ÒÆ Temperature effect on out |
¡À0.05%F.S/10¡æ |
|
ÊäÈë×迹 Input resistance |
385¡À10¦¸ |
|
Êä³ö×迹 Output resistance |
350¡À5¦¸ |
|
¾øÔµµç×è Insulation resistance |
¡Ý5000M¦¸/100DC |
|
¶È²¹³¥·¶Î§ Compensated Temperature range |
-10¡«+50¡æ |
|
¹¤×÷ζȷ¶Î§ Operation Temperature range, |
-35~+65 ¡æ |
|
°²È«¹ýÔØ Maximum safe overload |
120 %F.S |
|
¼«ÏÞ¹ýÔØ Ultimate overload |
200 %F.S |
|
ÍÆ¼ö¼¤Àøµçѹ Excitation,recommend |
5-10V DC |
|
×î´ó¼¤Àøµçѹ Excitation,maximum |
15V DC |
|
·À·âµÈ¼¶ Protection Class |
IP67 |
|
µçÀ³ߴç Cable size |
¦µ2.5¡Á3000mm |
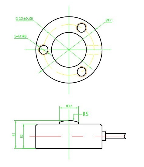
ÍâÐγߴ磺

