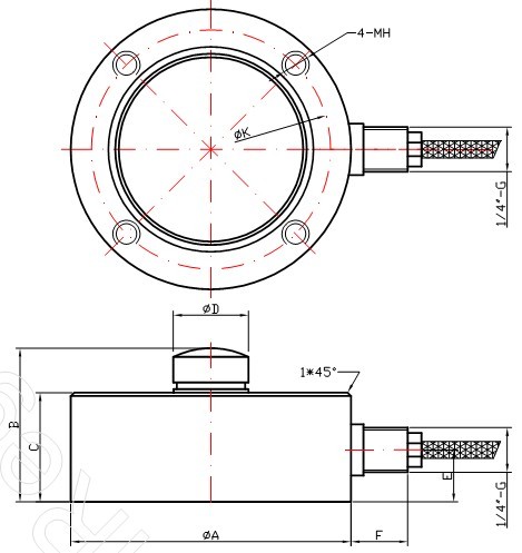
ÂÖ·ùʽ³ÆÖØ´«¸ÐÆ÷¡¢Ô²°åʽ²âÁ¦´«¸ÐÆ÷¡¢Ô²°åʽ³ÆÖØ´«¸ÐÆ÷
ÐͺţºPLD204B Á¿³Ì£º0.5¡¢1¡¢2¡¢3¡¢5¡¢10¡¢20¡¢30¡¢50¡¢100£¨t£©
°²È«¹ýÔØ·¶Î§£º150% ¼«ÏÞ¹ýÔØ·¶Î§£º200%
ÌØµã¼°ÓÃ;£º
²ÉÓò»Ðâ¸Ö¸Ö²ÄÖÊ£¬µÍÍâÐ͸ã²âÏòÁ¦£¬¾«¶È¸ß£¬²ÉÓýºÃÜ·â·À»¤´¦Àí
Ó¦ÓÃÓÚ¹¤Òµ³ÆÖØÏµÍ³Á¦µÄ²âÁ¿
½ÓÏß·½Ê½£º
ºì ÊäÈë+ ºÚ ÊäÈë- °× Êä³ö- ÂÌ Êä³ö+
¼¼Êõ²ÎÊý£º
|
¶î¶¨ÔØºÉ Rated capacities(Emax) |
0.5~100T |
|
Êä³öÁéÃô¶È Rated output |
1.5¡À1%mV/V |
|
×ÛºÏÎó²î Total error |
0.05%F.S |
|
·ÇÏßÐÔ Non-linearity |
0.05%F.S |
|
Öͺó Hysteresis |
0.05%F.S |
|
ÖØ¸´ÐÔ Repeatability |
0.05%F.S |
|
Èä±ä(30·ÖÖÓ)Creep(30min) |
0.05%F.S |
|
ÁãµãÊä³öZero balance |
¡À2%F.S |
|
ÁãµãÎÂ¶ÈÆ¯ÒÆ Temperature effect on zero |
¡À0.03%F.S/10¡æ |
|
ζÈÁéÃô¶ÈÆ¯ÒÆ Temperature effect on out |
¡À0.03%F.S/10¡æ |
|
ÊäÈë×迹 Input resistance |
385¡À10¦¸ |
|
Êä³ö×迹 Output resistance |
350¡À3¦¸ |
|
¾øÔµµç×è Insulation resistance |
¡Ý5000M¦¸/100DC |
|
¶È²¹³¥·¶Î§ Compensated Temperature range |
-10¡«+50¡æ |
|
¹¤×÷ζȷ¶Î§ Operation Temperature range, |
-35~+65 ¡æ |
|
°²È«¹ýÔØ Maximum safe overload |
150 %F.S |
|
¼«ÏÞ¹ýÔØ Ultimate overload |
200 %F.S |
|
ÍÆ¼ö¼¤Àøµçѹ Excitation,recommend |
5-10V DC |
|
×î´ó¼¤Àøµçѹ Excitation,maximum |
15V DC |
|
·À·âµÈ¼¶ Protection Class |
IP67 |
|
µçÀ³ߴç Cable size |
¦µ5¡Á6000mm |
ÍâÐγߴ磺

