ÐͺţºPLD204L Á¿³Ì£º1¡¢2¡¢3¡¢5¡¢10¡¢20¡¢50¡¢100(kg)
×ۺϾ«¶È£ºG2
°²È«¹ýÔØ·¶Î§£º120% ¼«ÏÞ¹ýÔØ·¶Î§£º200%
ÌØµã¼°ÓÃ;£º
²ÉÓúϽð¸Ö»òÂÁºÏ½ð²ÄÖÊ£¬½á¹¹¼òµ¥¿É¿¿£¬°²×°ÈÝÒ×£¬Ê¹Ó÷½±ã£¬¾«¶È¸ß£¬»¥»»ÐÔºÃ
Ó¦ÓÃÓÚ¹¤Òµ¹ý³ÌÁ¦µÄ¿ØÖƼ°ÅäÁÏ¿ØÖÆÏµÍ³µÈ¡£
½ÓÏß·½Ê½£º
ºì ÊäÈë+ ºÚ ÊäÈë- °× Êä³ö- ÂÌ Êä³ö+
µçÀÂÏß²ÉÓÃËÄоÆÁ±ÎµçÀÂ(¦Õ3x2000mm)¡£
¼¼Êõ²ÎÊý£º
|
×ÛºÏÎó²î: 0.05-0.1%F.S |
Êä³ö×迹:350¡À5¦¸ |
|
ÁéÃô¶È: 1¡À0.1mv/v |
¾øÔµµç×è: ¡Ý5000M¦¸(100VDC) |
|
·ÇÏßÐÔ:0.05- 0.1%F.S |
¼¤Àøµçѹ: 9~12VDC |
|
Öͺó: 0.05-0.1%F.S |
ζȲ¹³¥·¶Î§: -10~+40¡æ |
|
ÖØ¸´ÐÔ: 0.03-0.05%F.S |
ʹÓÃζȷ¶Î§: -20~+55¡æ |
|
Èä±ä: 0.05%F.S/10min |
ÁãµãζÈÓ°Ïì: 0.05%F.S/10¡æ |
|
ÁãµãÊä³ö: ¡À2%F.S |
ÁéÃô¶ÈζÈÓ°Ïì: 0.05%F.S/10¡æ |
|
ÊäÈë×迹:350¡À30¦¸ |
·À»¤µÈ¼¶: IP66 |
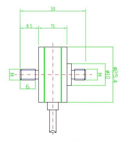
ÍâÐγߴç(mm)£º

