¡¡ASJϵÁÐÊý×ÖʽÁ¿¶È¼ÌµçÆ÷
1 ¸ÅÊö
¡¡¡¡ASJϵÁÐÊý×ÖʽÁ¿¶È¼ÌµçÆ÷£¨ÒÔϼò³Æ¼ÌµçÆ÷£©£¬²ÉÓÃ32λ¸ßÐÔÄÜCPU£¬ÊµÊ±²ÉÑùÈýÏཻÁ÷µçÁ÷¡¢ÈýÏཻÁ÷µçѹÐźţ¬²ÉÓÃÓÐЧֵ¼ÆËã·½·¨£¬ÔڽϿíµÄƵÂÊ·¶Î§ÄÚʵÏÖÁ˽ϸ߾«¶ÈµÄ²âÁ¿¡£¼¯³ÉÓжàÖÖ±£»¤¹¦ÄÜ£¬½öÐè¼òµ¥Ñ¡Ôñ¼´¿ÉʵÏÖ±£»¤µÄͶÈë»òÍ˳ö¡¢±¨¾¯»òÌøÕ¢£»¾«¶È¸ß¡¢¹¦ºÄС¡¢¶¯×÷¿ì¡¢·µ»ØÏµÊý¸ß¡¢ÎÞ¶¶¶¯£¬¿ÉÓÃÓÚÐèÒªµçѹ¼à¿Ø£¨µçѹÐÍ£ºÈç·¢µç»ú¡¢±äѹÆ÷ºÍÊäµçÏߵļ̵籣»¤µÈ£©»òµçÁ÷¼à¿Ø£¨µçÁ÷ÐÍ£ºÈçµç¶¯»ú¡¢±äѹÆ÷ºÍÊäµçÏߵĹý¸ººÉºÍ¶Ì·±£»¤Ïß·ÖУ©µÄ³¡ºÏ£¬×÷Ϊ¹ýµçѹ¡¢Ç·µçѹ¡¢¹ýµçÁ÷¡¢Ç·µçÁ÷¡¢¹ýƵÂÊ¡¢Ç·ÆµÂʱ£»¤µÄ±ÕËø¶¯×÷Ôª¼þ»òÆô¶¯Ôª¼þ¡£
2 ÐͺÅ˵Ã÷
¡¡¡¡
3 ͨÓü¼ÊõÌõ¼þ
| ¼¼Êõ²ÎÊý |
Ö¸ ±ê |
| ͨѶ |
RS485½Ó¿Ú¡¢Modbus-RTUÐÒé |
| ¸¨ÖúµçÔ´ |
AC85¡«270V/DC100¡«350V£¬¹¦ºÄ5VA |
| °²È«ÐÔ |
¹¤ÆµÄÍѹ£ºµçÔ´¡¢µçѹ¡¢µçÁ÷ÊäÈë»ØÂ·Ö®¼äAC2kV/1min£¬50Hz |
| ¾øÔµµç×裺ÊäÈë¡¢Êä³ö¶Ë¶Ô»ú¿Ç>100MΩ |
| »·¾³ |
¹¤×÷ζȣº-10¡æ¡«+55¡æ |
| ´¢´æÎ¶ȣº-20¡æ¡«+70¡æ |
| Ïà¶Ôʪ¶È£º5£¥¡«95£¥²»½á¶ |
| º£°Î¸ß¶È£º≤2000m |
| ÎÛȾµÈ¼¶ |
2¼¶ |
| ·À»¤µÈ¼¶ |
IP20 |
| °²×°Àà±ð |
III¼¶ |
4 ²úÆ·ÌØÐÔ
| ÐÍ ºÅ |
µç Á÷ |
µç ѹ |
ƵÂÊ |
| ¹¦ ÄÜ |
ASJ10-AI |
ASJ10-AI3 |
ASJ10-AV |
ASJ10-AV3 |
ASJ10-F |
| ÐźŠ|
¶þ´Î²à1A¡¢5A |
√ |
√ |
¡¡ |
¡¡ |
¡¡ |
| ÊäÈë |
AC100V¡¢220V¡¢380V |
¡¡ |
¡¡ |
√ |
√ |
√ |
| ²âÁ¿ |
0-10A |
√ |
√ |
¡¡ |
¡¡ |
¡¡ |
| ·¶Î§ |
0.1-1.2Ue |
¡¡ |
¡¡ |
√ |
√ |
¡¡ |
| ¡¡ |
20-70Hz |
¡¡ |
¡¡ |
¡¡ |
¡¡ |
√ |
| ¹ýÔØ |
³ÖÐø1.2±¶£¬Ë²Ê±10±¶/5Ãë |
√ |
√ |
¡¡ |
¡¡ |
¡¡ |
| ±¶Êý |
³ÖÐø1.2±¶£¬Ë²Ê±2±¶/1Ãë |
¡¡ |
¡¡ |
√ |
√ |
√ |
| ±£»¤ |
Æð¶¯³¬Ê±¡¢Ç·ÔØ¡¢¶Ì· |
√ |
√ |
¡¡ |
¡¡ |
¡¡ |
| ¹¦ÄÜ |
¹ýÔØ£¨¶¨Ê±ÏÞ¡¢·´Ê±ÏÞ£© |
√ |
√ |
¡¡ |
¡¡ |
¡¡ |
| ¡¡ |
Ƿѹ¡¢¹ýѹ |
¡¡ |
¡¡ |
√ |
√ |
¡¡ |
| ¡¡ |
ǷƵÂÊ¡¢¹ýƵÂÊ |
¡¡ |
¡¡ |
¡¡ |
¡¡ |
√ |
| ¡¡ |
²»Æ½ºâ |
¡¡ |
√ |
¡¡ |
√ |
¡¡ |
| ¡¡ |
¶ÏÏà |
¡¡ |
√ |
¡¡ |
¡¡ |
¡¡ |
| ¡¡ |
ÏàÐò |
¡¡ |
¡¡ |
¡¡ |
√ |
¡¡ |
| ¼ÌµçÆ÷Êä³ö |
ÊýÁ¿ |
3³£¿ª»ò2³£¿ª1³£±Õ |
| ´¥µãÈÝÁ¿ |
AC250V 3A»òDC30V 3A |
5 ÍâÐμ°³ß´ç(mm)


6 ½ÓÏß¶Ë×Ó
¡¡¡¡µçÁ÷¼ÌµçÆ÷


¡¡¡¡µçѹ¼ÌµçÆ÷


¡¡¡¡ÆµÂʼ̵çÆ÷

7 ¹ýÔØ±£»¤µçÁ÷—ʱ¼ä¶ÔÕÕ±í¼°ÇúÏßͼ
| ¿ÉÑ¡ÔñµÄÍÑ¿ÛÇúÏߵȼ¶K |
5 |
10 |
15 |
20 |
25 |
30 |
35 |
40 |
| ÍÑ¿ÛÑÓʱ£¨S£©Îó²î±10% |
ÈýÏàÆ½ºâµÄ¸ºÔØ£¬×ÔÀä̬ʼ |
| ¶î¶¨ÖµIe ×1.2 |
125 |
250 |
375 |
500 |
625 |
750 |
875 |
1000 |
| ×1.5 |
80 |
160 |
240 |
320 |
400 |
480 |
560 |
640 |
| ×2 |
45 |
90 |
135 |
180 |
225 |
270 |
315 |
360 |
| ×3 |
20 |
40 |
60 |
80 |
100 |
120 |
140 |
160 |
| ×4 |
11.3 |
22.5 |
33.8 |
45 |
56.3 |
67.5 |
78.8 |
90 |
| ×5 |
7.2 |
14.4 |
21.6 |
28.8 |
36 |
43.2 |
50.4 |
57.6 |
| ×6 |
5 |
10 |
15 |
20 |
25 |
30 |
35 |
40 |
| ×7.2 |
3.5 |
6.9 |
10.4 |
13.9 |
17.4 |
20.8 |
24.3 |
27.8 |
| ×8 |
2.8 |
5.6 |
8.4 |
11.3 |
14.1 |
16.9 |
19.7 |
22.5 |

8 Ó¦Ó÷½°¸Ê¾Àý
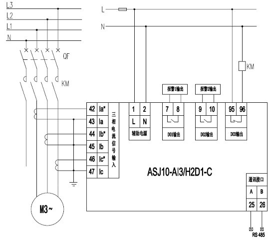
¡¡¡¡Ê¾ÀýÒ» ASJ10-AI3Ôڵ綯»ú±£»¤ÖеÄÓ¦ÓÃ

¡¡¡¡ASJ10-AIϵÁÐÊÇÒ»¿îÄܹ»¼àÊÓ¸ºÔصļàÊӼ̵çÆ÷£¬ÊÊÓÃÓÚÐèÒª½øÐеçÁ÷±£»¤µÄ³¡ºÏ£¬Èçµç¶¯»ú¡¢±äѹÆ÷ºÍÊäµçÏߵĹý¸ººÉºÍ¶Ì·±£»¤Ïß·ÖУ¬ËæÊ±¼àÊÓ¸ºÔصĵçÁ÷×´¿ö£¬ÄܶԸºÔصĶàÖÖ¹ÊÕÏ״̬½øÐб£»¤£¬Ò»µ©·¢Éú¹ÊÕÏ£¬Äܼ°Ê±½«¸ºÔØ´ÓϵͳÖÐÇгý£¬´Ó¶øÆðµ½±£»¤×÷Óá£
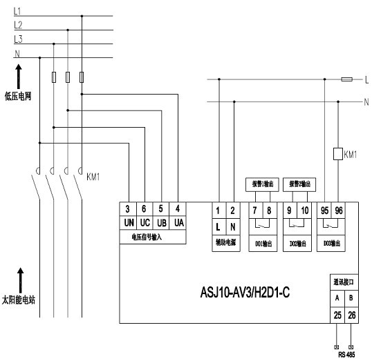
¡¡¡¡Ê¾Àý¶þ ASJ10-AV3ÔÚ¹â·ü·¢µçÖеÄÓ¦ÓÃ

¡¡¡¡ASJ10-AVϵÁÐÊÇÒ»¿îÊÊÓÃÓÚ¼àÊÓÈýÏàÀ¡µçÖ÷µç·µÄ¼àÊӼ̵çÆ÷£¬ËüÁ¬½ÓÔÚÀ¡µçÍø¡¢·ÖÉ¢µÄµçԴϵͳºÍ¹«¹²µçÍøÖ®¼ä£¬Ò»µ©·¢ÏÖµçÍø¹ÊÕÏ£¬ASJ10-AVÄܽ«·¢µçϵͳ´Ó¹«¹²µçÍøÖжϿª£¬´Ó¶øÆðµ½±£»¤×÷Óá£
9 ¸½¼þ(Ê£ÓàµçÁ÷»¥¸ÐÆ÷)


10 Ó¦Ó÷½°¸
¡¡¡¡1£©¸Ã×°ÖÃÖ÷ÒªÓ¦ÓÃÓÚϵͳ±£»¤£¬×÷Ϊֱ½Óµç»÷¡¢¼ä½Óµç»÷¡¢µçÆ÷»ðÔÖÒÔ¼°·Ö¼¶±£»¤µÄ·À»¤¡£ÔÚÖ±½Óµç»÷·À»¤ÖÐÖ»×÷Ϊ²¹³ä·À»¤£¬´Ëʱ¶î¶¨Ê£Óද×÷µçÁ÷²»³¬¹ý30mA8226;S¡£
¡¡¡¡2£©ÏÂÁÐÉ豸ºÍ³¡Ëù±ØÐë°²×°±£»¤×°ÖãºÒƶ¯Ê½µçÆ÷É豸¼°ÊÖ³Öʽµç¶¯¹¤¾ß¡¢Éú²úÓõĵçÆ÷É豸¡¢Ê©¹¤¹¤µØµÄµçÆø»úеÉ豸¡¢°²×°ÔÚ»§ÍâµÄµçÆ÷×°Öõȣ¨Ïê¼ûGB13955£©¡£
¡¡¡¡3£©¶î¶¨Ê£Óද×÷µçÁ÷Ó¦³ä·Ö¿¼ÂÇϵͳÕý³£Ð¹Â©µçÁ÷Öµ¡£Ò»°ã²»Ð¡ÓÚÕý³£Êµ²âй©µçÁ÷×î´óÖµ2-4±¶£º·ÖÖ§Ïß4±¶£»Ö§Ïß2.5±¶£»¸ÉÏß2±¶¡£¸ù¾Ý¾Ñ鹫ʽ£º
¡¡¡¡µ¥Ïà»ØÂ·£ºI¡÷n≥In/2000£¨ÕÕÃ÷£©
¡¡¡¡ÈýÏà»ØÂ·£ºI¡÷n≥In/1000£¨¶¯Á¦»ò¶¯Á¦ÕÕÃ÷»ìºÏ£©Ê½ÖÐInΪÏß·×î´ó¹©µçµçÁ÷¡£
¡¡¡¡4£©ÎªÁ˱£Ö¤·Ö¼¶±£»¤¶¯×÷µÄÑ¡ÔñÐÔ£¬ÉÏϼ¶¼äµÄµçÁ÷ºÍʱ¼äÅäºÏÓ¦·ûºÏÏÂÁй涨£º
¡¡¡¡I¡÷n1£¨Éϼ¶£©≥I¡÷n2£¨Ï¼¶£©
¡¡¡¡tF£¨Éϼ¶ASJ·µ»ØÊ±¼ä£©£¾tFa£¨Ï¼¶ASJ·Ö¶Ïʱ¼ä£©£¬Ê±¼ä²î²»Ð¡ÓÚ0.2S¡£
¡¡¡¡Ò»°ã·ÖÖ§ÏߺÍÄ©¶Ë£º30¡«100mA¡¢≤0.1S£»Ö§Ïߣº300¡«500mA¡¢0.2¡«0.8S£»¸ÉÏߣº500~1000mA¡¢≤2S¡£
