|
¸ÅÊö
|
|
NHR5300ϵÁÐÈ˹¤ÖÇÄÜÄ£ºýPIDµ÷½ÚÆ÷²ÉÓÃ΢·ÖÏÈÐеĿØÖÆËã·¨,´øÓÐÍâ¸ø¶¨ºÍ·§Î»¿ØÖƹ¦ÄÜ¡£¿ÉÓë¸÷Àà´«¸ÐÆ÷¡¢±äËÍÆ÷ÅäºÏʹÓã¬ÊµÏÖ¶Ôζȡ¢Ñ¹Á¦¡¢ÒºÎ»¡¢ÈÝÁ¿¡¢ËٶȵÈÎïÀíÁ¿µÄ²âÁ¿ÏÔʾ£¬²¢ÅäºÏ¸÷ÖÖÖ´ÐÐÆ÷¶Ôµç¼ÓÈÈÉ豸ºÍµç´Å¡¢µç¶¯·§½øÐÐPIDµ÷½ÚºÍ¿ØÖÆ¡¢±¨¾¯¿ØÖÆ¡¢Êý¾Ý²É¼¯µÈ¹¦ÄÜ¡£
Ë«ÆÁLEDÊýÂëÏÔʾ£¬ÇÒ´øÓйâÖùÄ£Äâָʾ¹¦ÄÜ(0¡«100£¥)¡£
¾ß±¸36ÖÖÐźÅÊäÈ빦ÄÜ£¬¿ÉÈÎÒâÑ¡ÔñÊäÈëÐźÅÀàÐÍ£»0.2£¥¼¶²âÁ¿¾«¶È¡£
¾ß±¸“ÉÏÏÂÏÞ±¨¾¯”¡¢“Æ«²î±¨¾¯”¡¢“LBA±¨¾¯”¡¢“ÉÁ˸±¨¾¯”µÈ±¨¾¯¹¦ÄÜ£¬´øLED±¨¾¯µÆÖ¸Ê¾¡£
¿É´øÒ»Â·PID¿ØÖÆÊä³öºÍһ·ģÄâÁ¿±äËÍÊä³ö£¬¾ßÓеçÁ÷¡¢µçѹ¡¢SSRÇý¶¯¡¢µ¥/ÈýÏà¿É¿Ø¹è¹ýÁã´¥·¢¡¢¼ÌµçÆ÷½ÓµãµÈÊä³ö¿ØÖÆ·½Ê½¿ÉÑ¡Ôñ¡£
´øPID²ÎÊý×ÔÕû¶¨¹¦ÄÜ£¬¿ØÖÆÊä³öÊÖ¶¯/×Ô¶¯ÎÞÈÅÇл»¹¦ÄÜ£¬¿ØÖÆ×¼È·ÇÒÎÞ³¬µ÷¡£
Ö§³ÖRS485¡¢RS232´®Ðнӿڣ¬²ÉÓñê×¼MODBUS RTUͨѶÐÒé¡£
ÒDZí¿É´øRS232C´òÓ¡¹¦ÄÜ£¬¾ßÓÐÊÖ¶¯´òÓ¡¡¢¶¨Ê±´òÓ¡¡¢±¨¾¯´òÓ¡µÈ¹¦ÄÜ¡£
´øDC24VÀ¡µçÊä³ö£¬ÎªÏÖ³¡±äËÍÆ÷Åäµç¡£
ÊäÈë¡¢Êä³ö¡¢µçÔ´¡¢Í¨Ñ¶Ï໥֮¼ä²ÉÓùâµç¸ôÀë¼¼Êõ¡£
¾ß±¸¶àÖÖÍâÐγߴ缰Ñùʽ¹©Óû§Ñ¡Ôñ¡£
²ÎÊýÉ趨ÃÜÂëËø¶¨¡¢²ÎÊýÉèÖöϵçÓÀ¾Ã±£´æ£¬¾ß±¸²ÎÊý»Ö¸´³ö³§É趨¹¦ÄÜ¡£
|
|
¡¡
|
|
ÒDZíÃæ°å
|
 |
 |
 |
 |
 |
| 160*80mm(AÐÍ) |
80*160mm(BÐÍ) |
96*96mm(CÐÍ) |
96*48mm(DÐÍ) |
48*96mm(EÐÍ) |
| ¡¡ |
¡¡ |
¡¡ |
¡¡ |
¡¡ |
 |
 |
 |
 |
 |
| 160*80mm(KÐÍ) |
80*160mm(LÐÍ) |
96*96mm(MÐÍ) |
72*72mm(FÐÍ) |
48*48mm(HÐÍ) |
|
|

|
|
²ÎÊý¹¦ÄÜ
|
|
|
|
×¢£ºÒÔÉϲÎÊýΪÒDZíÈ«²¿²ÎÊý£¬Èç¹û²»ÊÇÈ«¹¦ÄÜÒÇ±í£¬Ôòδѡ¹¦ÄÜËù¶ÔÓ¦µÄ²ÎÊý½«²»ÓèÏÔʾ¡£
|
|
¡¡
|
|
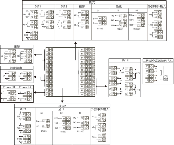
ÒDZí½ÓÏßͼ
|
|
NHR-5310µ¥Â·ÊäÈëPIDµ÷½ÚÆ÷½ÓÏßͼ

|
¹æ¸ñ³ß´çΪA¡¢B¡¢C¡¢D¡¢E¡¢K¡¢L¡¢MÐͽÓÏßͼ
×¢£ººáÊúʽÒDZíºó¸Ç½ÓÏß¶Ë×Ó·½Ïò²»Ò»Ñù£¬¼ûʾÒâͼ1¡£ |

ͼһ |
|
|

¹æ¸ñ³ß´çΪFÐͽÓÏßͼ

¹æ¸ñ³ß´çΪHÐͽÓÏßͼ
|
|
×¢£ºÉÏÊö½ÓÏßͼÖÐÔÚͬһ×é¶Ë×Ó±êÓв»Í¬¹¦Äܵģ¬Ö»ÄÜÑ¡ÔñÆäÖÐÒ»ÖÖ¹¦ÄÜ¡£ÈçRS485ºÍRS232ÔÚͬһ×é½ÓÏß¶Ë×ÓÉÏ£¬Ö»ÄÜÑ¡ÔñÒ»ÖÖ¡£
|
|
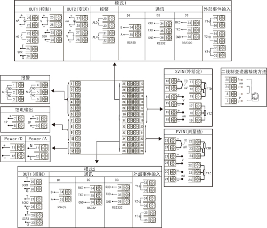
NHR-5320˫·ÊäÈë(Íâ¸ø¶¨)PIDµ÷½ÚÆ÷½ÓÏßͼ
|
¹æ¸ñ³ß´çΪA¡¢B¡¢C¡¢D¡¢E¡¢K¡¢L¡¢MÐͽÓÏßͼ
×¢£ººáÊúʽÒDZíºó¸Ç½ÓÏß¶Ë×Ó·½Ïò²»Ò»Ñù£¬¼ûʾÒâͼ1¡£ |

ͼһ |
|
|

¹æ¸ñ³ß´çΪFÐͽÓÏßͼ
|
|
×¢£ºÉÏÊö½ÓÏßͼÖÐÔÚͬһ×é¶Ë×Ó±êÓв»Í¬¹¦Äܵģ¬Ö»ÄÜÑ¡ÔñÆäÖÐÒ»ÖÖ¹¦ÄÜ¡£ÈçRS485ºÍRS232ÔÚͬһ×é½ÓÏß¶Ë×ÓÉÏ£¬Ö»ÄÜÑ¡ÔñÒ»ÖÖ¡£
|
|
NHR-5330˫·ÊäÈë(·§Î»¿ØÖÆ)PID¿ØÖÆÒǽÓÏßͼ

|
¹æ¸ñ³ß´çΪA¡¢B¡¢C¡¢D¡¢E¡¢K¡¢L¡¢MÐͽÓÏßͼ
×¢£ººáÊúʽÒDZíºó¸Ç½ÓÏß¶Ë×Ó·½Ïò²»Ò»Ñù£¬¼ûʾÒâͼ1¡£ |

ͼһ |
|
|

¹æ¸ñ³ß´çΪFÐͽÓÏßͼ
|
|
×¢£ºÉÏÊö½ÓÏßͼÖÐÔÚͬһ×é¶Ë×Ó±êÓв»Í¬¹¦ÄܵÄ,Ö»ÄÜÑ¡ÔñÆäÖÐÒ»ÖÖ¹¦ÄÜ¡£ÈçRS485ºÍRS232ÔÚͬһ×é½ÓÏß¶Ë×ÓÉÏ£¬Ö»ÄÜÑ¡ÔñÒ»ÖÖ¡£
|
|
¡¡
|
|
ÒDZíÑ¡ÐÍ
|
|
NHR-5310 ¡õ-¡õ/ -¡õ/¡õ/¡õ/¡õ/¡õ( )-¡õ-( )
µ¥Â·¿ØÖÆ ¢Ù ¢Ú ¢Û ¢Ü ¢Ý ¢Þ ¢ß ¢à ¢á ¢â
NHR-5320 ¡õ-¡õ/¡õ-¡õ/¡õ/¡õ/¡õ/¡õ( )-¡õ-( )
Íâ¸ø¶¨¿ØÖÆ ¢Ù ¢Ú ¢Û ¢Ü ¢Ý ¢Þ ¢ß ¢à ¢á ¢â
NHR-5330 ¡õ-¡õ/¡õ-¡õ/¡õ/¡õ/¡õ/¡õ( )-¡õ-( )
·§Î»¿ØÖÆ ¢Ù ¢Ú ¢Û ¢Ü ¢Ý ¢Þ ¢ß ¢à ¢á ¢â
|
| ¢Ù¹æ¸ñ³ß´ç |
¢ÚµÚһ·(²âÁ¿)ÊäÈë·Ö¶ÈºÅ/¢ÛµÚ¶þ·(·§Î»·´À¡»òÍâ¸ø¶¨)ÊäÈë·Ö¶ÈºÅ |
| ´úÂë |
¿í*¸ß*Éî |
´úÂë |
·Ö¶ÈºÅ£¨²âÁ¿·¶Î§£© |
A
B
C
D
E
F
H
K
L
M |
160*80*110mm£¨ºáʽ£©
80*160*110mm£¨Êúʽ£©
96*96*110mm£¨·½Ê½£©
96*48*110mm£¨ºáʽ£©
48*96*110mm£¨Êúʽ£©
72*72*110mm£¨·½Ê½£©
48*48*110mm£¨·½Ê½£©
160*80*110mm£¨ºáʽ/¹âÖù£©
80*160*110mm£¨Êúʽ/¹âÖù£©
96*96*110mm£¨·½Ê½/¹âÖù£© |
00
01
02
03
04
05
06
07
08
09
10
11
12
13
14
15
16
17
18
19
20
21
22
23
24
25
26
27
28
29
30
31
32
33
34
35
55
56 |
ÈȵçżB(400¡«1800¡æ)
ÈȵçżS(0¡«1600¡æ)
ÈȵçżK(0¡«1300¡æ)
ÈȵçżE·Ö¶È(0¡«1000¡æ)
ÈȵçżT·Ö¶È(-200.0¡«400.0¡æ)
ÈȵçżJ·Ö¶È(0¡«1200¡æ)
ÈȵçżR·Ö¶È(0¡«1600¡æ)
ÈȵçżN·Ö¶È(0¡«1300¡æ)
ÈȵçżF2·Ö¶È(700¡«2000¡æ)
ÈȵçżWre3-25·Ö¶È(0¡«2300¡æ)
ÈȵçżWre5-26·Ö¶È(0¡«2300¡æ)
Èȵç×èCU50(-50.0¡«150.0¡æ)
Èȵç×èCU53(-50.0¡«150.0¡æ)
Èȵç×èCU100(-50.0¡«150.0¡æ)
Èȵç×èPT100(-200.0¡«650.0¡æ)
Èȵç×èBA1(-200.0.0¡«600.0¡æ)
Èȵç×èBA2£¨-200.0¡«600.0¡æ£©
ÏßÐÔµç×è0¡«400Ω(-1999¡«9999)
Ô¶´«µç×è0-350Ω (-1999¡«9999)
Ô¶´«µç×è30-350Ω (-1999¡«9999)
0¡«20mV (-1999¡«9999)
0¡«40mV (-1999¡«9999)
0¡«100mV (-1999¡«9999)
-20¡«20mV (-1999¡«9999)
-100¡«100mV (-1999¡«9999)
0¡«20mA (-1999¡«9999)
0¡«10mA (-1999¡«9999)
4¡«20mA (-1999¡«9999)
0¡«5V (-1999¡«9999)
1¡«5V (-1999¡«9999)
-5¡«5V (-1999¡«9999)
0¡«10V (-1999¡«9999)
0¡«10mA¿ª·½ (-1999¡«9999)
4¡«20mA¿ª·½ (-1999¡«9999)
0¡«5V¿ª·½ (-1999¡«9999)
1¡«5V¿ª·½ (-1999¡«9999)
È«Çл»
ÌØÊâ¹æ¸ñ |
| ¢Ü¿ØÖÆÊä³ö1£¨OUT1£© |
| ´úÂë |
Êä³öÀàÐÍ£¨¸ºÔصç×èRL£© |
0
1
2
3
4
5
K1
K3
K4
K5
K6 |
4-20mA(RL≤600Ω)
1-5V(RL≥250KΩ)
0-10mA(RL≤1.2KΩ)
0-5V(RL≥250KΩ)
0-20mA(RL≤600Ω)
0-10V(RL≥4KΩ)
¼ÌµçÆ÷½ÓµãÊä³ö
µ¥Ïà¿É¿Ø¹è¹ýÁã´¥·¢Âö³åÊä³ö
¹Ì̬¼ÌµçÆ÷Çý¶¯µçѹÊä³ö
Ë«Ïò¿É¿Ø¹èͨ¶ÏÊä³ö
ÈýÏà¿É¿Ø¹è¹ýÁã´¥·¢Âö³åÊä³ö |
| ¢Ý±äËÍÊä³ö2£¨OUT2£© |
| ´úÂë |
Êä³öÀàÐÍ£¨¸ºÔصç×èRL£© |
X
0
1
2
3
4
5 |
ÎÞÊä³ö
4-20mA(RL≤600Ω)
1-5V(RL≥250KΩ)
0-10mA(RL≤1.2KΩ)
0-5V(RL≥250KΩ)
0-20mA(RL≤600Ω)
0-10V(RL≥4KΩ) |
| ¢Þ±¨¾¯Êä³ö£¨¼ÌµçÆ÷½ÓµãÊä³ö£© |
| ´úÂë |
±¨¾¯ÏÞÊý |
X
1
2
3
4 |
ÎÞÊä³ö
1ÏÞ±¨¾¯
2ÏÞ±¨¾¯
3ÏÞ±¨¾¯
4ÏÞ±¨¾¯ |
| ¢ßͨѶÊä³ö/Íⲿʼþ½ÓÈë |
¢àÀ¡µçÊä³ö |
| ´úÂë |
ͨѶ½Ó¿Ú/Êý×ÖÁ¿ÊäÈë½Ó¿Ú |
´úÂë |
À¡µçÊä³ö£¨Êä³öµçѹ£© |
X
D1
D2
D3
Y1
Y2
Y3 |
ÎÞÊä³ö
RS-485ͨѸ½Ó¿Ú£¨Modbus£©
RS232ͨѸ½Ó¿Ú£¨Modbus£©
RS232C´òÓ¡½Ó¿Ú
ÍⲿʼþÊäÈë1£¨Ç¿ÖÆÊÖ¶¯£©
ÍⲿʼþÊäÈë2
ÍⲿʼþÊäÈë3 |
X
1P
2P |
ÎÞÊä³ö
1·À¡µçÊä³ö
2·À¡µçÊä³ö
Èç“2P£¨12/24£©”±íʾµÚһ·
12V£¬µÚ¶þ·24VÀ¡µçÊä³ö¡£ |
| ¢á¹©µçµçÔ´ |
¢â±¸×¢£¨ÎÞ¿ÉÊ¡ÂÔ£© |
| ´úÂë |
µçѹ·¶Î§ |
¡¡ |
A
D |
AC/DC 100-240V(AC/50-60Hz)
DC 20-29V |
|
|
±¸×¢£º
|
|
1¡¢Ñ¡ÐÍʱÇë¸ù¾Ý½ÓÏßͼÀ´Ñ¡Ôñ¹¦ÄÜ£¬ÓÉÓڳߴçСµÄÒDZí½ÓÏß¶Ë×ÓÉÙ´ø²»ÁËÈ«¹¦ÄÜ£¬ÓеŦÄÜÔÚͬ×é¶Ë×ÓÉÏÖ»ÄÜÑ¡ÔñÆäÖÐÒ»ÖÖ¹¦ÄÜ¡£
2¡¢¹æ¸ñ³ß´çΪFÐ͵ÄÒÇ±í²»´øRS232C´òÓ¡½Ó¿Ú¡£
3¡¢ÔÚдÐͺÅʱ±ØÐëÍêÕû£¬Ã»ÓÐÑ¡µ½µÄ¹¦ÄÜÏî²»ÄÜÊ¡ÂÔ,±ØÐëÓÓX”²¹ÉÏ¡£
Àý1£ºNHR-5310A-14/X-0/0/2/X/X-A(µ¥Â·¿ØÖÆ)
Àý2£ºNHR-5310A-27/X-K1/0/2/D1/X-A(µ¥Â·¿ØÖÆ)
Àý3£ºNHR-5320A-14/27-0/0/2/X/X-A(Íâ¸ø¶¨¿ØÖÆ)
Àý4£ºNHR-5320A-14/27-K1/0/2/D1/X-A(Íâ¸ø¶¨¿ØÖÆ)
Àý5£ºNHR-5330A-14/27-0/0/2/Y1/X-A(·§Î»¿ØÖÆ)
Àý6£ºNHR-5330A-14/27-K1/0/2/D1/X-A(·§Î»Õý·´×ª¿ØÖÆ)
Àý7: NHR-5330A-14/X-K1/X/2/X/X-A(ÎÞ·§Î»Õý·´×ª¿ØÖÆ)
|