 |
µ¥Í¨µÀ¡¢Ë«Í¨µÀ¡£
Ö±Á÷µçѹ¡¢µçÁ÷ÊäÈë¡£
Ä£ÄâÁ¿¡¢RS-485¡¢¼ÌµçÆ÷½ÓµãÐźÅÊä³ö¡£
24VÅäµçÊä³ö¡£
ÊäÈë/Êä³ö/µçÔ´Èý¸ôÀë¡£
´«Ê侫¶È¡À0.1%¡£
Ä£¿é»¯Éè¼Æ£¬Ìå»ýС£¬¹¦ºÄµÍ¡£
È«ÖÇÄÜ£¬Êý×Ö»¯£¬¿É±à³Ì¡£
¸÷¶Ë×Ó¿É´øµç²å°Î£¬±ãÓÚ°²×°¡¢Î¬»¤¡£
±ê×¼µÄ35mmDINµ¼¹ì¿¨Ê½°²×°¡£ | |
|
¸ÅÊö
|
|
¸ø¶þ¡¢ÈýÏßÖÆ±äËÍÆ÷Ìṩ¸ôÀëµÄµçÔ´µçѹ,½«±äËÍÆ÷²úÉúµÄÖ±Á÷µçѹ»òµçÁ÷ÐźÅ,¾±¾¸ôÀëÆ÷ת»»³ÉËùÐèµÄÊä³öÐźÅÖÁ¿ØÖÆÏµÍ³.¿ÉÒÔÓëµ¥Ôª×éºÏÒÇ±í¼°DCS¡¢PLCµÈϵͳÅäÌ×ʹÓ㬸øÓèÏÖ³¡Ò»´ÎÒDZíÌṩµçÔ´¡¢ÐźŸôÀë¡¢ÐźÅת»»¡¢ÐźŷÖÅä¡¢ÐźŴ¦ÀíµÈ£¬´Ó¶øÌá¸ß¹¤ÒµÉú²ú¹ý³Ì×Ô¶¯¿ØÖÆÏµÍ³µÄ¿¹¸ÉÈÅÄÜÁ¦£¬±£Ö¤ÏµÍ³µÄÎȶ¨ÐԺͿɿ¿ÐÔ¡£¿É´øÒº¾§ÏÔʾ,ͨ¹ýºìÍâÇá´¥°´¼üÇл»ÏÔʾ²»Í¬Í¨µÀµÄ²ÎÊý£¬ÏÔʾʵʱ²âÁ¿Öµ¡¢ÀíÂÛÊä³öÖµ¡¢µ¥Î»¼°Í¨µÀºÅ¡£ |
|
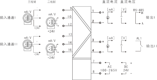
½ÓÏßͼ
|
|

|
|
½á¹¹ÍâÐÍͼ
|
|


|
|
¼¼Êõ²ÎÊý
|
| ÊäÈë |
| ÊäÈëÐźŠ|
Ö±Á÷µçѹ¡¢µçÁ÷(¶©»õʱȷ¶¨»òÅäÖñà³ÌÆ÷×ÔÐбà³Ì) |
| ÊäÈë×迹 |
µçÁ÷×迹¡Ü160¦¸£¬µçѹ×迹¡Ý250K¦¸ |
| ÊäÈë×î´óµçÁ÷/µçѹ |
¡Ü30mA/¡Ü7V |
| Êä³ö |
| Êä³öÐźŠ|
4-20mA£¬0-10mA£¬0-20mA£¬1-5V£¬0-5V |
| Êä³ö¸ºÔØ |
µçÁ÷ÐÍ¡Ü500¦¸£¬µçѹÐÍ¡Ý250K¦¸(ÐèÒª¸ü¸ß¸ºÔØÄÜÁ¦Ê±£¬ÇëÔÚ¶©»õʱ˵Ã÷) |
| ¼ÌµçÆ÷ |
ÈÝÁ¿£ºDC30V/2A£¬AC125V/0.6A |
| ͨѶ |
MODBUS-RTUÐÒé,RS-485´«Êä¾àÀë¡Ü1000Ãס£ |
| µçÔ´ |
| µçÔ´ |
DC24V(¡À10%)£¬AC100-265V 50-60Hz |
| ¹¦ºÄ |
DC24V¹¦ºÄ:¡Ü1.5W, AC100-265V¹¦ºÄ:¡Ü2W |
| ÆäËü²ÎÊý |
¾øÔµÇ¿¶È (ÊäÈë/Êä³ö/µçÔ´Ö®¼ä) |
2500Vrms (1 min£¬ÎÞ»ð»¨) |
| ¹¤×÷ÎÂ¶È |
0¡«50¡æ |
| Ïà¶Ôʪ¶È |
¡Ü85%RH |
| ÎÂ¶ÈÆ¯ÒÆ |
50ppm |
| °²×°·½Ê½ |
35mmDINµ¼¹ì°²×° |
| °²×°³ß´ç |
22.5*110*115mm(¿í*¸ß*Éî) |
| ²âÁ¿¾«¶È |
0.2%FS¡À1×Ö |
| ÏìӦʱ¼ä |
¡Ü1S |
| ÖØÁ¿ |
Ô¼150¿Ë | |
|
ÒDZíÑ¡ÐÍ
|
| ¡¡ |
¡¡ |
7 |
¡¡ |
8 |
¡¡ |
9 |
¡¡ |
10 |
¡¡ |
11 |
| M4 ϵÁÐÖÇÄÜÅäµçÆ÷ NHR-M43 |
- |
¡õ |
/ |
¡õ |
- |
¡õ |
/ |
¡õ |
- |
¡õ |
| λ |
¹æ¸ñ |
×¢ÊÍ |
¡¡ |
| | | ¡ý ¡õ |
/
|
| | | ¡ý ¡õ |
¡¡ |
| | | | | | | | | | | | | | | ¡ý ¡õ |
/
|
| | | | | | | | | | | | | | | ¡ý ¡õ |
¡¡ |
| | | | | | | | | | | | | | | | | | | | | | | ¡ý A D |
| 7/8 |
<²âÁ¿ÖµÊäÈë> |
¡¡ |
| ͨµÀI/ͨµÀII(´ÓÁбíÖÐÑ¡Ôñ´úÂë) |
| ´úÂë |
ÀàÐÍ |
´úÂë |
ÀàÐÍ |
| 25 |
0-20mA |
31 |
0-10V(²»¿ÉÇл») |
| 26 |
0-10mA |
32 |
0-10mA¿ª·½ |
| 27 |
4-20mA |
33 |
4-20mA¿ª·½ |
| 28 |
0-5V |
34 |
0-5V¿ª·½ |
| 29 |
1-5V |
35 |
1-5V¿ª·½ |
| 30 |
-5V-5V |
X |
ͨµÀIIÎÞÊäÈëʱѡÔñ |
| 9/10 |
<Êä³ö> |
¡¡ |
¡¡ |
¡¡ |
¡¡ |
| Êä³öI/Êä³öII(´ÓÁбíÖÐÑ¡Ôñ´úÂë) |
| ´úÂë |
ÀàÐÍ |
´úÂë |
ÀàÐÍ |
| X |
ÎÞÊä³ö |
4 |
0-10V(²»¿ÉÇл») |
| 0 |
4-20mA |
5 |
0-20mA |
| 1 |
1-5V |
K1 |
¼ÌµçÆ÷½Óµã(½öÏÞÓÚÊä³öII£© |
| 2 |
0-10mA |
D1 |
RS-485ͨѸ(½öÏÞÓÚÊä³öI) |
| 3 |
0-5V |
¡¡ |
(Modbus) |
| 11 |
<µçÔ´> |
¡¡ |
¡¡
¡¡ |
| AC100-265V 50-60Hz |
| DC24V | |
|
ÐͺžÙÀý£ºNHR-M43-27/27-0/0-A ËĶË×ÓÖÇÄÜÅäµçÆ÷£¬Ë«Â·ÊäÈëÐźÅΪ4-20mA£¬Ë«Â·Êä³öÐźÅΪ4-20mA£¬¹©µçµçԴΪAC100-265V¡£ ±¸×¢£ºÌØÊ⹦Äܿɶ©ÖÆ¡£
|