1 ¡¡¸ÅÊö
¡¡¡¡ARCϵÁй¦ÂÊÒòÊý×Ô¶¯²¹³¥¿ØÖÆÆ÷ÊÇÓÃÓÚµÍѹÅäµçϵͳ½øÐÐÎÞ¹¦¹¦Âʲ¹³¥µÄרÓÿØÖÆÆ÷£¬¿ÉÒÔÓëµçѹµÈ¼¶ÔÚ400VÒÔϵľ²Ì¬µçÈÝÆÁ£¨¹ñ£©ÅäÌ×ʹÓá£Êä³ö·ÊýÓÐ6¡¢8¡¢10¡¢12ËÄÖÖ¹æ¸ñ¡£²úÆ··ûGB/T15576-2008¹ú¼Ò±ê×¼£¬¾ßÓй¦ÄÜÍêÉÆ¡¢ÔËÐÐÎȶ¨¿É¿¿¡¢¿ØÖƾ«¶È¸ßµÈÌØµã¡£
¡¡¡¡ARCϵÁй¦ÂÊÒòÊý×Ô¶¯²¹³¥¿ØÖÆÆ÷¾ß±¸RS485ͨѶ½Ó¿Ú£¬ÆäËù²ÉÑùµÃµ½µÄµçѹ¡¢µçÁ÷¡¢ÆµÂÊ¡¢Óй¦¹¦ÂÊ¡¢ÎÞ¹¦¹¦ÂÊ¡¢Ð³²¨º¬Á¿¡¢¹¦ÂÊÒòÊý¡¢Î¶ȿÉͨ¹ýͨѶ½Ó¿Ú´«Ë͵½ÆäËüÍⲿÉ豸¡£
¡¡¡¡¾ß±¸¹ýµçѹ±£»¤¡¢Ç·Á÷Ëø¶¨¡¢µçÍøÐ³²¨¹ý´ó±£»¤¹¦ÄÜ¡£
¡¡¡¡¿ÉÑ¡Å俪¹ØÁ¿ÊäÈëÓëζȿØÖÆ£¬À©Õ¹¿ª¹ØÁ¿ÊäÈ룬ÄܶÔÍⲿÖÐ¼ä¿ØÖÆ½Ó´¥Æ÷½øÐÐ¼à¿Ø¡£Î¶ȿØÖÆÄܶԵçÈÝÆÁ£¨¹ñ£©½µÎ·ç»ú½øÐÐ×Ô¶¯¿ØÖÆ¡£
2¡¡ ÐͺÅ˵Ã÷

3 ¡¡Ñ¡Ðͱí

4 ¡¡Ê¹ÓÃÌõ¼þ
¡¡¡¡¡ñº£°Î¸ß¶È²»³¬¹ý2500Ã×
¡¡¡¡¡ñÖÜΧ»·¾³Î¶ÈΪ-25¡æ~60¡æ£¬24СʱµÄƽ¾ùζȲ»¸ßÓÚ40¡æ
¡¡¡¡¡ñ¿ÕÆøµÄÏà¶Ôʪ¶ÈÔÚ25¡æÊ±²»´óÓÚ85£¥£¬²»½á¶
¡¡¡¡¡ñÖÜΧ»·¾³ÎÞ¸¯Ê´ÐÔÆøÌ壬ÎÞµ¼µç³¾°££¬ÎÞÒ×ȼÒ×±¬½éÖÊ´æÔÚ
¡¡¡¡¡ñ¹¤×÷µÄµçÍøµçѹ²¨¶¯·ù¶È²»µÃ´óÓÚ±20£¥
¡¡¡¡¡ñ°²×°µØµãÎÞ¾çÁÒÕ𶯡¢ÎÞÓêѩֱ½ÓÇÖÊ´
5¡¡ ¼¼Êõ²ÎÊý

6 ¡¡Ãæ°åͼʾ

7 ¡¡ÍâÐμ°³ß´ç(mm)

8 ¡¡½ÓÏß¶Ë×Ó
¡¡¡¡ÉÏÅŶË×Ó

¡¡¡¡ÖÐÅŶË×Ó

¡¡¡¡ÏÂÅŶË×Ó

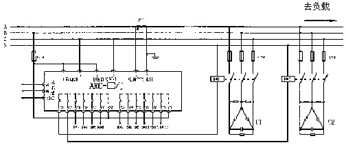
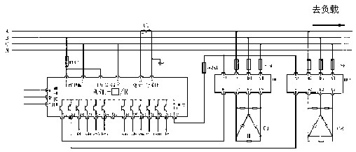
9 ¡¡½ÓÏßͼ

¹¤×÷µçԴΪAC220V£¬Ïàµçѹ²ÉÑù£¬¼ÌµçÆ÷Êä³ö

¹¤×÷µçԴΪAC380V£¬Ïßµçѹ²ÉÑù£¬¼ÌµçÆ÷Êä³ö

¹¤×÷µçԴΪAC220V£¬Ïàµçѹ²ÉÑù£¬´ø¸ôÀëµÄ¸´ºÏ¿ª¹ØÊä³ö

¹¤×÷µçԴΪAC380V£¬Ïßµçѹ²ÉÑù£¬´ø¸ôÀëµÄ¸´ºÏ¿ª¹ØÊä³ö