|
|
|
²úÆ·Ãû³Æ£º
|
ÒÚά SM331 µçѹÐͲɼ¯Ä£¿é
|
|
ÐÍ ºÅ£º
|
SM331
|
|
¼Û ¸ñ£º
|
0.00
|
|
Æ· ÅÆ£º
|
ÒÚά
|
|
|
|
|
¡ö²úÆ·ÃèÊö:UN331-7KF02-0V10 ¡ïÄܹ»·½±ãµØÀ©Õ¹S7-300ϵÁÐPLCµÄÄ£ÄâÁ¿Êä³öͨµÀ ¡ï¿ÉÓÃÓÚET200MÔ¶³ÌI/OÕ¾µÄ¿ØÖƵãÊýÀ©Õ¹ ¡ï¿ÉÖ§³ÖµçÁ÷²âÁ¿·½Ê½£¬Âú×㹤ҵÏÖ³¡ÐèÇó |
|
|
|
µçÆø²ÎÊý |
|
SM331 |
UN331-7KF02-0V10 |
|
µçÔ´ËðºÄ |
|
|
¶î¶¨Öµ£¨DC£© |
24V |
|
·´¼«ÐÔ±£»¤ |
ÓÐ |
|
´Ó±³°å×Ü·ÏßÏûºÄµçÁ÷ |
100mA |
|
´Ó¸ºÔصçѹL+ÏûºÄµçÁ÷ |
120mA(ÎÞË«Ïß±äËÍÆ÷) |
|
¹¦ºÄ |
3.6W |
|
µçÁ÷ÊäÈëʱÔÊÐíµÄÊäÈë×î´óµçѹ |
20V£»ºã¶¨µçѹ£»75Vʱ×î´ó£¬1s£¨Âö³åÕ¼¿Õ±È1£º20£© |
|
Ä£ÄâÁ¿ÊäÈëµãÊý |
8 |
|
µçÀ³¤¶È£¨ÆÁ±Î£© |
80mAʱ×50Ã× |
|
ÊäÈ뷶Χ£¨¶î¶¨Öµ£© |
¡À80mV, ¡À250mV£¬¡À500mV£¬¡À1V£¬¡À2.5V£¬¡À5V£¬1¡5V£¬¡À10V |
|
A/D ת»»¾«¶È |
16λ |
|
»ù±¾×ª»»Ê±¼ä |
190ms |
|
¸ÉÈÅÒÖÖÆÆµÂÊ |
400/60/50/10HZ |
|
»ù±¾Îó²î¼«ÏÞ£¨ÔËÐÐÔÚ25¡æ£© |
|
|
µçѹ |
|
|
80m |
¡À0.7% |
|
250-1000mA |
¡À0.4% |
|
2.5-10V |
¡À0.6% |
|
Õï¶ÏÖÐ¶Ï |
ÓУ¬Ã¿×é¿ÉÉèÖòÎÊý |
|
¼«ÏÞÖµÖÐ¶Ï |
ÓУ¬¿ÉÉèÖòÎÊý |
|
¹âµç¸ôÀë |
|
|
ͨµÀÖ®¼ä |
ÎÞ |
|
ͨµÀÓë±³°å×ÜÏßÖ®¼ä |
ÓÐ |
|
ËùÐèǰÁ¬½ÓÆ÷ |
20Õë |
|
³ß´ç£¨³¤ X ¿í X ¸ß£© |
40¡Á125¡Á120 |
|
¾»ÖØ |
260g |
|
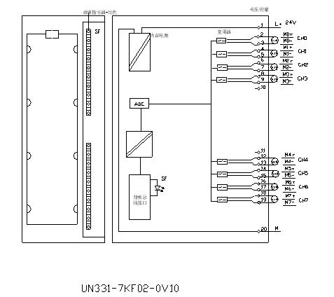
½ÓÏßͼ |
 |
|
|
|