²úÆ·±àºÅ£º 61217402816
²úÆ·Ãû³Æ£º PT90
¹æ¡¡¡¡¸ñ£º ±³Ï¶¶È£º5¡«10
²úÆ·±¸×¢£º Ïêϸ˵Ã÷Çëä¯ÀÀ¡°ÏÂÔØÖÐÐÄ¡±ÀïµÄ²úƷ˵Ã÷Êé»òÁªÏµÎÒÃÇ¡£
²úÆ·Àà±ð£º Golden SkyÐÐÐǼõËÙ»ú
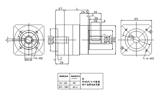
PT 90 ÍâÐÎͼ

PT 90ϵÁÐÐÔÄÜ±í£¨±í1£©
|
ÐÍ
ºÅ
|
¼õ
ËÙ
±È |
¹¤×÷ÊÙÃü5000Сʱ |
¹¤×÷ÊÙÃü10000Сʱ |
×î´ó
Ť¾Ø
Nm
Tpeak |
ת¶¯¹ßÁ¿
kg-
cm2
J |
¿¹Å¤
¸Õ¶È
Nm/
arc
-min
|
ÖØ
Á¿
Kg
|
±³Ï¶
arc-
min
(Max) |
|
µ¥Î»£ºNm ·ûºÅ£ºTr |
µ¥Î»£ºNm ·ûºÅ£ºTr |
|
1000
rpm |
2000
rpm |
3000
rpm |
1000
rpm |
2000
rpm |
3000
rpm |
|
PT90-003 |
3:1 |
51 |
48 |
42 |
48 |
43 |
36 |
160 |
1.41 |
4.7 |
3 |
5 |
|
PT90-004 |
4:1 |
70 |
64 |
60 |
68 |
60 |
52 |
150 |
1.15 |
4.8 |
3 |
5 |
|
PT90-005 |
5:1 |
70 |
64 |
60 |
68 |
60 |
52 |
150 |
1.01 |
4.8 |
3 |
5 |
|
PT90-010 |
10:1 |
60 |
50 |
42 |
55 |
48 |
40 |
150 |
0.76 |
4.7 |
3 |
5 |
|
PT90-015 |
15:1 |
95 |
88 |
80 |
90 |
74 |
60 |
160 |
1.15 |
4.7 |
3.6 |
10 |
|
PT90-020 |
20:1 |
120 |
102 |
88 |
105 |
90 |
76 |
160 |
1.09 |
4.8 |
3.6 |
10 |
|
PT90-025 |
25:1 |
120 |
102 |
88 |
105 |
90 |
76 |
160 |
1.07 |
4.8 |
3.6 |
10 |
|
PT90-030 |
30:1 |
120 |
102 |
88 |
105 |
90 |
76 |
100 |
0.95 |
4.8 |
3.6 |
10 |
|
PT90-040 |
40:1 |
92 |
86 |
78 |
84 |
70 |
58 |
160 |
0.84 |
4.7 |
3.6 |
10 |
|
PT90-050 |
50:1 |
90 |
82 |
78 |
80 |
68 |
56 |
160 |
0.78 |
4.7 |
3.6 |
10 |
|
PT90-100 |
100;1 |
76 |
66 |
58 |
68 |
58 |
46 |
160 |
0.76 |
4.4 |
3.6 |
10 |
|
×¢£º£¨1£©¼õËÙ±ÈÊǾ«È·µÄ¡£
£¨2£©Tr±íʾÔÚÖ¸¶¨µÄÊÙÃüÆÚÏÞÄÚÔÚÖ¸¶¨µÄתËÙʱµÄ¶î¶¨Å¤¾Ø¡£
£¨3£©J±íʾ¼õËÙ»úµÄת¶¯¹ßÁ¿£¬´ÓÊäÈëÖá´¦²â¶¨£¨°üÀ¨³ÝÂÖ¡¢Êä³öÖáµÈ£©¡£
£¨4£©3:1ÖÁ10:1¼õËÙ»ú´«ËÍЧÂÊΪ89%£»15:1ÖÁ100:1¼õËÙ»ú´«ËÍЧÂÊΪ84%¡£
£¨5£©Ä¿Ç°³£±¸Ëٱȣº3:1¡¢4:1¡¢5:1¡¢8:1¡¢10:1¡¢15:1¡¢20:1¡¢25;1¡¢30:1¡¢40:1¡¢50:1¡¢100:1¡£
|
|
PT 90¾¶Ïò¸ºÔØ±í£¨±í2£© µ¥Î»£ºX(mm)¡¢n(rpm)¡¢Fr(N) |
|
¡¡ |
x |
5 |
10 |
15 |
20 |
25 |
30 |
35 |
40 |
45 |
|
n |
Fr |
|
50 |
1797 |
1493 |
1277 |
1116 |
991 |
891 |
809 |
741 |
684 |
|
100 |
1426 |
1185 |
1014 |
886 |
786 |
707 |
642 |
588 |
543 |
|
250 |
1050 |
873 |
747
|
652
|
579 |
521 |
473, DIV> |
433 |
400 |
|
834 |
693 |
593 |
518 |
460 |
413 |
375 |
344 |
317 |
|
1000 |
662 |
550 |
470 |
411 |
365 |
328 |
298 |
273 |
252 |
|
¡¡ |
x |
50 |
55 |
60 |
65 |
70 |
75 |
80 |
85 |
90 |
|
n |
Fr |
|
50 |
635 |
592 |
555 |
522 |
493 |
467 |
443 |
422 |
403 |
|
100 |
504 |
470 |
440 |
414 |
391 |
370 |
352 |
335 |
320 |
|
250 |
371 |
346 |
324 |
305 |
288 |
273 |
259 |
247 |
235 |
|
500 |
294 |
275 |
257 |
242 |
229 |
216 |
206 |
196 |
187 |
|
1000 |
233 |
218 |
204 |
192 |
181 |
172 |
163 |
155 |
148 |
|
ÖáÏò¸ºÔرí(±í3) |
|
N(rpm) |
Fa(N) |
|
50 |
3250 |
|
100 |
2508 |
|
250 |
1696 |
|
500 |
1425 |
|
1000 |
954 |

×¢£º
£¨1£©ÉÏÊö(±í2)±íʾÖáÏòÁ¦Fa=0ʱµÄÐí¿É¾¶ÏòÁ¦£¬(±í3)±íʾ¾¶ÏòÁ¦Fr=0ʱµÄÐí¿ÉÖáÏòÁ¦£¬µ±¼´Óо¶ÏòÁ¦ÓÖÓÐÖáÏòÁ¦Ê±£¬(±í2)±íʾµ±Á¿Ðí¿É¸ºÔØÁ¦P£¬Õâʱ¿ÉÓù«Ê½P=0.56Fr+2Fa¶Ôʵ¼Ê¾¶ÏòÁ¦ºÍʵ¼ÊÖáÏòÁ¦½øÐÐÑéËã¡£
£¨2£©ÉÏÊöÈý±íÄÚµÄÊý¾ÝµÄ½âÊÍȨ£¬ÊôÓÚ±¾¹«Ë¾£¬²¢±£Áô²úÆ·¸üÐÂʱµÄÊý¾Ý±ä¸üȨÀû£¬Êý¾Ý±ä¸üʱˡ²»ÁíÐÐ֪ͨ¡£