ÉîÛÚÊÐÅô»Ô¿Æ¼¼ÓÐÏÞ¹«Ë¾×¨ÒµÑз¢Éú²úÖÆÔì¸ßÐÔÄܲ½½øµç»ú¼°²½½øÇý¶¯Æ÷£¬ÎÒ¹«Ë¾Î»ÓÚÉîÛÚÊб¦°²Çø£¬ÒÑÓÐÊ®¼¸ÄêµÄµç»úÑз¢Éú²úÀúÊ·£¬¡°ÉêÁ¦¡±(SHENLI)ÊÇÎÒÃÇµÄÆ·ÅÆ£¬ÆìÏÂËùÓв½½øµç»úϵÁвúÆ·È«²¿Í¨¹ý¹ú¼ÊCEÈÏÖ¤£¬ÖÊÁ¿ÓëÐÅÓþÓ®µÃ¹ã´ó¿Í»§µÄÕæ³ÏÐÅÀµ£¬ÔڽṹÓë²ÄÁÏÉÏ£¬ÉêÁ¦»ìºÏʽ²½½øµç»úÄÚ²¿ÓÐÓÀ´ÅÐͲÄÁÏ£¬ËùÒÔÉêÁ¦»ìºÏʽ²½½øµç»úÔËÐÐʱÏà¶Ôƽ»¬£¬Êä³ö¸¡ÔØÁ¦´ó£¬ÔëÒôС¡£SHENLI²½½øµç»úϵÁÐÄê²ú10ÍòÓą̀£¬¼¼ÊõÖ¸±êÒÑ´ïµ½¹ú¼ÊÁìÏÈˮƽ£¬²úÆ·¹ã·ºÓ¦ÓÃÓÚ´òÓ¡»ú¡¢´ò×Ö»ú¡¢¸´Ó¡»úºÍ´«Õæ»úµÈ°ì¹«×Ô¶¯»¯É豸£¬»úе¡¢·ÄÖ¯¡¢»¯¹¤£¬ÇṤ¡¢°ü×°¡¢¾ü¹¤¡¢µç×Ó¡¢Ò½ÁÆÆ÷е¡¢¼¤¹â¡¢µñ¿Ì¡¢Îę̀µÆ¹âµÈÐÐÒµµÄ×Ô¶¯»¯¿ØÖÆÏµÍ³£¬¿Õµ÷Æ÷µÈ¼ÒÓõçÆ÷¡£¹«Ë¾¼¼Êõ·þÎñ²¿ÓжàÃû¾Ñé·á¸»µÄµç»ú¡¢µç·¡¢¿ØÖÆÈí¼þ¹¤³Ìʦ£¬È«Á¦Îª¿Í»§ÌṩһÌ廯µÄ²úÆ·½â¾ö·½°¸¡£²úÆ·ÏêϸÇëä¯ÀÀÎÒ¹«Ë¾ÉêÁ¦²½½øµç»ú×¨ÒµÍøÕ¾: http://www.gdszsl.com»ò²¦´òÎÒÃǵÄ×Éѯµç»°:¡£
ÉêÁ¦È«ÏµÍ³²úÆ·£º¶þÏà28Ð͵ç»ú¡¢¶þÏà35Ð͵ç»ú¡¢¶þÏà39Ð͵ç»ú¡¢¶þÏà42Ð͵ç»ú¡¢¶þÏà57Ð͵ç»ú¡¢¶þÏà60Ð͵ç»ú¡¢¶þÏà86Ð͵ç»ú¡¢¶þÏà110Ð͵ç»ú¡¢¶þÏà130Ð͵ç»ú¡¢ÈýÏà57Ð͵ç»ú¡¢ÈýÏà86Ð͵ç»ú¡¢ÈýÏà110Ð͵ç»ú¡¢NHM-2H090MH/Çý¶¯Æ÷¡¢SL-026HM/2H110M/Çý¶¯Æ÷¡¢SL-M804/Çý¶¯Æ÷¡¢SL-M2803/Çý¶¯Æ÷¡¢SL-M2806/Çý¶¯Æ÷¡¢SL-HS-40²½½øµç»ú¿ØÖÆÆ÷¡¢SL-CNC-300AÒº¾§ÖÐÎÄÏÔÊ¾ÈÆÏß»ú¿ØÖÆÆ÷¡£
²úÆ·±àºÅ£º 6261522016
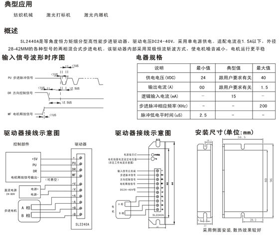
²úÆ·Ãû³Æ£º 2440AϵÁÐÁ½Ïàϸ·ÖÇý¶¯Æ÷
¹æ¡¡¡¡¸ñ£º
²úÆ·±¸×¢£º Ïêϸ˵Ã÷Çëä¯ÀÀ¡°ÏÂÔØÖÐÐÄ¡±ÀïµÄ²úÆ·×ÊÁÏ»òÁªÏµÎÒÃÇ¡£
²úÆ·Àà±ð£º ÉêÁ¦²½½øÇý¶¯Æ÷
²ú Æ· ˵ Ã÷ |
|
|

