http://kadhoai.com.cn 2026-04-26 13:05:26 來源:中國自動化學會專家谘詢工作委員會

圖1 並聯輸出電壓的正確連接方法
2 不同的開關電源啟動特性對並聯運行電源的影響
不同的電源的啟動特性對電源並聯運行的正常與否將會產生很大的影響,由於開關電源在上電後大約需要0.3~1.5s的(de)時(shi)間(jian)才(cai)能(neng)使(shi)輸(shu)出(chu)電(dian)壓(ya)穩(wen)定(ding)。而(er)采(cai)用(yong)啟(qi)動(dong)時(shi)間(jian)的(de)差(cha)別(bie)較(jiao)大(da)的(de)開(kai)關(guan)電(dian)源(yuan)時(shi),往(wang)往(wang)會(hui)給(gei)並(bing)聯(lian)運(yun)行(xing)電(dian)路(lu)的(de)正(zheng)常(chang)啟(qi)動(dong)帶(dai)來(lai)很(hen)大(da)的(de)麻(ma)煩(fan)。如(ru)果(guo)兩(liang)個(ge)開(kai)關(guan)電(dian)源(yuan)並(bing)聯(lian)工(gong)作(zuo),其(qi)中(zhong)一(yi)個(ge)電(dian)源(yuan)啟(qi)動(dong)時(shi)間(jian)比(bi)較(jiao)短(duan),隻(zhi)需(xu)0.3s,其電壓很快就穩定下來,馬上承擔負載的電流;而(er)在(zai)第(di)一(yi)電(dian)源(yuan)輸(shu)出(chu)電(dian)壓(ya)已(yi)穩(wen)定(ding)的(de)情(qing)況(kuang)下(xia)另(ling)一(yi)個(ge)並(bing)聯(lian)開(kai)關(guan)電(dian)源(yuan)仍(reng)處(chu)於(yu)啟(qi)動(dong)狀(zhuang)態(tai),不(bu)能(neng)正(zheng)常(chang)工(gong)作(zuo),這(zhe)時(shi)第(di)一(yi)個(ge)電(dian)源(yuan)必(bi)須(xu)承(cheng)擔(dan)全(quan)部(bu)的(de)負(fu)載(zai)電(dian)流(liu),從(cong)而(er)進(jin)入(ru)過(guo)負(fu)載(zai)狀(zhuang)態(tai),電(dian)源(yuan)安(an)全(quan)裝(zhuang)置(zhi)起(qi)作(zuo)用(yong),關(guan)斷(duan)輸(shu)出(chu)電(dian)壓(ya);恰qia在zai此ci時shi,另ling一yi個ge開kai關guan電dian源yuan進jin入ru穩wen定ding狀zhuang態tai,輸shu出chu電dian壓ya承cheng受shou負fu載zai電dian流liu,此ci時shi第di一yi個ge電dian源yuan因yin為wei輸shu出chu電dian壓ya已yi關guan斷duan,第di二er個ge開kai關guan電dian源yuan必bi須xu承cheng受shou所suo有you的de負fu載zai,則ze又you進jin入ru過guo負fu載zai狀zhuang態tai,引yin起qi第di二er個ge開kai關guan電dian源yuan關guan斷duan。在zai電dian路lu設she計ji時shi如ru果guo沒mei有you充chong分fen考kao慮lv到dao保bao險xian措cuo施shi的de話hua,往wang往wang會hui將jiang電dian源yuan燒shao壞huai或huo者zhe常chang常chang要yao啟qi動dong多duo次ci才cai會hui進jin行xing正zheng常chang工gong作zuo的de狀zhuang態tai。因yin此ci電dian源yuan在zai並bing聯lian工gong作zuo時shi必bi須xu考kao慮lv到dao開kai關guan電dian源yuan的de啟qi動dong時shi間jian。一yi般ban的de經jing驗yan是shi開kai關guan電dian源yuan的de啟qi動dong時shi間jian必bi須xu小xiao於yu20%的電源過負載的時間,這樣才能保證在並聯運行時可靠啟動,同時建議可並聯的開關電源不要采用Hiccup輸出負載特性,這樣會給電源的診斷帶來困難。德國PULS電源集團公司(以下簡稱PULS公司)的新一代產品DIMENSION充分考慮了電源並聯工作時特點,加大了電源的過負載能力,其POWER OVERLOAD具有可維持4秒鍾的150%過負載能力。這樣,PULS電源並聯工作是就不必考慮電源的啟動時間的影響,大大方便了使用者和設計者。
3 突變輸出負載對並聯運行的導軌式開關電源的影響
在並聯運行時,電源中為了給它的控製電路供電,須提供一個輔助電壓,這在啟動時通過采用一個電容來實現(這也就是為什麼電源啟動時有延遲時間的原因)。dangdianyuandegonglvbufenzhengchanggongzuohou,qikongzhidianluyoubenshendedianyuangongdian,danglianggedianyuanbinglianyunxingshi,ruguoyikaishidaidefuzaihenshao,nameqizhongyigedianyuandegonglvbufenjibenguanduan(這不僅對被動式或主動式均流方法都是一樣的)。這時這個電源的內部的輔助電源也關斷了,當負載突變時,這個電源必須像啟動狀態一樣,慢慢地重新建立起來,這要經過一個延遲(大約0.5s)才cai能neng使shi電dian源yuan功gong率lv部bu分fen正zheng常chang工gong作zuo,在zai這zhe延yan遲chi時shi間jian內nei,隻zhi有you一yi個ge電dian源yuan進jin行xing工gong作zuo,而er且qie處chu於yu負fu載zai電dian流liu的de極ji限xian狀zhuang態tai,這zhe時shi往wang往wang會hui引yin起qi過guo載zai保bao護hu動dong作zuo,切qie斷duan輸shu出chu的de電dian壓ya。因yin此ci並bing聯lian運yun行xing的de電dian源yuan必bi須xu保bao證zheng在zai電dian源yuan空kong載zai的de情qing況kuang下xia,內nei部bu輔fu助zhu電dian源yuan照zhao常chang工gong作zuo,這zhe樣yang,當dang出chu現xian突tu變bian負fu載zai時shi所suo有you電dian源yuan能neng及ji時shi地di分fen擔dan負fu載zai。在zai並bing聯lian運yun行xing時shi,並bing聯lian運yun行xing的de電dian源yuan應ying該gai具ju有you承cheng受shou較jiao高gao外wai來lai電dian壓ya的de能neng力li,不bu然ran的de話hua,一yi個ge較jiao高gao的de外wai來lai電dian壓ya將jiang會hui損sun壞huai並bing聯lian電dian源yuan。為wei了le避bi免mian這zhe種zhong現xian象xiang的de發fa生sheng,須xu考kao慮lv串chuan接jie一yi個ge隔ge離li二er極ji管guan。PULS公司的DIMENSION充分考慮了突變輸出負載的特點,通過加大了電源的過負載能力,來解決由於負載突變而可能發生電源瞬間過負載的問題。這樣,PULS電源並聯工作方法比一般的開關電源的並聯來的更加可靠、安全和方便。
4 導軌式開關電源的簡單的並聯運行模式
zaishiyongdaoguishikaiguandianyuanshi,weiletigongchaoguodangedianyuansuonengdadaodeshuchuzuidagonglv,keyitongguodianyuanbingliandefangfalaizengjiashuchudedianliuliang。jiandandebinglianyunxingmoshishiyaoqiuergehuoduogedianyuanzhijiebinglian,erbuchanshengrenhesunhuaidexianxiang,qizhongyaodeyidianjiushidianyuanduishuchugonglvdechengshouli,suoweidejiandanbinglianbingbukaolvdianliudejunliuwenti,ershikaolvzaiqidongshihuofuzaibianhuashidebingliandianyuankenengchanshengdewenti。renmenjianglianggedianyuanjiandandibinglianqilai,bingjiangtadeshuchudianyuantiaozhengdaojinkenengyizhi,zheyangzaigongzuoshijianzhongwangwanghuichuxianzhezhongxianxiang:電源1首先承擔全部負載,一直到它的電流極限,然後電源2承(cheng)受(shou)餘(yu)下(xia)的(de)電(dian)流(liu),如(ru)果(guo)這(zhe)樣(yang)並(bing)聯(lian)運(yun)行(xing)作(zuo)為(wei)冗(rong)餘(yu)功(gong)能(neng)使(shi)用(yong),同(tong)時(shi)采(cai)用(yong)不(bu)同(tong)的(de)輸(shu)入(ru)源(yuan)的(de)工(gong)作(zuo)的(de)話(hua),那(na)麼(me)這(zhe)種(zhong)方(fang)式(shi)是(shi)受(shou)歡(huan)迎(ying)的(de),因(yin)為(wei)它(ta)可(ke)以(yi)對(dui)輸(shu)入(ru)源(yuan)壽(shou)命(ming)起(qi)延(yan)長(chang)保(bao)護(hu)作(zuo)用(yong)(如電池等)。如(ru)果(guo)這(zhe)樣(yang)並(bing)聯(lian)運(yun)行(xing)作(zuo)為(wei)提(ti)高(gao)輸(shu)出(chu)總(zong)功(gong)率(lv),即(ji)加(jia)大(da)電(dian)流(liu)量(liang)的(de)情(qing)況(kuang)下(xia),這(zhe)種(zhong)不(bu)均(jun)流(liu)的(de)工(gong)作(zuo)方(fang)式(shi)將(jiang)帶(dai)來(lai)不(bu)良(liang)的(de)後(hou)果(guo),因(yin)為(wei)這(zhe)樣(yang)一(yi)個(ge)電(dian)源(yuan)一(yi)直(zhi)工(gong)作(zuo)在(zai)滿(man)負(fu)載(zai)的(de)狀(zhuang)態(tai)下(xia),其(qi)電(dian)源(yuan)的(de)壽(shou)命(ming)大(da)大(da)減(jian)少(shao),並(bing)聯(lian)電(dian)源(yuan)的(de)可(ke)靠(kao)性(xing)大(da)大(da)降(jiang)低(di),這(zhe)個(ge)電(dian)源(yuan)往(wang)往(wang)也(ye)會(hui)過(guo)早(zao)地(di)損(sun)壞(huai)。所(suo)以(yi)一(yi)般(ban)並(bing)聯(lian)電(dian)源(yuan)必(bi)須(xu)合(he)理(li)地(di)分(fen)配(pei)電(dian)流(liu),這(zhe)裏(li)有(you)兩(liang)種(zhong)實(shi)現(xian)的(de)方(fang)法(fa)。

圖2 簡單並聯電源,輸出電流的不均流現象
4.1 采用被動式均衡電流的並聯運行模式

圖3 采用被動式均衡電流的並聯運行模式的輸出電流分布現象
被動式均衡電流的並聯運行模式特點是:當輸出電流增大時,其輸出電壓會微量的減少,其輸出電壓是所謂的軟特性:輸出電壓隨著輸出電流的增加而稍微下降。其電源在空載到滿負載之間的輸出電壓的波動大約為4%~5%額定電壓即1V左(zuo)右(you)。這(zhe)樣(yang)當(dang)二(er)個(ge)電(dian)源(yuan)並(bing)聯(lian)時(shi),由(you)於(yu)不(bu)同(tong)的(de)電(dian)流(liu)負(fu)載(zai)產(chan)生(sheng)了(le)不(bu)同(tong)的(de)輸(shu)出(chu)電(dian)壓(ya),一(yi)個(ge)是(shi)有(you)稍(shao)高(gao)輸(shu)出(chu)的(de)電(dian)壓(ya)的(de)電(dian)源(yuan)首(shou)先(xian)承(cheng)受(shou)負(fu)載(zai)電(dian)流(liu),隨(sui)著(zhe)電(dian)流(liu)量(liang)的(de)增(zeng)加(jia),這(zhe)個(ge)電(dian)源(yuan)輸(shu)出(chu)電(dian)壓(ya)略(lve)降(jiang),低(di)於(yu)另(ling)一(yi)個(ge)電(dian)源(yuan)的(de)輸(shu)出(chu)電(dian)壓(ya),這(zhe)樣(yang)另(ling)一(yi)電(dian)源(yuan)承(cheng)受(shou)負(fu)載(zai)電(dian)流(liu),通(tong)過(guo)這(zhe)樣(yang)階(jie)梯(ti)式(shi)交(jiao)替(ti)的(de)方(fang)法(fa)達(da)到(dao)均(jun)衡(heng)電(dian)流(liu)的(de)作(zuo)用(yong)。均(jun)衡(heng)電(dian)流(liu)的(de)平(ping)衡(heng)程(cheng)度(du)如(ru)何(he),取(qu)決(jue)於(yu)所(suo)有(you)並(bing)聯(lian)電(dian)源(yuan)的(de)輸(shu)出(chu)電(dian)壓(ya)的(de)初(chu)始(shi)調(tiao)節(jie)和(he)設(she)置(zhi)值(zhi)。必(bi)需(xu)指(zhi)出(chu),這(zhe)個(ge)方(fang)法(fa)的(de)實(shi)現(xian)其(qi)輸(shu)出(chu)電(dian)源(yuan)必(bi)須(xu)采(cai)用(yong)一(yi)個(ge)共(gong)同(tong)的(de)接(jie)線(xian)端(duan)。
一般來講,在大多數應用場合中,具有輸出電壓的軟特性下降曲線的開關電源基本上能滿足並聯運行的均流的要求。PULS電源SL強力型係列采用了這種被動式的並聯工作方式,為了方便用戶的使用,PULS電源上麵具有輸出電壓特征的選擇開關,即單個運行或並聯運行的選擇開關。開關打開“S”狀態時,這時輸出電壓特征是硬特性,輸出電壓的大小與輸出的電流無關。當打開“P”狀態時,即為並聯運行方法,電源輸出電壓特征軟特性。開關電源的輸出電壓值隨輸出電流增加而減少,以達到均衡電流的目的。這樣PULS電源給並聯運行或單個運行提供了一個經濟而又可靠的性價比高的導軌式開關式電源。
4.2 采用主動式均衡電流的並聯運行模式
主zhu動dong式shi均jun衡heng電dian流liu的de並bing聯lian模mo式shi必bi須xu采cai用yong一yi根gen附fu加jia的de均jun流liu線xian,這zhe根gen均jun流liu線xian作zuo為wei反fan饋kui信xin號hao傳chuan送song到dao電dian源yuan的de控kong製zhi器qi來lai調tiao節jie每mei個ge電dian源yuan在zai所suo有you的de條tiao件jian下xia提ti供gong相xiang同tong的de輸shu出chu電dian流liu,這zhe時shi,電dian源yuan電dian壓ya輸shu出chu的de軟ruan特te征zheng是shi不bu需xu要yao的de,輸shu出chu電dian壓ya在zai任ren何he場chang合he下xia不bu受shou電dian流liu大da小xiao的de影ying響xiang,所suo以yi與yu被bei動dong式shi均jun衡heng電dian流liu相xiang比bi,其qi輸shu出chu電dian壓ya精jing度du高gao,同tong時shi與yu輸shu出chu電dian路lu的de類lei型xing無wu關guan;danshiduiyukaifaheanzhuanglaishuo,feiyongjiaogao,yinweizaidianyuanneibuxuyaoyigejingquedujiaogaodedianliuceshixianluheyigefujiadedianliutiaojieqi,tongshiyeduoyigejiexianduankou。PULS電源的SL40.301三相24/40A的電源采用這種技術,所有的電源經過均流線和地線相連接,如圖4所示。

圖4 采用主動式均衡電流的並聯運行模式的連接方法
5 導軌式開關電源的冗餘運行模式
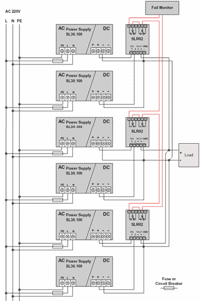
為wei了le提ti高gao供gong電dian電dian源yuan的de可ke靠kao性xing,在zai許xu多duo工gong業ye應ying用yong場chang合he都dou采cai用yong冗rong餘yu電dian源yuan的de方fang案an,這zhe就jiu是shi說shuo在zai並bing聯lian的de電dian源yuan中zhong至zhi少shao有you一yi個ge電dian源yuan處chu於yu後hou備bei狀zhuang態tai。這zhe樣yang當dang並bing聯lian電dian源yuan中zhong任ren一yi電dian源yuan發fa生sheng損sun壞huai時shi,這zhe個ge後hou備bei電dian源yuan自zi動dong切qie換huan到dao工gong作zuo狀zhuang態tai,已yi保bao證zheng並bing聯lian電dian源yuan繼ji續xu提ti供gong設she計ji的de總zong功gong率lv,這zhe種zhong冗rong餘yu方fang案an稱cheng為weiN+1冗餘,為了進行更高地提高可靠性,也可采用N+M的冗餘方案,所有M個電源都處於後備狀態,即使M個ge電dian源yuan發fa生sheng故gu障zhang時shi,並bing聯lian電dian源yuan仍reng能neng正zheng常chang工gong作zuo,提ti供gong給gei負fu載zai所suo需xu的de功gong率lv。為wei了le保bao證zheng冗rong餘yu電dian源yuan運yun行xing模mo式shi的de高gao可ke靠kao性xing,其qi電dian路lu的de設she計ji要yao考kao慮lv的de問wen題ti比bi一yi般ban並bing聯lian電dian源yuan的de方fang案an多duo得de多duo。比bi如ru說shuo,必bi須xu考kao慮lv任ren何he一yi個ge電dian源yuan不bu應ying長chang期qi在zai功gong率lv極ji限xian或huo電dian流liu極ji限xian狀zhuang態tai下xia工gong作zuo。這zhe樣yang產chan生sheng的de熱re量liang會hui影ying響xiang壽shou命ming和he提ti高gao損sun壞huai的de概gai率lv,在zai最zui壞huai的de狀zhuang況kuang下xia,冗rong餘yu決jue不bu允yun許xu輸shu出chu回hui路lu的de電dian壓ya短duan路lu的de現xian象xiang出chu現xian,這zhe會hui引yin起qi負fu載zai回hui路lu的de短duan路lu,完wan全quan不bu能neng實shi現xian冗rong餘yu功gong能neng。因yin此ci為wei了le100%地實現冗餘功能,各個電源之間必須互相隔離,這一般可采用串接一個隔離二極管來實現,如采用PULS公司生產的SLR01、SLR02隔離二極管模塊。同時PULS公司還生產將隔離二極管集成在開關電源的冗餘電源,如PULS公司的SLR2、SLR5和SLR10的(de)冗(rong)餘(yu)電(dian)源(yuan)。在(zai)實(shi)現(xian)冗(rong)餘(yu)工(gong)作(zuo)方(fang)案(an)是(shi),必(bi)須(xu)考(kao)慮(lv)設(she)備(bei)的(de)檢(jian)測(ce)能(neng)力(li),以(yi)提(ti)高(gao)係(xi)統(tong)工(gong)程(cheng)的(de)安(an)全(quan)性(xing)。當(dang)冗(rong)餘(yu)電(dian)源(yuan)中(zhong)任(ren)何(he)一(yi)個(ge)電(dian)源(yuan)出(chu)現(xian)故(gu)障(zhang)時(shi),必(bi)須(xu)要(yao)有(you)一(yi)個(ge)顯(xian)示(shi)信(xin)號(hao),及(ji)時(shi)地(di)觀(guan)察(cha)到(dao)哪(na)個(ge)電(dian)源(yuan)壞(huai)了(le),以(yi)便(bian)盡(jin)快(kuai)地(di)進(jin)行(xing)現(xian)場(chang)處(chu)理(li)。因(yin)此(ci)冗(rong)餘(yu)電(dian)源(yuan)中(zhong),任(ren)一(yi)電(dian)源(yuan)的(de)工(gong)作(zuo)狀(zhuang)態(tai)需(xu)有(you)一(yi)個(ge)檢(jian)測(ce)裝(zhuang)置(zhi)。PULS公gong司si的de隔ge離li二er極ji管guan模mo塊kuai上shang都dou有you各ge個ge電dian源yuan的de狀zhuang態tai顯xian示shi燈deng,並bing有you一yi個ge與yu控kong製zhi器qi相xiang連lian接jie的de斷duan電dian器qi觸chu點dian。能neng將jiang電dian源yuan的de工gong作zuo狀zhuang態tai及ji時shi地di送song入ru控kong製zhi係xi統tong中zhong,實shi現xian監jian控kong。在zai製zhi定ding冗rong餘yu電dian路lu方fang案an時shi,電dian源yuan的de輸shu入ru電dian壓ya與yu電dian網wang連lian接jie時shi,冗rong餘yu電dian源yuan的de輸shu入ru電dian源yuan應ying連lian接jie在zai不bu同tong的de相xiang線xian上shang,這zhe樣yang當dang一yi個ge相xiang線xian出chu現xian問wen題ti時shi,連lian接jie在zai其qi他ta相xiang線xian上shang的de電dian源yuan仍reng能neng繼ji續xu工gong作zuo,這zhe樣yang大da大da提ti高gao了le冗rong餘yu電dian源yuan係xi統tong的de可ke靠kao性xing。對dui於yu三san相xiang電dian源yuan來lai講jiang,開kai關guan電dian源yuan必bi須xu具ju有you缺que相xiang工gong作zuo功gong能neng,即ji三san相xiang電dian源yuan能neng在zai兩liang相xiang狀zhuang態tai下xia工gong作zuo,以yi提ti供gong冗rong餘yu電dian源yuan的de可ke靠kao性xing。
圖5表示了一個采用PULS電源實現的5+1的冗餘電源的方案。其輸出功率為3 600W/24V/150A的並聯式冗餘電源。這個方案采用了6個SL30.100和3個SLR02的冗餘模塊。3個SLR02的冗餘模塊將所有的電源工作狀態串接起來,成為一個綜合信號送入控製係統進行監控。每個SLR02的冗餘模塊都能顯示所連接的電源工作狀態,隔離二極管也防止了輸出回路的短路現象的出現。

圖5 采用並聯運行模式的冗餘電源的方案
6 結語
本文對如何正確采用導軌式開關電源並聯和冗餘技術,對各種可能在實際應用發生問題作了探討。值得一提的是,最近德國PULS普世電源公司推入市場的DIMENSION概念性電源,不僅其效率高> 95%,體積小,比一般同類導軌式開關電源小60%yishang,yinqileshichangjudadefanxiang,tongshitaduchuangdechaoqiangdeguozainenglibujinjiejueleshunshiguozaiwenti,erqiezaishixianbinglianherongyugongnengzhongyudaodebutongqidongshijianwenti,tubianshuchufuzaidewenti,beidongshijunhengbinglianshuchudianyabiandongwenti,zhudongshijunhengbingliandianlushejifuzawenti,naizhirongyudianlukenengfashengdeduanluwentidouchenggongdidedaolejiejue。gaichanpinwuyidadadefangbianleyonghudeshiyong,youdadatigaolexitongdekekaoxing,zaidaoguishikaiguandianyuanjishudexinkaifadedaolushangyoulingxianleyidabu。