http://kadhoai.com.cn 2026-04-26 15:57:37 來源:中華工控網
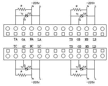
可控矽(SCR)是在工業自動化領域使用廣泛的電壓控製功率器件。控製可控矽的導通角使可控矽輸出電壓連續可調,因此大量應用於溫度控製、燈光調節、電dian機ji調tiao速su等deng領ling域yu。當dang用yong於yu溫wen度du控kong製zhi時shi,通tong過guo可ke控kong矽gui輸shu出chu連lian續xu可ke變bian電dian壓ya,改gai變bian加jia熱re器qi的de輸shu出chu功gong率lv,從cong而er達da到dao控kong製zhi溫wen度du的de目mu的de。傳chuan統tong的de可ke控kong矽gui溫wen度du控kong製zhi方fang式shi一yi般ban是shi采cai用yong支zhi持chi可ke控kong矽gui輸shu出chu的de溫wen控kong儀yi表biao,這zhe在zai機ji器qi自zi動dong化hua中zhong已yi廣guang泛fan使shi用yong。但dan這zhe種zhong方fang式shi不bu能neng將jiang溫wen度du控kong製zhi與yu邏luo輯ji控kong製zhi結jie合he,溫wen度du的de顯xian示shi和he調tiao節jie也ye脫tuo離liPLC係統。凱迪恩公司受某廠家委托,專門開發了可控矽調壓模塊(FM351)。
該模塊是KDN-K3係列PLC的擴展功能模塊,可以同時觸發4路可控矽,連接在CPU的擴展總線上。CPU通過擴展總線向該模塊發送控製方式和各通道輸出電壓值,調節過程由該模塊自身完成,並且將實際輸出值反饋給CPU。可控矽調壓模塊能夠實現自動過零檢測、短路保護、斷路檢測等功能。
可控矽調壓模塊的開發成功,使得KDN-K3係列PLC成為唯一支持可控矽輸出的PLC產品。


